Бесплатная техническая библиотека
Включение лампочки двумя выключателями. Энциклопедия радиоэлектроники и электротехники

Энциклопедия радиоэлектроники и электротехники / Освещение
Комментарии к статье
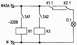
Данная схема предназначена для выключения освещения с помощью двух выключателей, удаленных друг от друга. Лампочка горит тогда, когда только один из выключателей замкнут. Если же оба выключателя замкнуты или разомкнуты, то лампочка не горит. По такому же алгоритму работают схемы, основой которых является логический элемент ИСКЛЮЧАЮЩЕЕ ИЛИ.
Схема, собранная на двух электромагнитных реле (рис.1), не требует пояснений. На рис.2 приведена схема без реле. Если в ней замкнут только один выключатель, например, SA1, то на конденсаторе С1 появляется напряжение, близкое к сетевому. При этом конденсатор С2 играет роль реактивного сопротивления, через которое ток подается на диодный мост VD1...VD4, а затем на светодиод оптопары VU1, диодный мост VD8...VD11 и управляющий электрод симистора VS1. Симистор открывается, и лампочка горит.
Рис. 1. Схема на двух электромагнитных реле
Рис. 2. Схема без реле
Если замкнуты оба выключателя, то равные напряжения, подающиеся на С1 и С2, вычитаются друг из друга, и светодиод в оптроне VU1 не работает. Он также не работает, если оба выключателя разомкнуты. В этих случаях лампочка не горит.
В момент переключения выключателей сопротивления R1 и R2 ограничивают ток, протекающий через конденсаторы С1 и С2, а диоды VD5...VD7 и резистор R5 - ток через светодиод оптопары VU1. При нагрузке не более 100 Вт симистор VS1 используется без радиатора. Чтобы рассчитать ток, протекающий через конденсаторы С1 и С2, когда включен один из выключателей, можно пренебречь сопротивлениями R1 и R2, падением напряжения на диодном мосте VD1...VD4 и воспользоваться эквивалентной схемой, приведенной на рис.3.
Рис. 3
В данной схеме эффективное значение тока, протекающего через каждый конденсатор:

где Uэф - эффективное значение напряжения (Uэф = 220 В); R = R1 =R2 = 510 OM; f = 50 Гц; С = С1 = С2 = 0,22 мкФ.
Автор: Д.Новоторов, г.Н.Новгород; Публикация: radioradar.net
Смотрите другие статьи раздела Освещение.
Читайте и пишите полезные комментарии к этой статье.
<< Назад
Последние новости науки и техники, новинки электроники:
Польза белкового завтрака
14.01.2026
Правильное питание по утрам играет ключевую роль в поддержании здоровья и контроле веса. Многочисленные исследования подтверждают, что состав завтрака может влиять на аппетит в течение всего дня и качество употребляемой пищи. Австралийские ученые провели масштабный эксперимент, который показал, что употребление белковой пищи с утра помогает дольше чувствовать сытость и предотвращает переедание.
В исследовании участвовали более 9 тысяч человек среднего возраста 46 лет. В период с 2011 по 2012 год специалисты анализировали рационы респондентов, оценивая долю основных макронутриентов. В среднем участники потребляли 43% углеводов, 31% жиров, 18% белков, 2% клетчатки и 4% алкоголя. Такой рацион позволил ученым проследить взаимосвязь между утренним приемом пищи и пищевым поведением в течение дня.
Выяснилось, что участники, чей завтрак содержал недостаточное количество белка, ощущали повышенный аппетит в течение дня. Они ели больше, чем необходимо, и часто выбирали продукты с высоким со ...>>
Технология SmartPower HDR
14.01.2026
Ноутбуки стремительно развиваются в плане графики и мультимедийных возможностей, но яркие дисплеи с высоким динамическим диапазоном (HDR) часто становятся серьезной нагрузкой для аккумуляторов. Длительная работа с видео высокого качества или играми в HDR приводит к быстрой разрядке батареи, что ограничивает мобильность пользователей и снижает комфорт работы. Решить эту проблему призвана новая технология SmartPower HDR, разработанная совместно компаниями Samsung Display и Intel.
Суть технологии заключается в динамическом управлении напряжением OLED-панелей. Чипсет ноутбука в реальном времени анализирует пиковую яркость каждого кадра и передает эти данные контроллеру дисплея, который оптимизирует подачу напряжения в зависимости от количества активных пикселей. В отличие от традиционных режимов HDR, где яркость часто фиксируется на максимальном уровне, SmartPower HDR адаптируется к конкретному контенту, что снижает энергопотребление без потери качества изображения.
Технология позвол ...>>
Недосып существенно сокращает жизнь
13.01.2026
Сон является одной из самых фундаментальных потребностей человека. Он влияет на обмен веществ, работу сердца и мозга, иммунитет и общее самочувствие. Современный ритм жизни часто заставляет людей жертвовать сном ради работы, учебы или развлечений, но ученые предупреждают: регулярный недосып может иметь далеко идущие последствия для здоровья и долголетия.
Исследователи из Орегонского университета здравоохранения и науки пришли к выводу, что сон менее семи часов в сутки связан с сокращением продолжительности жизни. По данным специалистов, хроническая нехватка сна не только вызывает усталость и снижение работоспособности, но и постепенно сказывается на здоровье органов и систем, увеличивая риски развития различных заболеваний.
Для анализа ученые использовали обширную национальную базу данных США, сопоставляя показатели ожидаемой продолжительности жизни на уровне штатов с результатами опросов Центров контроля и профилактики заболеваний за период с 2019 по 2025 годы. Они учитывали мно ...>>
Случайная новость из Архива Раскрыты причины утреннего пения птиц
25.06.2025
Утреннее щебетание птиц - один из самых узнаваемых звуков природы, знакомый каждому, кто хоть раз встречал рассвет. Однако несмотря на привычность этого явления, вопрос о том, почему именно утро становится временем пикового пения у большинства видов, долгое время оставался открытым. Международная группа ученых решила подойти к этой загадке научно и впервые предложила убедительное поведенческое объяснение утренней вокализации птиц.
Исследование проводилось в одном из самых богатых по биоразнообразию регионов Индии - в Западных Гатах. Этот горный хребет, признанный объектом Всемирного наследия ЮНЕСКО, служит домом для сотен видов птиц. Именно здесь, на территории тропических лесов, специалисты из Лаборатории орнитологии Корнеллского университета и индийского проекта Dhvani установили десятки микрофонов, чтобы круглосуточно фиксировать звуки природы в течение длительного времени.
Руководитель проекта Виджай Рамеш и его команда проанализировали вокальную активность 69 видов птиц и проверили четыре популярных научных гипотезы, объясняющих пение на рассвете. Среди них рассматривались такие причины, как лучшие акустические условия при низком ветре, начало освещенного дня, особенности кормового поведения и социальная активность. Однако только последняя гипотеза - о роли социальных взаимодействий - получила значительное подтверждение в ходе анализа.
Ученые обнаружили, что именно территориальные и всеядные виды чаще проявляют вокальную активность в утренние часы. Все дело в том, что такие птицы особенно зависимы от звуковой коммуникации для обмена информацией внутри стаи, включая сигналы об угрозах и координацию поисков пищи. Среди наиболее "голосистых" видов утром оказались сероголовая мухоловка Culicicapa ceylonensis и представители рода дронго. В вечерние часы, напротив, лишь один вид - черноголовый баблер - продемонстрировал заметную вокализацию, что подтверждает уникальность утреннего пика активности.
Интересно, что такие факторы, как температура, ветер или уровень освещения, практически не влияли на выбор времени для пения. Это ставит под сомнение ранее популярные теории, согласно которым птицы поют утром из-за улучшенной слышимости или биологических ритмов, связанных с восходом солнца.
Поведение птиц гораздо сложнее, чем казалось ранее, и требует внимательного учета социальных взаимодействий между особями. Полученные данные не только расширяют понимание птичьей вокализации, но и подчеркивают потенциал пассивного акустического мониторинга как инструмента для экологических и этологических исследований.
|
Другие интересные новости:
▪ Построен самый большой в мире 3D-принтер
▪ Жесткие диски корпоративного класса от Seagate
▪ Не стоит заряжать смартфон ночью
▪ Солнечное затмение создало уникальные волны в атмосфере Земли
▪ Повышающие DC/DC LED-драйверы Mean Well LDH-25/65
Лента новостей науки и техники, новинок электроники
Интересные материалы Бесплатной технической библиотеки:
▪ раздел сайта Эффектные фокусы и их разгадки. Подборка статей
▪ статья Хранение мячей. Советы домашнему мастеру
▪ статья Какой играющий тренер умудрился продать сам себя в более известный клуб? Подробный ответ
▪ статья Остров Шри-Ланка. Чудо природы
▪ статья Регулятор яркости освещения. Энциклопедия радиоэлектроники и электротехники
▪ статья Микрофонный усилитель. Энциклопедия радиоэлектроники и электротехники
Оставьте свой комментарий к этой статье:
Главная страница | Библиотека | Статьи | Карта сайта | Отзывы о сайте

www.diagram.com.ua
2000-2026