Menu Home

Бесплатная техническая библиотека для любителей и профессионалов Бесплатная техническая библиотека


Термометр с функцией таймера или управления термостатом

Бесплатная техническая библиотека

Энциклопедия радиоэлектроники и электротехники / Регуляторы мощности, термометры, термостабилизаторы

Комментарии к статье Комментарии к статье

Описания различных электронных цифровых термометров неоднократно публиковались в различных источниках. Как правило, они содержали преобразователь температура-частота и измерительную часть на дискретных цифровых элементах, преобразующих измеренную частоту в показания температуры. Построенный на дискретных элементах преобразователь температура-частота требует калибровки и позволяет достичь приемлемой точности в довольно ограниченном интервале (из-за нелинейности температурных характеристик элементов). Применение современной элементной базы - микроконтроллеров и специальных датчиков - значительно упрощает схемотехнику устройства с одновременным повышением функциональности и точности измерений.

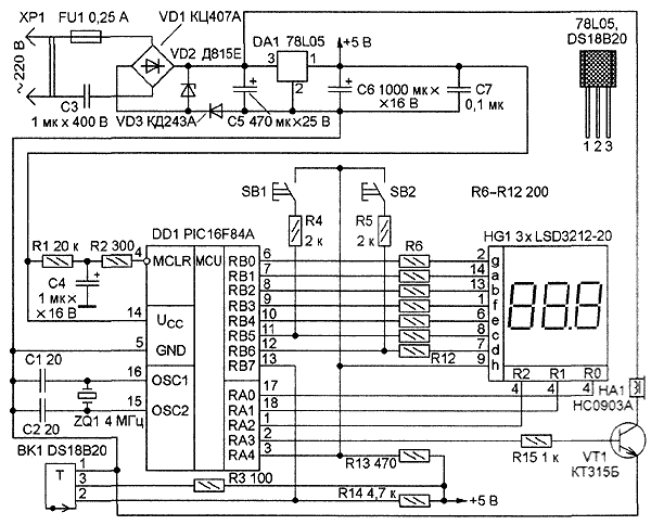
Принципиальная схема предлагаемого термометра изображена на рис.1. Его основа - популярный микроконтроллер (МК) PIC16F84A (DD1). Для измерения температуры использован интегральный цифровой датчик (ВК1) DS18B20 фирмы MAXIM. Эта микросхема не требует калибровки и позволяет измерять температуру окружающей среды от -55 до +125 °С, причем в интервале -10...+85 °С производитель гарантирует абсолютную погрешность измерения не хуже ±0,5 °С. Датчик DS18B20 - наиболее совершенный из широко известного семейства DS18X2X, выпускавшихся ранее под маркой Dallas Semiconductor. В отличие от функциональных аналогов DS1820 и DS18S20 он перед началом измерения позволяет задать необходимую относительную точность преобразования температуры из следующего ряда значений: 0,5; 0,25; 0,125 и 0,0625 °С, при этом время измерения равно соответственно 93,75; 187,5; 375 и 750 мс.

Термометр с функцией таймера или управления термостатом. Принципиальная схема термометра
Рис.1. Принципиальная схема термометра

Принцип действия датчика DS18X2X основан на подсчете числа импульсов, вырабатываемых генератором с низким температурным коэффициентом во временном интервале, который формируется генератором с другим температурным коэффициентом, при этом внутренней логикой датчика учитывается и компенсируется параболическая зависимость частот обоих генераторов от температуры.

Обмен управляющими командами и данными между датчиком ВК1 и МК DD1, работающим на частоте 4 МГц, осуществляется по однопроводной двунаправленной шине передачи данных 1-Wire. Каждый экземпляр DS18B20 имеет уникальный 48-битный номер, записанный с помощью лазера в ПЗУ в процессе производства, что позволяет подключать к одной шине практически любое число таких приборов. Ограничивающим фактором является в основном только общее время, затрачиваемое на последовательный опрос всех датчиков, подключенных к сети.

С периодом, равным 1 с, МК DD1 посылает датчику ВК1 команду на запуск процесса измерения температуры с точностью 0,0625 °С и получает от него результат предыдущего замера. Принятый отдатчика 12-битный код, соответствующий измеренной температуре, преобразуется в десятичную форму, округляется до десятых долей градуса и выводится на светодиодный индикатор HG1 в динамическом режиме. Подачей напряжения лог. 0 на один из выходов RA0, RA1 или RA2 МК включает соответствующий разряд индикатора, выводя при этом на выходы RB0-RB6 семиэлементный код отображаемой в данном разряде цифры. Управление точкой на индикаторе, отделяющей целую часть отображаемой температуры от десятичной, МК производит через выход с открытым стоком RA4. Период отображения всех трех разрядов индикатора составляет примерно 12,3 мс (частота - 81 Гц).

Так как в приборе применен трехразрядный индикатор, в интервале от -19,9 до +99,9 oС температура отображается с точностью до 0,1 °С, а в интервалах -55 -20 и +100...+125°С - с точностью до 1 °С. Кроме того, в этих интервалах абсолютная погрешность измерения температуры возрастает до ±2 °С, поэтому отображение температуры с точностью до десятых долей градуса теряет смысл.

В конце каждого периода отображения информации на индикаторе МК проверяет состояние кнопок SB1 и SB2, для чего на выходах RA0-RA2 устанавливает напряжение высокого логического уровня (это соответствует отключению всех разрядов индикатора HG1), а на выходе RA4 - напряжение лог. 0. Разряды RB5, RB6 перенастраиваются на ввод, при этом к ним подключаются внутренние «подтягивающие» резисторы, соединенные с шиной питания +5 В. Таким образом, при нажатии на кнопку SB1 или SB2 высокий логический уровень напряжения на RB5, RB6 сменяется низким, что и отслеживается МК. Подключенные к этим разрядам элементы светодиодного индикатора не оказывают существенного влияния на состояние указанных входов МК, поскольку ток в обратном направлении через них пренебрежимо мал. Удержание кнопок в нажатом состоянии не влияет на работу индикаторов в период отображения информации, так как ток между выходами RA4 и RB5, RB6 через кнопки SB1, SB2 ограничен резисторами R4, R5.

Питается прибор от сети переменного тока напряжением 220 В через балластный конденсатор C3. Благодаря диодному мосту VD1 через стабилитрон VD2 проходят обе полуволны сетевого напряжения. В результате значительно снижаются пульсации напряжения на конденсаторе С5 и становится возможным уменьшить емкость конденсатора C3, от которой зависит максимальный ток, отдаваемый источником питания в нагрузку.

Времязадающая цепь R1C4R2 формирует паузу перед запуском МК, необходимую для того, чтобы после включения устройства в сеть напряжение на конденсаторах С5, С6 успело возрасти до уровня, обеспечивающего нормальную работу МК.

При включении звукового сигнала, когда вступает в работу каскад на транзисторе VT1 с включенным в его коллекторную цепь звукоизлучателем НА1, потребляемый устройством ток значительно увеличивается, поэтому в программе МК предусмотрено отключение индикатора на время подачи сигнала. Питается этот каскад энергией, накопленной в конденсаторе С5, что приводит к большим просадкам напряжения на нем. Для поддержания стабильного напряжения питания МК и датчика температуры в устройство введены интегральный стабилизатор напряжения DA1 и оксидный конденсатор большой емкости С6. Если звуковая сигнализация не нужна, микросхему DA1 и конденсатор С5 можно исключить, но в этом случае Д815Е (VD2) необходимо заменить стабилитроном Д815А с напряжением стабилизации 5,6 В.

Коды прошивки ПЗУ МК для термометра с функцией таймера приведены в табл.1. При нажатии на кнопку SB1 подается короткий звуковой сигнал и на индикаторе появляется значение оставшегося времени до подачи звукового сигнала или 0 (в младшем разряде), если время в таймере не было установлено. Требуемую выдержку времени (в пределах 1...99 мин) вводят нажатием на кнопку SB2 (не отпуская SB1). При этом показания индикатора начинают автоматически увеличиваться с частотой 2 Гц. По достижении нужного значения кнопки отпускают. Возврат к показаниям температуры происходит через 1 с после отпускания кнопки SB1. По окончании заданного времени устройство в течение 10 с подает прерывистый звуковой сигнал частотой 1500 Гц.

В табл.2 приведены коды прошивки МК, наделяющей описываемый прибор функцией управления термостатом, поддерживающим заданную температуру в контролируемой среде с точностью ±1°С. Просмотр и установка температуры (в интервале -54...+124°С) осуществляются, как и в предыдущем случае, с помощью кнопок SB1 и SB2. Заданное значение температуры сохраняется в энергонезависимой памяти данных МК и загружается из нее при каждом последующем включении устройства в сеть.

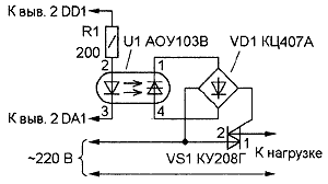
При работе устройства с термостатом сигнал для управления нагревателем или компрессором холодильника снимается с выхода RA3, при этом вместо каскада на транзисторе VT1 устанавливают оптосимисторное реле, управляющее питанием исполнительного устройства или контактора, который, в свою очередь, подключает нагреватель или компрессор к электросети. Схема возможного варианта такого реле показана на рис.2.

Термометр с функцией таймера или управления термостатом
Рис.2.

Приведенная в табл.2 прошивка МК рассчитана на управление нагревательным элементом. К примеру, если заданная температура в термостате равна +30°С, то на выходе RA3 МК появится сигнал лог. 1 (соответствует включению нагревателя) при понижении температуры контролируемой среды ниже +29°С, но как только температура поднимется до +31°С, нагреватель будет отключен. Таким образом, гистерезис между включением и выключением нагревателя составляет 2°С. За его величину "отвечает" первый взятый в скобки байт (02) в табл.2: если его заменить на (01), гистерезис уменьшится до 1°С, а если на (03), увеличится до 3°С и т.д. Чем меньше гистерезис, тем точнее будет поддерживаться заданная температура в контролируемой среде, но чаще будут повторяться циклы включения-выключения исполнительного устройства, и наоборот.

При управлении компрессором холодильника сигнал лог. 1 на выходе RA3, включающий систему охлаждения, должен появляться, если температура превысит заданный предел, и сменяться уровнем лог. 0, как только температура опустится ниже указанного предела, опять же с учетом гистерезиса, заданного значением первого взятого в скобки байта в табл.2. Для реализации этого режима работы взятые в скобки 2, 3 и 4-й байты таблицы нужно заменить соответственно на (19), (15) и (11).

Исходные тексты программ, в том числе табл.1 и табл.2, можно скачать отсюда. При программировании МК необходимо указать: тип генератора - HS, таймеры WDT и PWRT - включены.

Все детали термометра монтируют на печатной плате из двусторонне фольгированного стеклотекстолита (рис.3). Плата рассчитана на установку резисторов МЛТ, конденсаторов КД (С1, С2), К73-17В с номинальным напряжением 400 В (C3), КМ( С7) и К50-35 (остальные). Для уменьшения габаритов устройства детали устанавливают на обеих сторонах платы (там, где указаны их позиционные обозначения). В отверстия контактных площадок, помеченных на чертеже рядом стоящей точкой, при монтаже впаивают проволочные перемычки (их функцию выполняет также вывод конденсатора С7). Трехразрядный светодиодный индикатор HG1 собран из трех одноразрядных LSD3212-20 (зеленого цвета свечения) и может быть заменен любым другим с потребляемым током не более 20 мА на элемент (сегмент). Перед установкой на место выводы 12 индикаторов обрезают в непосредственной близости от корпуса.

Термометр с функцией таймера или управления термостатом. Печатная плата термометра
Рис.3. Печатная плата термометра

Интегральный стабилизатор 78L05 (DA1) заменим любым другим с напряжением стабилизации +5 В. Звуковой капсюль-излучатель НА1 - любой малогабаритный с обмоткой сопротивлением 8...25 Ом (автор использовал электромагнитный излучатель НС0903А).

Если предполагается использовать термометр в жестких климатических условиях, оксидные конденсаторы С5 и С6 следует выбрать с расширенным температурным диапазоном (с маркировкой на корпусе (+105°С) или выше), а МК PIC16F84A - исполнения E/P обозначающего, что данная микросхема может работать при температуре от -40 до + 125 °С. Смонтированную плату термометра в этом случае помещают в герметичный пластмассовый корпус и заливают герметиком (например, эпоксидной смолой). Отверстия для кнопок с внутренней стороны заклеивают куском тонкой резины, после чего с обеих сторон получившейся резиновой мембраны, над кнопками SB1 и SB2, наклеивают пластмассовые кружки диаметром, несколько меньшим диаметра отверстий в корпусе. Таким образом обеспечивается полная изоляция элементов устройства от внешней среды. При использовании устройства в обычных условиях герметизацию можно не делать.

Размещать датчик температуры внутри корпуса термометра нельзя, так как это приведет к увеличению погрешности измерений (из-за нагрева элементов) и инерционности показаний термометра при изменении температуры окружающей среды. Одно из конструктивных решений - размещение микросхемы датчика внутри стеклянной ампулы от лекарств подходящего размера. Места выхода гибкого кабеля из ампулы и из корпуса термометра тщательно заливают герметиком. Длина трехжильного кабеля может быть от нескольких сантиметров до десятков метров.

Собранное из исправных деталей и без ошибок в монтаже устройство в налаживании не нуждается.

Автор: С.Коряков, г.Шахты Ростовской обл.; Публикация: radioradar.net

Смотрите другие статьи раздела Регуляторы мощности, термометры, термостабилизаторы.

Читайте и пишите полезные комментарии к этой статье.

<< Назад

Последние новости науки и техники, новинки электроники:

Оптимальная продолжительность сна 12.11.2025

Сон играет ключевую роль в поддержании здоровья, когнитивных функций и общего самочувствия. Несмотря на широко распространенный стереотип о восьмичасовом сне, последние исследования показывают, что оптимальная продолжительность сна для большинства здоровых взрослых ближе к семи часам. Эволюционный биолог из Гарварда, Дэниел Э. Либерман, утверждает, что традиционная норма восьми часов сна - это скорее культурное наследие индустриальной эпохи, чем биологическая необходимость. По его словам, полевые исследования, проведенные в сообществах, не использующих электричество, показывают, что средняя продолжительность сна составляет 6-7 часов, что значительно отличается от общепринятого стандарта. Современные эпидемиологические данные подтверждают этот взгляд. Исследования выявили так называемую "U-образную кривую" зависимости между продолжительностью сна и рисками для здоровья. Минимальные показатели заболеваемости и смертности наблюдаются именно у людей, спящих около семи часов в сутки. ...>>

Дефицит кислорода усиливает выброс закиси азота 12.11.2025

Парниковые газы играют ключевую роль в изменении климата, а закись азота (N2O) - один из наиболее опасных среди них. Этот газ не только втрое сильнее углекислого газа в удержании тепла, но и разрушает озоновый слой. Недавнее исследование американских ученых показало, что микробы в зонах с низким содержанием кислорода активно производят N2O, усиливая глобальные климатические риски. Команда из Университета Пенсильвании изучала прибрежные воды у Сан-Диего и провела наблюдения на глубинах от 40 до 120 метров в Восточной тропической северной части Тихого океана - одной из крупнейших зон дефицита кислорода. Исследователи сосредоточились на том, как морские микроорганизмы превращают нитраты в закись азота. В ходе работы выяснилось, что существует два пути образования N2O. Один путь начинается с нитрата, другой - с нитрита. На первый взгляд более короткий путь должен быть эффективнее, однако микробы, использующие нитрат, продуцируют больше газа, поскольку этот "сырьевой" источник более д ...>>

Омега-3 помогают молодым кораллам выживать 11.11.2025

Сохранение коралловых рифов становится все более актуальной задачей в условиях глобального изменения климата. Молодые кораллы особенно уязвимы на ранних стадиях развития, когда стрессовые условия и нехватка питательных веществ могут привести к высокой смертности. Недавнее исследование ученых из Технологического университета Сиднея показывает, что специальные пищевые добавки способны существенно повысить выживаемость личинок кораллов. В ходе работы исследователи разработали особый состав "детского питания" для коралловых личинок. В него вошли масла, богатые омега-3 жирными кислотами, а также важные стерины, необходимые для формирования клеточных мембран. Личинки, получавшие эти добавки, развивались быстрее, становились крепче и демонстрировали более высокую устойчивость к стрессовым факторам. Особое внимание ученые уделили липидам. Анализ показал, что личинки активно усваивают эти вещества, что напрямую влияет на их жизнеспособность. Стерины, содержащиеся в корме, повышают устойчи ...>>

Случайная новость из Архива

Изменения климата сказываются на виноделии 28.03.2016

Изучив урожайность виноградников Франции и Швейцарии в период с 1600 по 2007 года, исследователи Бенжамин Кук (Benjamin I. Cook) из Годдарского института космических исследований НАСА и Элизабет Волкович (Elizabeth M. Wolkovich) из Гарвардского университета (США) установили, что высокие температуры и осадки негативно сказываются на виноделии. Сейчас виноград достигает технической зрелости на 10 дней раньше, по сравнению с 1981 г. Складывается ситуация, в которой ценители вина в скором времени могут не узнать свое любимое мерло.

Считается, что вкус вина рождается из сочетания уникальных свойств почвы и местных традиций виноделия. Однако, как оказалось, климат имеет не меньшее значение.

Высокие температуры ускоряют созревание винограда, стимулируя раннюю спелость плодов. В прошлом теплая весна и лето часто совпадали с засухой. Это создавало хорошие условия для уборки урожая. Однако теперь из-за глобальных изменений климата во Франции и Швейцарии жаркое лето вовсе не предполагает малого количества осадков. Проливные дожди, все чаще приходящиеся на оптимальное время для уборки урожая, задерживают его заготовку, заставляя виноделов использовать перезрелые плоды. Это негативно сказывается на качестве продукта.

Одним из путей решения проблемы, по мысли ученых, может быть постепенный перенос винодельческого производства и виноградников в регионы с более удобным климатом.

Другие интересные новости:

▪ Google Assistant стал лучше узнавать песни

▪ Диск нашей галактики искривлен по краям

▪ Роботизированные штаны

▪ Подсчитано количество пузырьков в стакане пива

▪ Автомобиль Volvo обнаружит животных на дороге

Лента новостей науки и техники, новинок электроники

 

Интересные материалы Бесплатной технической библиотеки:

▪ раздел сайта Крылатые слова, фразеологизмы. Подборка статей

▪ статья Фортуна. Крылатое выражение

▪ статья Как назвал свой магазин футбольный клуб Эвертон, пошутив над главным соперником? Подробный ответ

▪ статья Работа на стационарных и ручных раскройных электрических машинах. Типовая инструкция по охране труда

▪ статья Радиопробник. Энциклопедия радиоэлектроники и электротехники

▪ статья Конструирование громкоговорителя с ортогональными потоками излучения. Энциклопедия радиоэлектроники и электротехники

Оставьте свой комментарий к этой статье:

Имя:


E-mail (не обязательно):


Комментарий:





Главная страница | Библиотека | Статьи | Карта сайта | Отзывы о сайте

www.diagram.com.ua

www.diagram.com.ua
2000-2025