Áåñïëàòíàÿ òåõíè÷åñêàÿ áèáëèîòåêà
Öèôðîâîé ìóëüòèìåòð M830B. Ýëåêòðè÷åñêàÿ ñõåìà, îïèñàíèå, õàðàêòåðèñòèêè. Ýíöèêëîïåäèÿ ðàäèîýëåêòðîíèêè è ýëåêòðîòåõíèêè

Ýíöèêëîïåäèÿ ðàäèîýëåêòðîíèêè è ýëåêòðîòåõíèêè / Èçìåðèòåëüíàÿ òåõíèêà
Êîììåíòàðèè ê ñòàòüå

Îïèñàíèå
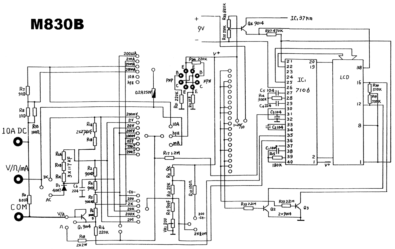
Öèôðîâîé ìóëüòèìåòð M830B ïðîèçâîäèò èçìåðåíèÿ ñèëû ïîñòîÿííîãî è ïåðåìåííîãî òîêà, âåëè÷èíû ïîñòîÿííîãî è ïåðåìåííîãî íàïðÿæåíèÿ, ñîïðîòèâëåíèÿ è êîýôôèöèåíò óñèëåíèÿ áèïîëÿðíûõ òðàíçèñòîðîâ (h21). Òàê æå ñ ïîìîùüþ ìóëüòèìåòðà M830B ìîæíî ïðîçâàíèâàòü ïîëóïðîâîäíèêîâûå äèîäû. Ðåçóëüòàòû èçìåðåíèé âûâîäÿòñÿ íà öèôðîâîé 31/2 -ðàçðÿäíûé ÆÊ-äèñïëåé. Ïèòàíèå ìóëüòèìåòðà îñóùåñòâëÿåòñÿ îò îäíîé áàòàðåè 9 òèïà "Êðîíà".  êîìïëåêòå ïîñòàâêè ìóëüòèìåòðà M830B âõîäèò êîìïëåêò ùóïîâ è èíñòðóêöèÿ íà ðóññêîì ÿçûêå.
Õàðàêòåðèñòèêè
Êîëè÷åñòâî èçìåðåíèé â ñåêóíäó: 2
Ïîñòîÿííîå íàïðÿæåíèå U= 0,1ì - 1000Â
Ïåðåìåííîå íàïðÿæåíèå U~ 0,1Â - 750Â
Ïîñòîÿííûé òîê I= 200?A - 10A
Äèàïàçîí ÷àñòîò ïî ïåðåì. òîêó 40 - 400Ãö
Ñîïðîòèâëåíèå R 0,1 Îì - 2 ÌÎì
Âõîäíîå ñîïðîòèâëåíèå R 1 ÌÎì
Êîýôôèöèåíò óñèëåíèÿ òðàíçèñòîðîâ h21 äî 1000
Äèîä-òåñò : åñòü
Ïèòàíèå 9Â /òèïà NEDA 1604, Êðîíà ÂÖ /
Ãàáàðèòû, ìì 65 ? 125 ? 28
Âåñ, ãðàìì (ñ áàòàðååé) 180
Ñåðâèñ: Èíäèêàöèÿ ðàçðÿäà áàòàðåéêè
Èíäèêàöèÿ ïåðåãðóçêè "1"
Ñðåäíÿÿ öåíà: 8-10$
Íèæå ïðèâåäåíà ñõåìà öèôðîâîãî ìóëüòèìåòðà M830B
(íàæìèòå äëÿ óâåëè÷åíèÿ)
Ïóáëèêàöèÿ: cxem.net
Ñìîòðèòå äðóãèå ñòàòüè ðàçäåëà Èçìåðèòåëüíàÿ òåõíèêà.
×èòàéòå è ïèøèòå ïîëåçíûå êîììåíòàðèè ê ýòîé ñòàòüå.
<< Íàçàä
Ïîñëåäíèå íîâîñòè íàóêè è òåõíèêè, íîâèíêè ýëåêòðîíèêè:
Îïòèìàëüíàÿ ïðîäîëæèòåëüíîñòü ñíà
12.11.2025
Ñîí èãðàåò êëþ÷åâóþ ðîëü â ïîääåðæàíèè çäîðîâüÿ, êîãíèòèâíûõ ôóíêöèé è îáùåãî ñàìî÷óâñòâèÿ. Íåñìîòðÿ íà øèðîêî ðàñïðîñòðàíåííûé ñòåðåîòèï î âîñüìè÷àñîâîì ñíå, ïîñëåäíèå èññëåäîâàíèÿ ïîêàçûâàþò, ÷òî îïòèìàëüíàÿ ïðîäîëæèòåëüíîñòü ñíà äëÿ áîëüøèíñòâà çäîðîâûõ âçðîñëûõ áëèæå ê ñåìè ÷àñàì.
Ýâîëþöèîííûé áèîëîã èç Ãàðâàðäà, Äýíèåë Ý. Ëèáåðìàí, óòâåðæäàåò, ÷òî òðàäèöèîííàÿ íîðìà âîñüìè ÷àñîâ ñíà - ýòî ñêîðåå êóëüòóðíîå íàñëåäèå èíäóñòðèàëüíîé ýïîõè, ÷åì áèîëîãè÷åñêàÿ íåîáõîäèìîñòü. Ïî åãî ñëîâàì, ïîëåâûå èññëåäîâàíèÿ, ïðîâåäåííûå â ñîîáùåñòâàõ, íå èñïîëüçóþùèõ ýëåêòðè÷åñòâî, ïîêàçûâàþò, ÷òî ñðåäíÿÿ ïðîäîëæèòåëüíîñòü ñíà ñîñòàâëÿåò 6-7 ÷àñîâ, ÷òî çíà÷èòåëüíî îòëè÷àåòñÿ îò îáùåïðèíÿòîãî ñòàíäàðòà.
Ñîâðåìåííûå ýïèäåìèîëîãè÷åñêèå äàííûå ïîäòâåðæäàþò ýòîò âçãëÿä. Èññëåäîâàíèÿ âûÿâèëè òàê íàçûâàåìóþ "U-îáðàçíóþ êðèâóþ" çàâèñèìîñòè ìåæäó ïðîäîëæèòåëüíîñòüþ ñíà è ðèñêàìè äëÿ çäîðîâüÿ. Ìèíèìàëüíûå ïîêàçàòåëè çàáîëåâàåìîñòè è ñìåðòíîñòè íàáëþäàþòñÿ èìåííî ó ëþäåé, ñïÿùèõ îêîëî ñåìè ÷àñîâ â ñóòêè. ...>>
Äåôèöèò êèñëîðîäà óñèëèâàåò âûáðîñ çàêèñè àçîòà
12.11.2025
Ïàðíèêîâûå ãàçû èãðàþò êëþ÷åâóþ ðîëü â èçìåíåíèè êëèìàòà, à çàêèñü àçîòà (N2O) - îäèí èç íàèáîëåå îïàñíûõ ñðåäè íèõ. Ýòîò ãàç íå òîëüêî âòðîå ñèëüíåå óãëåêèñëîãî ãàçà â óäåðæàíèè òåïëà, íî è ðàçðóøàåò îçîíîâûé ñëîé. Íåäàâíåå èññëåäîâàíèå àìåðèêàíñêèõ ó÷åíûõ ïîêàçàëî, ÷òî ìèêðîáû â çîíàõ ñ íèçêèì ñîäåðæàíèåì êèñëîðîäà àêòèâíî ïðîèçâîäÿò N2O, óñèëèâàÿ ãëîáàëüíûå êëèìàòè÷åñêèå ðèñêè.
Êîìàíäà èç Óíèâåðñèòåòà Ïåíñèëüâàíèè èçó÷àëà ïðèáðåæíûå âîäû ó Ñàí-Äèåãî è ïðîâåëà íàáëþäåíèÿ íà ãëóáèíàõ îò 40 äî 120 ìåòðîâ â Âîñòî÷íîé òðîïè÷åñêîé ñåâåðíîé ÷àñòè Òèõîãî îêåàíà - îäíîé èç êðóïíåéøèõ çîí äåôèöèòà êèñëîðîäà. Èññëåäîâàòåëè ñîñðåäîòî÷èëèñü íà òîì, êàê ìîðñêèå ìèêðîîðãàíèçìû ïðåâðàùàþò íèòðàòû â çàêèñü àçîòà.
 õîäå ðàáîòû âûÿñíèëîñü, ÷òî ñóùåñòâóåò äâà ïóòè îáðàçîâàíèÿ N2O. Îäèí ïóòü íà÷èíàåòñÿ ñ íèòðàòà, äðóãîé - ñ íèòðèòà. Íà ïåðâûé âçãëÿä áîëåå êîðîòêèé ïóòü äîëæåí áûòü ýôôåêòèâíåå, îäíàêî ìèêðîáû, èñïîëüçóþùèå íèòðàò, ïðîäóöèðóþò áîëüøå ãàçà, ïîñêîëüêó ýòîò "ñûðüåâîé" èñòî÷íèê áîëåå ä ...>>
Îìåãà-3 ïîìîãàþò ìîëîäûì êîðàëëàì âûæèâàòü
11.11.2025
Ñîõðàíåíèå êîðàëëîâûõ ðèôîâ ñòàíîâèòñÿ âñå áîëåå àêòóàëüíîé çàäà÷åé â óñëîâèÿõ ãëîáàëüíîãî èçìåíåíèÿ êëèìàòà. Ìîëîäûå êîðàëëû îñîáåííî óÿçâèìû íà ðàííèõ ñòàäèÿõ ðàçâèòèÿ, êîãäà ñòðåññîâûå óñëîâèÿ è íåõâàòêà ïèòàòåëüíûõ âåùåñòâ ìîãóò ïðèâåñòè ê âûñîêîé ñìåðòíîñòè. Íåäàâíåå èññëåäîâàíèå ó÷åíûõ èç Òåõíîëîãè÷åñêîãî óíèâåðñèòåòà Ñèäíåÿ ïîêàçûâàåò, ÷òî ñïåöèàëüíûå ïèùåâûå äîáàâêè ñïîñîáíû ñóùåñòâåííî ïîâûñèòü âûæèâàåìîñòü ëè÷èíîê êîðàëëîâ.
 õîäå ðàáîòû èññëåäîâàòåëè ðàçðàáîòàëè îñîáûé ñîñòàâ "äåòñêîãî ïèòàíèÿ" äëÿ êîðàëëîâûõ ëè÷èíîê.  íåãî âîøëè ìàñëà, áîãàòûå îìåãà-3 æèðíûìè êèñëîòàìè, à òàêæå âàæíûå ñòåðèíû, íåîáõîäèìûå äëÿ ôîðìèðîâàíèÿ êëåòî÷íûõ ìåìáðàí. Ëè÷èíêè, ïîëó÷àâøèå ýòè äîáàâêè, ðàçâèâàëèñü áûñòðåå, ñòàíîâèëèñü êðåï÷å è äåìîíñòðèðîâàëè áîëåå âûñîêóþ óñòîé÷èâîñòü ê ñòðåññîâûì ôàêòîðàì.
Îñîáîå âíèìàíèå ó÷åíûå óäåëèëè ëèïèäàì. Àíàëèç ïîêàçàë, ÷òî ëè÷èíêè àêòèâíî óñâàèâàþò ýòè âåùåñòâà, ÷òî íàïðÿìóþ âëèÿåò íà èõ æèçíåñïîñîáíîñòü. Ñòåðèíû, ñîäåðæàùèåñÿ â êîðìå, ïîâûøàþò óñòîé÷è ...>>
Ñëó÷àéíàÿ íîâîñòü èç Àðõèâà Ôîòîêàìåðà Canon EOS 6D Mark II
29.06.2017
Êîìïàíèÿ Canon ïðåäñòàâèëà ïîëíîêàäðîâûé çåðêàëüíûé ôîòîàïïàðàò EOS 6D Mark II.
 îñíîâó äåáþòèðîâàâøåãî óñòðîéñòâà ëåã ÊÌÎÏ-ñåíñîð (35,9 õ 24 ìì) ñ 26,2 ìëí ïèêñåëåé. Îáðàáîòêîé èçîáðàæåíèé çàíÿò âûñîêîïðîèçâîäèòåëüíûé ïðîöåññîð DIGIC 7. Ñâåòî÷óâñòâèòåëüíîñòü ñîñòàâëÿåò ISO 100-40000 ñ âîçìîæíîñòüþ ðàñøèðåíèÿ äî ISO 50-102400.
 êàìåðå ðåàëèçîâàíà òåõíîëîãèÿ Dual Pixel CMOS AF. Ýòà ñèñòåìà àâòîôîêóñèðîâêè ñ èñïîëüçîâàíèåì äàò÷èêà è ñ îïðåäåëåíèåì ôàçû ðàçðàáîòàíà äëÿ îáåñïå÷åíèÿ ïëàâíîãî è áûñòðîãî ïåðåâîäà ôîêóñà ïðè âèäåîñúåìêå äâèæóùèõñÿ îáúåêòîâ, à òàêæå áûñòðîé àâòîôîêóñèðîâêè ïðè ôîòîñúåìêå â ðåæèìå Live View. Ïîääåðæèâàåòñÿ çàïèñü âèäåîìàòåðèàëîâ â ôîðìàòå Full HD (60ð/30ð).
Ïðèìåíåí äàò÷èê çàìåðà ýêñïîçèöèè ñ ðàçðåøåíèåì 7560 ïèêñåëåé è ðàñïîçíàâàíèåì ëó÷åé èíôðàêðàñíîãî ñïåêòðà, êîòîðûé ðàáîòàåò â èíôðàêðàñíîì äèàïàçîíå è âèäèìîì ñâåòå.
EOS 6D Mark II - ïåðâàÿ ïîëíîêàäðîâàÿ êàìåðà EOS ñî âñòðîåííîé ñèñòåìîé ñòàáèëèçàöèè ïî 5 îñÿì â ðåæèìå âèäåî, êîìïåíñèðóþùåé êîëåáàíèÿ êàìåðû ïðè ñúåìêå íà õîäó è ñ ðóê.
Ôîòîàïïàðàò îáîðóäîâàí îïòè÷åñêèì âèäîèñêàòåëåì ñ 98-ïðîöåíòíûì ïîêðûòèåì êàäðà è ïîâîðîòíûì 3-äþéìîâûì äèñïëååì ñ ïîääåðæêîé ñåíñîðíîãî óïðàâëåíèÿ. Äëÿ õðàíåíèÿ îòñíÿòûõ ìàòåðèàëîâ ñëóæèò êàðòà SD/SDHC/SDXC.
Äèàïàçîí âûäåðæåê ðàâåí 1/4000-30 ñ. Ïîääåðæèâàåòñÿ ïîñëåäîâàòåëüíàÿ ôîòîñúåìêà ñî ñêîðîñòüþ 6,5 êàäðà â ñåêóíäó.
Êàìåðà âûïîëíåíà â ïðî÷íîì êîðïóñå èç ìàãíèåâîãî ñïëàâà ñ çàùèòîé îò âëàãè è ïûëè. Ãàáàðèòû ñîñòàâëÿþò 144 õ 111 õ 75 ìì, âåñ - ïðèáëèçèòåëüíî 765 ãðàììîâ.
Ñðåäè ïðî÷åãî ñòîèò âûäåëèòü íàëè÷èå àäàïòåðîâ áåñïðîâîäíîé ñâÿçè Wi-Fi 802.11b/g/n è Bluetooth, ìîäóëÿ NFC, ïðèåìíèêà ñïóòíèêîâîé íàâèãàöèîííîé ñèñòåìû GPS è ñòåðåîôîíè÷åñêîãî ìèêðîôîíà.
 ïðîäàæó ìîäåëü Canon EOS 6D Mark II ïîñòóïèò â êîíöå èþëÿ ïî îðèåíòèðîâî÷íîé öåíå $2000 áåç îïòèêè è $3100 ñ îáúåêòèâîì Canon EF 24-105mm f/4L IS USM II.
|
Äðóãèå èíòåðåñíûå íîâîñòè:
▪ Èììóíèòåò ñîõðàíÿåò òàòóèðîâêè
▪ Òðåõìåðíîå èçîáðàæåíèå íà ýêðàíå ìîíèòîðà
▪ Ñàìûé áûñòðûé ãðàôè÷åñêèé ïðîöåññîð äëÿ íîóòáóêîâ îò Nvidia
▪ Øêàô ïî óõîäó çà îäåæäîé LG Styler
▪ Ñâåðõúÿðêèå âûñîêîïðîèçâîäèòåëüíûå áåëûå ñâåòîäèîäû Toshiba
Ëåíòà íîâîñòåé íàóêè è òåõíèêè, íîâèíîê ýëåêòðîíèêè
Èíòåðåñíûå ìàòåðèàëû Áåñïëàòíîé òåõíè÷åñêîé áèáëèîòåêè:
▪ ðàçäåë ñàéòà Àíòåííû. Ïîäáîðêà ñòàòåé
▪ ñòàòüÿ Êàê ìàëî ïðîæèòî, êàê ìíîãî ïåðåæèòî! Êðûëàòîå âûðàæåíèå
▪ ñòàòüÿ ×òî ñ íàìè ïðîèñõîäèò âî âðåìÿ ñíà? Ïîäðîáíûé îòâåò
▪ ñòàòüÿ Ìåäóíèöà ëåêàðñòâåííàÿ. Ëåãåíäû, âûðàùèâàíèå, ñïîñîáû ïðèìåíåíèÿ
▪ ñòàòüÿ Ñâåòèëüíèê-ëîâóøêà äëÿ âðåäèòåëåé. Ýíöèêëîïåäèÿ ðàäèîýëåêòðîíèêè è ýëåêòðîòåõíèêè
▪ ñòàòüÿ Ëàðåö ñ ïîäàðêàìè. Ñåêðåò ôîêóñà
Îñòàâüòå ñâîé êîììåíòàðèé ê ýòîé ñòàòüå:
Ãëàâíàÿ ñòðàíèöà | Áèáëèîòåêà | Ñòàòüè | Êàðòà ñàéòà | Îòçûâû î ñàéòå

www.diagram.com.ua
2000-2025