Бесплатная техническая библиотека
Щуп-осциллограф. Энциклопедия радиоэлектроники и электротехники

Энциклопедия радиоэлектроники и электротехники / Измерительная техника
Комментарии к статье
При ремонте и настройке аппаратуры где-нибудь вдали от хорошо оснащенной лаборатории, незаменимыми помощниками радиолюбителя становятся "братья меньшие" измерительных приборов - всевозможные пробники, индикаторы и Щупы. Наверняка, в арсенале любого специалиста найдется хотя бы одно, а то и несколько подобных устройств. Но вот похвалиться наличием малогабаритного осциллографа может далеко не каждый. Появившиеся в последнее время импортные осциллографы на ЖКИ по своей цене доступны единицам. А так хотелось бы иметь малогабаритный прибор, позволяющий визуально контролировать сигнал и хотя бы примерно определять его форму, частоту и амплитуду!
В результате многочисленных экспериментов на свет появился малогабаритный осциллографический щуп. К его "плюсам" следует отнести малогабаритность, автономное питание, малое энергопотребление, удобную форму, позволяющую, не отрывая взгляда от пробника, производить регулировку и ремонт аппаратуры. К сожалению, из-за применяемых микросхем, не отличающихся высоким быстродействием, щуп получился низкочастотным, но ему можно найти массу применений. Например, щуп прошел испытания при ремонте и настройке телевизоров, часов, магнитофонов и других аналоговых и цифровых устройств. Как и настоящий осциллограф, щуп позволяет визуально контролировать входной сигнал и примерно определять его параметры, а также служит индикатором фазного провода сети. Схема щупа приведена на рис.1.
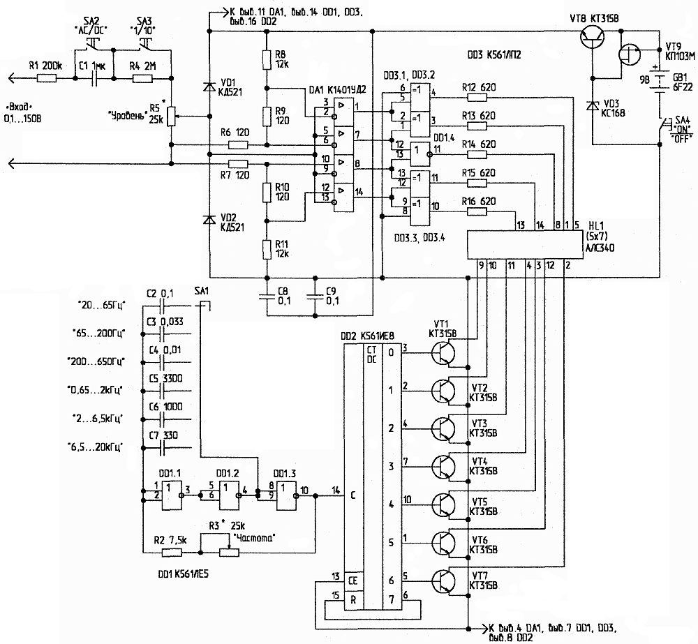
Рис.1. Принципиальная схема щупа (нажмите для увеличения)
Его основой является светодиодная матрица АЛС340, которая содержит 35 светодиодов - 7 рядов по 5 колонок.
Генератор тактовых импульсов (развертки по горизонтали) собран на элементах DD1.1...DD1.3. Переключателем SA1 выбирают необходимый частотный диапазон, а резистором R3 синхронизируют сигнал. С генератора импульсы поступают на счетчик-дешифратор DD2, выходы которого управляют работой транзисторных ключей. Ключи поочередно перебирают ряды матрицы, за счет чего формируется развертка по горизонтали. Хотя разрешающая способность матрицы и невелика, она все же способна отобразить синусоиду, прямоугольные импульсы, пилу и другие периодические сигналы. Особенно эффективно и "удобочитаемо" смотрится сигнал, находящийся у порога синхронизации. Тогда он перемещается в одну из сторон, что во многих случаях предпочтительнее полной остановки.
Устройство вертикального отклонения луча состоит из конденсатора С1, переключателя SA2, позволяющего контролировать постоянное или переменное напряжение, резистивного делителя R1-R4-R5, переключателя SA3, выбирающего необходимый диапазон входного сигнала, четырех компараторов микросхемы DA1 и элементов совпадения DD1.4, DD3. Диоды VD1, VD2 защищают входы компараторов от перегрузок. Резисторы R6...R11 устанавливают пороговые напряжения на компараторах, с одной стороны, а с другой - создают "виртуальную землю", необходимую для нормальной работы микросхемы DA1.
Когда входной сигнал отсутствует, все компараторы выключены, и поэтому в устройстве совпадения активным является элемент DD1.4. В этом случае излучают светодиоды средней колонки, образуя нулевую линию развертки. При появлении входного сигнала положительной полярности поочередно срабатывают компараторы DA1.1, DA1.2, а отрицательного - DA1.3, DA1.4. Логика устройства совпадения выбрана такой, чтобы в случае срабатывания всех компараторов горели только крайние светодиоды. Это позволило добиться на экране изображения из цепочки светящихся точек, объективно передающих информацию о форме исследуемого сигнала. Резисторы R12...R16 - токоограничительные для светодиодной матрицы. Уменьшая их сопротивление, можно повысить яркость, но это повлечет за собой увеличение энергопотребления щупа. Элементы VT8, VT9, VD3 образуют стабилизатор напряжения.
В авторском варианте щуп собран в корпусе от "Знакового логического индикатора", выпускавшегося ранее нашей промышленностью. Его вид изображен на рис.2. В нем вместо "родного" индикатора АЛС324 установлена матрица АЛС340. Монтаж деталей - смешанный (печатно-навесной), что обусловлено его большой плотностью. Компоновка и размеры щупа в основном определяются используемыми переключателями и переменными резисторами. В качестве корпуса можно использовать любую пластиковую коробочку, например, футляр от зубной щетки, авторучки, пенал. Светодиодная матрица устанавливается в нижней части корпуса вблизи металлической иглы-щупа, туда же выводятся органы регулировки. Монтаж выполнен тонким проводом МГТФ.
Рис.2. Схема монтажа
Источник питания - батарейка 6F22 или "Крона". В качестве SA3 и SA4 использованы микропереключатели ПД9-2, SA1 совместно с SA2 - блок переключателей от импортного сетевого адаптера. Переменные резисторы R3, R5 - регуляторы громкости плейера. Эти элементы могут быть и другими, главное, чтобы они были малогабаритными. Вместо АЛС340 можно установить АЛ306А, Б, Ж, И. Стабилитрон VD3 - в стеклянном корпусе. Конденсатор С1 - К73-9, С2...С7 - керамические, малогабаритные. Все микросхемы серии К561 заменяются на К176. Вместо К561ИЕ8 можно применить К561ИЕ9 (с учетом различий в цоколевке). Счетверенный ОУ К1401УД2 можно заменить на два сдвоенных К157УД2, установив их друг на друга.
Щуп, собранный из заведомо исправных деталей, начинает работать сразу. Возможно, придется подобрать величину R2 - для небольшого перекрытия соседних диапазонов, и R8, R11 -для равномерного срабатывания компараторов положительного и отрицательного сигналов. Работа со щупом практически ничем не отличается от работы с обыкновенным осциллографом.
Литература
- Горошков Б.И. Элементы радиоэлектронных устройств. - МРБ, N1125.
- Гутников B.C. Интегральная электроника в измерительных устройствах.
- Пароль Н.В., Кайдалов С.А. Знакосинтезирующие индикаторы и их применение. - МРБ, N1122.
- Шило В.Л. Популярные микросхемы КМОП: Справочник.
Автор: В.Рубашка, г.Лисичанск; Публикация: cxem.net
Смотрите другие статьи раздела Измерительная техника.
Читайте и пишите полезные комментарии к этой статье.
<< Назад
Последние новости науки и техники, новинки электроники:
Власть является ключевым фактором счастья в отношениях
11.03.2026
Исследования семейных и романтических отношений показывают, что длительное счастье пары зависит не только от привычных факторов, таких как доверие, уважение и преданность, но и от более тонких психологических аспектов. Современные ученые ищут закономерности, которые отличают действительно счастливые пары от остальных, чтобы понять, какие механизмы поддерживают гармонию в отношениях.
Группа исследователей из Университета Мартина Лютера в Галле-Виттенберге и Бамбергского университета провела опрос среди 181 пары, которые состояли в совместных отношениях более восьми лет и прожили вместе хотя бы месяц. Участники заполняли анкету, описывая различные аспекты своих отношений, включая распределение обязанностей, эмоциональную поддержку и степень вовлеченности в совместные решения.
Анализ данных показал интересный паттерн: пары, где оба партнера ощущали высокий уровень личной власти, оказывались наиболее счастливыми и удовлетворенными. В данном контексте под властью понимается способност ...>>
Защищенная колонка-повербанк Anker Soundcore Boom Go 3i
11.03.2026
Компания Anker представила новую модель линейки Soundcore - колонку Soundcore Boom Go 3i, ориентированную на активное использование на улице.
Новинка отличается высокой степенью защиты: корпус соответствует стандарту IP68, что обеспечивает водо- и пыленепроницаемость, а ударопрочный дизайн выдерживает падение с высоты до одного метра. За качество звука отвечает 15-ваттный драйвер, обеспечивающий пик громкости до 92 дБ, а технология BassUp 2.0 усиливает низкие частоты, делая звучание более насыщенным.
Колонка обладает автономностью до 24 часов, а LED-индикатор позволяет контролировать уровень заряда батареи. Кроме того, Soundcore Boom Go 3i может выполнять функцию павербанка: согласно внутренним тестам, устройство способно зарядить iPhone 17 с нуля до 40% за один час, что делает его полезным аксессуаром в походах и поездках.
Среди функциональных особенностей модели стоит выделить технологию Auracast, которая улучшает подключение и позволяет создавать стереопару из двух колонок ...>>
Раннее воздержание от алкоголя перестраивает мозг и иммунитет
10.03.2026
Алкогольная зависимость - хроническое расстройство с компульсивным употреблением спиртного, которое влияет не только на поведение, но и на функционирование мозга и иммунной системы. Недавние исследования показали, что даже на ранних этапах воздержания организм начинает перестраиваться, открывая новые возможности для терапии зависимости.
Ученые сосредоточились на пациентах, находящихся в первые недели абстиненции, и зафиксировали значительные изменения в мозговой активности. С помощью функциональной магнитно-резонансной томографии они выявили перестройку сетей нейронных связей, отвечающих за контроль импульсов и принятие решений. Эти изменения могут быть ключевыми для восстановления самоконтроля и снижения риска рецидива.
Одновременно с нейронной перестройкой исследователи наблюдали колебания иммунной системы. В крови повышался уровень цитокинов - сигнальных белков, регулирующих воспалительные процессы. Эти данные свидетельствуют о существовании нейроиммунного взаимодействия, при ...>>
Случайная новость из Архива Влияние страха и боли на контроль своего тела
16.04.2025
Недавнее исследование, проведенное в Университете Хиросимы, раскрывает, как эмоциональные состояния, такие как страх и боль, а также прошлый опыт, могут ослабить способность человека ощущать контроль над своим телом. В ходе эксперимента использовалась виртуальная реальность, чтобы выяснить, как различные внешние стимулы могут повлиять на восприятие своего тела.
В исследовании участникам предлагали наблюдать за своим виртуальным телом с помощью гарнитуры виртуальной реальности. Они видели, как виртуальное тело подвергается физическому воздействию, например, как его гладят по спине, что создавалось иллюзию владения этим телом. Этот метод активно использует внешние стимулы - визуальную и тактильную информацию, чтобы воздействовать на восприятие тела и усилить ощущение "своего" тела в виртуальном пространстве.
Однако исследователи пошли дальше и проверили, как воздействие эмоциональных состояний, таких как боль и страх, влияет на восприятие виртуального тела. Когда участникам показывали нож, вонзающийся в спину их виртуального тела, им приходилось воспринимать виртуальное тело как свое собственное в контексте болезненного переживания. Страх, вызванный этим стимулом, измеряли с помощью проводимости кожи, а результаты показали, что реакция страха была сильнее у тех, кто наиболее идентифицировал себя с виртуальным телом. Важно, что степень этой реакции зависела от того, как сильно участники ощущали связь с виртуальной репрезентацией себя.
Еще более интересным было то, что факторы сверху вниз - такие как ожидания, основанные на предыдущем опыте, - также оказывали влияние на ощущение владения телом. Например, когда участники были проинформированы о болезненных ощущениях, таких как боль в животе, иллюзия владения виртуальным телом становилась слабее. Это означало, что восприятие тела не только зависит от физического воздействия, но и от того, что люди ожидают или что они пережили в прошлом.
Данные исследования могут объяснить, почему некоторые люди испытывают трудности с ощущением связи со своим телом, особенно в случаях деперсонализации. У тех участников, которые склонны к деперсонализации, иллюзия владения виртуальным телом ослабевала сильнее, что подтверждает, что эмоциональные и психологические состояния могут влиять на восприятие тела.
Исследователи предполагают, что такой эффект может быть обусловлен тем, как восприятие тела меняется под влиянием внешних факторов и эмоциональных переживаний. Например, когда человек испытывает физическую боль или страх, это может ослабить его способность воспринимать тело как свое собственное. Также важно отметить, что негативный опыт может затруднять установление связи между виртуальным телом и реальным телом, что является ключом для появления иллюзии владения.
Результаты этого эксперимента подчеркивают важность не только физических, но и эмоциональных факторов в восприятии и ощущении контроля над собственным телом. Это открытие может оказать влияние на понимание различных психосоматических расстройств, таких как деперсонализация, и дать новые идеи для разработки методов лечения этих состояний.
|
Другие интересные новости:
▪ Новый способ определения расстояний в космосе
▪ Портативный DVD-плеер Typhoon
▪ Nvidia Parker - однокристальная система нового поколения для автомобильного сегмента
▪ Пчелиная огневка против полиэтилена
▪ Грецкие орехи полезны для здоровья сердца
Лента новостей науки и техники, новинок электроники
Интересные материалы Бесплатной технической библиотеки:
▪ раздел сайта Крылатые слова, фразеологизмы. Подборка статей
▪ статья Арнольд Джозеф Тойнби. Знаменитые афоризмы
▪ статья Что, прочно ассоциируемое у нас со Швейцарией, умели делать древние римляне? Подробный ответ
▪ статья Помпельмус. Легенды, выращивание, способы применения
▪ статья Устройство управления погружным электронасосом. Энциклопедия радиоэлектроники и электротехники
▪ статья Двухканальный кодовый замок. Энциклопедия радиоэлектроники и электротехники
Оставьте свой комментарий к этой статье:
Главная страница | Библиотека | Статьи | Карта сайта | Отзывы о сайте

www.diagram.com.ua
2000-2026