Menu Home

Бесплатная техническая библиотека для любителей и профессионалов Бесплатная техническая библиотека


Генератор сигналов с малым коэффициентом гармоник. Энциклопедия радиоэлектроники и электротехники

Бесплатная техническая библиотека

Энциклопедия радиоэлектроники и электротехники / Измерительная техника

Комментарии к статье Комментарии к статье

Нелинейные искажения сигналов ЗЧ, характеризующие качество звукозаписывающей и звуковоспроизводящей аппаратуры, обычно оценивают коэффициентом гармоник, который для высококачественных устройств не должен превышать ориентировочного порогового значения 0,1 %. Для измерения искажений такого уровня необходим генератор сигналов с коэффициентом гармоник в несколько раз меньшим, поэтому при разработке предлагаемого прибора основное внимание было уделено снижению нелинейных искажений сигнала.

Основные технические характеристики:

  • Диапазон генерируемых частот, Гц.......10...105
  • Коэффициент гармоник, %, не более, в полосе частот, Гц: 10...102.......0,4
  • 102...104.......0,02
  • 104...105.......1
  • Неравномерность АЧХ, дБ, не более.......0,2
  • Максимальное выходное напряжение (при сопротивлении нагрузки 600 Ом), В, не менее.......5

Диапазон генерируемых частот прибора разбит на четыре поддиапазона, в каждом из которых частоту изменяют сдвоенным переменным резистором. Выходное напряжение можно регулировать плавно и дискретно с шагом 20 дБ.

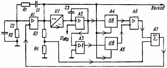
Функциональная схема генератора показана на рис. 1. Его основа - широкополосный усилитель А1, цепь положительной ОС (ПОС) которого образована полосовым фильтром R1C1R2C2 (мостом Вина), а отрицательной (ООС) - узлами и элементами стабилизации амплитуды выходного напряжения R3, R4, U1, A2-A7.


Рис.1

Полосовой RC-фильтр подобен параллельному колебательному контуру и на частоте квазирезонанса fp=1/2piRC (при R1=R2=R и С1=С2=С) обеспечивает максимальный коэффициент передачи, равный 1/3, наибольшую добротность и наилучшие селективные свойства. Частоту колебаний можно перестраивать согласованным изменением сопротивления резисторов R1 и R2 или емкости конденсаторов С1 и С2.

Очевидно, что для самовозбуждения генератора коэффициент передачи усилителя А1, задаваемый цепью ООС, должен быть равен трем. При таком малом коэффициенте передачи с помощью глубокой ООС нетрудно добиться широкого диапазона частот и очень малого (менее 0,01 %) уровня искажений самого усилителя. Чтобы получить малый коэффициент гармоник генератора, амплитуду выходного напряжения необходимо стабилизировать на определенном уровне. Для этого усилитель охватывают цепью нелинейной ООС, в которую в качестве управляемого аттенюатора часто включают терморезистор или полевой транзистор. Однако в первом случае трудно добиться простым путем коэффициента гармоник генератора на средних частотах менее 0,05 %, во втором - менее 0,1 %, поэтому уменьшению искажений именно в управляемом аттенюаторе было уделено особое внимание.

Напряжение ООС, поступающее на усилитель А1, можно представить в виде суммы двух составляющих: постоянной, амплитуда которой всегда равна 1/3 выходного напряжения, и переменной, характер огибающей которой обусловлен свойствами цепи ООС, а размах зависит от дестабилизирующих факторов: температурного и временного дрейфа параметров элементов, изменения коэффициента передачи фильтра в диапазоне частот и т. д. (амплитуда второй составляющей на несколько порядков меньше, чем первой). Это натолкнуло на мысль использовать для снижения нелинейных искажений двухканальную цепь ООС, подав постоянную составляющую на инвертирующий вход усилителя А1 по каналу, содержащему только линейные элементы (делитель R3R4 и сумматор А7), а переменную - по каналу стабилизации амплитуды (U1, A2- А6), вырабатывающему корректирующий сигнал, который складывается в сумматоре А7 с постоянной составляющей.

Работает второй канал следующим образом. Выходной сигнал усилителя А1 выпрямляется выпрямителем U1, и напряжение, снимаемое с него, сравнивается в интеграторе A2 с образцовым, задающим уровень выходных колебаний. Проинтегрированное разностное напряжение управляет аттенюатором А4 непосредственно, а аттенюатором А5 - через инвертирующий повторитель A3.

В стационарном (установившемся) режиме работы генератора при коэффициентах передачи делителя R3R4 и фильтра, равных 1/3, разность входных напряжений, а также выходные напряжения интегратора А2 и повторителя A3 близки к нулю. Поэтому амплитуды сигналов на выходах аттенюаторов А4 и А5 оказываются одинаковыми и выходное напряжение дифференциального усилителя А6 также близко к нулю.

В нестационарном режиме изменение амплитуды выходного сигнала усилителя А1 вызывает отклонение выпрямленного напряжения в ту или иную сторону относительно образцового и, следовательно, выходных напряжений интегратора А2 и повторителя A3. Под действием этих управляющих сигналов коэффициенты передачи аттенюаторов А4 и А5 изменяются в противоположных направлениях, и на выходе усилителя А6 возникает синусоидальное напряжение, приводящее генератор в стационарный режим. При увеличении амплитуды выходных колебаний относительно стационарного значения на выходе усилителя А6 появляется сигнал, синфазный с выходным, а при уменьшении - противофазный. Использование управляемых аттенюаторов, работающих при малом сигнале, и частичная компенсация продуктов нелинейных искажений позволили существенно уменьшить уровень гармоник генератора.


Рис. 1 (нажмите для увеличения)

Принципиальная схема прибора. Его основной усилитель содержит два дифференциальных входных каскада (VT1, VT2 и VT5, VT6), включенных для усиливаемого сигнала параллельно. Благодаря этому, усилитель симметричен для обеих полуволн переменного напряжения, что существенно снижает уровень четных гармоник, особенно второй, наибольшей составляющей спектра сигнала в большинстве высококачественных RC-генераторов.

Другая особенность усилителя - малый ток, протекающий через резисторы R39, R32.2 и R40, подключенные к базам транзисторов дифференциальных каскадов. Он равен разности токов баз, поэтому подбором транзисторов с близкими коэффициентами передачи тока h21э его можно значительно уменьшить. В результате оказалось возможным снизить требования к согласованности секций сдвоенного переменного резистора R32 и подключить его первую секцию (R32.1) непосредственно к базам транзисторов VT1, VT5 (без разделительного конденсатора). С целью уменьшения собственных шумов усилителя ток покоя дифференциальных каскадов выбран относительно небольшим (около 100 мкА).

Сигналы с коллекторов транзисторов VT1 и VT5 поступают на симметричный усилитель напряжения, выполненный на транзисторах VT7, VT9 и VT8, VT10. Для снижения нелинейности он охвачен местной ООС (резисторы R13 и R15), уменьшающей его коэффициент передачи до 8...12.

Резисторы R19, R20 создают условия, близкие к режиму источника напряжения, для выходного каскада на составных транзисторах VT12VT14 и VT13VT15, что также способствует повышению линейности усилителя. Ток покоя этого каскада устанавливают подстроечным резистором R16.

Для устойчивой работы при большой глубине ООС и широкой полосе пропускания в усилителе предусмотрена частотная коррекция цепями R1C1 и R11C2, включенными параллельно резисторам нагрузки (R2 и R10) дифференциальных каскадов. Частота среза АЧХ усилителя с разомкнутой ООС, задаваемая этими цепями, находится в пределах 20...25 кГц. В результате сопряжения АЧХ некорректированного усилителя и цепей коррекции участок характеристики с крутизной 6 дБ на октаву стал более протяженным. Частота среза усилителя напряжения находится в области нескольких мегагерц. Кроме того, для повышения запаса устойчивости всего усилителя в цепь ООС включено форсирующее звено C19R69.

Выходной сигнал усилителя проходит через повторитель на транзисторе VT16, выпрямляется диодом VD6 и поступает на интегратор, выполненный на ОУ DA1. Образцовое напряжение подается с движка подстроечного резистора R35. С выхода ОУ напряжение, равное результату интегрирования разности указанных сигналов, воздействует на затвор транзистора VT17.1, а через инвертирующий повторитель на ОУ DA2 - на затвор транзистора VT17.2. Вместе с резисторами R52-R55 эти транзисторы образуют управляемые аттенюаторы. Нелинейность характеристик транзисторов уменьшается цепями ООС, состоящими из резисторов R49, R50 и R56, R57. Экспериментально установлено, что для получения наилучших результатов постоянное напряжение на затворах полевых транзисторов должно быть в пределах 20...50 % от напряжения отсечки, а сопротивление резисторов в цепях ООС - намного больше сопротивления их каналов. Это учтено в описываемых аттенюаторах, причем напряжение на инвертирующем входе ОУ DA2 можно регулировать подстроечным резистором R33 с целью установки наилучшего соотношения напряжений, управляющих аттенюаторами в стационарном режиме.

Разность выходных сигналов аттенюаторов усиливается дифференциальным усилителем на ОУ DA4 и через сумматор напряжений ООС, выполненный на резисторах R66-R68, R70- R72, R40, воздействует на инвертирующий вход основного усилителя. Коэффициент передачи цепи ООС, близкий1/3, устанавливают подстроечными резисторами R68, R70-R72 в каждом поддиапазоне отдельно.

Регулировка частоты, переключение поддиапазонов, а также дестабилизирующие факторы вызывают изменения выходного напряжения, что сопровождается процессами, восстанавливающими его прежний уровень. Например, при увеличении выходного сигнала возрастает напряжение на выходе выпрямителя (VD6) и, следовательно, уменьшается управляющее напряжение на затворе транзистора VT17.1, а на затворе транзистора VT17.2 увеличивается. По этой причине коэффициенты передачи аттенюаторов изменяются в противоположных направлениях и амплитуда синфазного выходного сигнала усилителя на ОУ DA4 увеличивается, а коэффициент передачи основного усилителя уменьшается. В результате амплитуда выходного сигнала генератора и выпрямленное напряжение на инвертирующем входе ОУ DA1 возвращаются к прежнему, стационарному значению. Выходное напряжение генератора измеряется вольтметром переменного тока на ОУ DA3.

Микроамперметр РА1 включен в диагональ выпрямительного моста VD7--VD10 в цепи ООС, охватывающей ОУ. Выходное напряжение генератора устанавливают переменным резистором R26 и ступенчатым аттенюатором, состоящим из резистивного делителя R27-R30 и переключателя SA2. Генератор питается от двуполярного стабилизированного источника. Потребляемый от него ток - менее 100 мА.

Детали и конструкция. В устройстве в основном использованы резисторы МЛТ с допускаемым отклонением сопротивления от номинала ±5 и ±10 %. Резисторы R31, R39, а также R27- R30 подобраны с точностью ±0,5...1 %. Подстроечные резисторы - СП3-44, СП3-27 или СП3-16.

Для перестройки частоты применен сдвоенный проволочный переменный резистор ПТП, но это не исключает использования и резисторов других типов сопротивлением 2...50 кОм (при соответствующем изменении емкости конденсаторов С8-С15). Для облегчения налаживания генератора и получения коэффициента гармоник, указанного в начале статьи, разбаланс секций резистора R32 не должен превышать 2..3 %.

Конденсаторы С1, С2, С4, С5, С7, С19 - КМ4 или КМ5; С3, С6 - К50-6; С16-С18 - К50-3; С8-С15 - К73, К76, МБМ. Для уменьшения погрешности установки частоты в поддиапазонах емкость последних необходимо подобрать с точностью не хуже 1...2%. Указанные на схеме значения емкости получают параллельным соединением двух конденсаторов (например, С8, С12 составляют из конденсаторов емкостью 3,3 и 0,68 мкФ).

Диоды КД521А можно заменить на КД522А, КД522Б, КД509А, КД510А, стабилитрон КС162А - на КС156А. Статические коэффициенты передачи тока h21э транзисторов VT1, VT2, VT5, VT6 не должны отличаться более чем на 20 %, а транзисторов VT7-VT10 - на 30 %. У транзисторов VT1-VT6 эти коэффициенты должны находиться в пределах 150...250, VT7-VT10 - в пределах 100...200, VT12-VT15 - 80...200. Вместо указанных на схеме возможно применение транзисторов серий КТ315 (VT1-VT3, VT10-VT12, VT14) и КТ361 (VT4-VT7, VT9, VT13, VT15), вместо сборки КПС104В - КПС104Е, а также транзисторов КП303В - КП303Е с напряжениями отсечки, отличающимися не более чем на 30 %. ОУ К140УД7 можно заменить на К140УД8А, К140УД8Б, К140УД6.

В приборе установлен микроамперметр М261М с током полного отклонения 100 мкА и сопротивлением рамки около 800 Ом. Переключатели SA1, SA2 - ПГ3, гнездо XS1 - СР50-73.

Большая часть элементов генератора размещена на печатной плате из стеклотекстолита толщиной 2 мм. Резистор R25 припаян к выводам регулятора уровня R26, резисторы делителя R27-R30 - к выводам переключателя SA1. Конденсаторы С8-С15, С19 и резисторы R31, R39, R67-R72, R40 смонтированы на дополнительной печатной плате, установленной рядом со сдвоенным переменным резистором R32 (поскольку размеры и рисунок печатных проводников платы зависят от габаритов конденсаторов, ее чертеж не приводится). Резистор R60 и конденсатор С17 смонтированы на выводах микроамперметра РА1.

/
Рис.3 (нажмите для увеличения)

Налаживание прибора начинают с измерения напряжений на выходах стабилизированного источника питания, которые должны находиться в пределах ±14,5...16 В. После этого временно выпаивают один из выводов резистора R66 и проверяют режим работы усилителя по постоянному току. Падение напряжения на резисторах R2, R10 должно быть в пределах 2,3...2,7 В, на резисторах R12, R14 - 1,7...2,1 В, а на R13, R15 - 1,1...1,5 В. Подстроечным резистором R16 устанавливают ток покоя выходного каскада 1,5... 2,5 мА. Постоянное напряжение на выходе усилителя должно быть не более ±10 мВ. При необходимости этого добиваются шунтированием резистора R5 или R6 дополнительным резистором большого сопротивления (15...150 кОм).

Затем убеждаются в отсутствии паразитного самовозбуждения усилителя. Если же оно есть, увеличивают емкость корректирующих конденсаторов C1, C2 и подбирают элементы форсирующей цепи R69C19.

После этого балансируют ОУ DA1, DA2, DA4, припаивают вывод резистора R66 и устанавливают движки резисторов R32, R33, R35, R37 в среднее положение, а переключатель SA1 - в положение "х10" (100...1000 Гц). Подстроечиыми резисторами R70 и R35 добиваются возникновения генерации в этом поддиапазоне, резистором R35 устанавливают максимальное выходное напряжение 5 В.

Далее к выходу генератора подключают вход синхронизации осциллографа и проверяют форму сигнала на выходе ОУ DA4. Подстроечными резисторами R70 и R33 добиваются возможно меньшей амплитуды этого сигнала и близких управляющих напряжений на затворах транзисторов VT17 (их измеряют вольтметром с высокоомным входом), которые должны находиться я пределах -0,4...-1,6 В. Устойчивой генерации и наименьшей амплитуды неискаженного сигнала на выходе ОУ DA4 в остальных поддиапазонах добиваются подстроечными резисторами R68, R71, R72. При недостаточной стабильности амплитуды сигнала по частоте увеличивают сопротивление резистора R44. Низкочастотные (0,1...1 Гц) колебания, возникающие в целях стабилизации амплитуды, устраняют включением последовательно с конденсатором С16 резистора сопротивлением в несколько килоом.

Градуируют шкалу и проверяют кратность изменения частоты при переключении поддиапазонов с помощью цифрового частотомера.

Налаживание вольтметра на ОУ DA3 сводится к установке требуемой чувствительности подбором резистора R59. Неравномерность коэффициента передачи вольтметра в полосе частот 10... 105 Гц не должна превышать 1 %.

Автор: Н. Шиянов

Смотрите другие статьи раздела Измерительная техника.

Читайте и пишите полезные комментарии к этой статье.

<< Назад

Последние новости науки и техники, новинки электроники:

Хорошо управляемые луга могут компенсировать выбросы от скота 15.02.2026

Животноводство, особенно разведение крупного рогатого скота, часто обвиняют в значительном вкладе в глобальное потепление из-за мощного парникового газа - метана, который выделяется при пищеварении у жвачных животных. Это вызывает острые политические споры и призывы к сокращению потребления мяса. Однако ученые напоминают, что полная картина климатического воздействия отрасли не ограничивается только выбросами от животных: огромную роль играет окружающая экосистема - пастбища, почва и растительность, которые способны активно поглощать углекислый газ из атмосферы. Исследователи из Университета Небраски-Линкольна решили глубже изучить этот баланс. Группа под руководством профессора Галена Эриксона сосредоточилась на том, как правильно организованные пастбища накапливают углерод в растениях и грунте благодаря естественным процессам, стимулируемым выпасом скота. Ученые подчеркивают, что при достаточном уровне осадков и грамотном управлении такие луга превращаются в мощные природные погло ...>>

NASA тестирует инновационную технологию крыла 15.02.2026

Коммерческая авиация ежегодно расходует колоссальные объемы керосина, что сказывается не только на бюджете авиакомпаний, но и на состоянии окружающей среды. В 2024 году глобальные затраты на авиационное топливо достигли 291 миллиарда долларов, и эта сумма продолжает расти. Чтобы справиться с этими вызовами, NASA активно работает над технологиями, способными заметно повысить аэродинамическую эффективность самолетов. Одним из самых перспективных направлений стало создание специальной конструкции крыла, которая максимизирует естественный ламинарный поток воздуха и минимизирует сопротивление. В январе 2026 года специалисты NASA Armstrong Flight Research Center успешно провели важный этап наземных испытаний концепции Crossflow Attenuated Natural Laminar Flow (CATNLF). Для эксперимента под фюзеляж исследовательского самолета F-15B закрепили вертикально ориентированную масштабную модель высотой около 0,9 м (3 фута), напоминающую узкий киль. Такая компоновка позволила подвергнуть прототип р ...>>

Забота о внуках очень полезна для здоровья мозга 14.02.2026

Общение между поколениями приносит радость всей семье, но мало кто задумывается, насколько активно бабушки и дедушки, заботящиеся о внуках, поддерживают свою умственную форму. Регулярное взаимодействие с детьми стимулирует мозг пожилых людей, помогая сохранять память, скорость мышления и общую когнитивную активность. Новые научные данные подтверждают, что такая добровольная помощь не только важна для общества, но и может замедлять возрастные изменения в мозге. Исследователи из Тилбургского университета в Нидерландах провели анализ, чтобы понять, приносит ли уход за внуками реальную пользу здоровью пожилых людей. Ведущий автор работы Флавия Черечес отметила, что многие бабушки и дедушки регулярно присматривают за детьми, и оставался открытым вопрос, насколько это положительно сказывается на их собственном благополучии, особенно в плане когнитивных функций. Ученые поставили цель выяснить, способен ли регулярный уход за внуками замедлить снижение памяти и других умственных способ ...>>

Случайная новость из Архива

Адаптеры питания SGA до 60 Вт 09.07.2016

Компания Mean Well выпустила новое семейство узких адаптеров (SGA) подключаемых непосредственно в электрическую розетку (настенное исполнение). Семейство состоит из пяти серий SGA12E, SGA18E, SGA25E, SGA40E, SGA60E с выходной мощностью от 12 до 60 Вт. Особенностью адаптеров является то, что все они имеют компактные габариты и вставляются в электрическую розетку вплоть до мощности 60 Вт, причем еще остается место для соседних устройств (если используется розетка на несколько посадочных мест).

Ширина корпуса самого мощного адаптера не превышает внутреннего диаметра розетки. В серии SGA12E имеется модель (SGA12E05-USB) с выходом USB для зарядки различных энергоемких гаджетов с зарядным током до 2,4 А (смартфоны, планшеты и т.п.). Адаптеры соответствуют международным требованиям по энергоэффективности EISA 2007/DoE (уровень VI) с ультра низким потреблением энергии на холостом ходу (<75/150 мВт в зависимости от напряжения).

Для подключения к устройству адаптеры имеют стандартный разъем с размерами 2,1х5,5х11 мм. Во всех изделиях реализована защита от КЗ, перегрузки, превышения выходного напряжения, а по электробезопасности они соответствуют II классу (защитное заземление не требуется). Адаптеры можно применять для питания различных бытовых и промышленных устройств, офисного и телекоммуникационного оборудования.

Основные технические параметры адаптеров семейства SGA

Выходная мощность из ряда 12/18/25/40/60 Вт
Выходное напряжение из ряда 5/7,5/9/12/15/18/24/48 В
Диапазон входного напряжения 90-264 В
Электрическая прочность изоляции вход-выход 4242 В (пост.)
II класс по электробезопасности
Ширина корпуса 27,4 мм (12 Вт); 32 мм (18/25/40 Вт); 35 мм (60 Вт)
Гарантия 3 года

Другие интересные новости:

▪ Влагозащищенные AC-DC адаптеры Mean Well OWA-90E

▪ Подкожный чип для мгновенного анализа крови

▪ Сенсоры имплантируют людей и создут единую сеть

▪ SONY выпустит телевизор с зумом

▪ Противозачаточные таблетки влияют на чувство страха

Лента новостей науки и техники, новинок электроники

 

Интересные материалы Бесплатной технической библиотеки:

▪ раздел сайта Антенны. Подборка статей

▪ статья Роджер Желязны. Знаменитые афоризмы

▪ статья Что такое тля? Подробный ответ

▪ статья Фотограф прецизионной фотолитографии. Типовая инструкция по охране труда

▪ статья Водяной фонтан на солнечной батарее. Энциклопедия радиоэлектроники и электротехники

▪ статья Сеанс с веревками (несколько фокусов). Секрет фокуса

Оставьте свой комментарий к этой статье:

Имя:


E-mail (не обязательно):


Комментарий:





Главная страница | Библиотека | Статьи | Карта сайта | Отзывы о сайте

www.diagram.com.ua

www.diagram.com.ua
2000-2026