Menu Home

Бесплатная техническая библиотека для любителей и профессионалов Бесплатная техническая библиотека


Логометрический термометр. Энциклопедия радиоэлектроники и электротехники

Бесплатная техническая библиотека

Энциклопедия радиоэлектроники и электротехники / Измерительная техника

Комментарии к статье Комментарии к статье

В этом термометре, построенном на стандартном, широко распространенном в промышленности датчике температуры серии ТСМ и микросхеме АЦП двойного интегрирования КР572ПВ2, специально предназначенной для измерительных приборов, приняты все меры для компенсации влияния источников погрешности и повышения точности отсчета температуры.

Логометрический метод измерения сопротивления резистивного датчика температуры (метод отношений) позволяет простым способом устранить влияние нестабильности тока, протекающего через датчик, на точность преобразования. Принцип этого метода иллюстрирует рис. 1. Ток I создает на сопротивлении датчика Rд падение напряжения Uд=I·Rд. Последовательно с датчиком включено образцовое сопротивление R0, на котором падает напряжение U0. Результат измерения N=Uд/U0=Rд/Ro не зависит от тока, поскольку Uд и Uо изменяются пропорционально ему. Точность измерения зависит только от температурной стабильности образцового сопротивления R0.

Логометрический термометр
Рис. 1. Логометрический метод измерения сопротивления резистивного датчика температуры

Микросхема КР572ПВ2 (аналог импортной ICL7107) предназначена именно для таких измерений. Она имеет дифференциальные взаимно развязанные входы измеряемого (входного) Uвх и образцового Uобр напряжения, а результат измерения - отношение Uвх к Uобр.

Логометрический термометр
Рис. 2. Схема измерительной цепи

При измерении температуры по шкале Цельсия требуется отображать еще и знак температуры. Для этого в измерительную цепь нужно ввести, как показано на рис. 2, резистор смещения Rсм, сопротивление которого должно быть равно сопротивлению датчика при температуре 0 оС. Результат измерения будет равен

N = (Uд - Uсм)/Uо = (Rд - Rсм)/Rо .

Точность измерения в этом случае зависит от температурной стабильности не только Rо, но и Rсм. Однако у микросхемы КР572ПВ2 входы для подачи напряжения Uсм не предусмотрены. В предлагаемом варианте термометра решена не только эта, но и другие проблемы. Он нечувствителен к стабильности тока, протекающего через датчик, дрейфу нуля и дрейфу коэффициента усиления входящего в состав прибора операционного усилителя, к сопротивлению проводов, соединяющих датчик и термометр, переходному сопротивлению контактов разъема датчика, а в случае применения нескольких переключаемых датчиков - к переходному сопротивлению контактов переключателя.

Термометр измеряет температуру в интервале от -50 до 180 оС с разрешающей способностью 0,1 оС. Датчиком служит стандартный медный термометр сопротивления (ТСМ) с характеристикой 23 [1] и сопротивлением 53 Ом при 0 оС. Линейность шкалы прибора зависит только от датчика и сохраняется во всем интервале измеряемой температуры.

Схема термометра показана на рис. 3. Подаваемые на входы микросхемы DD5 напряжения формируются на конденсаторах C11-C14, поочередно подключаемых к выходу ОУ DA1 селектором-мультиплексором DD4 (К561КП2), способным коммутировать и аналоговые сигналы. Синхронно с DD4 селектор-мультиплексор DD1 (К561КП1) подключает к входу ОУ напряжение с резисторов измерительной цепи.

Логометрический термометр
Рис. 3. Схема термометра (нажмите для увеличения)

Селекторами-мультиплексорами управляет счетчик DD3.1, на вход которого поданы импульсы частотой 50 кГц от генератора на триггере Шмитта DD2.1. Частоту устанавливают подборкой резистора R8. Резистор R1 задает ток, протекающий через датчик RK1, а на резисторах R2-R7 формируются напряжения Uсм и Uобр.

ОУ DA1 (КР140УД1408А) служит повторителем напряжения, имеющим высокое входное, низкое выходное сопротивление и коэффициент передачи, равный единице. Однако он смещает уровни сигналов, проходящих через повторитель, на величину дрейфа нуля ОУ Uдн. Чтобы выделить дрейф нуля, селектор-мультиплексор DD1 при коде 11 на адресных входах соединяет вход повторителя с общим проводом. Затем селектор-мультиплексор DD4 подключает к выходу повторителя конденсатор C11, который заряжается до напряжения Uдн. Это напряжение поступает на вход -Uобр микросхемы DD5. Можно показать, что этим влияние дрейфа нуля ОУ на результат измерения температуры полностью устраняется.

Элементы DD2.2-DD2.4, резисторы R11-R13, диод VD2, транзисторы VT2-VT4 служат для гашения незначащего нуля на индикаторе HG1.2 (разряд десятков градусов). Диод VD1 блокирует гашение нуля при температуре выше 99,9 оС, когда на индикаторе HG1.1 выводится единица. Транзисторы VT1, VT2 и VT4 умощняют выходы микросхемы DD5, обеспечивая их уровни, приемлемые для микросхемы DD2.

Логометрический термометр
Рис. 4. Схема блока питания

Если измерять температуру выше 99,9 оС не предполагается, резистор R10, диоды VD1, VD2 и транзистор VT1 можно удалить, а оставшиеся свободными выводы элемента DD2.4 и резистора R13 соединить между собой.

В блоке питания (рис. 4) отрицательное напряжение -4,7 В формируется способом, описанным в [2], что позволяет использовать трансформатор T1 с меньшим числом вторичных обмоток.

Резисторы, применяемые в термометре, могут быть любыми. Для ответственных измерений рекомендуется применять резисторы R2-R5 с низким температурным коэффициентом сопротивления - С2-29В, С2-36, С2-14. Подстроечные резисторы R6 и R7 лучше использовать непроволочные многооборотные, например, СП3-24, СП3-36, СП3-37, СП3-39, СП3-40, РП1-48, РП1-53, РП1-62а. Их номиналы могут отличаться от указанных на схеме и достигать нескольких десятков килоом.

Конденсаторы C9-C14 - К72-9, К71-4, К71-5, К73-16, К73-17. Оксидные конденсаторы могут быть любыми. Остальные конденсаторы - любые малогабаритные керамические. Конденсаторы C1 и C2 располагают как можно ближе к выводам питания ОУ DA1, а конденсаторы С23-С25 - вблизи микросхем DD1-DD5.

Интегральный стабилизатор DA3 устанавливают на алюминиевую пластину площадью не менее 16 см2. Трансформатор T1 - ТП132-19 или другой габаритной мощностью не менее 3 В·А с двумя вторичными обмотками напряжением 9 В.

Для налаживания термометра требуется магазин сопротивлений, который подключают вместо датчика RK1. Перед началом налаживания все переключатели магазина проверните несколько раз от упора до упора, чтобы удалить окисную пленку, образовавшуюся на их контактных поверхностях. Движки подстроечных резисторов R6 и R7 установите примерно в среднее положение, а переключатели магазина сопротивлений - в положение 53 Ом. Сделав это, подстроечным резистором R6 установите на индикаторе термометра 0,0 оС.

Далее переключатели переведите либо в положение 77,61 Ом, что соответствует температуре 99,0 оС, либо в положение 93,64 Ом (температура 180,0 оС). Подстроечным резистором R7 установите на индикаторе заданную температуру. Для контроля переключатели переведите в положение 41,71 Ом. Индикатор должен показать -50,0 оС. Описание подобной операции имеется в [3].

При отсутствии магазина сопротивлений регулировку можно выполнить общеизвестным способом. Датчик и образцовый термометр скрепите между собой и поместите в сосуд с тающим льдом, где количество нерастаявшего льда должно преобладать над количеством талой воды. Термометр и датчик не должны касаться льда и стенок сосуда. После погружения выждите некоторое время для установления показаний термометра. Когда они стабилизируются, подстроечным резистором R6 установите на индикаторе 0,0 оС.

Затем датчик и образцовый термометр поместите в тщательно перемешанную подогретую воду. Чем выше ее температура, тем точнее будет регулировка. После стабилизации показаний подстроечным резистором R7 доведите их до показаний образцового термометра. Рекомендуется повторить регулировку несколько раз.

При самостоятельном изготовлении датчика отмерьте для него отрезок медного провода любого диаметра такой длины, чтобы его сопротивление при фактической температуре окружающей среды соответствовало указанному в табл. 1. Расчетная длина провода при температуре 20 оС в зависимости от его диаметра приведена в табл. 2. Удельное сопротивление меди при этой температуре принято равным 0,0175 Ом·мм2/м.

Таблица 1

T, оС Rд, Ом T, оС Rд, Ом
0 53,00 20 57,52
15 56,39 21 57,74
16 56,61 22 57,97
17 56,84 23 58,19
18 57,06 24 59,42
19 57,29 25 58,65

Таблица 2

Номинальный диаметр по меди, мм Длина, м
0,05 6,45
0,03 9,29
0,07 12,65
0,08 16,52
0,09 20,91
0,1 25,85

Самый простой вариант - отмерить провод с запасом, а затем укорачивать его, добиваясь нужного сопротивления.

Но особенно точно подгонять сопротивление датчика под указанные в табл. 1 значения не стоит. Ведь в процессе налаживания все равно придется пользоваться подстроечными резисторами R6 и R7.

Провод датчика намотайте на катушку бифилярным способом, предварительно сложив его вдвое. Такой датчик не обладает индуктивностью, а все электромагнитные наводки на каждую половину его провода взаимно нейтрализуются. При налаживании прибора с самостоятельно изготовленным датчиком с помощью магазина сопротивлений необходимо учитывать отклонения фактического сопротивления датчика от стандартного [1].

Источник напряжения 5 В (д), питающий цепь датчика, должен быть гальванически изолирован от других цепей. Отказаться от такого источника позволит применение инструментального усилителя AD623.

Такой усилитель желателен еще и потому, что он обладает большим коэффициентом ослабления синфазных помех, неизбежно возникающих на соединительных проводах датчика. Схема включения усилителя в термометр изображена на рис. 5. Можно применить инструментальный усилитель и другого типа, например, AD8221, LT1168, MAX4194.

Логометрический термометр
Рис. 5. Схема включения усилителя в термометр

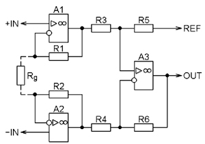
На рис. 6 представлена схема инструментального усилителя, в которой могут быть применены любые ОУ. Рекомендуемые номиналы всех резисторов - 51 кОм, однако они могут быть и другими. Необходимо лишь выполнить с возможно большей точностью (с погрешностью в доли процента) условия R1=R2 и R3=R4=R5=R6.

Логометрический термометр
Рис. 6. Схема инструментального усилителя

От сопротивления внешнего резистора Rg зависит коэффициент усиления инструментального усилителя:

K = 1 + (R1 + R2)/Rg .

В его отсутствие он равен единице, а резисторы R1 и R2 можно заменить перемычками.

Ток, проходящий через датчик, нагревает его, что приводит к ошибке измерения температуры. Резистор R1 (см. рис. 3) рассчитан так, что в цепи датчика протекает ток около 4,43 мА, при котором изменение температуры на один градус вызывает изменение напряжения Uд на 1 мВ. Уменьшить ток можно увеличением сопротивления R1. Однако во сколько раз был уменьшен ток, во столько же раз необходимо увеличить коэффициент усиления ступени на ОУ DA1, для чего надо изменить схему термометра, как показано на рис. 7. В данном случае коэффициент усиления равен

K = 1 + R2`/R1`.

Но уменьшением тока не следует увлекаться, поскольку при усилении полезного сигнала будут усиливаться и помехи. Температурный дрейф коэффициента усиления на результатах измерения не скажется, так как все участвующие в измерении сигналы проходят поочередно через один и тот же усилитель и изменяются пропорционально. Их отношения остаются неизменными.

Логометрический термометр
Рис. 7. Измененная часть схемы термометра

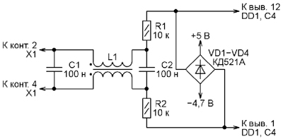
Применение фильтра, схема которого изображена на рис. 8, позволит значительно ослабить синфазные помехи, а также защитить входы микросхемы DD1 от перенапряжений, которые могут в каких-либо аварийных ситуациях образоваться на проводах, соединяющих датчик с термометром. Двухобмоточный дроссель L1 можно найти в цепях сетевого питания многих электронных приборов, например, компьютерных мониторов. Фильтр включают в разрывы цепей, соединяющих контакты 2 и 4 разъема X1 с выводами микросхемы DD1. Места разрывов показаны на рис. 3 крестами.

Логометрический термометр
Рис. 8. Схема фильтра

Если предполагается использовать несколько датчиков, то коммутировать следует все пять проводов, соединяющих датчик с термометром, включая общий провод. Переключатель может быть любым.

Литература

  1. Градуировки термометров сопротивления. - URL: axwap.com/kipia/ docs/datchiki-temperatury/termometry-soprotivleniya.htm.
  2. Два напряжения от одной обмотки трансформатора (За рубежом). - Радио, 1981, № 5-6, с. 72.
  3. Хоменков Н., Зверев А. Цифровой термометр. - Радио, 1985, № 1, с. 47, 48.

Автор: В. Прокошин

Смотрите другие статьи раздела Измерительная техника.

Читайте и пишите полезные комментарии к этой статье.

<< Назад

Последние новости науки и техники, новинки электроники:

Хорошо управляемые луга могут компенсировать выбросы от скота 15.02.2026

Животноводство, особенно разведение крупного рогатого скота, часто обвиняют в значительном вкладе в глобальное потепление из-за мощного парникового газа - метана, который выделяется при пищеварении у жвачных животных. Это вызывает острые политические споры и призывы к сокращению потребления мяса. Однако ученые напоминают, что полная картина климатического воздействия отрасли не ограничивается только выбросами от животных: огромную роль играет окружающая экосистема - пастбища, почва и растительность, которые способны активно поглощать углекислый газ из атмосферы. Исследователи из Университета Небраски-Линкольна решили глубже изучить этот баланс. Группа под руководством профессора Галена Эриксона сосредоточилась на том, как правильно организованные пастбища накапливают углерод в растениях и грунте благодаря естественным процессам, стимулируемым выпасом скота. Ученые подчеркивают, что при достаточном уровне осадков и грамотном управлении такие луга превращаются в мощные природные погло ...>>

NASA тестирует инновационную технологию крыла 15.02.2026

Коммерческая авиация ежегодно расходует колоссальные объемы керосина, что сказывается не только на бюджете авиакомпаний, но и на состоянии окружающей среды. В 2024 году глобальные затраты на авиационное топливо достигли 291 миллиарда долларов, и эта сумма продолжает расти. Чтобы справиться с этими вызовами, NASA активно работает над технологиями, способными заметно повысить аэродинамическую эффективность самолетов. Одним из самых перспективных направлений стало создание специальной конструкции крыла, которая максимизирует естественный ламинарный поток воздуха и минимизирует сопротивление. В январе 2026 года специалисты NASA Armstrong Flight Research Center успешно провели важный этап наземных испытаний концепции Crossflow Attenuated Natural Laminar Flow (CATNLF). Для эксперимента под фюзеляж исследовательского самолета F-15B закрепили вертикально ориентированную масштабную модель высотой около 0,9 м (3 фута), напоминающую узкий киль. Такая компоновка позволила подвергнуть прототип р ...>>

Забота о внуках очень полезна для здоровья мозга 14.02.2026

Общение между поколениями приносит радость всей семье, но мало кто задумывается, насколько активно бабушки и дедушки, заботящиеся о внуках, поддерживают свою умственную форму. Регулярное взаимодействие с детьми стимулирует мозг пожилых людей, помогая сохранять память, скорость мышления и общую когнитивную активность. Новые научные данные подтверждают, что такая добровольная помощь не только важна для общества, но и может замедлять возрастные изменения в мозге. Исследователи из Тилбургского университета в Нидерландах провели анализ, чтобы понять, приносит ли уход за внуками реальную пользу здоровью пожилых людей. Ведущий автор работы Флавия Черечес отметила, что многие бабушки и дедушки регулярно присматривают за детьми, и оставался открытым вопрос, насколько это положительно сказывается на их собственном благополучии, особенно в плане когнитивных функций. Ученые поставили цель выяснить, способен ли регулярный уход за внуками замедлить снижение памяти и других умственных способ ...>>

Случайная новость из Архива

Энергия для Луны: проект LUNARSABER 11.08.2024

Технологическая компания Honeybee Robotics, принадлежащая Джеффу Безосу и работающая в составе Blue Origin, предложила уникальное решение для обеспечения электроэнергией лунной базы в рамках программы "Артемида". Специалисты компании разработали проект под названием LUNARSABER, который предполагает установку на поверхности Луны столба высотой 100 метров. Этот столб станет ключевым элементом инфраструктуры будущих лунных поселений.

Проект LUNARSABER включает в себя столб, изготовленный из прокатанного листа металла, который, сворачиваясь в цилиндрическую структуру, образует устойчивую конструкцию. Эта конструкция должна будет выдерживать до тонны оборудования и служить центральным узлом для различных нужд базы. Столб будет не только источником энергии, но и узлом связи и освещения, что делает его важнейшим элементом для обеспечения жизни и работы на Луне.

Основная функция LUNARSABER - генерация и распределение электроэнергии. Для этого по бокам столба планируется установить солнечные панели, которые смогут производить до 100 киловатт энергии. Эта энергия будет использована для питания различных устройств на лунной базе, а также для освещения, что особенно важно в условиях лунной ночи, которая длится 14 земных суток. Освещение, обеспечиваемое прожекторами на вершине LUNARSABER, позволит астронавтам и луноходам выполнять свою работу независимо от солнечного света.

LUNARSABER также будет выполнять функцию башни связи, обеспечивая бесперебойную передачу данных между различными элементами базы и Землей. Инженеры рассматривают два типа солнечных панелей для проекта. Первый тип напоминает игрушку йо-йо: панели вытягиваются из верхней части столба и разворачиваются. Второй тип представляет собой традиционные панели, которые могут отслеживать положение Солнца на лунном небе, что позволяет максимально эффективно использовать солнечную энергию.

Проект LUNARSABER является важной частью подготовки к лунной миссии "Артемида", цель которой - возвращение человека на Луну и создание постоянной базы на ее поверхности. Столб LUNARSABER обеспечит энергией, связью и освещением будущую базу, делая ее независимой от естественных условий на Луне. Это существенно повысит безопасность и эффективность работы астронавтов на поверхности Луны, открывая новые возможности для исследований и освоения спутника Земли.

Идея создания LUNARSABER демонстрирует инновационный подход к решению задач, связанных с освоением Луны. Установка высокотехнологичного столба на лунной поверхности может стать ключевым шагом в развитии постоянного присутствия человека на Луне, обеспечивая его энергией и связью, необходимыми для долгосрочных миссий. В будущем такие технологии могут стать основой для создания лунных городов и станций, обеспечивающих постоянное присутствие человека в космосе.

Другие интересные новости:

▪ Производство шелка с помощью искусственной железы паука

▪ Фулереновые мячики в энергетике

▪ Печать жаропрочного сплава для газовых турбин

▪ Автомобильный проектор понимает жесты и человеческую речь

▪ Nokia Morph

Лента новостей науки и техники, новинок электроники

 

Интересные материалы Бесплатной технической библиотеки:

▪ раздел сайта Биографии великих ученых. Подборка статей

▪ статья Бог дал. Бог взял. Крылатое выражение

▪ статья До скольки лет прожила одна американка, фактически оставаясь годовалым младенцем? Подробный ответ

▪ статья Поводковый узел на основе змеиного узла. Советы туристу

▪ статья Модуль электронной коммутации инструментов. Энциклопедия радиоэлектроники и электротехники

▪ статья Превращение четырех карт. Секрет фокуса

Оставьте свой комментарий к этой статье:

Имя:


E-mail (не обязательно):


Комментарий:





Главная страница | Библиотека | Статьи | Карта сайта | Отзывы о сайте

www.diagram.com.ua

www.diagram.com.ua
2000-2026