Menu Home

Бесплатная техническая библиотека для любителей и профессионалов Бесплатная техническая библиотека


Генератор качающейся частоты из СК-М-24-2. Энциклопедия радиоэлектроники и электротехники

Бесплатная техническая библиотека

Энциклопедия радиоэлектроники и электротехники / Измерительная техника

Комментарии к статье Комментарии к статье

В настоящее время многие заменяют телевизоры третьего поколения более современными. Выбросить старый и неисправный на свалку - жалко. Между тем из отдельных блоков и узлов этих аппаратов можно собрать несложные приборы. Об одном из примеров неожиданного применения селектора телевизионных каналов и рассказано в этой статье.

Из селектора телевизионных каналов СК-М-24-2 можно собрать приставку к осциллографу - генератор качающейся частоты для просмотра АЧХ радио- и телеаппаратуры в широком интервале частот - 0,5...100 МГц. При этом изготовление устройства заключается в основном в выпаивании из платы селектора каналов лишних для данного прибора деталей и добавлением небольшого числа новых.

Этот ГКЧ имеет классическую структурную схему приборов данной группы (рис. 1). В нем имеется два генератора G1 и G2, перестраиваемых по частоте изменением напряжения. Пределы перестройки первого генератора ГКЧ - 150...250 МГц, а второго - 150...160 МГц. Девиация частоты генератора G2 достигается изменением емкости варикапа в колебательном контуре пилообразным напряжением от блока развертки осциллографа. Напряжение высокой частоты с этих генераторов подается на смеситель U1, на выходе которого формируются колебания разностной частоты 0,5...100 МГц, с девиацией выбранной центральной частоты до ±5 МГц. Это напряжение через эмиттерный повторитель А1 и фильтр нижних частот Z1 подается на усилитель А2, а с него через согласующий каскад А3 на выход прибора. Коэффициент усиления А2 и, соответственно, напряжение на выходе ГКЧ, регулируются электронным способом.

Генератор качающейся частоты из СК-М-24-2

Принципиальная схема ГКЧ приведена на рис. 2. Генераторы G1 и G2 собраны соответственно на транзисторах VT1 и VT3 по схеме с емкостной обратной связью, которая осуществляется через конденсаторы С7 и С8. Высокочастотные колебания с генераторов через конденсаторы С1, С2 и диоды VD1, VD2 поступают на эмиттер транзистора VT2, выполняющего роль смесителя. После эмиттерного повторителя на VT4 колебания разностной частоты, выделенные ФНЧ (L3-L5, C15-C18, C21), поступают на транзистор VT5 для усиления. Эмиттерный повторитель на VT6 служит для оптимального согласования усилителя с нагрузкой.

Генератор качающейся частоты из СК-М-24-2
(нажмите для увеличения)

Управление центральной частотой ГКЧ производят переменным резистором R26, а подстройку исследуемой полосы частот - R28. Девиацию частоты генератора регулируют переменным резистором R29. Выходное напряжение ГКЧ изменяют регулятором R25. Надо иметь в виду, что максимальная глубина девиации существенно зависит от амплитуды пилообразного напряжения, подаваемого с осциллографа.

Дополнительные детали, помимо имеющихся в селекторе каналов, изображены на схеме более толстыми линиями.

Описанное устройство позволяет осуществлять перестройку в широком диапазоне частот без использования переключателя диапазонов. Рабочий диапазон частот ГКЧ ограничен в интервале 0,5...100 МГц свойствами примененного ФНЧ и необходимым разносом между частотой генераторов и максимальной разностной частотой.

При изготовлении устройства нужно сравнивать его принципиальную схему со схемой СК-М-24-2 [1, 2] и выпаивать из блока лишние детали. Естественно, назначение выводов разъема платы несколько изменено относительно исходного. Дополнительно к оставшимся деталям на плате устанавливают транзисторы VT4, VT6, резисторы R14, R16, R21-R24, конденсаторы С15-С18, С23-С26, катушки L3-L5. При этом все вновь устанавливаемые катушки и конденсаторы берутся из числа выпаянных из платы; к примеру, L3- L5 - "одноименные" катушки от входного фильтра селектора.

Расположение катушек L1 и L2 непосредственно на монтажной плате блока в непосредственной близости от других деталей ухудшает их добротность и, следовательно, снижает стабильность выходной частоты ГКЧ. Поэтому катушки L1 и L2 выпаивают из платы, а в образовавшиеся отверстия впаивают отрезки луженого провода длиной 1 см и уже к их концам вновь припаивают эти катушки, размещая их между платой с деталями и верхней крышкой. Описанное расположение катушек L1 и L2 удобно и при налаживании прибора. Их можно многократно впаивать и выпаивать, не нарушая целостности печатных проводников.

Переменные резисторы - любые малогабаритные. Разъемы XS2 и XS3, в качестве которых использованы малогабаритные гнезда для подключения стереотелефонов со штекером 3,5 мм, устанавливают на стенках жестяной коробочки, прикрепленной снаружи к корпусу устройства со стороны разъема XS1. Конденсаторы С27, С28 (К50-12) и резистор R27 (МЛТ) монтируют навесным способом на контактах переменных резисторов и разъемов.

Основной генератор G1 настраивают подбором индуктивности катушки L1 путем растяжения или сжатия ее витков, и частотомером проверяют диапазон перекрытия генератора на транзисторе VT1. При этом на разъеме XS1 отключают питание генератора G2 на транзисторе VT3.

Аналогично настраивают генератор G2 в указанной полосе частот, отключив питание другого. Эту настройку производят при максимальном напряжении на варикапе VD4.

Фильтр нижних частот L3-L5, C15-C18 настраивают на пропускание сигнала в полосе частот до 110 МГц. После настройки фильтра катушки L3 и L5 имеют по 11 витков с внутренним диаметром 3 мм, L4 - пять витков с диаметром 4 мм.

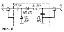
Принципиальная схема детекторной головки приведена на рис. 3, а схема подключения приборов при измерениях - на рис. 4. Следует иметь в виду, что осциллограф, используемый совместно с ГКЧ, должен обеспечивать "спадающее" пилообразное напряжение (например, широко распространенный осциллограф С1-94). Если в распоряжении радиолюбителя имеется только осциллограф с нарастающей "пилой", то девиацию частоты ГКЧ нужно производить посредством генератора G1.

Генератор качающейся частоты из СК-М-24-2 Генератор качающейся частоты из СК-М-24-2

О величине выходного напряжения ГКЧ можно судить по следующим измерениям. Постоянное напряжение на выходе детекторной головки, подключенной к выходу ГКЧ, составляет в средней части диапазона 0,9 В, а по краям диапазона - 0,3 и 1,9 В. Учитывая, что детекторная головка выполнена по схеме удвоения напряжения, переменное напряжение на выходе ГКЧ соответственно вдвое ниже.

Внешний вид приставки показан на рис. 5 (ручки управления с осей переменных резисторов временно сняты).

Генератор качающейся частоты из СК-М-24-2

Литература

  1. Ельяшкевич С. А., Пескин А. Е. Телевизоры 3УСЦТ, 4УСЦТ, 5УСЦТ. Устройство, регулировка, ремонт. - Издание первое. - М.: МП "Символ-Р". - 1993. - 224 с.
  2. Кацнельсон Н., Шпильман Е. "Горизонт Ц-257". Модуль радиоканала. - Радио, 1984, № 9, с. 24-28.

Автор: Н.Герцен, г.Березники Пермской обл.

Смотрите другие статьи раздела Измерительная техника.

Читайте и пишите полезные комментарии к этой статье.

<< Назад

Последние новости науки и техники, новинки электроники:

Токсичность интернета преувеличена 07.01.2026

Социальные сети нередко воспринимаются как арена постоянной агрессии, оскорблений и распространения фейковой информации. Новое исследование Стэнфордского университета показывает, что реальность значительно отличается от популярного представления: интернет гораздо менее токсичен, чем многие пользователи считают. Ученые опросили более тысячи американцев, попросив их оценить долю пользователей соцсетей, которые ведут себя агрессивно или распространяют ненависть. Оказалось, что впечатления людей сильно преувеличивают масштабы проблемы. Например, респонденты считали, что почти половина пользователей Reddit хотя бы раз оставляла оскорбительные комментарии, тогда как фактические данные платформы показывают, что таких людей не более 3%. Аналогичная ситуация наблюдается с дезинформацией. Опрос показал, что большинство участников считали почти половину аудитории Facebook распространителями фейковых новостей, однако статистика говорит об обратном: фактическая доля таких пользователей состав ...>>

Процессоры Ryzen AI 400 07.01.2026

Современные вычисления все больше ориентируются на интеграцию искусственного интеллекта и высокую производительность в компактных устройствах, таких как ноутбуки и мини-ПК. Новая линейка процессоров AMD Ryzen AI 400 демонстрирует, как разработчики объединяют мощные центральные ядра, графику и нейросетевые ускорители в одном чипе, чтобы удовлетворять растущие потребности пользователей в играх, контенте и ИИ-приложениях. AMD представила процессоры серии Gorgon Point, которые включают до 12 ядер Zen 5 и до 24 потоков вычислений. Чипы поддерживают интегрированную графику RDNA 3.5, обеспечивают максимальную тактовую частоту до 5,2 ГГц и имеют энергопотребление от 15 Вт до 54 Вт. Особое внимание уделено NPU, способному обрабатывать до 60 триллионов операций в секунду (TOPS), что делает эти процессоры эффективными для задач с искусственным интеллектом. Конструкция Ryzen AI 400 сочетает ядра Zen 5 и Zen 5c, обеспечивая высокую гибкость и производительность. Несмотря на то, что архитектур ...>>

Женщины лучше распознают признаки болезни по лицу 06.01.2026

Способность распознавать, что кто-то нездоров, часто проявляется интуитивно: бледная кожа, опущенные веки, уставшее выражение лица могут сигнализировать о недомогании. Новое исследование международной группы ученых показало, что женщины в среднем точнее мужчин улавливают такие тонкие невербальные признаки болезни, что может иметь эволюционные и социальные объяснения. В отличие от предыдущих работ, где использовались отредактированные фотографии или имитация больных лиц, ученые решили проверить, насколько люди способны распознавать естественные признаки недомогания. Такой подход позволил оценить реальную чувствительность к изменениям в лицах, возникающим при болезни. В исследовании приняли участие 280 студентов, поровну мужчин и женщин. Участникам предложили оценить 24 фотографии, на которых изображены люди как в здоровом состоянии, так и во время болезни. Это дало возможность сравнить восприятие естественных признаков недомогания в реальных лицах. Для анализа состояния каждого ...>>

Случайная новость из Архива

Электропроводящий гель поможет создать гибких роботов 14.04.2023

Инженерам из Университета Карнеги-Меллона удалось объединить полимеры с жидким металлом для разработки органогелевого композита, который обладает сверхгибкостью и высокой проводимостью.

Благодаря новому гелю ученые, возможно, находятся на пути к созданию первых по-настоящему "мягких" роботов и самовосстанавливающихся биометрических устройств. По утверждению создателей, их материал мягкий и очень эластичный, с пределом деформации более 400 %.

Для создания композита исходный полимер был погружен в растворитель, чтобы добиться пластичности. Затем получившаяся полимерная основа была смешаны с микроскопическими каплями жидкого сплава галлия и индия и чешуйками серебра. Конечным продуктом стало гелеобразное вещество низкой плотности, содержащее достаточное количество металла для передачи электричества.

Порванный кусок композита можно соединить, после чего он восстановит свою форму. Его электропроводность превосходит любой другой эластичный материал, что позволяет соединять электрические компоненты без ущерба для функциональности.

Основной проблемой большинства гелевых веществ является их склонность к высыханию, но разработчики в качестве основы использовали этиленгликоль, который имеет незначительную скорость испарения.

Изобретатели использовали свой композит для создания робота-улитки, игрушечной машины и биометрического монитора. Новый композит использовался только для соединения батареи и мотора робота-улитки и показал себя весьма ремонтопригодным.

В игрушечной машине новый материал позволил быстро объединить электрические цепи и привести в действие двигатель и фары. В качестве реконфигурируемого биоэлектрода материал может быть использован для измерения мышечной активности с помощью электромиографии (ЭМГ) на любой части тела.

Удаление наиболее "жестких" компонентов машины и замена их гелевыми "нервными системами" позволит инженерам создавать действительно гибких роботов и устройства. Это открывает бесчисленные возможности, особенно в медицине, где ученые могут имитировать живые органы или создавать самовосстанавливающиеся биометрические мониторы для сердца и других мышц.

Настоящие мягкие роботы могут прикрепляться к коже, ползать по полу дома и помогать хозяину в повседневных делах.

Другие интересные новости:

▪ Наручные атомные часы

▪ Intel покажет новый Tablet PC

▪ На астероиде Бенну обнаружена вода

▪ Rover Computers вновь выпускает одношпиндельные ноутбуки

▪ Робот, работающий от влажности

Лента новостей науки и техники, новинок электроники

 

Интересные материалы Бесплатной технической библиотеки:

▪ раздел сайта Альтернативные источники энергии. Подборка статей

▪ статья Эрстед Ганс. Биография ученого

▪ статья Какая европейская страна находилась в состоянии войны с Японией больше века? Подробный ответ

▪ статья Изжога. Медицинская помощь

▪ статья Лазерный светотелефон. Энциклопедия радиоэлектроники и электротехники

▪ статья Широтно-импульсные контроллеры серий КР1156ЕУ2 и КР1156ЕУЗ. Энциклопедия радиоэлектроники и электротехники

Оставьте свой комментарий к этой статье:

Имя:


E-mail (не обязательно):


Комментарий:





Главная страница | Библиотека | Статьи | Карта сайта | Отзывы о сайте

www.diagram.com.ua

www.diagram.com.ua
2000-2026