Menu Home

Бесплатная техническая библиотека для любителей и профессионалов Бесплатная техническая библиотека


Усовершенствованный логический ТТЛ-пробник. Энциклопедия радиоэлектроники и электротехники

Бесплатная техническая библиотека

Энциклопедия радиоэлектроники и электротехники / Измерительная техника

Комментарии к статье Комментарии к статье

Многолетний опыт работы с цифровыми устройствами позволил автору усовершенствовать пробник, описанный в журнале "Радио" в 1990 г. В результате его модификации, в частности, получена возможность считать и индицировать до 20 импульсов, использовать пробник для слухового контроля частоты и расширения диапазона рабочих частот простого частотомера. Этот пробник будет полезен при налаживании различных электронных устройств на микросхемах ТТЛ.

В [1] был описан пробник, определяющий состояние логических цепей и подсчитывающий число импульсов. В нем предусмотрена также возможность слухового контроля частоты колебаний, поступающих на его вход в диапазоне от звуковых частот до 10 МГц. При доработке этого устройства в него были внесены некоторые изменения, упростившие работу с пробником.

Во-первых, изменены имевшиеся пороговые значения логических уровней ТТЛ: 0,4 В - лог. 0 и 2,4 В - лог. 1. Эти величины напряжения соответствуют стандартным выходным логическим уровням ТТЛ и позволяют судить о работе микросхемы как источника сигнала. Часто более важно знать, как некоторый уровень в логической цепи воспринимает вход последующей микросхемы. Исходя из этого, пороговые значения напряжения выбраны соответственно входным: 0,8 В и 2 В [3]. Напряжение переключения по входу имеет фиксированное значение, равное 1,5 В, лишь у новых серий микросхем ТТЛ, например, К(Р)1533 и КР1531, а у старых - К155, К555 и КР531 - оно изменяется в некоторых пределах. Таким образом, если иметь в виду только перспективные серии микросхем, то индикация неопределенного состояния практически не нужна - можно считать, что лог. 0 - это напряжение ниже 1,5 В, а лог. 1 - соответственно, выше 1,5 В. Но так как старые серии микросхем будут работать еще много лет, в этом пробнике была оставлена индикация неопределенного состояния.

Во-вторых, в исходном устройстве неудобно для восприятия размещена индикация числа поступивших на вход логических импульсов (в двоичном коде). Многие ли могут быстро перевести число импульсов, выраженное двоичным кодом, в десятичное? Неудобен и выбор коэффициента деления частоты входных импульсов для прослушивания на головной телефон.

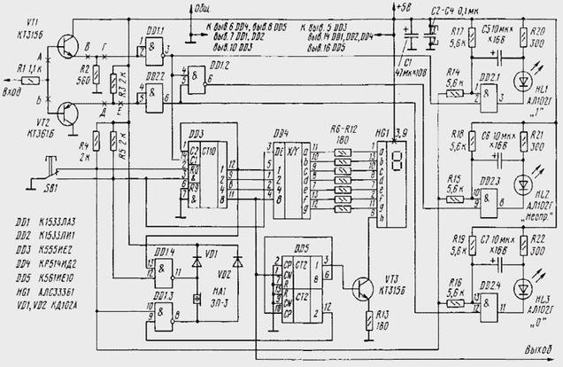
С учетом этих замечаний схему пробника пришлось несколько изменить. Теперь он содержит пять микросхем и один семисегментный индикатор (см. рисунок).

Усовершенствованный логический ТТЛ-пробник
(нажмите для увеличения)

Пробник тремя светодиодами отображает логические состояния входа: ноль, неопределенное состояние индикатора и единицу. Время индикации коротких импульсов удлиняется, чтобы была обеспечена возможность успеть оценить их визуально. Если растягивание импульсов отключить, то по сравнительной яркости светодиодов можно судить о скважности и прямоугольности входного сигнала.

Для определения числа поступивших на вход импульсов пробник снабжен счетчиком и цифровым индикатором, отображающим цифры - от 0 до 9. Включение десятичной точки использовано в целях индикации единицы переноса в старший разряд. Таким образом, обеспечивается фиксация последовательности до двадцати импульсов. При необходимости счетчик можно сбросить, чтобы удобнее было вести дальнейший отсчет.

Пробник позволяет также судить о частоте сигнала "на слух", путем сравнения частоты по принципу "выше - ниже", а после некоторой тренировки - приблизительно определять частоту поступающего на вход сигнала. Для этого в нем установлен пьезокерамический излучатель звука НА1, подключенный к выходу делителя на 2 - выв. 12 DD3 (для частот 100 Гц... 30 кГц). Контроль импульсных последовательностей частотой до 10 МГц производят через дополнительный делитель, снижая ее до звуковой.

Теперь подробнее о схеме пробника. На его входе установлено два повторителя (отдельно для лог. 0 и 1) на транзисторах VT1 и VT2. Резистор R1 защищает их от токовой перегрузки при подаче на вход напряжения, выходящего за пределы 0...5 В. Резисторы R2 и R3 создают нагрузку для повторителей и смещение для входов микросхемы. Элементы DD1.1 и DD2.2 формируют пороги логических уровней для последующих блоков, поэтому применены микросхемы серии К1533 - у них фиксирован входной порог. Элемент DD1.2 формирует сигнал неопределенного состояния входа.

С выходов этих трех элементов сформированные сигналы (активный уровень - низкий) поступают на входы трех одновибраторов на элементах DD2.1, DD2.3 и DD2.4, которые управляют светодиодами индикации логических состояний. Вторые входы одновибраторов подключены через резисторы R14 - R16 к микропереключателю SВ1, который управляет всеми функциями данного пробника. В показанном на схеме положении переключателя одновибраторы растягивают поступающие на них импульсы для надежного их обнаружения. В другом положении SВ1 удлинения импульсов не происходит, поскольку сигнал обратной связи на верхних по схеме входах одновибраторов не доходит до порога переключения. В результате скважность периодической последовательности входного сигнала можно оценить "на глаз", сравнивая яркость свечения светодиодов HL1 и HL3, а прямоугольность - по яркости свечения HL2. Чем он ярче, тем более пологи фронты и спады импульсов, если же они практически прямоугольны - HL2 не светится.

Десятичный счетчик DD3, вход С1 которого подключен к выходу элемента DD1.1, подсчитывает поступившие положительные перепады входного сигнала. (Если этот вход подключить к выходу DD2.2 - он будет подсчитывать отрицательные перепады). К выходам DD3 подключен преобразователь кода DD4 с индикатором HG1, отображающим число поступивших импульсов в десятичном виде. Сброс счетчика происходит во время переключения контактов переключателя SВ1, так как только в это время на обоих входах R0 счетчика DD3 присутствует лог. 1. Поскольку нижнее по схеме положение переключателя SВ1 используется для анализа групп высокочастотных импульсов, в этом положении на вход DЕ преобразователя кода подается лог. 0 для гашения индикатора и снижения потребляемой мощности.

К выходу 8 счетчика DD3 подключен счетчик-делитель на 64 (DD5). С выхода 1 DD3 и с выхода 2 второго счетчика микросхемы DD5 импульсы подаются на элементы И-НЕ DD1.4 и DD1.3, другие входы которых подключены к переключателю SВ1. В показанном на схеме положении SВ1 элемент DD1.3 выключен, а DD1.4 включен - на НА1 проходит сигнал с частотой, в 2 раза меньшей, чем на входе пробника. При нажатии на кнопку SВ1 через элемент DD1.3 на НА1 входной сигнал проходит после понижения частоты в 640 раз.

С выхода 8 микросхемы DD3 сделан также вывод на внешний разъем для подключения к пробнику частотомера, поэтому пробник возможно использовать и как активный входной щуп для измерения частоты цифровых сигналов (показания частотомера в этом случае умножают на 10). Деление на 10 необходимо здесь для того, чтобы при подаче на вход импульсов с частотой до 10 МГц на внешний разъем для частотомера поступал сигнал с частотой не выше 1 МГц. Это позволяет использовать относительно дешевый частотомер.

Счетчик DD5 с выхода 1 через транзистор VT3 управляет свечением десятичной точки на индикаторе, отображающей единицу переноса в старший разряд (светящаяся точка обозначает, что к показанию индикатора следует прибавить 10).

Немного о конструкции пробника. Корпусом его служит пластмассовый футляр от шариковой ручки размерами 149x21x15 мм. В торце корпуса в качестве щупа установлена стальная игла (ею удобно прокалывать защитный лак на выводах радиодеталей и печатных дорожках плат), а на противоположном - гнездовая часть малогабаритного трехконтактного разъема (для головных стереотелефонов). К штыревой части разъема (диаметр штырька 3,5 мм) припаяны провода, через которые подводится питание, как правило, от проверяемого устройства и передается выходной сигнал. Концы проводов снабжены зажимами "крокодил". Питание пробника возможно и от автономного блока питания, но в этом случае следует соединять вместе общий провод пробника и проверяемой микросхемы.

На боковой стороне корпуса вырезаны отверстия для размещенных на плате светодиодов, отображающих логические уровни, и семисегментного индикатора счетчика импульсов. Кроме того, в удобном для нажатия указательным или большим пальцем месте размещена головка кнопки микропереключателя.

Все детали пробника смонтированы на односторонней печатной плате; большая часть соединений сделана печатными проводниками, остальные - тонким проводом в изоляции. Не указанные на схеме выводы микросхем ни с чем не соединяют. Конденсаторы С1- C3 размещены над микросхемами, так же размещен пьезоэлемент сигнализатора НА1, напротив которого в корпусе сделано несколько мелких отверстий для прохождения звука.

Микросхемы DD1 - DD3 в пробнике можно заменить аналогичными из серий К(КМ)555, К155, КР1531 и даже КР531, но это приведет к увеличению потребляемого тока и снижению стабильности работы (гораздо лучше было бы применить и DD3 из серии КР1533). Микросхему К561ИЕ10 можно заменить на такую же из серии 564, а вместо DD4 можно использовать, например, К(Р)514ИД1 вместе с заменой DD6 на индикатор с общим катодом и соответствующим рабочим током (в этом случае резисторы R6 - R12 не нужны). При использовании других дешифраторов и индикаторов их можно согласовать, как описано в [2]. Индикатор следует выбирать исходя из подходящих габаритов, размера знакоместа и яркости свечения (лучше красного цвета).

Светодиоды HL1, HL3 - любые маломощные подходящего размера. Их следует брать одинакового цвета, иначе сложно определять по яркости скважность импульсов.

В устройстве применимы любые высокочастотные маломощные кремниевые транзисторы соответствующей структуры с коэффициентом передачи тока базы не менее 100. Резисторы - МЛТ 0,125 (R1 - 0,25 Вт), конденсаторы С5 - С7 - К50-16, К50-35 или аналогичные. Кнопочный переключатель SВ1 - любой малогабаритный с одним переключающим контактом без фиксации. Для сохранения малых габаритов пробника размещаемый в нем пьезоэлемент НА1 изъят из корпуса звукоизлучателя ЗП-3, но лучше использовать какой-либо малогабаритный, применяемый, например, в электронных наручных часах.

Для защиты от неправильного подключения питания проще всего в разрыв плюсового питающего провода установить германиевый диод типа Д310 (с минимальным прямым падением напряжения) так же, как сделано в [1], но в этом случае питающее напряжение понизится примерно на 0,2 В. Лучшим для пробника вариантом станет включение между шинами питания пробника стабилитрона на напряжение примерно 5,5...6 В, а вместо германиевого диода - предохранителя на 250 мА, который выдержит нормальный питающий ток пробника, но при превышении напряжения питания или изменении его полярности будет сожжен повышенным током. Недостатком такой защиты является необходимость заменять предохранитель (впрочем, если блок питания проверяемой конструкции выдержит повышенный ток). Возможны и другие устройства защиты.

Максимальный потребляемый ток пробника - около 200 мА, причем микросхемы потребляют лишь около 40 мА, а остальное - цепи индикаторов. Снизить потребляемую индикаторами мощность (и яркость) можно, увеличив вдвое сопротивление резисторов R6 - R13 и R20 - R22.

В заключение следует сказать о подгонке порогов срабатывания щупа. При желании их можно изменять, включая маломощные германиевые диоды в разрывы точек А - Е. Введение диодов в точках А и В повышает порог между неопределенным состоянием и лог. 1 (но на разную величину), а в точке Г - немного понижают. Диоды же в точках Б, Д и Е понижают порог между неопределенным состоянием и лог. 0. Если необходимо добиться логических порогов, аналогичных тем, что указаны в [1] - в разрывы в точках В и Д следует включить по одному маломощному кремниевому диоду. Возможность контроля уровня, превышающего 2,5 В, который соответствует пороговому для микросхем КМОП, и малый входной ток пробника позволяют использовать его для контроля устройств на микросхемах серий К561, К176 с напряжением питания 5 В.

Литература

  1. Юдицкий Ю. Пробник с расширенными возможностями. - Радио, 1990, № 3, с. 61, 62.
  2. Яковлев Е. Включение мощных семисегментных светодиодных индикаторов. - Радио, 1990, № 2, с. 43.
  3. Шило В. В. Популярные цифровые микросхемы. Справочник. - Челябинск: Металлургия, 1988, с. 20.

Автор: В.Кириченко, г.Шахты Ростовской обл.

Смотрите другие статьи раздела Измерительная техника.

Читайте и пишите полезные комментарии к этой статье.

<< Назад

Последние новости науки и техники, новинки электроники:

Хорошо управляемые луга могут компенсировать выбросы от скота 15.02.2026

Животноводство, особенно разведение крупного рогатого скота, часто обвиняют в значительном вкладе в глобальное потепление из-за мощного парникового газа - метана, который выделяется при пищеварении у жвачных животных. Это вызывает острые политические споры и призывы к сокращению потребления мяса. Однако ученые напоминают, что полная картина климатического воздействия отрасли не ограничивается только выбросами от животных: огромную роль играет окружающая экосистема - пастбища, почва и растительность, которые способны активно поглощать углекислый газ из атмосферы. Исследователи из Университета Небраски-Линкольна решили глубже изучить этот баланс. Группа под руководством профессора Галена Эриксона сосредоточилась на том, как правильно организованные пастбища накапливают углерод в растениях и грунте благодаря естественным процессам, стимулируемым выпасом скота. Ученые подчеркивают, что при достаточном уровне осадков и грамотном управлении такие луга превращаются в мощные природные погло ...>>

NASA тестирует инновационную технологию крыла 15.02.2026

Коммерческая авиация ежегодно расходует колоссальные объемы керосина, что сказывается не только на бюджете авиакомпаний, но и на состоянии окружающей среды. В 2024 году глобальные затраты на авиационное топливо достигли 291 миллиарда долларов, и эта сумма продолжает расти. Чтобы справиться с этими вызовами, NASA активно работает над технологиями, способными заметно повысить аэродинамическую эффективность самолетов. Одним из самых перспективных направлений стало создание специальной конструкции крыла, которая максимизирует естественный ламинарный поток воздуха и минимизирует сопротивление. В январе 2026 года специалисты NASA Armstrong Flight Research Center успешно провели важный этап наземных испытаний концепции Crossflow Attenuated Natural Laminar Flow (CATNLF). Для эксперимента под фюзеляж исследовательского самолета F-15B закрепили вертикально ориентированную масштабную модель высотой около 0,9 м (3 фута), напоминающую узкий киль. Такая компоновка позволила подвергнуть прототип р ...>>

Забота о внуках очень полезна для здоровья мозга 14.02.2026

Общение между поколениями приносит радость всей семье, но мало кто задумывается, насколько активно бабушки и дедушки, заботящиеся о внуках, поддерживают свою умственную форму. Регулярное взаимодействие с детьми стимулирует мозг пожилых людей, помогая сохранять память, скорость мышления и общую когнитивную активность. Новые научные данные подтверждают, что такая добровольная помощь не только важна для общества, но и может замедлять возрастные изменения в мозге. Исследователи из Тилбургского университета в Нидерландах провели анализ, чтобы понять, приносит ли уход за внуками реальную пользу здоровью пожилых людей. Ведущий автор работы Флавия Черечес отметила, что многие бабушки и дедушки регулярно присматривают за детьми, и оставался открытым вопрос, насколько это положительно сказывается на их собственном благополучии, особенно в плане когнитивных функций. Ученые поставили цель выяснить, способен ли регулярный уход за внуками замедлить снижение памяти и других умственных способ ...>>

Случайная новость из Архива

От выгорания на работе поможет электронная татуировка 06.06.2025

Рабочая среда требует от человека высокой концентрации, многозадачности и постоянной вовлеченности, что нередко приводит к перегрузке и эмоциональному истощению. Особенно это касается профессий, где малейшая ошибка может иметь серьезные последствия: водителей, авиадиспетчеров, врачей. Именно поэтому ученые ищут способы заранее фиксировать признаки перегрузки мозга и предотвращать выгорание. Одним из таких решений стала новая разработка американских инженеров - временная электронная татуировка, способная отслеживать уровень умственного напряжения.

Исследователи из Техасского университета в Остине, под руководством профессоров Луиса Сентиса и Наньшу Лу, создали миниатюрное устройство, которое размещается на лбу и отслеживает активность мозга по сигналам мозговых волн. В отличие от традиционного электроэнцефалографа, громоздкого и дорогостоящего оборудования, электронная татуировка является беспроводной, тонкой, гибкой и гораздо более доступной в производстве. Ее элементы включают легкую батарею, расположенную на затылке, и ультратонкие датчики, адаптирующиеся к индивидуальным особенностям лица человека.

Авторы разработки подчеркивают, что сигнал, получаемый с помощью этого устройства, может быть даже более точным, чем у классических ЭЭГ-систем. Это связано с тем, что татуировка индивидуализируется: на основе измерения черт лица создаются персонализированные варианты, обеспечивающие точное размещение датчиков и стабильный контакт с кожей. Благодаря волнообразной форме катушек татуировка способна растягиваться и точно прилегать к поверхности лба, не доставляя дискомфорта.

В ходе испытаний, проведенных с участием шести добровольцев, участникам предлагались когнитивные задачи с нарастающей сложностью. Анализ сигналов мозга показал, что по мере повышения умственной нагрузки возрастала активность тета- и дельта-волн, указывающих на напряжение, в то время как альфа- и бета-волны снижались - это верный признак усталости. Такие данные позволяют не просто фиксировать текущее состояние мозга, но и оценивать его готовность к продолжению умственной деятельности.

Профессор Сентис отмечает, что до недавнего времени основное внимание в системах мониторинга сосредотачивалось на физическом состоянии сотрудников, в то время как умственное здоровье оставалось в тени. Новая технология может изменить подход к заботе о сотрудниках в профессиональной среде, где важно заранее предупреждать истощение, а не бороться с его последствиями. Подобные устройства могут стать стандартом в высокорисковых профессиях, где цена ошибки слишком высока.

Еще одним шагом вперед стало использование искусственного интеллекта. Команда обучила модель ИИ анализировать данные с татуировки и распознавать различные уровни умственной нагрузки. Система способна предсказывать, когда мозг приближается к перегрузке, что позволяет принять меры до появления ощутимых симптомов усталости или выгорания. Это открывает путь к созданию интеллектуальных систем раннего предупреждения, интегрированных в повседневную профессиональную практику.

Разработка, несмотря на свою технологическую сложность, отличается умеренной стоимостью: около 200 долларов за базовое устройство и примерно 20 долларов за каждый одноразовый датчик. В сравнении с традиционными системами ЭЭГ, цена которых может доходить до 15 тысяч долларов, электронная татуировка выглядит крайне перспективной и доступной альтернативой.

Другие интересные новости:

▪ Новый рекорд скорости для электрокаров

▪ Телефон с проектором

▪ На орбиту запущен телескоп James Webb

▪ Игровой монитор Acer Predator X34

▪ Солнечный тандем

Лента новостей науки и техники, новинок электроники

 

Интересные материалы Бесплатной технической библиотеки:

▪ раздел сайта Параметры, аналоги, маркировка радиодеталей. Подборка статей

▪ статья Краткость - сестра таланта. Крылатое выражение

▪ статья Известный портрет какого президента лишь на 1/8 списан с него самого? Подробный ответ

▪ статья Маточное кровотечение. Медицинская помощь

▪ статья Помехоподавляющий фильтр для автомагнитолы. Энциклопедия радиоэлектроники и электротехники

▪ статья Выбор проводников по нагреву, экономической плотности тока и по условиям короны. Допустимые длительные токи для неизолированных проводов и шин. Энциклопедия радиоэлектроники и электротехники

Оставьте свой комментарий к этой статье:

Имя:


E-mail (не обязательно):


Комментарий:





Главная страница | Библиотека | Статьи | Карта сайта | Отзывы о сайте

www.diagram.com.ua

www.diagram.com.ua
2000-2026