Бесплатная техническая библиотека
Ультразвуковая стиральная машинка. Энциклопедия радиоэлектроники и электротехники

Энциклопедия радиоэлектроники и электротехники / Дом, приусадебное хозяйство, хобби
Комментарии к статье
Внедрение передовых энергосберегающих технологий выдвинуло на передовые рубежи прогресса новое устройство бытового назначения - ультразвуковое стирающее устройство. Стирка ультразвуком происходит за счет периодического формирования в объеме жидкости волн сжатия-разрежения, возникающих в практически несжимаемой среде - воде. Белье, помещенное в такую жидкость, подвергается интенсивному гидроакустическому воздействию. Гидроакустические волны инициируют появление микроскопических пузырьков газа, которые способствуют отделению микрочастиц грязи из объема стираемого белья. При образовании и последующем схлопывании (разрушении) пузырьков газа образуется озон, стерилизующий белье. В ряде случаев, при большой энергии ультразвуковых колебаний, может наблюдаться сонолюминесценция - свечение жидкости, особенно заметное в затемненном помещении.
Преимуществом стирки с использованием ультразвуковых колебаний является то, что белье не деформируется, не истирается и не рвется. Можно стирать даже шерстяные изделия и тонкое белье. Помимо стирки и дезинфекции белья, можно обрабатывать овощи и фрукты, предназначенные для консервации, обеззараживать воду.
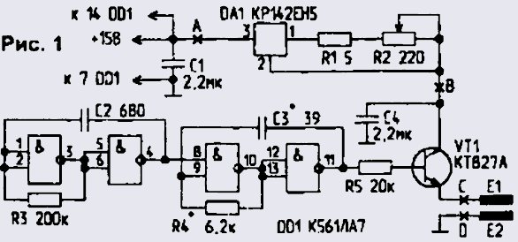
Появившиеся на рынке ультразвуковые стирающие устройства (УЗСУ) типа "Бионика" [1] представляют собой компактный электрический прибор массой 200 г. "Бионика" состоит из сетевого адаптера - источника питания и собственно УЗСУ. Само устройство в целях сохранения "ноу-хау" залито компаундом, и описание его принципиальной схемы и значимых для воспроизведения характеристик не приводится. Однако, имея полученные путем замеров и анализа режимов устройства вторичные характеристики, можно представить одну из возможных схем УЗСУ в следующем виде (рис. 1).

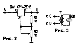
УЗСУ состоит из источника питания (микросхема DA1), двух взаимосвязанных генераторов, работающих на частотах 10 кГц и 1 МГц (микросхема DD1), выходного каскада на транзисторе VT1 и активатора-излучателя, подключаемого к точкам С и D устройства. Источник питания в прототипе выполнен нерегулируемым, рассчитанным на максимальную мощность, потребляемую от сети - 3 Вт, что достаточно для стирки белья в объеме жидкости 10...25 литров. Более целесообразным представляется обеспечить УЗСУ плавной регулировкой выходной мощности. На рис. 1 в разрыв между точками А и В включен регулируемый источник стабилизированного постоянного тока (25...1000 мА). На рис. 2 показана схема регулируемого источника питания (5...13 В). Генератор пакетов импульсов выполнен по традиционной схеме на микросхеме DD1 и особенностей не имеет. Номиналы RC-элементов высокочастотной части генератора могут быть откорректированы при настройке частоты в резонанс с частотой ультразвукового излучателя-активатора. Микросхема DA1 и транзистор VT1 должны быть установлены на теплоотводящих пластинах.

Наиболее проблематичным в практической реализации УЗСУ является выбор ультразвукового излучателя-активатора и обеспечение его гидроизоляции при одновременном достижении максимальной отдачи энергии ультразвуковых колебаний в окружающую среду (жидкость). Обычно в качестве ультразвукового излучателя используют пьезокерамику - титанат бария, стронция, излучатели на ферритовых или пермаллоевых сердечниках, пьезокварцевые пластины (рис. 3) [2-4], что открывает широкое поле для эксперимента. Одним из интересных вариантов получения ультразвуковых колебаний является просто пропускание импульсов электрического тока через воду с использованием системы близко расположенных электродов, подключенных к точкам А и В устройства. Периодическое прохождение импульсов тока между электродами вызовет акустическую электростимулированную модуляцию раствора. В качестве электродов можно рекомендовать алюминий или графит. При стирке должна быть обеспечена надежная развязка от питающей сети. Емкость для стирки (ведро, таз) должны быть удалены от заземленных предметов и установлены на сухом полу. Акустические колебания в стирающем растворе можно возбуждать и в диапазоне звуковых частот. Эксперименты показали, что стирка в таких условиях происходит с приемлемым по сравнению с прототипом результатом.
Особенности стирки с применением УЗСУ - в стирающий раствор засыпают столько же стирающего порошка, как и при ручной стирке, температура воды должна быть порядка 65°С. Белье должно свободно плавать в растворе, изредка его следует помешивать деревянным щипцами. Сильно загрязненные участки белья рекомендуется дополнительно намылить. Процесс стирки длится 30...40 минут или более (в зависимости от КПД ультразвукового активатора). Полоскать белье можно также с использованием УЗСУ. Следует отметить, что опыт оптимального использования УЗСУ появляется после нескольких стирок.
Публикация: cxem.net
Смотрите другие статьи раздела Дом, приусадебное хозяйство, хобби.
Читайте и пишите полезные комментарии к этой статье.
<< Назад
Последние новости науки и техники, новинки электроники:
Дети, растущие рядом с природой, обретают крепкие кости
02.03.2026
Влияние окружающей среды на здоровье человека становится все более очевидным, особенно в детском возрасте. Новое исследование, опубликованное в журнале JAMA Network Open, показывает, что близость к природе напрямую связана с крепостью костей у детей. Ученые установили, что у детей, чьи дома окружены природными территориями в радиусе 1000 метров на 25% больше обычного, риск развития крайне низкой плотности костей снижается на 65%.
Для проведения исследования были проанализированы данные более 300 детей, проживающих в городских, пригородных и сельских районах Фландрии в Бельгии. Плотность костной ткани у детей в возрасте от четырех до шести лет оценивалась с помощью ультразвуковых методов. Такой подход позволил безопасно и точно измерить состояние костей на ранних этапах формирования скелета.
При анализе учитывались ключевые факторы, влияющие на рост и развитие детей: возраст, вес, рост, этническая принадлежность и уровень образования матери. На основании этих параметров исследоват ...>>
Самовосстанавливающаяся инфраструктура будущего
02.03.2026
Современные мосты и бетонные конструкции по всему миру сталкиваются с проблемой устаревания и износа. Многие сооружения, построенные до 1980-х годов, постепенно теряют свою несущую способность, что требует дорогого ремонта или полной замены. Недавние разработки ученых из Швейцарских федеральных лабораторий материаловедения и технологий (Empa) предлагают инновационное решение - систему укрепления бетонных конструкций с помощью "умной стали", способной самостоятельно устранять трещины и повреждения.
В основе новой технологии лежит арматура из сплава на основе железа с эффектом памяти формы (Fe-SMA). Этот материал обладает уникальным свойством: при нагревании до 190-200 °C стержни стремятся вернуться к своей первоначальной конфигурации. В бетонной конструкции это создает внутреннее напряжение, которое затягивает трещины и выравнивает деформированные элементы, существенно повышая прочность и долговечность сооружений.
Актуальность разработки объясняется критическим состоянием инфрастр ...>>
Поцелуи полезны для здоровья
01.03.2026
Вопрос о том, как социальные связи и близость с партнером отражаются на здоровье человека, привлекает внимание не только психологов, но и специалистов в области микробиологии. Новое исследование показывает, что совместное проживание с любимым человеком может оказывать значительное влияние на микробиом кишечника и общее самочувствие.
Доктор Наоми Миддлтон, клинический психологи и эксперт по здоровью кишечника, объяснила, что все аспекты совместной жизни - поцелуи, совместное питание, физическая близость и даже просто пребывание рядом - тесно связаны с поддержанием сбалансированной кишечной микрофлоры. Она подчеркивает, что здоровье экосистемы кишечника во многом определяется социальными взаимодействиями и повседневной близостью с другими людьми.
По словам Миддлтон, длительное совместное пребывание с партнером может способствовать увеличению микробного разнообразия в кишечнике, а также снижать воспалительные процессы, связанные со стрессом. Такой эффект обусловлен тем, что микробио ...>>
Случайная новость из Архива Наноалмазы для светодиодов и полупроводников
17.01.2013
Ученые Томского политехнического университета (ТПУ) первыми в мире нашли способ синтезировать наночастицы алмазов внутри поверхностного слоя других веществ, что в перспективе позволит изменить некоторые свойства металлических изделий и полупроводников, в частности, сделать их прочнее, сообщил в четверг РИА Новости профессор ВУЗа Геннадий Ремнев.
'Мы воздействовали на вещество (кремний) короткими импульсами ионов углерода, в результате чего смогли синтезировать наноразмерные алмазы и частицы карбида кремния в поверхностном слое кремния', - пояснил Ремнев.
Он уточнил, что синтез алмазов таким способом принципиально возможен не только в кремнии, но и в других материалах. Наночастицы алмазов возникают в верхнем слое вещества благодаря высоким температурам и давлению, которыми сопровождается воздействие ионов углерода. По словам ученого, такое изменение, предположительно, позволит сделать некоторые материалы более прочными, например, к истиранию и повысить прочность связи поверхности с алмазной пленкой, которая необходима в некоторых изделиях.
'Сейчас более детально исследуем этот процесс (имплантации углерода), чтобы определить и обосновать возможности этого метода. Возможно, он найдет свое применение в изготовлении светодиодов и вообще в полупроводниковых технологиях', - сказал Ремнев.
Собеседник агентства добавил, что ученые ТПУ начали исследовать воздействие импульсов ионов углерода в режиме короткоимпульсной имплантации в кремний около трех лет назад, а в конце 2012 года получили патент на имплантацию углерода. Кроме того, их разработка включена в '100 лучших изобретений России' по версии Федеральной службы по интеллектуальной собственности РФ.
ТПУ был основан в 1896 году как Томский технологический институт императора Николая II. В состав вуза сегодня входят 11 учебных институтов, три факультета, 100 кафедр, три НИИ, 17 научно-образовательных центров и 68 научно-исследовательских лабораторий. В вузе обучаются 22,3 тысячи студентов, в том числе 224 студента из 31 страны дальнего зарубежья. В 2012 году ВУЗ заработал на научно-исследовательских и опытно-конструкторских работах более 1,4 миллиарда рублей.
|
Другие интересные новости:
▪ Пчелы прочно держат пыльцу
▪ Раскрыт секрет адаптации колорадских жуков
▪ Шея - слабое место футболиста
▪ Разработан метод спонтанного обучения мемристорных нейросетей
▪ Пеленгатор Saab Sensor Compact
Лента новостей науки и техники, новинок электроники
Интересные материалы Бесплатной технической библиотеки:
▪ раздел сайта Опыты по физике. Подборка статей
▪ статья Ремонт дверной рамы. Советы домашнему мастеру
▪ статья Почему мы не можем различать цвета в темноте? Подробный ответ
▪ статья Электромонтажник по сигнализации, централизации и блокировке на железнодорожном транспорте и наземных линиях метрополитена. Должностная инструкция
▪ статья Модернизация трансвертера С. Жутяева (144 МГц). Энциклопедия радиоэлектроники и электротехники
▪ статья Результат действий над неизвестным числом. Секрет фокуса
Оставьте свой комментарий к этой статье:
Главная страница | Библиотека | Статьи | Карта сайта | Отзывы о сайте

www.diagram.com.ua
2000-2026