Menu Home

Бесплатная техническая библиотека для любителей и профессионалов Бесплатная техническая библиотека


Любительский металлодетектор. Энциклопедия радиоэлектроники и электротехники

Бесплатная техническая библиотека

Энциклопедия радиоэлектроники и электротехники / Индикаторы, детекторы, металлоискатели

Комментарии к статье Комментарии к статье

Разработанный мною металлодетектор пока не применялся ни в миротворческих операциях по выявлению и обезвреживанию минных полей, ни в крупномасштабных геологических или археологических изысканиях. Рассчитанный не на профессионалов, а на любителей, чье желание "заглянуть под землю" способна удовлетворить конструкция с параметрами, приведенными в таблице, он представляет собой улучшенный вариант "металлоискателя на биениях".

Чувствительность у прибора повышена за счет выгодного использования (четкой фиксации) зависимости длительности зондирующего импульса от интенсивности самих посылок с введением в поисковый генератор автоматической подстройки частоты (АПЧ). Причем дополнительных мер для стабилизации напряжения и температурной компенсации электронных блоков не потребовалось.

А предсказываемые скептиками "непримиримые противоречия" (мол, изменение частоты у поискового колебательного контура при попадании металла в рабочую зону несовместимо с нормальным функционированием системы АПЧ) разрешила сама практика. Оказалось, что при перемещении датчика над исследуемой поверхностью со скоростью 0,5 - 1 м/с схема прибора вовсе не вступает в конфликт с автоподстройкой частоты, имеющей значительную инерционность (большую постоянную времени).

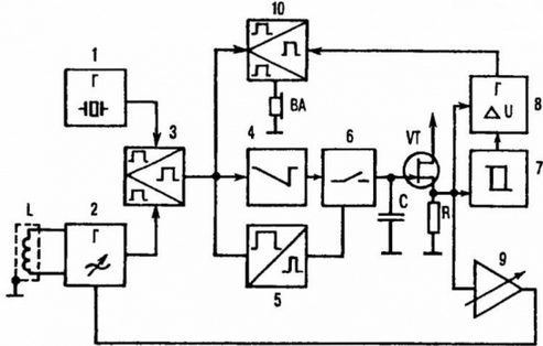
Уже из анализа блок-схемы видно, что изготовить такой прибор заведомо сложнее, чем любой из прежних менее чувствительных аналогов, включая металлоискатели, опубликованные в № 8’85 и 4'96 журнала "Моделист-конструктор". Ведь у предлагаемой мною разработки, помимо стандартного набора из образцового кварцевого (1) и измерительного (2) генераторов, выносной катушки индуктивности I. (поисковой рамки-датчика), смесителя (3) и звукового регистратора ВА (телефонного капсюля), - налицо новые, существенно улучшающие эксплуатационные характеристики, устройства. Это и интегратор (4), вырабатывающий пилообразный сигнал с амплитудой, пропорциональной управляющей частоте биений, и формирователь импульса записи (5), который совместно с ключом (6) и истоковым повторителем VТ представляют собой аналоговое запоминающее устройство, фиксирующее пиковое напряжение с интегратора.

Не обходится металлодетектор без компаратора (7), обеспечивающего автоматический перевод электроники из зоны максимальной чувствительности в область регистрации биений "один к одному" (и наоборот), без специального генератора ГУН (8), преобразующего напряжение, сформированное на истоковом повторителе, в электрические колебания частотой 200-8000 Гц, а также без упомянутой выше оригинальной системы автоподстройки частоты АПЧ (9) с особым узлом, замедляющим реакцию прибора на чрезмерно резкое изменение управляющего напряжения. Имеется здесь и ряд других технических решений, среди которых, конечно же, нельзя не выделить "операционник" и спецсмеситель (10).

Основные параметры металлодетектора

  • Габариты печатной платы, мм................... 90x70x2
  • Напряжение электропитания, В ................ 9
  • Потребляемый прибором ток, мА.............. 6

Глубина обнаружения стальных предметов в черноземе при устоявшейся сухой погоде, мм

  • а) диск 10x2 мм..............100
  • б) Диск 100x20 мм.............680
  • в) диск 500x100 мм (канализационный люк)........1400

Как показывает практика, именно такой состав устройств при выбранном способе формирования звукового сигнала позволяет прослушивать обе частоты одновременно, существенно облегчая начальную настройку прибора на определенную чувствительность. И надежность обеспечивается достаточно высокая. Даже в экстремальной ситуации, когда, скажем, поисковая рамка-датчик приближается к массивному металлическому предмету на расстояние, при котором разностная частота становится почти критической (70 Гц), сбоев в работе не возникает - в головных телефонах слышна только изменяющаяся частота биений.

Теперь о частностях, нашедших свое отражение на принципиальной электрической схеме. Образцовый генератор выполнен на элементе DD1.1. Его частота стабилизирована кварцевым резонатором ZQ1, включенным в цепь положительной обратной связи. Для обеспечения возбуждения генератора при включении питания служит резистор R1. Имеющийся здесь же буферный элемент DD1.2 разгружает генератор, а также формирует сигнал с цифровыми уровнями. Резистор R2 определяет степень нагрузки и максимум мощности, рассеиваемой на кварцевом резонаторе.

Данный генератор может работать практически с любыми резонаторами при токе потребления 500-800 мкА. А идущий за ним делитель частоты на два (элемент DD2.1) формирует сигнал с симметричным меандром, необходимый для нормальной работы смесителя.

Измерительный генератор собран по схеме несимметричного мультивибратора (транзисторы VT1 и VT2). Выход на режим самовозбуждения обеспечивает цепь положительной обратной связи на конденсаторе С7. Частотозадающими элементами служат C3 - С5, VD1 и поисковая катушка-датчик L1. Причем генерация осуществляется в пределах от 500 кГц до 700 кГц, в зависимости от имеющегося кварцевого резонатора.

Любительский металлодетектор
Рис. 1. Блок-схема металлодетектора

Любительский металлодетектор
Рис. 2. Эпюры напряжений и токов в контрольных точках прибора

Любительский металлодетектор
Рис. 3. Принципиальная электрическая схема металлодетектора (нажмите для увеличения)

Такой важный параметр, как кратковременная нестабильность, у данного генератора невелик. Уход частоты за первые 10 с сразу после включения питания составляет не более 0,7 Гц (а через каждые 30 мин -до 20 Гц), хотя для нормальной работы прибора считается приемлемым даже 1 Гц за 1 мин (без АПЧ).

Выдаваемый измерительным генератором синусоидальный сигнал, имея амплитуду 1-1,2 В, поступает через разделительный конденсатор С9 на триггер DD3.2, который формирует прямоугольные импульсы с цифровыми уровнями и скважностью 2. R5R6 - делитель, необходимый для нормальной работы этого участка схемы. Ну a DD3.3 выполняет роль буферного каскада. Сигнал с него подается на смеситель (Т-триггер DD2.2). Туда же поступает частота от делителя образцового генератора.

Особенности работы DD2.2 таковы, что если на входы С и D этого логического элемента приходят две импульсные последовательности, близкие по частоте, то на выходах формируется сигнал разностной частоты со строго симметричным меандром. Причем все, снимаемое с вывода 12 смесителя, имеет форму, представленную на рисунке 2а.

Прямой, а также задержанный (рис. 2б) проинвертированный (благодаря цепи R8C11 и элементу DD4.2) сигналы суммируются на ключе DD5.1, выполняющем роль логического И/ИЛИ с формированием коротких положительных импульсов записи (рис. 2в) для работы аналогового запоминающего устройства (DD5.2, С13, VT3). Но это еще не все. Снимаемый с выхода DD4.2 сигнал приходит на интегратор, выполненный по классической схеме с использованием VD2, R10 - R11, DA1, С12. Резистор R11 ограничивает ток перезаряда конденсатора С12, разгружая выход элемента DD4.2.

Проинтегрированный сигнал (рис. 2г) через ключ DD5.2, которым управляют импульсы с DD5.1, подается на запоминающую емкость С13, где формируется и до нового цикла записи удерживается с высокой точностью напряжение, равное пиковому значению того, что поступает от интегратора (рис. 2д). Конденсатор С14 сглаживает эффект типа "ступенька", который может возникнуть при резкой смене частот биений (рис. 2е).

С истокового повторителя сигнал поступает на компаратор DD4.3, ГУН (генератор, управляемый напряжением) и в цепь петли АПЧ. Делитель R21R22 совместно с R23 и R24 обратной связи сужают диапазон управляющего напряжения до амплитуды 1,2 В. Операционный усилитель DA2 сравнивает полученное с тем, что задано делителем R26R29, и формирует напряжение управления аарикапом VD1.

Резистором R26 можно устанавливать начальную точку захвата АПЧ (чувствительность) грубо, a R27 - точно. Более того, при перемещении движка R26 в сторону крайнего (верхнего либо нижнего по схеме) положения легко выходить из зоны захвата АПЧ (±300 Гц), осуществляя режим с частотой биений "один к одному", что делает работу с прибором более гибкой.

Для уяснения особенностей функционирования узла, замедляющего реакцию АПЧ на резкое изменение частоты биений, предположим, что на базе транзистора VT4 имеется, к примеру, некоторое установившееся Uб. Допустим также, что в какой-то момент происходит резкое изменение частоты биений и, соответственно, напряжения на С14. Исправная схема нашего ме-таллодетектора обязательно отзовется на такую "вводную" адекватным отклонением Uб транзистора VT4 от прежнего значения (благодаря большим номиналам R19, R20 и С16). А вот ответом на плавное изменение частоты биений непременно будет реакция в виде медленного изменения названных напряжений.

Когда в зону чувствительности поисковой рамки-датчика попадает металлический предмет и находится там относительно долго, на базе VT4 устанавливается напряжение, которого обычно хватает для возврата на заданный частотный режим. Но при резком отводе датчика в сторону ситуация изменяется, U6 транзистора VT4 не сможет быстро вернуться на предыдущий уровень. То есть создаются условия для перехода через "0" (возникновения положительной обратной связи). Чтобы последнее исключить, введено шунтирование R19 диодом VD3, через который происходит быстрый разряд емкости С16 (возврат U6 на установленный уровень).

Фактически АПЧ имеет (в зависимости от того, в какую сторону происходит изменение частоты биений) две постоянные времени. А так как особое выполнение датчика практически нивелирует влияние ферромагнитных свойств обнаруживаемых предметов на увеличение fпоискового генератора, то и АПЧ, и прибор в целом работают во всех режимах весьма корректно. ГУН (DD4.4, и R18, С15) преобразует напряжение, изменяющееся с частотой биений, в частоту. А настроенный с помощью делителя R16R17 компаратор DD4.3 разрешает ему это делать в зоне максимальной чувствительности, когда fбиений= 0-70 Гц.

Частота ГУН поступает на вход А смесителя (ключ DD5.4). На вход СО приходят от логического элемента DD4.1 и разностная fбиений, и сформированный дифференцирующей цепью C10R9 (для лучшего звучания головных телефонов, уменьшения потребляемой мощности) короткий отрицательный импульс. В результате на выходе смесителя присутствует или промодулированная fбиений частота ГУН, или только частота биений. Причем переход с одного режима на другой схема выполняет автоматически. Переменный резистор R30 служит нагрузкой и регулятором громкости, а совмещенный с ним SA1 - выключателем электропитания.

Использование микросхем серии КМОП, операционных усилителей, работающих в микротоковом режиме, позволило сократить ток потребления до уровня 6 мА, сделав приемлемым использование батареи "Крона" в качестве источника электропитания.

Как и другие аналоги, почти весь металлодетектор смонтирован на печатной плате из односторонне фольгированного стеклотекстолита. Поисковый генератор помещен в экранирующую коробку из жести. За габариты платы вынесены лишь регулировочные сопротивления R26, R27, R30, гнезда подключения источника питания и головных телефонов, а также рамка-датчик.

Технология и тщательность изготовления рамки-датчика настолько важны для работоспособности всего металлодетектора, что требуют, видимо, более детального изложения. В качестве основы здесь использован жгут, составленный из одиннадцати 1100-мм отрезков провода ПЭВ2-1.2. Плотно обернув слоем изоленты, его втискивают в алюминиевую трубку, имеющую внутренний диаметр 10 мм и длину 960 мм. Полученной заготовке придают форму прямоугольной рамки 300x200 мм с закругленными углами.

Конец первого из проводов, помещенных в алюминиевом корпусе - электростатическом экране, последовательно припаивают к началу второго и так далее до образования своеобразной 11-витковой катушки индуктивности. Спайки изолируют друг от друга бумажной лентой и заливают эпоксидной смолой, исключая при этом появление короткозамкнутого витка за счет самой согнутой в рамку трубки.

Желательно здесь же предусмотреть любой закрытый высокочастотный разъем и подходящее (не металлическое) крепление для штанги-рукоятки, в качестве которой можно использовать одну-две секции от разборного удилища. Кабель, соединяющий рамку с блоком, лучше использовать коаксиальный, телевизионный, например, РК75.

Дроссель 1_2 поискового генератора (обозначение здесь и далее - согласно рис. 1 и в соответствии с принципиальной электрической схемой металлодетектора, опубликованной в предыдущем номере журнала) имеет 450 витков провода ПЭЛ 1-0,01. Намотка - внавал на каркасе диаметром 4 и длиной 15 мм с ферромагнитным сердечником М600НН (можно применить подходящую контурную катушку от старого радиоприемника). Индуктивность такого дросселя 1 - 1,2 мГн.

В приборе использованы конденсаторы КСО или КТК (C3, С4, С5), КЛС или КМ (С1, С2, С6 - С13, С15), К50-6 или К53-1 (С14, С16, С17). Есть выбор и резисторов. В частности, для "подстроечников" R26, R27 подойдут СП5-2 или СП-3. То же самое можно сказать о переменном R30, только он должен быть совмещен с выключателем.

Все остальные резисторы - МЛТ-0,125 (ВС-0,125).

Любительский металлодетектор
Топология печатной платы (нажмите для увеличения)

Любительский металлодетектор
Установочные размеры

Любительский металлодетектор
Прибор, видящий сквозь землю

Цифровые МС можно заменить аналогами из хорошо зарекомендовавшей себя серии К176. DD1, DDЗ-любые из того же ряда, лишь бы содержали требуемое количество инверторов.

Допускают замену и транзисторы. В качестве VТ1 и VТ2, например, подойдут КПЗ0ЗБ (-Ж). На месте \/ТЗ приемлем КПЗ0З или КП305 (буквенный индекс в конце наименования в данном случае роли не играет), а КТ3102Г (VТ4)заменит КТ3102Е.

Кварц - из тех, что рассчитаны на 1,0- 1,4 мГц. Выбор головных телефонов тоже не ограничен. Как свидетельствует практика, вполне подойдут ТОН-1 илиТОН-2. Варикап Д901 можно заменить на Д902. Диоды VD2 и VD3 - КД522 (КД523) с любым буквенным индексом.

Для настройки собранного прибора потребуются осциллограф и... аккуратность в работе. Тщательно осмотрев весь монтаж, на схему подают электропитание. Затем проверяют ток потребления, который у правильно выполненной работоспособной конструкции должен составлять 5,5 - 6,5 мА. При выходе за указанные значения ищут и устраняют ошибки в пайке и г.д.

В функционировании образцового генератора убеждаются по наличию на выводе 1 микросхемы DD2 частоты, равной 0,5fкварцевого резонатора со скважностью 2. Потом переходят к "поисковику" В контрольную точку на печатной плате, где сходятся R3 и С8, подают половину напряжения питания, отсоединив при этом выход микросхемы DА2. И осциллографом, подключенным к стоку транзистора VT2, проверяют амплитуду выходного напряжения. Она должна быть от 1 В до 1,2 В. Если отклонение превышает 0,1 В. корректируют число витков в дросселе L2.

А с помощью конденсаторов С3 и С4 выставляют оптимальную частоту сигнала, равную 0,5fкварца . Причем сам датчик должен располагаться не ближе двух метров от металлических предметов. При необходимости, подбирая R5, стремятся получить симметричный выходной сигнал на выводе 9 микросхемы DD3 (при этом смеситель должен выдавать сигнал разностной частоты с меандром, равным 2). Затем, установив изменением напряжения на варикапе частоту биений, равную 8 - 9 Гц, замеряют сигнал на выводе 6 интегратора DA1 - он должен быть "на грани ограничения снизу". Соответствующую же корректировку осуществляют подбором номинала у резистора R10.

Присоединив осциллограф к истоку транзистора VT3, проверяют изменение уровня напряжения в зависимости от частоты биений. Резисторами R16 и R17 добиваются, чтобы логический ноль на выходе компаратора (вывод 10 микросхемы DD4) появлялся только тогда, когда fбиений станет выше 70 Гц.

ГУН подстраивают с помощью резистора R15 так, чтобы генератор начинал работать, когда сигнал интегратора "выходил из ограничения снизу". В дальнейшем это существенно упростит корректировку прибора перед работой, так как минимальная частота ГУН и будет соответствовать настройке металлодетектора на максимальную чувствительность.

Восстановив на печатной плате специально отпаянное ранее соединение R3 и С8 с DA2, переходят к заключительному этапу отладки прибора. Движок "подстроечника" R26 поворачивают в крайнее("плюсовое") положение, что будет соответствовать максимальной частоте биений(причем fпоискового генератора> f образцового). Затем, медленно вращая движок в обратную сторону, начинают контролировать сигнал на выводе 6 DA1. Замечают, как (при определенном положении движка R26) на экране осциллографа вырисовывается момент попадания сигнала в зону захвата АПЧ.

Продолжая поворот ручки подстроечного резистора 1327, добиваются частоты биений, равной 10 Гц, одновременно проверяя работу АПЧ (по стремлению сигнала вернуться в исходное состояние).

Движки резисторов 1326, 1327 необходимо перемещать медленно, учитывая большую инерционность АПЧ. При этом в головных телефонах будут прослушиваться минимальная частота ГУН и слабые щелчки с f,биений. В некоторых 1

случаях может возникнуть эффект "плавания" звука относительно некоторого фиксированного состояния. В этом случае необходимо более точно подобрать соотношение резисторов R23, R24 или уменьшить номиналы 1319, R20.

Как уже отмечалось, электронную часть металлодетектора (а это почти и есть весь прибор) можно смонтировать в любом подходящем корпусе, закрепленном на ручке. Необходимо позаботиться, чтобы поисковая рамка-датчик, а также соединительные провода были жестко закреплены относительно друг друга. Ведь даже незначительные вибрации этих деталей, возникающие при передвижении оператора, способны породить ложный сигнал (особенно при максимальной чувствительности схемы и недостаточном опыте работы с прибором). По той же причине лопатку следует носить за спиной штыком вверх (подальше от рамки-датчика). А металлические наконечники на шнурках ботинок оператора вообще недопустимы. Привносимые ими помехи грозят свести на нет все усилия сверхчуткого прибора отыскать в земле то, с чем она столь неохотно расстается.

Работа с металлодетекгором мало чем отличается от действий с современным ручным миноискателем. Конечно же, столь точным приборам нужна юстировка. В нашем конкретном случае - это поворот движка подстроечного резистора R26 в крайнее ("плюсовое") положение, а R27 - в среднее. Подав на аппаратуру электропитание, вращают ручку регулировки R26 в противоположную сторону до появления в головных телефонах сигнала ГУН. После этого подстроечным резистором R27 устанавливают требуемую чувствительность. А с помощью R26 произвольно выставляют (при работе с прибором в режиме биений "один к одному") fбиений в пределах 200 -300 Гц.

АПЧ и ГУН, по сути, отключены, поэтому поиск ведут как обычно. Для более четкого определения места расположения мелких предметов рамку-датчик подносят к зоне поиска либо горизонтально (закругленным углом вперед), либо под наклоном 45 - 90° к исследуемой поверхности (с явным позиционным преимуществом одной из боковин рамки).

Автор: Ю.Стафийчук

Смотрите другие статьи раздела Индикаторы, детекторы, металлоискатели.

Читайте и пишите полезные комментарии к этой статье.

<< Назад

Последние новости науки и техники, новинки электроники:

Лабораторная модель прогнозирования землетрясений 30.11.2025

Предсказание землетрясений остается одной из самых сложных задач геофизики. Несмотря на развитие сейсмологии, ученые все еще не могут точно определить момент начала разрушительного движения разломов. Недавние эксперименты американских исследователей открывают новые горизонты: впервые удалось наблюдать микроскопические изменения в контактной зоне разломов, которые предшествуют землетрясению. Группа под руководством Сильвена Барбота обнаружила, что "реальная площадь контакта" - участки, где поверхности разлома действительно соприкасаются - изменяется за миллисекунды до высвобождения накопленной энергии. "Мы открыли окно в сердце механики землетрясений", - отмечает Барбот. Эти изменения позволяют фиксировать этапы зарождения сейсмического события еще до появления традиционных сейсмических волн. Для наблюдений ученые использовали прозрачные акриловые материалы, через которые можно было отслеживать световые изменения в зоне контакта. В ходе искусственного моделирования примерно 30% ко ...>>

Музыка как естественный анальгетик 30.11.2025

Ученые все активнее исследуют немедикаментозные способы облегчения боли. Одним из перспективных направлений становится использование музыки, которая способна воздействовать на эмоциональное состояние и когнитивное восприятие боли. Новое исследование международной группы специалистов демонстрирует, что даже кратковременное прослушивание любимых композиций может значительно снижать болевые ощущения у пациентов с острой болью в спине. В эксперименте участвовали пациенты, обратившиеся за помощью в отделение неотложной помощи с выраженной болью в спине. Им предлагалось на протяжении десяти минут слушать свои любимые музыкальные треки. Уже после этой короткой сессии врачи фиксировали заметное уменьшение интенсивности боли как в состоянии покоя, так и при движениях. Авторы исследования подчеркивают, что музыка не устраняет саму причину боли. Тем не менее, она воздействует на эмоциональный фон пациента, снижает уровень тревожности и отвлекает внимание, что в сумме приводит к субъективном ...>>

Алкоголь может привести к слобоумию 29.11.2025

Проблема влияния алкоголя на стареющий мозг давно вызывает интерес как у врачей, так и у исследователей когнитивного старения. В последние годы стало очевидно, что границы "безопасного" употребления спиртного размываются, и новое крупное исследование, проведенное международной группой ученых, вновь указывает на это. Работы Оксфордского университета, выполненные совместно с исследователями из Йельского и Кембриджского университетов, показывают: даже небольшие дозы алкоголя способны ускорять когнитивный спад. Команда проанализировала данные более чем 500 тысяч участников из британского биобанка и американской Программы миллионов ветеранов. Дополнительно был выполнен метаанализ сорока пяти исследований, в общей сложности включавших сведения о 2,4 миллиона человек. Такой масштаб позволил оценить не только прямую связь между употреблением спиртного и развитием деменции, но и влияние генетической предрасположенности. Один из наиболее тревожных результатов касается людей с повышенным ге ...>>

Случайная новость из Архива

Новый перспективный компонент для изготовления шампуня 28.08.2024

Современная косметическая индустрия активно ищет натуральные компоненты, которые могут заменить синтетические вещества, не уступая им по эффективности. Одним из таких перспективных ингредиентов стал экстракт плодов дерева Sapindus mukurossi, известного благодаря высокому содержанию сапонинов - природных поверхностно-активных веществ. Это дерево, широко распространенное в Южном Китае, уже давно используется для изготовления мыла и моющих средств. Однако традиционные методы экстракции экстракта S. mukurossi (SME) приводят к его потемнению из-за наличия примесей, таких как полифенолы и флавоноиды, что ограничивает его применение в высококачественной косметике.

Группа исследователей из Китая и Германии разработала новый процесс обесцвечивания SME, который позволяет сохранить его полезные свойства, улучшая внешний вид и расширяя возможности его использования в косметической продукции. В основе нового метода лежит адсорбция полифенолов на смоле D301 и окислительное обесцвечивание. Экспериментальные исследования показали, что оптимальные условия для обесцвечивания включают pH 7,8, температуру 73°C и время обработки 5,7 часа с применением 6% перекиси водорода.

Полученный в результате обесцвечивания SME не только сохраняет свои активные свойства, но и демонстрирует стабильность цвета при высоких температурах, что делает его пригодным для использования в различных косметических продуктах. Особое внимание исследователей привлекла его способность эффективно контролировать уровень кожного сала. Клинические испытания шампуня, содержащего 10% обесцвеченного SME, показали значительное снижение уровня себума на коже головы после четырех недель регулярного применения.

Эти результаты открывают новые перспективы для применения обесцвеченного SME в косметической промышленности, особенно в средствах по уходу за волосами и кожей. Благодаря своей натуральности и эффективности, этот компонент может стать важным элементом в составе шампуней и других средств, направленных на поддержание здоровья и чистоты кожи головы.

Другие интересные новости:

▪ Футбольный вирус

▪ Бензопила с микропроцессором

▪ Зеркала на орбите обеспечат круглосуточную работу земных электростанций

▪ Отладочная плата ESP32-DevKitC-V

▪ Ультрабелая краска может заменить кондиционер

Лента новостей науки и техники, новинок электроники

 

Интересные материалы Бесплатной технической библиотеки:

▪ раздел сайта Электронные справочники. Подборка статей

▪ статья Привыкли верить мы, что нам без немцев нет спасенья. Крылатое выражение

▪ статья Кто был первым московским князем? Подробный ответ

▪ статья Фальката японская. Легенды, выращивание, способы применения

▪ статья ГПД для ПЧ 5,5 МГц. Энциклопедия радиоэлектроники и электротехники

▪ статья Электродвигатели и их коммутационные аппараты. Защита асинхронных и синхронных электродвигателей напряжением выше 1 кВ. Энциклопедия радиоэлектроники и электротехники

Оставьте свой комментарий к этой статье:

Имя:


E-mail (не обязательно):


Комментарий:





Главная страница | Библиотека | Статьи | Карта сайта | Отзывы о сайте

www.diagram.com.ua

www.diagram.com.ua
2000-2025