Menu Home

Бесплатная техническая библиотека для любителей и профессионалов Бесплатная техническая библиотека


Стабилизатор напряжения с термокомпенсацией. Энциклопедия радиоэлектроники и электротехники

Бесплатная техническая библиотека

Энциклопедия радиоэлектроники и электротехники / Стабилизаторы напряжения

Комментарии к статье Комментарии к статье

Стабилизатор напряжения является одним из важнейших узлов системы электрооборудования современного автомобиля. По этой причине статьи, посвященные устройству и работе узла, появлялись на страницах журнала "Радио" неоднократно. И асе же, судя по всему, точку на этой теме ставить еще рано...

Наиболее удачные конструкции стабилизатора из опубликованных в "Радио", например, [1; 2], позволяют поддерживать оптимальный заряд аккумуляторной батареи при различной температуре. В статье [3] описан стабилизатор напряжения с широтно-импульсным управлением, отличающийся от подобных постоянством рабочей частоты.

Вместе с очевидными достоинствами указанных устройств им присущ и существенный недостаток - значительная мощность собственных потерь. В предлагаемом мною варианте стабилизатора мощность потерь снижена в три раза, что позволило исключить проблему отведения тепла от выходных элементов устройства. Для обеспечения максимальной термокомпенсации температурный датчик погружен непосредственно в раствор электролита батареи. Стабилизатор более прост по схеме, но обладает лучшей стабилизацией напряжения.

Известно, что в "классических" моделях автомобилей ВАЗа из-за относительной удаленности стабилизатора 121.3702 от генератора и батареи точно отслеживать напряжение на зажимах батареи не удается из-за падения напряжения на соединительных проводах, контактах разъемов. Из-за этого стабилизация имеет весьма условный характер. Как показали измерения, нестабильность даже у нового автомобиля может достигать нескольких сотен милливольт.

Предлагаемый вниманию читателей стабилизатор предназначен для установки взамен узла 121.3702 и имеет следующие основные технические характеристики:

  • Интервал рабочей температуры,°С......-40...+80
  • Ток, потребляемый устройством, мА, не более......50
  • Ток, потребляемый измерительным элементом, мА, не более .....6
  • Нестабильность напряжения в рабочем интервале изменения нагрузки и частоты вращения коленчатого вала двигателя, мВ......±20
  • Размах пульсаций зарядного напряжения, мВ......100

При разработке стабилизатора учтены идеи, предложенные в [1-3], а также опыт эксплуатации автомобиля в различных погодных условиях.

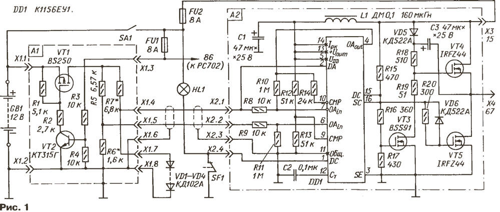
Принципиальная схема устройства изображена на рис. 1. Функционально оно состоит из двух частей - измерительной А1 и регулирующей А2. Плату с измерительной частью монтируют вблизи аккумуляторной батареи, а с регулирующей - на месте прежнего стабилизатора.

Стабилизатор напряжения с термокомпенсацией
(нажмите для увеличения)

При замыкании контактов SA1 открывается электронный коммутатор, роль которого исполняет полевой транзистор VT1, и подключает к аккумуляторной батарее GB1 датчики напряжения и температуры, образующие мостовой измерительный элемент. Датчик напряжения представляет собой резистивный делитель R5R6, а датчик температуры - последовательная цепь диодов VD1-VD4.

Сигнал, снимаемый с диагонали моста, поступает на вход дифференциального усилителя. Усиленный сигнал преобразуется в импульсную последовательность с переменной скважностью, пропорциональной уровню сигнала. Частоту импульсов определяет вспомогательный генератор пилообразного напряжения. Далее сигнал после усиления по току поступает на выходной коммутатор.

Основным звеном стабилизатора является широтно-импульсный контроллер DD1, в состав которого входят упомянутые дифференциальный усилитель, генератор, преобразователь и усилитель тока. Применение двухтактного синхронного коммутатора, выполненного на полевых транзисторах VT3-VT5, позволяет значительно уменьшить мощность потерь.

В обычной системе электрооборудования при включении зажигания через обмотку возбуждения генератора начинает протекать ток и, если запуск двигателя по тем или иным причинам отложен, происходит бесполезный расход энергии на ее нагревание. Для устранения этого недостатка в описываемый стабилизатор введено блокирующее устройство, электрически связанное с датчиком давления масла. Иначе говоря, пока двигатель не вышел на рабочий режим (и на щитке приборов включена индикаторная лампа "Нет давления масла"), ток в обмотку возбуждения не поступает.

В исходном состоянии контакты замка зажигания SA1 разомкнуты, а контакты датчика давления масла SF1 замкнуты. Коммутатор VT1 закрыт. При включении зажигания открываются транзисторы VT2 и VT1, напряжение с аккумуляторной батареи GB1 поступает к датчикам напряжения и температуры. Применение для коммутатора полевого транзистора с индуцируемым каналом обусловлено, во-первых, простотой управления открыванием - закрыванием, во-вторых, отсутствием остаточного напряжения, характерного для биполярных транзисторов, и, в-третьих, малым сопротивлением открытого канала.

Одновременно на приборном щитке автомобиля включается контрольная лампа HL1, указывающая на отсутствие давления масла. Ток, определяемый резистором R7, через диоды VD1-VD4 пока не протекает, так как замыкается через внутренний диод контроллера DD1, включенный между выводами 1 и 2, и замкнутые контакты SF1 на общий провод. Описание принципа работы контроллера К1156ЕУ1 и его электрические параметры здесь опущены, но с ними можно ознакомиться в [4; 5], поскольку он является аналогом известного контроллера uA78S40 фирмы Motorola.

Поскольку на неинвертирующем входе (вывод 6) внутреннего ОУ микросхемы DD1, включенного дифференциальным усилителем, напряжение больше, чем на инвертирующем (вывод 7), на его выходе ОАout (вывод 4) присутствует высокий уровень. На неинвертирующий вход СМР (вывод 9) компаратора с делителя R12R13 подано напряжение смещения, равное половине питающего, а поскольку на инвертирующем входе (вывод 10) высокий уровень, на выходе компаратора напряжение близко к нулю.

Логика работы контроллера такова, что, если на выходе компаратора низкий уровень, запрещено включение внутреннего выходного транзистора усилителя тока. Этот усилитель имеет несимметричный выход, а для правильной работы синхронного коммутатора необходимо парафазное управление. С этой целью в стабилизатор введен фазоинвертор на полевом транзисторе VT3.

Делитель напряжения R15-R17 обеспечивает открывание транзисторов VT3, VT5, a VT4 закрыт, поскольку падение напряжения на резисторе R19 не превышает напряжения отсечки. Конденсатор C3 вольтодобавки заряжен током через диод VD5 и транзистор VT5 до питающего напряжения.

После запуска двигателя размыкаются контакты SF1 датчика давления масла и гаснет лампа HL1. Ток через внутренний диод контроллера DD1 (выводы 1 и 2) прерывается и начинает течь через датчик температуры VD1 - VD4, на нем устанавливается напряжение, пропорциональное температуре электролита. С этого момента напряжение на диагонали измерительного моста меняет знак, в связи с чем напряжение на выходе OAout контроллера становится меньшим половины питающего напряжения, компаратор переключается в состояние высокого уровня, включается усилитель тока.

В результате закрываются транзисторы VT3 и VT5, причем закрывание транзистора VT5 происходит ускоренно благодаря диоду VD6. Напряжение с заряженного конденсатора C3 через резистор R18 поступает на затвор транзистора VT4 в открывающей полярности, что приводит к его открыванию.

Фактически напряжение на затворе транзистора VT4 в установившемся режиме приблизительно равно удвоенному напряжению питания. В этом состоянии транзистор остается некоторое время tвкл определяемое емкостью конденсатора С2 [4; 5]: tвкл = 25·103 С2, где tвкл - в микросекундах, С2 - в микрофарадах.

Для надежной работы транзистора VT4 необходимо, чтобы постоянная времени цепи разрядки tразр3 конденсатора C3 удовлетворяла условию: tразр3 = (R18 + R19)-C3 >> tвкл Нужно отметить, что дозаряжается этот конденсатор в рабочем режиме через нагрузку (обмотку возбуждения). Соотношение времени открытого и закрытого состояния на выходе контроллера внутренне ограничено и равно приблизительно 9:1. Поэтому через определенное время усилитель тока закрывается, а транзистор VT3 открывается. Транзистор VT4 выключается и включается VT5. На этом цикл (период) коммутации заканчивается. Длительность открытого и закрытого состояния транзисторов VT4 и VT5 выбрана такой, чтобы сквозной ток был минимальным.

Поскольку за один период коммутации ток в обмотке возбуждения генератора не достигает необходимого значения, то контроллер работает с указанной скважностью несколько тактов. Ток в обмотке и напряжение на батарее увеличиваются. Как только напряжение в измерительной диагонали моста приблизится к нулю, контроллер, изменяя скважность, будет поддерживать это состояние. Реально, учитывая инерционность системы (индуктивность обмотки возбуждения и т. д.) и сдвиг по фазе, форма зарядного напряжения имеет трапецеидальную форму.

На рис. 2 представлены для сравнения семейства характеристик собственных потерь автомобильного промышленного стабилизатора 121.3702 и описанного выше. Графики показывают, что у стабилизатора с ШИ управлением мощность потерь Рпот меньше и постоянна во всем интервале изменения нагрузки Рн и частоты вращения коленчатого вала N двигателя. Соответственно выше и его КПД. Очевиден и выигрыш в энергетике по сравнению с [1; 2]. Все сказанное подтверждает целесообразность применения синхронного коммутатора на полевых транзисторах.

Стабилизатор напряжения с термокомпенсацией

В устройстве применены прецизионные резисторы R5-R11 С2-29В, С2-14 и др. с ТКС не хуже ±200-10-6 °С-1. Допустимо вместо R5 и R6 применить подстроечный резистор СП5-1В или подобный; остальные резисторы - общего назначения. Конденсаторы С1, C3 - К50-35, С2 - К73-17. Дроссель L1 - ДМ0.1 индуктивностью"!60 мкГн.

Полевой транзистор BS250 может быть заменен любым другим р-канальным транзистором с изолированным затвором и сопротивлением открытого канала не более 10 Ом. Вместо BSS91 подойдет любой n-канальный полевой транзистор средней мощности с изолированным затвором и сопротивлением канала не более 20 Ом. Мощные n-канальные транзисторы VT4, VT5 должны иметь сопротивление канала не более 0,03 Ом и рабочее напряжение затвор-исток не менее 20 В. Удобнее всего использовать транзисторы в малогабаритных корпусах DPAK (ТО-252), например, MTD3302 фирмы Motorola. Диоды КД102А можно заменить на КД103 с любым буквенным индексом.

Вместо К1156ЕУ1 подойдет контроллер КР1156ЕУ1, если не предполагается эксплуатировать автомобиль при температуре ниже -15 °С.

Конструктивно измерительная и регулирующая части собраны на двух монтажных платах, соединения выполнены проводом МГТФ 0,07. Для цепей с большим током использован монтажный провод сечением не менее 0,75 мм2. Платы соединены между собой двухпроводным гибким кабелем РВШЭ1 в экранирующей оплетке; провода свиты в шнур. Такой же шнур, но без оплетки, использован для соединения измерительной части с батареей аккумуляторов. Измерительную плату надо поместить в подходящую металлическую коробку.

Конструкция датчика температуры в общем не отличается от описанной в [2]. Колба с диодами изготовлена из полиэтиленовой оболочки кабеля. Диоды погружены в теплопроводящую пасту КПТ-8 для лучшей передачи тепла от стенок внутрь к диодам. На проводники (витая пара) с натягом надета полиэтиленовая трубка меньшего диаметра. Паяльником, прогретым до температуры плавления полиэтилена, заранее заваривают дно колбы. В последнюю очередь заваривают место соединения колбы и трубки кабеля. Герметичность швов должна быть высокой, так как колба в работе будет погружена в электролит батареи.

Для налаживания стабилизатора напряжения потребуются источник постоянного тока с регулируемым от 10 до 15 В выходным напряжением при токе нагрузки до 3 А, вольтметр постоянного тока класса точности не хуже 0,1, нагрузочный резистор сопротивлением 5 Ом. Параллельно источнику необходимо подключить оксидный конденсатор емкостью не менее 10000 мкФ. Временно резистор R6 заменяют переменным, имеющим сопротивление 3 кОм, а вывод 1 контроллера соединяют с общим проводом.

Сначала от источника питания подают напряжение 15 В и контролируют потребляемый устройством ток - он не должен превышать 50 мА. Размыкают временное соединение вывода 1 с общим проводом и уменьшают напряжение питания до 13,6 В. Переменным резистором R6 добиваются появления на выходах DC и SC контроллера импульсной последовательности, а на выходе стабилизатора - инвертированной последовательности импульсов с амплитудой, равной напряжению питания. Транзистор VT4 не должен нагреваться.

Окончательно налаживают стабилизатор после его установки на автомобиль. Датчик температуры через отверстие в пробке одной из средних банок аккумуляторной батареи погружают в раствор электролита. Подключают все цепи согласно схеме, включают зажигание и убеждаются в отсутствии напряжения на выходе стабилизатора.

Запускают двигатель, и на холостом ходу с выключенными потребителями устанавливают переменным резистором R6 зарядное напряжение на батарее в соответствии с рекомендациями [1]. Если автомобиль длительное время не работал, можно считать значения температуры окружающего воздуха и электролита равными. После установки напряжения переменный резистор R6 заменяют постоянным.

Изменяя частоту вращения коленчатого вала двигателя и нагрузку генератора, контролируют нестабильность зарядного напряжения; она должна быть не хуже ±0,02 В. При езде в зимних условиях иногда может потребоваться уточнить номинал резистора R7. Необходимо помнить, что после корректировки резистора R7 необходимо вновь подобрать R6.

Для эффективной работы стабилизатора и продления срока службы аккумуляторной батареи желательно, во-первых, уравнять плотность электролита во всех банках до ±0,01 г/см3, причем плотность должна соответствовать климатической зоне [6], во-вторых, периодически протирать крышку батареи слабым водным раствором нашатыря (10%) для предотвращения утечки тока через загрязнения, в-третьих, оклеить корпус батареи по периметру, если он имеет черный цвет, алюминиевой "фольгой (например, клеем "Квинтол" или "Момент") - это позволит понизить температуру электролита на 5... 10 °С, что особенно актуально летом.

За трехлетний период эксплуатации стабилизатора на автомобиле ВАЗ 2106 замечаний в его работе не отмечено, электролит в батарее не кипел, доливать воду необходимости не было. При ежегодном техническом осмотре батареи я проверяю плотность электролита и зарядное напряжение.

Литература

  1. Ломанович В. Термокомпенсированный регулятор напряжения. - Радио, 1985, № 5, с. 24-27.
  2. Бирюков С. Простой термокомпенсированный регулятор напряжения. - Радио, 1994, № 6, с. 27, 28.
  3. Тышкевич Е. Широтно импульсный регулятор напряжения. - Радио, 1984, № 6, с. 27, 28.
  4. CD-ROM. Электронные компоненты фирмы "MOTOROLA", версия 1.0. - "ДОДЭКА". 1998 г.
  5. Микросхемы для импульсных источников питания. - "ДОДЭКА", 1998.
  6. Батареи аккумуляторные свинцовые стартерные. Инструкция по эксплуатации. ЖУИЦ.563410.001 ИЭ.

Автор: В.Хромов, г.Красноярск

Смотрите другие статьи раздела Стабилизаторы напряжения.

Читайте и пишите полезные комментарии к этой статье.

<< Назад

Последние новости науки и техники, новинки электроники:

Лабораторная модель прогнозирования землетрясений 30.11.2025

Предсказание землетрясений остается одной из самых сложных задач геофизики. Несмотря на развитие сейсмологии, ученые все еще не могут точно определить момент начала разрушительного движения разломов. Недавние эксперименты американских исследователей открывают новые горизонты: впервые удалось наблюдать микроскопические изменения в контактной зоне разломов, которые предшествуют землетрясению. Группа под руководством Сильвена Барбота обнаружила, что "реальная площадь контакта" - участки, где поверхности разлома действительно соприкасаются - изменяется за миллисекунды до высвобождения накопленной энергии. "Мы открыли окно в сердце механики землетрясений", - отмечает Барбот. Эти изменения позволяют фиксировать этапы зарождения сейсмического события еще до появления традиционных сейсмических волн. Для наблюдений ученые использовали прозрачные акриловые материалы, через которые можно было отслеживать световые изменения в зоне контакта. В ходе искусственного моделирования примерно 30% ко ...>>

Музыка как естественный анальгетик 30.11.2025

Ученые все активнее исследуют немедикаментозные способы облегчения боли. Одним из перспективных направлений становится использование музыки, которая способна воздействовать на эмоциональное состояние и когнитивное восприятие боли. Новое исследование международной группы специалистов демонстрирует, что даже кратковременное прослушивание любимых композиций может значительно снижать болевые ощущения у пациентов с острой болью в спине. В эксперименте участвовали пациенты, обратившиеся за помощью в отделение неотложной помощи с выраженной болью в спине. Им предлагалось на протяжении десяти минут слушать свои любимые музыкальные треки. Уже после этой короткой сессии врачи фиксировали заметное уменьшение интенсивности боли как в состоянии покоя, так и при движениях. Авторы исследования подчеркивают, что музыка не устраняет саму причину боли. Тем не менее, она воздействует на эмоциональный фон пациента, снижает уровень тревожности и отвлекает внимание, что в сумме приводит к субъективном ...>>

Алкоголь может привести к слобоумию 29.11.2025

Проблема влияния алкоголя на стареющий мозг давно вызывает интерес как у врачей, так и у исследователей когнитивного старения. В последние годы стало очевидно, что границы "безопасного" употребления спиртного размываются, и новое крупное исследование, проведенное международной группой ученых, вновь указывает на это. Работы Оксфордского университета, выполненные совместно с исследователями из Йельского и Кембриджского университетов, показывают: даже небольшие дозы алкоголя способны ускорять когнитивный спад. Команда проанализировала данные более чем 500 тысяч участников из британского биобанка и американской Программы миллионов ветеранов. Дополнительно был выполнен метаанализ сорока пяти исследований, в общей сложности включавших сведения о 2,4 миллиона человек. Такой масштаб позволил оценить не только прямую связь между употреблением спиртного и развитием деменции, но и влияние генетической предрасположенности. Один из наиболее тревожных результатов касается людей с повышенным ге ...>>

Случайная новость из Архива

Полезные свойства моркови для кожи и организма 24.07.2024

Морковь уже давно известна своей пользой для зрения и является популярным продуктом среди миллионов людей. Однако недавние исследования показали, что ее положительное влияние простирается далеко за пределы улучшения зрительного аппарата.

Научное исследование, представленное на конференции NUTRITION 2024, подтвердило, что морковь не только улучшает зрение, но и оказывает значительное положительное влияние на здоровье кожи. Употребление моркови может повысить уровень каротиноидов в организме, что помогает избежать множества кожных проблем.

Ученые доказали, что морковь является не только полезным продуктом для зрения, но и мощным средством для улучшения состояния кожи и общего здоровья организма. Регулярное употребление моркови может повысить уровень каротиноидов в коже, обеспечивая защиту от различных кожных проблем и способствуя общему оздоровлению.

Каротиноиды - это пигменты, содержащиеся в различных фруктах и овощах. Они известны своей способностью улучшать антиоксидантную защиту организма и снижать риск хронических заболеваний, таких как рак и болезни сердца. Мэри Харпер Симмонс, магистр наук в области питания Семфордского университета и ведущий автор исследования, отметила, что даже небольшие изменения в рационе, такие как добавление моркови, могут принести заметную пользу для здоровья.

В эксперименте приняли участие 60 молодых людей, которых разделили на группы. В течение четырех недель одна группа употребляла дольки яблока, другая - 100 граммов детской моркови, третья - мультивитаминную добавку, содержащую бета-каротин, а четвертая - сочетание детской моркови и добавки. Уровень каротиноидов в коже измеряли с помощью прибора VeggieMeter.

Результаты научной работы показали, что у участников, употреблявших детскую морковь, уровень каротиноидов в коже увеличился на 10%, а у тех, кто также принимал мультивитамины, этот показатель вырос на 21,6%. В контрольной группе, употреблявшей яблоки, и в группе, принимавшей только добавку, значительного изменения уровня каротиноидов не наблюдалось. Эти данные свидетельствуют о том, что употребление цельных продуктов, таких как морковь, может быть более эффективным, чем употребление только добавок.

Исследовательская группа также предположила, что другие питательные вещества, содержащиеся в моркови, могут способствовать улучшению состояния кожи. Это может быть связано с тем, что питательные вещества из цельных продуктов усваиваются организмом лучше, чем из добавок.

Включение моркови в рацион вместе с мультивитаминами, содержащими бета-каротин, может быть простой и эффективной стратегией для улучшения состояния кожи и предотвращения различных кожных проблем. Это исследование подчеркивает важность сбалансированного питания и показывает, что даже небольшие изменения в рационе могут существенно улучшить здоровье.

Другие интересные новости:

▪ Комаров отучат пить кровь

▪ Профессиональная видеокамера Canon EOS C200

▪ Робот в муравейнике

▪ SEAGATE автоматически зашифрует все содержимое жесткого диска

▪ Суперпозиция электронного состояния изменила свойства тормозного излучения

Лента новостей науки и техники, новинок электроники

 

Интересные материалы Бесплатной технической библиотеки:

▪ раздел сайта История техники, технологии, предметов вокруг нас. Подборка статей

▪ статья Из мухи делать слона. Крылатое выражение

▪ статья Какой президент обещал никогда не извиняться за свою страну, несмотря ни на какие факты? Подробный ответ

▪ статья Электромонтер осветительных и силовых сетей. Типовая инструкция по охране труда

▪ статья Ждущий мультивибратор. Энциклопедия радиоэлектроники и электротехники

▪ статья Зарядное устройство 5...10000 мАч. Энциклопедия радиоэлектроники и электротехники

Оставьте свой комментарий к этой статье:

Имя:


E-mail (не обязательно):


Комментарий:





Главная страница | Библиотека | Статьи | Карта сайта | Отзывы о сайте

www.diagram.com.ua

www.diagram.com.ua
2000-2025