Menu Home

Бесплатная техническая библиотека для любителей и профессионалов Бесплатная техническая библиотека


Стабилизация частоты ГПД. Энциклопедия радиоэлектроники и электротехники

Бесплатная техническая библиотека

Энциклопедия радиоэлектроники и электротехники / Узлы радиолюбительской техники. Генераторы, гетеродины

Комментарии к статье Комментарии к статье

Пожалуй, самым ответственным узлом в трансивере является ГПД, который определяет стабильность частоты и шумовые характеристики. Настоящая статья является попыткой в популярной форме изложить то, что прекрасно описано в учебнике [1].

При этом весь математический аппарат опущен, чтобы не пугать неподготовленных читателей формулами и векторными диаграммами.

Нестабильность частоты автогенераторов имеет много причин. Условно можно поделить все причины нестабильности на два направления:

  • причины, которые влияют на частоту настройки задающего контура;
  • причины, которые влияют на частоту из-за изменения режима активного элемента.

Самой простой причиной первого направления является механическая непрочность конструкции. Следующая очевидная причина того же направления - температурная нестабильность. Нагрев деталей автогенератора вызывает изменения индуктивности и емкости. Например нагрев катушки, намотанной медным проводом на керамическом каркасе, вызывает расширение меди, увеличение длины провода, увеличение диаметра намотки. Это влечет за собой увеличение индуктивности и понижение частоты. Такой же нагрев катушки, намотанной на фторопластовом каркасе, вызывает увеличение диаметра витков, но из-за чрезмерно большого линейного расширения фторопласта катушка растягивается в длину настолько сильно, что с лихвой перекрывает увеличение диаметра, и в итоге индуктивность не увеличивается, а уменьшается, и частота повышается. По этой причине фторопласт совершенно непригоден для высокостабильных контуров.

Магнитная проницаемость большинства ферромагнитных материалов при нагреве увеличивается. Увеличиваются при нагреве и емкости варикапов. Емкость конденсаторов при нагреве может как увеличиваться, так и уменьшаться - в зависимости от материалов обкладок и диэлектрика. Иногда (к сожалению, не всегда) на конденсаторах пишут величину температурного коэффициента емкости (ТКЕ), который показывает, на сколько миллионных долей изменяется емкость конденсатора при его нагреве на 1°С. Знак изменения (минус или плюс) обозначается буквами "М" или "П".

Обозначение М750 означает, что при нагреве на каждый градус емкость уменьшается на 750х10-6. Обозначение П33 означает увеличение при нагреве на каждый градус на 33х10-6. Если конденсатор с ТКЕ М750 имел при номинальной температуре емкость 1500 пФ, то при его дополнительном нагреве на 20°С емкость станет равной 1500-1500x750xl0-6x20 =1500-22,5=1477,5 пФ. Если автогенератор работал например на частоте 500 кГци его частота определялась только этим конденсатором, то отклонение частоты при этом составит 3,79 кГц, что явно много.

Радикальным методом в этом случае является термостатирование. Но более простым и дешевым - выбор деталей с наименьшими температурными отклонениями. Так называемая термокомпенсация позволяет уменьшить до некоторых пределов температурную нестабильность, но не позволяет устранить ее полностью. Здесь две причины. Во-первых, контур ГПД является перестраиваемым, и процентное соотношение постоянных и переменных конденсаторов при перестройке меняется. Поэтому компенсация, достигнутая на одной частоте, на другой частоте нарушается. Во-вторых, изменения емкостей и индуктивностей при нагреве происходят по разным законам. Поэтому компенсация, достигнутая при нагреве на 10°С, нарушится, если мы нагреем генератор еще на 10°С.

В качестве деталей для ГПД можно рекомендовать катушки, намотанные нагретым при намотке посеребренным проводом на ребристом керамическом каркасе. Конденсаторы можно использовать КМ5 (пятислойные, малогабаритные) с ТКЕ М47 или М75. Если для настройки ГПД применяются варикапы, то ТКЕ конденсаторов должен быть еще больше, т.к. ТКЕ варикапов положительны и в зависимости от смещения (т.е. от частоты настройки) изменяются от 70...80х10'6 при больших напряжениях до 500х10"6 при малых. Поэтому недопустимо использовать варикапы при напряжении смещения менее 8...9 В. Если емкости варикапов недостаточно для данного контура, необходимо либо использовать варикапы с большими емкостями (например KB 105), либо ставить по два-три варикапа в параллель. Автор не рекомендует использовать катушки с вожженным серебром. Да, они имеют хорошую температурную стабильность, но... невысокую добротность. А добротность важнее.

Следующей причиной, воздействующей на частоту контура, является нестабильность паразитных емкостей активных элементов, которые подключаются к контуру и служат составными частями его емкости. Во время работы эти паразитные емкости изменяются, и напрямую уводят частоту контура. Рассматривавшиеся ранее температурные уходы частоты происходят медленно, их можно подкорректировать по цифровой шкале либо компенсировать. Влияние же нестабильности паразитных емкостей происходит быстро, чаще всего в такт с модуляцией, и сопровождается характерными искажениями сигнала. Паразитные межэлектродные емкости в транзисторах представляют собой обычные барьерные емкости p-n переходов, перестраивающиеся при изменении приложенного к ним напряжения. Влияние паразитных емкостей можно в той или иной мере уменьшить, но не устранить совсем.

Для уменьшения их влияния надо добиваться, чтобы процентное содержание паразитных емкостей в общей емкости контура было по возможности меньшим, чтобы на фоне большой общей емкости контура несколько пикофарад паразитных емкостей имели меньшее влияние. Здесь, правда, существуют два ограничения. Во-первых, слишком большая емкость при малой индуктивности ведет к снижению добротности контура. Во-вторых, слишком большая постоянная емкость требует пропорционального увеличения переменной емкости, иначе не будут обеспечиваться пределы перестройки контура. В любом случае нельзя делать ГПД на почти одних только паразитных емкостях, как это сделано в [2], где в контуре на 1,8...7 МГц применен варикап КВС111 с малой емкостью. И чтобы получить перестройку, автор применил большую индуктивность и маленькую постоянную емкость. При этом паразитная входная емкость транзистора составила 20%(!!) от обшей емкости контура. Паразитные емкости мало влияли бы на частоту, если бы напряжения питания и режим работы генератора были идеально стабильными, что реально недостижимо.

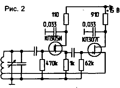
Одним из методов, решающих в той или иной мере проблему, является применение развязывающих каскадов между контуром ГПД и активным элементом. На рис.1 приведена простейшая схема индуктивной трехточки, а на рис.2 - трехточки с добавлением развязывающего истокового повторителя.

Стабилизация частоты ГПД
Рис.1

Разность напряжений "между затвором и истоком в 10 раз меньше, чем само входное напряжение. А если разность напряжений мала, то через входную емкость повторителя течет переменный ток в 10 раз меньше, что эквивалентно уменьшению в 10 раз входной емкости.

Стабилизация частоты ГПД

Но это еще не все. Повторитель (рис.2) имеет глубокую ООС по постоянному току. Когда напряжение питания меняется, ток в транзисторе меняется во много раз меньше, чем он изменялся бы без истокового резистора, т.е. паразитные емкости более стабильны.

В первом случае (рис.1) генерирующий транзистор берет ток для создания автоматического смещения от контура, ухудшая его добротность. Во втором случае (рис.2) этот ток берется из повторителя и на добротности не сказывается. Из-за большого усиления по мощности исток генерирующего транзистора подключен к меньшей части витков контура (1/10...1/20) и меньше влияет на контур. Лучшие результаты получаются, если в качестве повторителя используется полевой транзистор с левой характеристикой, без подачи на затвор смещения. Можно рекомендовать КП305И. Параметры схемы должны выбираться так, чтобы повторитель передавал амплитуду колебаний или без искажений, или с равномерным ограничением сверху и снизу. Есть еще один механизм дестабилизации частоты, не столь очевидный. Автогенератор работает непрерывно за счет того, что его высокодобротный контур "звенит" и поддерживает колебания. Энергия же в контуре пополняется толчками только при пиках положительных полуволн на затворе.

Для стабильной работы в генераторе необходимо поддерживать баланс амплитуд и баланс фаз. Первое требует, чтобы за каждый период колебания в контуре пополнялось энергии столько, сколько ее из контура расходуется (на затворные токи, потери в конденсаторах и резисторах, излучение в окружающее пространство). Этот баланс поддерживается за счет автоматического смещения. Как только амплитуда колебаний чуть уменьшается, уменьшается и смещение, транзистор приоткрывается чуть больше, и порции подкачивающей энергии возрастают. И наоборот.

Второе требует, чтобы подкачивающие импульсы тока приходили в контур строго в такт с существующими колебаниями - не раньше и не позже. Баланс фаз тоже поддерживается автоматически, но понять этот процесс сложнее. Для простоты опишем его в случае автогенератора на вакуумном триоде. При открывании лампы пачка электронов начинает двигаться от катода к аноду. Тока в анодной цепи в это время нет. Импульс тока пойдет по анодной цепи только после того как пачка электронов достигнет анода. За это, в общем-то, ничтожное время фаза колебания на контуре изменится, и подталкивающий импульс тока будет отставать от импульса напряжения на сетке. Это отставание выражается в фазовом угле в несколько градусов. Это так называемый угол крутизны (не путать с крутизной вольт-амперной характеристики!). Угол крутизны, показывающий величину запаздывания сигнала, зависит от расстояния между электродами и скорости движения электронов, которая, в свою очередь, зависит от величины анодного напряжения.

Итак, импульсы попадают в контур с опозданием. Как же генератор приспосабливается к этому? Оказывается, он генерирует не точно на частоте контура, а чуть ниже этой частоты.

Если через колебательный контур протекает переменный ток, то напряжение на контуре точно совпадает по фазе с током в одном случае: когда ток находится точно в резонансе с частотой контура. Во всех остальных случаях напряжение на контуре либо опережает ток, либо отстает от него. Так вот, автогенератор автоматически выбирает такую частоту, при которой напряжение на контуре опережает подкачивающие импульсы тока точно на такую величину, которую затем задерживает лампа. Известно, что высокодобротный контур очень резко реагирует на отклонения частоты. Очень малое отклонение частоты вызывает большие отклонения фазы. Соответственно, чтобы компенсировать задержку фазы в лампе, генератору достаточно лишь чуть-чуть отойти от резонансной частоты контура. Если анодное напряжение изменилось, то изменилась и задержка в лампе. Генератор перейдет на другую частоту, при которой опять соблюдался бы баланс фаз. Сдвиг частоты будет незначительным, если добротность контура высокая. При низкодобротном контуре генератору для компенсации такой же задержки надо изменить частоту значительно сильнее.

Задержки сигнала существуют не только в лампах, но и в транзисторах, и в микросхемах. Только там их физика не столь очевидна. Таким образом, изменяя режим работы лампы или транзистора, мы можем менять частоту генерации, это даже используется для частотной модуляции. Но что делать, если не только не можем, но и не хотим - а частота "плавает"! Во-первых, следует по возможности стабилизировать питание, а во-вторых, использовать колебательный контур максимально возможной добротности, для чего катушку мотать достаточно толстым посеребренным проводом на ребристом каркасе из радиофарфора или полистирола. Если каркас не имеет принудительной насечки, то мотать надо обязательно с подогревом провода от понижающего трансформатора. После охлаждения провод дает усадку и плотно облегает каркас, фиксируя витки.

Покрытие катушки с этой целью лаками, красками, и т.п. совершенно недопустимо. Если автогенератор работает на частотах выше 10 МГц, то элементы контура не следует паять в печатную плату. Применяющиеся в контуре конденсаторы и варикапы следует паять непосредственно на концы катушки, без дополнительных монтажных проводов. Если частота генерации высокая - и паразитные емкости транзистора неизбежно составляют значительную часть емкости контура, то и сам транзистор надо паять на катушку навесным монтажом. В-третьих, необходимо использовать для ГПД транзисторы с минимальными паразитными емкостями. Часто для предотвращения самовозбуждения автогенератора на УКВ применяют антипаразитные резисторы в цепи затвора или базы. Наряду с демпфированием паразитных колебаний, они снижают добротность основного контура. Поэтому резисторы, даже если они схемой предусмотрены, сначала ставить не нужно. Если паразитные колебания все же возникают, то необходимо поискать другие пути их устранения, а если это не даст эффекта, то только тогда поставить антипаразитный резистор минимальной величины, начиная с нескольких Ом. Паразитное возбуждение на УКВ не только создает дополнительные каналы приема и паразитного излучения, но и нарушает стабильность основной генерации. Паразитный контур может иметь низкую добротность, паразитные колебания при этом имеют неустойчивую амплитуду. Режим автогенератора непрерывно меняется, вызывая изменения основной частоты и приводя в недоумение своих создателей.

Нестабильность частоты может быть вызвана так называемым "затягиванием". Если автогенератор плохо экранирован, то при передаче на контур воздействуют большие наводки, которые, складываясь с основными колебаниями, приводят в полный беспорядок фазу на входе транзистора. Соответственно начинает "гулять" частота генерации. Меры борьбы - экранирование. развязки по питанию и соблюдение диаграммы уровней, при которой амплитуда собственных колебаний во много раз превосходила бы амплитуду наводок.

Мне могут возразить, что многое из сказанного здесь нс так уж и важно. Ведь работают же трансиверы, у которых ГПД сделан вопреки многим высказанным здесь мыслям. Да, работают. Но как? Возьмите тот или иной ГПД, измените напряжение питания на 10% и посмотрите сдвиг частоты по частотомеру. Конечно, при реальной работе оно изменяется не на 10%, а гораздо меньше, но так удобнее для большей наглядности. Тогда вы увидите все свои промахи - какую нестабильность частоты дает покрытие катушки лаком, сколько дает распайка конденсаторов и варикапов на печатную плату и т.д.

Генератор с высокой электронной стабильностью частоты имеет соответственно и малые фазовые шумы. Это не относится, однако, к случаю, когда стабильность достигнута с помощью цифровой шкалы и ЦАПЧ, а не хорошей схемой самого ГПД.

Литература

  1. Дробов С., Бычков С. Радиопередающее устройство. - М.: Советское радио,1969.
  2. Зирюкин Ю. (EU3AS). ГПД трехдиапазонного трансивера. - Радиолюбитель. KB и УКВ, 1996, №7.

Автор: Г.Гончар (EW3LB), г.Барановичи; Публикация: Н. Большаков, rf.atnn.ru

Смотрите другие статьи раздела Узлы радиолюбительской техники. Генераторы, гетеродины.

Читайте и пишите полезные комментарии к этой статье.

<< Назад

Последние новости науки и техники, новинки электроники:

Власть является ключевым фактором счастья в отношениях 11.03.2026

Исследования семейных и романтических отношений показывают, что длительное счастье пары зависит не только от привычных факторов, таких как доверие, уважение и преданность, но и от более тонких психологических аспектов. Современные ученые ищут закономерности, которые отличают действительно счастливые пары от остальных, чтобы понять, какие механизмы поддерживают гармонию в отношениях. Группа исследователей из Университета Мартина Лютера в Галле-Виттенберге и Бамбергского университета провела опрос среди 181 пары, которые состояли в совместных отношениях более восьми лет и прожили вместе хотя бы месяц. Участники заполняли анкету, описывая различные аспекты своих отношений, включая распределение обязанностей, эмоциональную поддержку и степень вовлеченности в совместные решения. Анализ данных показал интересный паттерн: пары, где оба партнера ощущали высокий уровень личной власти, оказывались наиболее счастливыми и удовлетворенными. В данном контексте под властью понимается способност ...>>

Защищенная колонка-повербанк Anker Soundcore Boom Go 3i 11.03.2026

Компания Anker представила новую модель линейки Soundcore - колонку Soundcore Boom Go 3i, ориентированную на активное использование на улице. Новинка отличается высокой степенью защиты: корпус соответствует стандарту IP68, что обеспечивает водо- и пыленепроницаемость, а ударопрочный дизайн выдерживает падение с высоты до одного метра. За качество звука отвечает 15-ваттный драйвер, обеспечивающий пик громкости до 92 дБ, а технология BassUp 2.0 усиливает низкие частоты, делая звучание более насыщенным. Колонка обладает автономностью до 24 часов, а LED-индикатор позволяет контролировать уровень заряда батареи. Кроме того, Soundcore Boom Go 3i может выполнять функцию павербанка: согласно внутренним тестам, устройство способно зарядить iPhone 17 с нуля до 40% за один час, что делает его полезным аксессуаром в походах и поездках. Среди функциональных особенностей модели стоит выделить технологию Auracast, которая улучшает подключение и позволяет создавать стереопару из двух колонок ...>>

Раннее воздержание от алкоголя перестраивает мозг и иммунитет 10.03.2026

Алкогольная зависимость - хроническое расстройство с компульсивным употреблением спиртного, которое влияет не только на поведение, но и на функционирование мозга и иммунной системы. Недавние исследования показали, что даже на ранних этапах воздержания организм начинает перестраиваться, открывая новые возможности для терапии зависимости. Ученые сосредоточились на пациентах, находящихся в первые недели абстиненции, и зафиксировали значительные изменения в мозговой активности. С помощью функциональной магнитно-резонансной томографии они выявили перестройку сетей нейронных связей, отвечающих за контроль импульсов и принятие решений. Эти изменения могут быть ключевыми для восстановления самоконтроля и снижения риска рецидива. Одновременно с нейронной перестройкой исследователи наблюдали колебания иммунной системы. В крови повышался уровень цитокинов - сигнальных белков, регулирующих воспалительные процессы. Эти данные свидетельствуют о существовании нейроиммунного взаимодействия, при ...>>

Случайная новость из Архива

Плащ-невидимка выравнивает магнитные поля 05.04.2012

Европейские исследователи из Словакии и Испании создали устройство, которое позволяет скрыть статическое магнитное поле объекта. Изобретение может найти широкое применение в военном деле и медицине.

Устройство представляет собой постоянный магнит и катушку, к которой подводится ток. Прибор состоит из двухслойного полого цилиндра. Внутренний слой сделан из сверхпроводящего материала, который отталкивает магнитное поле, а внешний слой - из ферромагнетика, который имеет собственное магнитное поле. Когда прибор помещают в магнитное поле, он заставляет силовые магнитные линии огибать полый цилиндр, маскируя все, что находится внутри. Таким образом, все, что находится внутри цилиндра, скрыто от магнитных детекторов.

Устройство позволяет маскировать различные объекты, например предметы, искажающие картинку медицинских томографов или сканеров систем безопасности в аэропортах. Если же увеличить масштаб цилиндра до размера легкого корпуса подлодки, то можно сделать ее невидимой для магнитных детекторов, с помощью которых можно надежно обнаружить даже лежащую на грунте субмарину. В военной сфере новый прибор также может пригодиться для защиты сложного электронного оборудования от помех и электромагнитного оружия.

В медицине подобное устройство особенно полезно, поскольку различные имплантаты, вроде кардиостимуляторов, сильно осложняют сканирование с помощью сканера магнитно-резонансной томографии. В этом плане маскирующий цилиндр - это идеальное средство для защиты от электромагнитных помех.

Новое устройство сделано из коммерчески доступных материалов, оно может работать в сильных магнитных полях и с распространенными охладителями вроде жидкого азота.

Другие интересные новости:

▪ Дешевые микросхемы - генераторы сигналов

▪ 192-ядерный процессор для смартфонов и планшетов

▪ Стабильный теплый светодиод

▪ Энергетические футляры для iPhone 6 и iPhone 6s

▪ Полтора часа музыки в мобильном телефоне

Лента новостей науки и техники, новинок электроники

 

Интересные материалы Бесплатной технической библиотеки:

▪ раздел сайта Микроконтроллеры. Подборка статей

▪ статья Кишмя кишит. Крылатое выражение

▪ статья Какие японские искусства родились в Китае? Подробный ответ

▪ статья Дереза варварская. Легенды, выращивание, способы применения

▪ статья Автоматический выключатель освещения на ИК-лучах. Энциклопедия радиоэлектроники и электротехники

▪ статья Индикатор разряда аккумулятора (батареи питания). Энциклопедия радиоэлектроники и электротехники

Оставьте свой комментарий к этой статье:

Имя:


E-mail (не обязательно):


Комментарий:




Комментарии к статье:

Слава
Полезная статья.


Главная страница | Библиотека | Статьи | Карта сайта | Отзывы о сайте

www.diagram.com.ua

www.diagram.com.ua
2000-2026