Menu Home

Бесплатная техническая библиотека для любителей и профессионалов Бесплатная техническая библиотека


Двухрамочная приемная антенна. Энциклопедия радиоэлектроники и электротехники

Бесплатная техническая библиотека

Энциклопедия радиоэлектроники и электротехники / Антенны УКВ

Комментарии к статье Комментарии к статье

Качество радиоприема в условиях сильных помех во многом зависит от используемой антенны. В публикуемой ниже статье: вниманию читателей предлагается описание антенны, состоящей из двух рамок и позволяющей добиться хорошего приема практически во всем радиовещательном диапазоне.

Рамочная антенна в виде обмотки, расположенной в вертикальной плоскости, широко применяется для пеленгации, вещания, радиосвязи и измерения напряженности поля в диапазоне волн от сверхдлинных до ультракоротких. Однако помехоустойчивый радиоприем на обычную рамочную антенну в любое время суток при сильной радиопомехе затруднен из-за существования так называемой "ночной ошибки" [1]. Происходит это по следующим причинам. Во-первых, помеха, пришедшая под углом к линии горизонта, не может быть подавлена одиночной рамочной антенной столь же эффективно, как помеха, пришедшая в горизонтальном направлении. Во-вторых, подавление помехи уменьшается с ростом вертикального угла ее прихода. Для стабилизации положения плоскости минимального приема и придания минимуму характеристики направленности нулевого значения во всем секторе вертикальных углов прихода волны в радиопеленгации применяют антенну в виде соединенных противофазно [1] разнесенных рамок.

Предлагаемая вниманию читателей антенна с разнесенными рамками предназначена для подключения к экранированному радиоприемнику с чувствительностью не хуже 50 мкВ и имеет следующие технические характеристики: диапазон принимаемых частот- 0,15...24 МГц; азимут прихода волны - 0...360'; вертикальный угол прихода волны - 0...90'; подавление помехи в одиночном и синфазном режимах - 0...30 дБ; подавление помехи в противофазном режиме - не менее 30 дБ; габариты - 710х375х370 мм; масса - 3 кг.

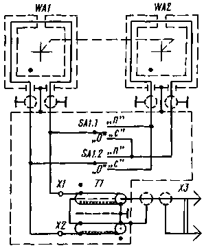
Схема антенны с разнесенными рамками приведена на рис. 1.

Двухрамочная приемная антенна
"Рис.1

Она состоит из двух соосных апериодических одновитковых рамок WA1 и WA2, переключателя режима работы SA1, симметрирующего широкополосного трансформатора Т1 и экранированного кабеля с разъемом ХЗ для подключения к радиоприемнику, В трансформаторе Т1 линии передачи расположены на ферритовом магнитопроводе. В отличие от традиционного трансформатора с магнитной связью между обмотками он обеспечивает электромагнитную связь между этими линиями. Пути токов от входных контактов Х1, Х2 трансформатора Т1 до общей точки на его выходе равны. Трансформатор выбран по справочнику [2]. При этом предпочтение отдано простейшему его варианту с минимальным значением асимметрии и диапазоном рабочих частот не менее приведенного в технических характеристиках антенны. Подключение радиоприемника с симметричным входом к контактам Х1, Х2 симметричного выхода антенны позволяет исключить трансформатор Т1. Все элементы антенны заключены в непрерывный электрический экран от верхних частей рамок до разъема ХЗ. Через разъем ХЗ экранирующая цепь антенны соединяется с экраном радиоприемника. Зазоры экрана в верхних частях рамок предотвращают полное электромагнитное экранирование рамок.

Антенна может работать в одном из трех режимов: одиночном ("0"), синфазном ("С") и противофазном ("П"). В нейтральном положении "0" переключателя SA1 включен одиночный режим. В этом случае работает рамка WA1. При установке переключателя SA1 в положение "С" рамки соединяются синфазно и антенна превращается в двухвитковую рамку. Уровень выходного сигнала такой антенны равен сумме сигналов с выходов рамок WA1, WA2. Синфазный режим используют при воздействии на антенну поверхностной волны помехи, а также при слабом сигнале и в длинноволновой части ее рабочего диапазона. В положении "П" переключателя SA1 включается противофазный режим. Уровень выходного сигнала антенны в этом случае равен разности сигналов с выходов рамок WA1, WA2. Различие уровней выходного сигнала антенны в режимах "С" и "П" уменьшается с увеличением частоты сигнала и пространственного разноса рамок вдоль их общей оси.

В режиме "П" устраняется изменение характеристики направленности антенны для волны, пришедшей под углом к линии горизонта. В результате подавление помехи, пришедшей пространственной волной, оказывается равным подавлению помехи, пришедшей поверхностной волной. Этот режим эффективен при сильных сигналах в коротковолновой части рабочего диапазона антенны. В связи с пониженным уровнем выходного сигнала антенны для реализации пространственной избирательности антенны необходим высокочувствительный экранированный радиоприемник с отключаемой антенной. В режиме "П" направление минимального приема поворачивается вокруг вертикальной оси антенны на 90'. Характеристика направленности антенны становится четырехлепестковой, что также повышает помехоустойчивость приема. В выбранном режиме антенну ориентируют по азимуту до получения максимального отношения сигнал/помеха на выходе радиоприемника.

Двухрамочная приемная антенна
Рис.2

Антенна с разнесенными рамками показана на рис. 2. Она состоит из рамок 1 и 3, расположенных в параллельных плоскостях зеркально относительно пульта управления 2, верхней 4 и нижней 5 траверс, двух шин металлизации 6, двух изоляторов 7 и выходного кабеля. Форму и прочность рамке придает несущая конструкция, изготовленная из тонкостенной стальной трубы диаметром 8 мм. В состав каждой рамки входят две такие трубы, имеющие С-образную форму. Их наружные размеры 350х170 мм. В полостях труб проложен коаксиальный кабель марки РК75-2-11. Наружный проводник каждого кабеля имеет разрыв длиной 20 мм в середине верхней части рамки. Длина разрыва равна зазору между трубами рамки. Внутренний проводник не имеет разрывов до переключателя SA1 на пульте управления. Траверсы изготовлены из дюралюминиевой трубы диаметром 16 мм. Длина верхней траверсы - 670 мм, нижняя состоит из двух частей длиной по 280 мм. В полости труб нижней траверсы проложены кабели от рамок, входящие в дюралюминиевую коробку пульта размерами 210х160х50 мм. Дюралюминиевые шины металлизации размерами 112х22х4 мм закрепляют коробку и соединяют верхнюю траверсу с экранирующими элементами антенны.

Стеклотекстолитовые изоляторы размерами 240х30х4 мм совместно с элементами 1-6 образуют жесткую несущую конструкцию. Для сборки применены дюралюминиевые колодки и крепежные винты М4 и Мб. Геометрическая симметрия, соосность и параллельность рамок с требуемым допуском 0,2" обеспечивается при соблюдении точности расстояний между частями рамок не хуже 1 мм. Рамки можно перемещать вдоль траверс в процессе сборки антенны и юстировки положения рамок. Допустимая разность длин кабелей рамок равна 10 мм.

В качестве переключателя режимов работы на пульте управления использован тумблер П2Т-1 с фиксацией в нейтральном положении.

Широкополосный трансформатор состоит из ферритового (марки М200НН2) магнитопровода в виде трех соосно сложенных колец размерами К32х20х5 мм и двух отрезков кабеля РК75-1-11. Отрезки кабеля намотаны в одном направлении, образуя две обмотки, содержащие по восемь витков каждая. Положение витков зафиксировано полиэтиленовой оправкой диаметром 20 и высотой 16 мм, введенной в полость магнитопровода. На цилиндрической поверхности оправки равномерно расположены 16 пазов. Каждая обмотка занимает восемь пазов оправки, что соответствует половине кольца магнитопровода. Внутренний проводник одного из отрезков не используется. Перед сборкой трансформатора с наружных кромок магнитопровода наждачной бумагой снимают фаску 0,3 мм. Для предотвращения электроконтактных помех радиоприему важно обеспечить постоянство контактов между экранирующими элементами, а также изоляцию экранирующих элементов в тех местах, где контакта не должно быть.

Изготовление антенны возможно с отступлением от приведенного описания. Запас объема коробки пульта допускает исполнение антенны в различных вариантах. От типоразмера, числа колец, марки феррита магнитопровода и числа витков обмоток зависит значение верхней и нижней рабочей частоты трансформатора, а также его конструкция. Допустима магнитная проницаемость феррита не более 200. При меньшем ее значении необходимо увеличить число колец магнитопровода и число витков обмоток трансформатора. Из колец, меньше чем К32х20х5 мм, можно выполнить магнитопровод в виде столба, высота которого ограничена размерами коробки пульта и не должна превышать 180 мм. Трансформатор со столбчатым магнитопроводом высотой 126 мм, собранным из колец К20х12хбмм с магнитной проницаемостью 150...200, может содержать две обмотки по три витка.

Применение симметричных линий из свитых обмоточных проводов упростит конструкцию трансформатора, но вместе с тем и увеличит асимметрию антенной цепи.

Тумблер П2Т-1 заменим переключателем на три положения и два направления. Объем коробки пульта допускает размещение в ней предварительного усилителя с источником питания и элементов настройки рамок в резонанс. Коэффициент шума предварительного усилителя должен быть меньше коэффициента шума радиоприемника. В предельно упрощенной антенне несущую конструкцию допустимо сделать из дерева, а для монтажа использовать экранированный провод, имеющий наружную изоляцию.

Характеристики направленности антенны в горизонтальной плоскости на частотах 8...10 МГц, построенные в полярных координатах и едином масштабе, показаны на рис. 3. Измерения проводились в режиме приема, исключающем помехи работающим радиосредствам. При этом применялся переменный ступенчатый (1 дБ) аттенюатор, имеющий максимальное затухание 63 дБ, экранированный радиоприемник чувствительностью около 10 мкВ с телеграфным гетеродином и отключаемой АРУ, а также индикатор выхода. При использовании радиовещательного приемника с неотключаемой АРУ, применяют калибродинный метод измерения, предложенный в [3]. Для этого к радиоприемнику подключают вспомогательный ("калибрующий") генератор. Если частота генератора попадает в полосу пропускания радиоприемника, а уровень выходного напряжения генератора в 10... 100 раз превышает уровень входного сигнала, то зависимость коэффициента усиления регулируемых каскадов радиоприемника от уровня входного сигнала уменьшается до погрешности индикатора выхода. Совершенство экранирования радиоприемника, а значит, его пригодность к работе с антенной, проверяют по отсутствию приема после отключения встроенной и внешней антенн.

Экран можно изготовить самостоятельно из фольги или другого электропроводного материала. Располагают его на внутренней поверхности футляра радиоприемника. Вокруг встроенной магнитной антенны он не должен образовывать замкнутого витка. В качестве индикатора выхода пригоден вольтметр переменного тока. Роль эталонного сигнала

Двухрамочная приемная антенна
Рис.3

может выполнять излучение любого радиопередатчика, имеющее стабильный уровень и необходимое значение напряженности поля. При измерениях телеграфный гетеродин радиоприемника следует включить, а АРУ выключить. В процессе измерения уровень входного сигнала радиоприемника поддерживают постоянным изменением затухания аттенюатора и контролируют по индикатору выхода. Отсчет уровня сигнала, поступающего от антенны, производят по затуханию аттенюатора.

Помеха, проникающая в радиоприемник через блок питания из питающей сети, приводит к погрешности измерения. По мере снижения отношения уровня входного сигнала радиоприемника к уровню помехи, проникающей в радиоприемник из сети, погрешность растет. Влияние сетевой помехи ослабляют, питая радиоприемник от сети через блок помехозащиты или путем применения автономного источника питания. Рамки юстируют в режиме "П" по максимальному подавлению сигнала, в направлении прихода которого ориентируют ось минимального приема антенны.

Литература

1. Кукес И. С., Старик М. Е. Основы радиопеленгации. - М.: Сов. Радио, 1964, с. 286,290.
2. Лондон С. Е., Томашевич С. В. Справочник по высокочастотным трансформаторным устройствам. - М.: Радио и связь, 1984, с. 100-102.
3. Фрадин А. 3., Рыжов Е. В. Измерения параметров антенно-фидерных устройств. - М.: Связь, 1972, с. 227-229.

Автор: А.Кузьменко, RV4LK, г.Ульяновск; Публикация: Н. Большаков, rf.atnn.ru

Смотрите другие статьи раздела Антенны УКВ.

Читайте и пишите полезные комментарии к этой статье.

<< Назад

Последние новости науки и техники, новинки электроники:

Власть является ключевым фактором счастья в отношениях 11.03.2026

Исследования семейных и романтических отношений показывают, что длительное счастье пары зависит не только от привычных факторов, таких как доверие, уважение и преданность, но и от более тонких психологических аспектов. Современные ученые ищут закономерности, которые отличают действительно счастливые пары от остальных, чтобы понять, какие механизмы поддерживают гармонию в отношениях. Группа исследователей из Университета Мартина Лютера в Галле-Виттенберге и Бамбергского университета провела опрос среди 181 пары, которые состояли в совместных отношениях более восьми лет и прожили вместе хотя бы месяц. Участники заполняли анкету, описывая различные аспекты своих отношений, включая распределение обязанностей, эмоциональную поддержку и степень вовлеченности в совместные решения. Анализ данных показал интересный паттерн: пары, где оба партнера ощущали высокий уровень личной власти, оказывались наиболее счастливыми и удовлетворенными. В данном контексте под властью понимается способност ...>>

Защищенная колонка-повербанк Anker Soundcore Boom Go 3i 11.03.2026

Компания Anker представила новую модель линейки Soundcore - колонку Soundcore Boom Go 3i, ориентированную на активное использование на улице. Новинка отличается высокой степенью защиты: корпус соответствует стандарту IP68, что обеспечивает водо- и пыленепроницаемость, а ударопрочный дизайн выдерживает падение с высоты до одного метра. За качество звука отвечает 15-ваттный драйвер, обеспечивающий пик громкости до 92 дБ, а технология BassUp 2.0 усиливает низкие частоты, делая звучание более насыщенным. Колонка обладает автономностью до 24 часов, а LED-индикатор позволяет контролировать уровень заряда батареи. Кроме того, Soundcore Boom Go 3i может выполнять функцию павербанка: согласно внутренним тестам, устройство способно зарядить iPhone 17 с нуля до 40% за один час, что делает его полезным аксессуаром в походах и поездках. Среди функциональных особенностей модели стоит выделить технологию Auracast, которая улучшает подключение и позволяет создавать стереопару из двух колонок ...>>

Раннее воздержание от алкоголя перестраивает мозг и иммунитет 10.03.2026

Алкогольная зависимость - хроническое расстройство с компульсивным употреблением спиртного, которое влияет не только на поведение, но и на функционирование мозга и иммунной системы. Недавние исследования показали, что даже на ранних этапах воздержания организм начинает перестраиваться, открывая новые возможности для терапии зависимости. Ученые сосредоточились на пациентах, находящихся в первые недели абстиненции, и зафиксировали значительные изменения в мозговой активности. С помощью функциональной магнитно-резонансной томографии они выявили перестройку сетей нейронных связей, отвечающих за контроль импульсов и принятие решений. Эти изменения могут быть ключевыми для восстановления самоконтроля и снижения риска рецидива. Одновременно с нейронной перестройкой исследователи наблюдали колебания иммунной системы. В крови повышался уровень цитокинов - сигнальных белков, регулирующих воспалительные процессы. Эти данные свидетельствуют о существовании нейроиммунного взаимодействия, при ...>>

Случайная новость из Архива

Стиральная машина для людей будущего 23.11.2024

Вопросы здоровья, комфорта и технологий становятся все более важными в современном мире. Японская компания Science Co сделала шаг вперед в этой области, представив инновационное устройство - душевую кабину с искусственным интеллектом под названием Mirai Ningen Sentakuki, что можно перевести как "Стиральная машина для человека будущего". Этот проект не только возрождает идеи прошлого, но и открывает новые горизонты в области заботы о человеке.

Глава Science Co, Ясуаки Аояма, рассказал, что вдохновением для нового устройства стала ультразвуковая ванна компании Sanyo Electric, представленная в 1970 году на выставке в Осаке. По словам Аоямы, его компания стремилась создать современный аналог этой концепции, адаптированный к требованиям времени и оснащенный новейшими технологиями. "Мы хотим, чтобы наша машина стала наследием легендарной выставки 1970 года", - отметил он.

Mirai Ningen Sentakuki внешне напоминает кабину истребителя. Устройство оснащено прозрачной крышкой, которая открывается, чтобы пользователь мог удобно разместиться внутри. Приэтом человек оказывается частично погруженным в горячую воду. Встроенные датчики в сиденье проводят анализ биологических параметров, таких как пульс, чтобы подстроить температуру воды под нужды конкретного пользователя.

Искусственный интеллект играет ключевую роль в этом процессе. Он анализирует состояние человека - расслаблен он или напряжен - и адаптирует не только воду, но и окружающую атмосферу. На внутреннюю поверхность крышки кабины проецируются расслабляющие изображения, что помогает создать ощущение полного отдыха.

Процесс мытья и сушки занимает всего 15 минут, что делает устройство удобным для использования в современном ритме жизни. Это не просто инновация для ухода за телом, но и способ восстановить душевное равновесие за минимальное время.

Science Co планирует впервые представить свое изобретение в павильоне здравоохранения на выставке в Осаке. Посетителям предоставят уникальную возможность лично опробовать устройство. Как заявляет компания, бронирование для участия в демонстрации уже открыто на официальном сайте.

"Мы рассчитываем, что около 1000 человек смогут воспользоваться нашим устройством в рамках выставки", - сообщил Ясуаки Аояма.

Создание Mirai Ningen Sentakuki - яркий пример того, как технологии могут улучшить качество жизни. Вдохновленное прошлым, но устремленное в будущее, это устройство демонстрирует возможности гармоничного сочетания искусственного интеллекта, медицины и комфорта.

Возможно, в ближайшем будущем подобные "умные ванны" станут неотъемлемой частью домов и общественных мест, делая заботу о здоровье и отдыхе еще более доступной и эффективной.

Другие интересные новости:

▪ Коммутаторы PCI Express 5.0

▪ Три типа людей

▪ Электрические скороходы

▪ Отопление солью

▪ Зарядка гаджетов горячей водой

Лента новостей науки и техники, новинок электроники

Интересные материалы Бесплатной технической библиотеки:

▪ раздел сайта Электрику. Подборка статей

▪ статья Мельница. История изобретения и производства

▪ статья Какая олимпийская чемпионка скрыла, что является гермафродитом? Подробный ответ

▪ статья Машинист насосных установок предприятий нефтепродуктообеспечения. Типовая инструкция по охране труда

▪ статья Простой электромузыкальный звонок. Энциклопедия радиоэлектроники и электротехники

▪ статья Чтение мыслей по-цыгански. Секрет фокуса

Оставьте свой комментарий к этой статье:

Имя:


E-mail (не обязательно):


Комментарий:





Главная страница | Библиотека | Статьи | Карта сайта | Отзывы о сайте

www.diagram.com.ua

www.diagram.com.ua
2000-2026