Бесплатная техническая библиотека
Блок питания для трансивера из компьютерного блока питания AT/ATX. Часть 1. Энциклопедия радиоэлектроники и электротехники

Энциклопедия радиоэлектроники и электротехники / Компьютеры
Комментарии к статье
Пошаговая инструкция для переделки компьютерного блока питания для использования с трансивером.
1. Необходимо удалить все детали для -12, -5 и +5 вольт. Я удалил диоды, конденсаторы, обмотки дросселя и нагрузочные резисторы для этих напряжении. Все это занимает много места.
2. Перемотать намоточные узлы для +12 вольт более толстым проводом. Дроссель для +12 вольт я намотал проводом 1.3. На 1 вольт 1.5 витка, то есть 20-21 витка. Можно мотать и в два провода, проводом 0.6. Обмотка должна сильно прилагать к сердечнику. С трансформатором дела обстоят посложнее, его очень сложно разобрать (Залит чем-то китайским, Hi!). Если разберете, попытайтесь намотать его более толстым проводом. Посчитайте витки и намотайте столько же +8-10 витков (У нас иногда в сети бывает 190 вольт).
3. Заменить выпрямительные диоды для +12 вольт на сборку из диодов с барьером Шоттки 30А 45В. Я применил сборку 30CPQ045. (Может быть у других производителей данная сборка называется по другому). Использование отечественных диодов дало неудовлетворительные результаты. - большое падение напряжения. Диоды КД 2998 дали при нагрузке падение около 1.1 вольта.
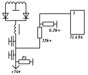
4. Разорвать на плате дорожку, которая шла на первую ножку TL494. Через резисторный делитель подать напряжение на эту первую ножку микросхемы. ( Огромное спасибо А.Ю.Сидельникову 4L1AW ). Этим мы заставляем микросхему отсчитывать нужное нам напряжение +12 вольт. В исходном варианте она отсчитывает суммарное напряжение, где доминирующим является +5 вольт.
5. Подбором номиналов резисторов делителя выставил нужное напряжение на выходе +14 вольт.
Все что я сделал показано на принципиальной схеме ниже на рис. 1. Фотография получившегося блока питания приведена на рис. 2. Источник был испытан в самом жестком режиме. Падение напряжения при 18А составило 0.3В. Как не странно БП работает. Я думаю все легко и просто. А после переделки у вас в наличии окажется легкий и небольшой БП. Если есть предложения или замечания пожалуйста, пишите на мой E-mail.
Автор: Давид Девдариани, 4L1DA, 4l1da@rambler.ru; Публикация: cxem.net
Смотрите другие статьи раздела Компьютеры.
Читайте и пишите полезные комментарии к этой статье.
<< Назад
Последние новости науки и техники, новинки электроники:
Хорошо управляемые луга могут компенсировать выбросы от скота
15.02.2026
Животноводство, особенно разведение крупного рогатого скота, часто обвиняют в значительном вкладе в глобальное потепление из-за мощного парникового газа - метана, который выделяется при пищеварении у жвачных животных. Это вызывает острые политические споры и призывы к сокращению потребления мяса. Однако ученые напоминают, что полная картина климатического воздействия отрасли не ограничивается только выбросами от животных: огромную роль играет окружающая экосистема - пастбища, почва и растительность, которые способны активно поглощать углекислый газ из атмосферы.
Исследователи из Университета Небраски-Линкольна решили глубже изучить этот баланс. Группа под руководством профессора Галена Эриксона сосредоточилась на том, как правильно организованные пастбища накапливают углерод в растениях и грунте благодаря естественным процессам, стимулируемым выпасом скота. Ученые подчеркивают, что при достаточном уровне осадков и грамотном управлении такие луга превращаются в мощные природные погло ...>>
NASA тестирует инновационную технологию крыла
15.02.2026
Коммерческая авиация ежегодно расходует колоссальные объемы керосина, что сказывается не только на бюджете авиакомпаний, но и на состоянии окружающей среды. В 2024 году глобальные затраты на авиационное топливо достигли 291 миллиарда долларов, и эта сумма продолжает расти. Чтобы справиться с этими вызовами, NASA активно работает над технологиями, способными заметно повысить аэродинамическую эффективность самолетов. Одним из самых перспективных направлений стало создание специальной конструкции крыла, которая максимизирует естественный ламинарный поток воздуха и минимизирует сопротивление.
В январе 2026 года специалисты NASA Armstrong Flight Research Center успешно провели важный этап наземных испытаний концепции Crossflow Attenuated Natural Laminar Flow (CATNLF). Для эксперимента под фюзеляж исследовательского самолета F-15B закрепили вертикально ориентированную масштабную модель высотой около 0,9 м (3 фута), напоминающую узкий киль. Такая компоновка позволила подвергнуть прототип р ...>>
Забота о внуках очень полезна для здоровья мозга
14.02.2026
Общение между поколениями приносит радость всей семье, но мало кто задумывается, насколько активно бабушки и дедушки, заботящиеся о внуках, поддерживают свою умственную форму. Регулярное взаимодействие с детьми стимулирует мозг пожилых людей, помогая сохранять память, скорость мышления и общую когнитивную активность.
Новые научные данные подтверждают, что такая добровольная помощь не только важна для общества, но и может замедлять возрастные изменения в мозге.
Исследователи из Тилбургского университета в Нидерландах провели анализ, чтобы понять, приносит ли уход за внуками реальную пользу здоровью пожилых людей. Ведущий автор работы Флавия Черечес отметила, что многие бабушки и дедушки регулярно присматривают за детьми, и оставался открытым вопрос, насколько это положительно сказывается на их собственном благополучии, особенно в плане когнитивных функций.
Ученые поставили цель выяснить, способен ли регулярный уход за внуками замедлить снижение памяти и других умственных способ ...>>
Случайная новость из Архива Электроседан Jiyue 07
12.09.2024
С развитием технологий искусственного интеллекта и автономного вождения автомобильная промышленность выходит на новый уровень. Китайский бренд Jiyue, созданный совместно компаниями Geely и Baidu, представил инновационную модель электрического седана Jiyue 07, которая позиционируется как "умный автомобиль эры искусственного интеллекта". Этот автомобиль впечатляет не только современными технологиями, но и своими характеристиками, обещая задать новый стандарт для электромобилей среднего класса.
С первого взгляда на Jiyue 07 бросается в глаза его оригинальный внешний вид. Электромобиль получил закрытую переднюю решетку и световую полосу, проходящую вдоль капота. Особую узнаваемость автомобилю придают характерные фары и уникальные кнопки открывания дверей, размещенные на стойках B и C. Благодаря тщательно продуманной аэродинамике, коэффициент сопротивления воздуха составляет всего 0,198, что позволяет улучшить как динамику, так и экономичность автомобиля.
Jiyue 07 впечатляет не только своим внешним видом, но и просторным салоном. Автомобиль имеет длину 4953 мм, ширину 1989 мм и высоту 1475 мм, что вместе с колесной базой 3013 мм обеспечивает комфортное пространство для всех пассажиров. Объем багажника составляет 581 литр, а при сложенных задних сиденьях он увеличивается до 1573 литров, что делает машину удобной как для городских поездок, так и для длительных путешествий.
Интерьер выполнен в современном стиле с акцентом на технологические решения. Центральное место занимает огромный 35,6-дюймовый сенсорный экран, который можно использовать как одно целое или разделить на три отдельных сегмента для управления различными функциями автомобиля. Футуристичный руль в виде штурвала и высокоточная навигационная система с картографией на уровне полос добавляют автомобилю передовые черты.
Jiyue 07 доступен в трех вариантах, чтобы удовлетворить разные предпочтения покупателей. Стандартная версия предлагает запас хода до 660 км, версия Long Range увеличивает его до 880 км, а модель Performance, предназначенная для любителей скорости, разгоняется до 100 км/ч за всего 3,5 секунды благодаря двум мощным электромоторам.
Одномоторные версии построены на архитектуре 400 В и оснащены задним двигателем мощностью 200 кВт с крутящим моментом 343 Нм. Для более мощной двухмоторной версии Performance применяется 800-вольтовая система, в которой задний мотор выдает 300 кВт, а передний - 230 кВт, обеспечивая суммарный крутящий момент 653 Нм. Такой подход гарантирует не только высокую производительность, но и отличный контроль на дороге.
Одной из ключевых особенностей Jiyue 07 является система автономного вождения Apollo 2.0, которая обеспечивает поддержку четвертого уровня (L4) автопилота. Это означает, что автомобиль способен самостоятельно передвигаться в большинстве дорожных ситуаций без вмешательства водителя, хотя управление может быть перехвачено в любой момент. Однако, как и в случае с аналогичными системами Tesla, полная реализация этой функции требует подписки, а сама система все еще находится в процессе доработки.
Jiyue 07 представлен в шести ярких цветах, что позволяет каждому покупателю выбрать автомобиль по своему вкусу. Стартовая цена на модель составляет 209900 юаней, что эквивалентно примерно 26,6 тысяч евро. Это делает электроседан Jiyue 07 привлекательным предложением на рынке с точки зрения сочетания цены и инноваций.
Электроседан Jiyue 07 демонстрирует, как современные технологии могут изменить привычные представления о вождении. Комбинация инновационного дизайна, передовых технических характеристик и интеллектуальных систем автономного управления позволяет считать этот автомобиль шагом вперед в эволюции электромобилей. В ближайшем будущем Jiyue 07, без сомнений, сможет стать важным игроком на рынке благодаря своему сочетанию стиля, комфорта и высоких технологий.
|
Другие интересные новости:
▪ Комары перестанут нападать на людей
▪ Сегодня самый депрессивный день в году
▪ Нью-Йоркский музей естественной истории уберет из экспозиции все человеческие останки
▪ Назван самый привлекательный тип женщины
▪ Переводные солнечные панели
Лента новостей науки и техники, новинок электроники
Интересные материалы Бесплатной технической библиотеки:
▪ раздел сайта ВЧ усилители мощности. Подборка статей
▪ статья Это что за остановка, Бологое иль Поповка? Крылатое выражение
▪ статья Самцы каких животных активно помогают самкам съесть себя во время спаривания? Подробный ответ
▪ статья Работник полиграфических организаций. Типовая инструкция по охране труда
▪ статья Черная протрава для железа и стали. Простые рецепты и советы
▪ статья Зарядное устройство к цифровому фотоаппарату. Энциклопедия радиоэлектроники и электротехники
Оставьте свой комментарий к этой статье:
Главная страница | Библиотека | Статьи | Карта сайта | Отзывы о сайте

www.diagram.com.ua
2000-2026