Бесплатная техническая библиотека
Жучок. Энциклопедия радиоэлектроники и электротехники

Энциклопедия радиоэлектроники и электротехники / Охранные устройства и сигнализация объектов
Комментарии к статье
Среди начинающих радиолюбителей очень популярны миниатюрные микромощные радиопередатчики (в простонародье - "жучки"). Ведь если начинающий "паяльщик" услышал свой голос из радиоприемника в соседней комнате, то это значит, что он стал настоящим радиолюбителем.
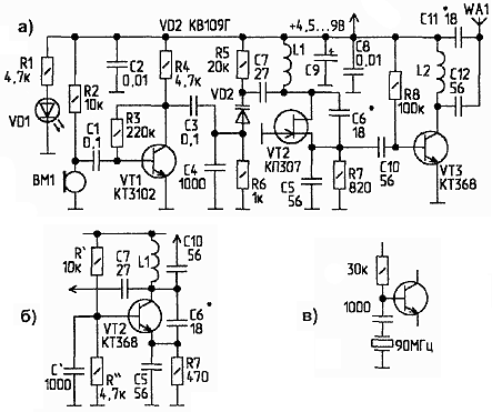
Схема моего "жучка" приведена на рис.1а. Печатная плата для него разработана по размерам спичечного коробка, так что с корпусом проблем нет.
Рис.1. а) Принципиальная схема жучка; б) Генератор Колпитца на биполярном транзисторе;
в) Кварцевая стабилизация
На транзисторе VT1 собран микрофонный усилитель, VT2 образует задающий высокочастотный генератор. Его частота зависит от индуктивности L1 и емкости между электродами сток-затвор VT2. Через R5 на варикап VD2 подается начальное смещение.
Нагрузкой микрофонного усилителя служит R6, с помощью С4 закорачиваются на корпус высокочастотные составляющие. Для увеличения громкости звука следует увеличить емкость конденсаторов С1 и C3. При отсутствии полевого транзистора можно использовать так называемый генератор Колпитца на биполярном транзисторе (рис.1б). Необходимо только добавить элементы, помеченные штрихами, для создания смещения на базе транзистора. Частота этого генератора менее стабильна во времени, поэтому целесообразно подключить последовательно с С' кварцевый резонатор (рис.1 в), при этом R' нужно увеличить до 30 кОм, a R" - убрать.
На транзисторе VT3 (рис. 1а) собран усилитель мощности с коэффициентом усиления около 5...7. Его может и не быть, тогда антенну следует подключить к истоку (или коллектору) VT2, но мощность передатчика при этом снизится и составит около 1...2 мВт.
Конденсатор С11 нужен для нагрузки выходного каскада при использовании короткой антенны (короче 0,5 м). Его емкость должна быть минимально возможной и определяется следующим образом. Настраивают приемник до пропадания шумов и появления специфического свиста ("микрофонного эффекта"). Потом кратковременно касаются пальцем области выводов VT2. В приемнике должен появиться и пропасть шум. Если он не пропал, увеличивают С11.
При настройке касаться пальцами непосредственно корпуса С11 нельзя. Его лучше закрепить в пластинке пенопласта или другого диэлектрика, так чтобы торчали только выводы, и держаться за эту пластинку. При использовании генератора на биполярном транзисторе конденсатор может вообще не понадобиться.
Печатная плата "жучка" на полевом транзисторе приведена на рис.2, на биполярном - на рис.3.
Рис.2. Печатная плата жучка на полевом транзисторе
Рис.3. Печатная плата жучка на биполярном транзисторе
Общим проводом ("-" питания) лучше всего заполнить все пустые места на плате, а при использовании двустороннего стеклотекстолита (что лучше) соединить также с ним и фольгу на внутренней стороне. Антенный провод следует укрепить с помощью хомутика из луженой проволоки. Без этого при случайном рывке за антенну она отрывается вместе с площадкой.
Плата устанавливается в спичечный коробок деталями вверх. Перед этим в трех местах внизу бортика коробка нужно прокрутить отверстия для проводов питания и антенны. Антенна и провода питания загибаются так, чтобы они прошли между дном коробка и крышкой. Наружную сторону крышки желательно оклеить фольгой, а потом провертеть в ней отверстия для светодиода и микрофона, которые должны слегка выступать.
Детали
VT2 - любой полевой высокочастотный (КП302, КПЗ0З, КП307, КП364), VT3 - КТ368. Можно применить КТ3102, но тогда все параметры будут сильно занижены. L1 и L2 содержат по 5...6 (FM) или 8...9 (УКВ) витков провода d0,5 мм, которые наматываются на временной оправке d5 мм.
При наладке грубо настраиваются на частоту с помощью L1, а с помощью L2 - более точно (по максимальной громкости звука в приемнике). Варикап VD2 - любой на емкость 5...15 пФ, вместо него можно впаять 1...3 параллельно соединенных кремниевых диода. Кстати, диоды КД409 отличаются от варикапов тем, что у них на корпусе две выпуклые точки, а у варикапов - одна. Микрофон - МКЭ332, но лучше - от импортных магнитофонов. Антенна - кусок медного провода 30...70 см диаметром не менее 1 мм (чтобы не гнулась). Конденсаторы С1, C3, С10, С12 - желательно, пленочные, С9 - любой электролитический, чем больше его емкость, тем лучше (минимум - 100 мкФ). Резистор R5 - МЛТ-0,1 или импортный с такими же размера ми корпуса (МЛТ-0,125 в плату "не влезет"). Светодиод вместе с R1 можно убрать. Ток потребления "жучка" - 20...30 мА, радиус действия на открытой местности - до 100 м.
Автор: А.Колдунов, г.Гродно; Публикация: radioradar.net
Смотрите другие статьи раздела Охранные устройства и сигнализация объектов.
Читайте и пишите полезные комментарии к этой статье.
<< Назад
Последние новости науки и техники, новинки электроники:
Оптимальная продолжительность сна
12.11.2025
Сон играет ключевую роль в поддержании здоровья, когнитивных функций и общего самочувствия. Несмотря на широко распространенный стереотип о восьмичасовом сне, последние исследования показывают, что оптимальная продолжительность сна для большинства здоровых взрослых ближе к семи часам.
Эволюционный биолог из Гарварда, Дэниел Э. Либерман, утверждает, что традиционная норма восьми часов сна - это скорее культурное наследие индустриальной эпохи, чем биологическая необходимость. По его словам, полевые исследования, проведенные в сообществах, не использующих электричество, показывают, что средняя продолжительность сна составляет 6-7 часов, что значительно отличается от общепринятого стандарта.
Современные эпидемиологические данные подтверждают этот взгляд. Исследования выявили так называемую "U-образную кривую" зависимости между продолжительностью сна и рисками для здоровья. Минимальные показатели заболеваемости и смертности наблюдаются именно у людей, спящих около семи часов в сутки. ...>>
Дефицит кислорода усиливает выброс закиси азота
12.11.2025
Парниковые газы играют ключевую роль в изменении климата, а закись азота (N2O) - один из наиболее опасных среди них. Этот газ не только втрое сильнее углекислого газа в удержании тепла, но и разрушает озоновый слой. Недавнее исследование американских ученых показало, что микробы в зонах с низким содержанием кислорода активно производят N2O, усиливая глобальные климатические риски.
Команда из Университета Пенсильвании изучала прибрежные воды у Сан-Диего и провела наблюдения на глубинах от 40 до 120 метров в Восточной тропической северной части Тихого океана - одной из крупнейших зон дефицита кислорода. Исследователи сосредоточились на том, как морские микроорганизмы превращают нитраты в закись азота.
В ходе работы выяснилось, что существует два пути образования N2O. Один путь начинается с нитрата, другой - с нитрита. На первый взгляд более короткий путь должен быть эффективнее, однако микробы, использующие нитрат, продуцируют больше газа, поскольку этот "сырьевой" источник более д ...>>
Омега-3 помогают молодым кораллам выживать
11.11.2025
Сохранение коралловых рифов становится все более актуальной задачей в условиях глобального изменения климата. Молодые кораллы особенно уязвимы на ранних стадиях развития, когда стрессовые условия и нехватка питательных веществ могут привести к высокой смертности. Недавнее исследование ученых из Технологического университета Сиднея показывает, что специальные пищевые добавки способны существенно повысить выживаемость личинок кораллов.
В ходе работы исследователи разработали особый состав "детского питания" для коралловых личинок. В него вошли масла, богатые омега-3 жирными кислотами, а также важные стерины, необходимые для формирования клеточных мембран. Личинки, получавшие эти добавки, развивались быстрее, становились крепче и демонстрировали более высокую устойчивость к стрессовым факторам.
Особое внимание ученые уделили липидам. Анализ показал, что личинки активно усваивают эти вещества, что напрямую влияет на их жизнеспособность. Стерины, содержащиеся в корме, повышают устойчи ...>>
Случайная новость из Архива Найден биомаркер продолжительности жизни
22.12.2021
Американские ученые выяснили, что по скорости накопления генетических мутаций можно прогнозировать, сколько лет проживет человек. У женщин этот метод позволяет также предсказывать период фертильности.
Давно известно, что повреждения ДНК в течение жизни происходят постоянно, но у организма есть механизмы восстановления, препятствующие накоплению вредных мутаций. Со временем эти механизмы становятся менее эффективными, поэтому, например, пожилые родители, как правило, передают потомству через зародышевую линию - яйцеклетку и сперму - больше генетических мутаций.
Биологи из Университета Юты и Луисвиллского университета предположили, что скорость, с которой человек приобретает мутации ДНК, может служить биомаркером старения и по ней можно предсказывать продолжительность жизни даже у молодых, а также - фертильности у женщин.
Основой для изучения стал банк данных Центра по изучению человеческого полиморфизма - международного научно-исследовательского генетического института в Париже, играющего ключевую роль во многих крупных исследованиях, способствующих современному пониманию генетики человека.
В выборку попала 41 семья, каждая из трех поколений. Авторы проанализировали последовательности ДНК крови в тройках из 61 пары бабушек и дедушек из первого поколения и одного из их детей.
Так, они сравнили мутации, обнаруженные в ДНК представителей обоих поколений, и смогли определить, сколько их каждый из родителей накопил в яйцеклетке или сперме на момент зачатия ребенка, а затем рассчитали количество мутаций и скорость их накопления для второго поколения.
Так как это исследование ретроспективное, ученые имели возможность сопоставить продолжительность жизни с количеством накопленных мутаций не только для старшего, но и для среднего поколения.
|
Другие интересные новости:
▪ Молекулярная память работает при комнатной температуре
▪ Искусственная мышца из кристаллической пластмассы
▪ Стабильность мешает случаться чудесам
▪ Измерение скорости ходьбы без носимых устройств
▪ Спутник напечатает себе солнечные батареи прямо в космосе
Лента новостей науки и техники, новинок электроники
Интересные материалы Бесплатной технической библиотеки:
▪ раздел сайта Цветомузыкальные установки. Подборка статей
▪ статья Распределительный клапан вместо золотника. Советы моделисту
▪ статья Кто такие братья Васильевы? Подробный ответ
▪ статья Бешенство. Медицинская помощь
▪ статья Устройства эффекта Distortion на полевых транзисторах. Энциклопедия радиоэлектроники и электротехники
▪ статья Превращения веревки. Секрет фокуса
Оставьте свой комментарий к этой статье:
Главная страница | Библиотека | Статьи | Карта сайта | Отзывы о сайте

www.diagram.com.ua
2000-2025