Бесплатная техническая библиотека
Семидиапазонная антенна. Энциклопедия радиоэлектроники и электротехники

Энциклопедия радиоэлектроники и электротехники / Антенны КВ
Комментарии к статье
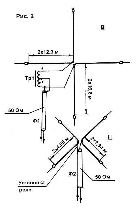
Предлагается двухъярусная антенна, работающая на 10, 12, 15, 17, 20, 40 80 метрах КВ-диапазона. Верхний ярус (В) работает на 10, 15, 20, 40, 80 метрах, нижний ярус (Н) - на 12 и 17 метрах (рис 1).
Входное сопротивление (В) составляет 180 220 Ом, (Н) 45 50 Ом. Питание антенны осуществляется двумя коаксиальными кабелями, раздельно для каждого яруса (рис 2). Трансформатор Тр1 с отношением 1:4 намотан на ферритовом кольце диаметром 60 мм и высотой 10 мм, проницаемость - 400 600. Наматывается одновременно двумя проводами диаметром 1,5мм или линией с волновым сопротивлением 100 Ом - равномерно по кольцу, 10 витков. Можно использовать трансформаторы от антенны РВ-12.
Антенну можно питать одним кабелем, установив реле на нижнем ярусе. Переключать необходимо оплетку кабеля и средний провод одновременно.
Автор: В.А. Фурсенко (UA6CA); Публикация: cxem.net
Смотрите другие статьи раздела Антенны КВ.
Читайте и пишите полезные комментарии к этой статье.
<< Назад
Последние новости науки и техники, новинки электроники:
Власть является ключевым фактором счастья в отношениях
11.03.2026
Исследования семейных и романтических отношений показывают, что длительное счастье пары зависит не только от привычных факторов, таких как доверие, уважение и преданность, но и от более тонких психологических аспектов. Современные ученые ищут закономерности, которые отличают действительно счастливые пары от остальных, чтобы понять, какие механизмы поддерживают гармонию в отношениях.
Группа исследователей из Университета Мартина Лютера в Галле-Виттенберге и Бамбергского университета провела опрос среди 181 пары, которые состояли в совместных отношениях более восьми лет и прожили вместе хотя бы месяц. Участники заполняли анкету, описывая различные аспекты своих отношений, включая распределение обязанностей, эмоциональную поддержку и степень вовлеченности в совместные решения.
Анализ данных показал интересный паттерн: пары, где оба партнера ощущали высокий уровень личной власти, оказывались наиболее счастливыми и удовлетворенными. В данном контексте под властью понимается способност ...>>
Защищенная колонка-повербанк Anker Soundcore Boom Go 3i
11.03.2026
Компания Anker представила новую модель линейки Soundcore - колонку Soundcore Boom Go 3i, ориентированную на активное использование на улице.
Новинка отличается высокой степенью защиты: корпус соответствует стандарту IP68, что обеспечивает водо- и пыленепроницаемость, а ударопрочный дизайн выдерживает падение с высоты до одного метра. За качество звука отвечает 15-ваттный драйвер, обеспечивающий пик громкости до 92 дБ, а технология BassUp 2.0 усиливает низкие частоты, делая звучание более насыщенным.
Колонка обладает автономностью до 24 часов, а LED-индикатор позволяет контролировать уровень заряда батареи. Кроме того, Soundcore Boom Go 3i может выполнять функцию павербанка: согласно внутренним тестам, устройство способно зарядить iPhone 17 с нуля до 40% за один час, что делает его полезным аксессуаром в походах и поездках.
Среди функциональных особенностей модели стоит выделить технологию Auracast, которая улучшает подключение и позволяет создавать стереопару из двух колонок ...>>
Раннее воздержание от алкоголя перестраивает мозг и иммунитет
10.03.2026
Алкогольная зависимость - хроническое расстройство с компульсивным употреблением спиртного, которое влияет не только на поведение, но и на функционирование мозга и иммунной системы. Недавние исследования показали, что даже на ранних этапах воздержания организм начинает перестраиваться, открывая новые возможности для терапии зависимости.
Ученые сосредоточились на пациентах, находящихся в первые недели абстиненции, и зафиксировали значительные изменения в мозговой активности. С помощью функциональной магнитно-резонансной томографии они выявили перестройку сетей нейронных связей, отвечающих за контроль импульсов и принятие решений. Эти изменения могут быть ключевыми для восстановления самоконтроля и снижения риска рецидива.
Одновременно с нейронной перестройкой исследователи наблюдали колебания иммунной системы. В крови повышался уровень цитокинов - сигнальных белков, регулирующих воспалительные процессы. Эти данные свидетельствуют о существовании нейроиммунного взаимодействия, при ...>>
Случайная новость из Архива Грузовик для перевозки антиматерии
08.11.2024
Антиматерия, о которой многие слышали в контексте научной фантастики, уже стала реальностью в лабораториях. В ЦЕРН, крупнейшей в мире лаборатории физики частиц, ежедневно производятся антипротоны в антипротонном замедлителе. Однако содержание и транспортировка антиматерии - сложная задача, ведь при встрече материи и антиматерии происходит аннигиляция, в результате которой они взаимно уничтожаются, выделяя энергию.
Считается, что после Большого взрыва во Вселенной было создано равное количество материи и антиматерии, которые должны были аннигилировать и оставить пустую Вселенную. Однако, как мы видим, материя сохранилась, а антиматерия почти исчезла. Чтобы разобраться в причинах этого феномена, ученые ЦЕРН проводят эксперимент по барион-антибарионной симметрии под названием BASE. Этот эксперимент предполагает создание антипротонов, которые затем должны быть перемещены для дальнейшего исследования.
Для перемещения антипротонов необходима специальная установка - ловушка для свободных элементарных частиц. Эта установка представляет собой сложную систему, включающую вакуумную камеру, сверхпроводящий магнит с криогенным охлаждением и резервные источники питания. Ловушка весит почти 1000 килограммов, что делает ее достаточно тяжелой и громоздкой, но она все же более компактна по сравнению с аналогичными устройствами. Для ее транспортировки используется грузовик, на который установка помещается с помощью двух подъемных кранов.
Прежде чем приступить к транспортировке антипротонов, ученые провели тесты с обычными протонами. Они переместили облако из 70 протонов через главную площадку ЦЕРН, проверяя, насколько эффективно установка справляется с задачей удержания частиц. На первый взгляд это может показаться простым, но любое небольшое возмущение может привести к тому, что протоны вернутся в атомное ядро, сорвав эксперимент. Тем не менее, транспортировка протонов прошла успешно, что дало ученым уверенность в том, что методика сработает и для антипротонов.
"Если это сработало с протонами, то с антипротонами тоже все получится", - утверждает Кристиан Сморра из Дюссельдорфского университета имени Генриха Гейне. Он отметил, что основное отличие заключается в необходимости более продвинутой вакуумной камеры для антипротонов, чтобы предотвратить их аннигиляцию при контакте с окружающей материей.
Однако в процессе транспортировки антиматерии возникают определенные сложности. Во-первых, необходимо минимизировать вибрации, поскольку малейшие колебания могут повлиять на стабильность удержания частиц. Во-вторых, важно поддерживать температуру ловушки ниже 8,2 Кельвина с помощью жидкого гелия, что требует больших затрат энергии. Если охлаждение прекратится, антипротоны исчезнут из-за аннигиляции.
В ближайшем будущем ученые планируют переместить антипротоны на расстояние 600 метров в другую лабораторию ЦЕРН. В долгосрочной перспективе их цель - научиться транспортировать антиматерию и другие экзотические частицы, такие как сверхзаряженные ионы, в различные исследовательские центры Европы, включая Университет Генриха Гейне.
Успешная транспортировка антипротонов станет важным шагом в изучении антиматерии и поможет ученым разгадать одну из главных загадок Вселенной - почему материя преобладает над антиматерией. Это исследование не только продвигает границы науки, но и открывает новые возможности для будущих экспериментов в физике элементарных частиц.
|
Другие интересные новости:
▪ Употребление рыбы и старение мозга
▪ Infineon начал производство NAND-памяти емкостью 512 Мбит
▪ Получен главный компонент межзвездного ионизированного газа
▪ Зеркальная фотокамера Nikon D7200
▪ Процессор Exynos 9820 от Samsung
Лента новостей науки и техники, новинок электроники
Интересные материалы Бесплатной технической библиотеки:
▪ раздел сайта Светодиоды. Подборка статей
▪ статья Классификация галактик. История и суть научного открытия
▪ статья С какой скоростью движется свет? Подробный ответ
▪ статья Единицы измерения, используемые в электротехнике и электронике. Справочник
▪ статья Цементы, замазки. Простые рецепты и советы
▪ статья Схема, распиновка (распайка) кабеля Panasonic GD-70, GD-90. Энциклопедия радиоэлектроники и электротехники
Оставьте свой комментарий к этой статье:
Главная страница | Библиотека | Статьи | Карта сайта | Отзывы о сайте

www.diagram.com.ua
2000-2026