Menu Home

Бесплатная техническая библиотека для любителей и профессионалов Бесплатная техническая библиотека


Питание люминесцентных ламп от низковольтных источников напряжения постоянного тока. Энциклопедия радиоэлектроники и электротехники

Бесплатная техническая библиотека

Энциклопедия радиоэлектроники и электротехники / Освещение

Питание люминесцентных ламп от низковольтных источников напряжения постоянного тока Комментарии к статье

В связи с перебоями в снабжении электроэнергией появляется много проблем по обеспечению работоспособности радио и телеаппаратуры, компьютеров, освещения и т.д. Особенно доставляет много хлопот пропадание электроэнергии во время экстремальных ситуаций, например, когда врачи борются за жизнь человека, или когда срочно необходимо произвести неотложные аварийные работы и т.д.

Один из наиболее доступных путей, обеспечивающих бесперебойное питание, это переход на те электроприборы, которые по техническим и эксплуатационным характеристикам могут работать от автономных источников электроэнергии, заряжаемых или поддерживаемых в заряженном состоянии во время нормального электроснабжения.

Основным и доступным средством являются аккумуляторные батареи, от которых непосредственно можно запитывать лампы накаливания напряжением 6, 12, 24 В, электронную аппаратуру автомобиля, радиоприемники, телевизоры, часы, компьютеры и многое другое. Аппаратуру, работающую от сети 220 В переменного тока можно запитать посредством преобразователей (12-220/110 В), (24-220/110 В).

В настоящей статье предлагаются три схемы преобразователей, предназначенных для питания люминесцентных ламп мощностью 4-10 Вт от источника постоянного тока напряжением 12 В. Они отлично работают как с отечественными лампами ЛБ6-2, ЛБ4-2, ЛБ4-7, ЛБ6-7, ЛВ8-1, ЛЕЦ8, ЛБЕ10, ЛБ18-1, так и с зарубежными Philips TL6W/33, TL6W/54, TL4W/33, TL8W/33. TL8W/840 и т.п. Аналогичные схемы используются в портативных светильниках с батарейным питанием импортного производства и при своей простоте имеют высокие технические характеристики.

Описание принципа работы

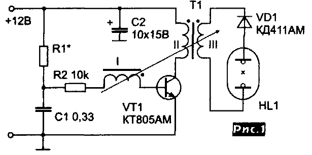
При подаче напряжения на схему (рис. 1) через резистор R1 пойдет ток, по величине ограниченный сопротивлением R1, и происходит процесс заряда конденсатора С1. По достижении напряжения около 0,6 В одновременно на базе транзистора VT1 и конденсаторе С1 транзистор лавинообразно войдет в режим насыщения за счет глубокой положительной обратной связи между базой и коллектором транзистора VT1 посредством базовой и индуктивно-связанной коллекторной обмоток трансформатора Т1. С этого момента в цепи коллектора происходит нарастание тока по линейному закону, описываемому формулой (dIк/dt)L = U. В это же время происходит уменьшение базового тока транзистора VT1 по причине перезаряда конденсатора С1.

При достижении неравенства Iк > h21э Iб транзистор VT1 лавинообразно выйдет из насыщенного состояния. При этом индуктивность коллекторной обмотки трансформатора Т1, стремясь обеспечить ток в коллекторной цепи транзистора VT1 и взаимодействуя с высокоимпедансным состоянием элементов схемы, создаст всплеск напряжения, превышающий по величине напряжение питания в десятки раз, а на вторичной обмотке в К = Wл/Wк раз, где: Wл - количество витков выходной обмотки, Wк - количество витков коллекторной обмотки. Благодаря этим всплескам напряжения, достигающим по величине 1000 В, происходит поджиг лампы, в результате внутреннее сопротивление ее резко уменьшается и вместе с ним падение напряжения на ней, приближающееся к рабочему напряжению, на которое рассчитан применяемый тип лампы.

Питание люминесцентных ламп от низковольтных источников напряжения постоянного тока
Рис.1

В процессе макетирования и отладки схемы были сняты осциллограммы коллекторного напряжения и представлены на рис.4 и 5. Амплитуда выбросов напряжения (рис.4) ограничена по цепи коллекторной обмотки током в пределах граничного напряжения применяемого транзистора VT1 и по цепи базовой обмотки током зенеровского пробоя перехода база-эмиттер VT1. На рис.5 видно резкое снижение величины импульсного напряжения на коллекторе транзистора VT1, так как вторичная обмотка трансформатора Т1 после пробоя газа в лампе HL1 оказалась нагружена на низкое внутреннее сопротивление, определяемое вольт-амперной характеристикой применяемого типа лампы. Трудно переоценить эту простую схему блокинг-генератора, которая автоматически адаптируется к изменяемым нагрузкам, и если не взирать на некоторые недостатки, ее можно назвать "чудом" импульсной техники.

Питание люминесцентных ламп от низковольтных источников напряжения постоянного тока

Схема, представленная на рис.2 позволяет удачно сочетать в себе взаимосвязь элементов схемы с конструктивным ее исполнением. Отражатель лампы, выполненный из блестящего металла и подключенный к коллектору VT1, выполняет одновременно функции радиатора и проводника для лучшего поджига лампы, а также позволяет присоединить электроды лампы без дополнительного провода. Упрощено изготовление трансформатора Т1, так как к лампе подключены последовательно две обмотки - коллекторная и выходная, имеющая меньше витков на их количество, которое содержит коллекторная обмотка. Схема на рис.3 отличается от предыдущих размещением базовой обмотки, и в результате коллекторная, базовая, и выходная обмотки соединены последовательно и подключены к лампе. Это позволило упростить конструкцию и облегчить изготовление трансформатора Т1. Вместо шести выводов, как в схеме на рис. 1, всего три. Все три обмотки участвуют в создании выходного напряжения на лампе. Так же, как и в предыдущей схеме, конструкция отражателя для лампы HL1, радиатора для транзистора VT1, и проводника для подключения электрода лампы выполняет одна и та же деталь. Эта схема наиболее технологична и менее трудоемка.

Питание люминесцентных ламп от низковольтных источников напряжения постоянного тока

Питание люминесцентных ламп от низковольтных источников напряжения постоянного тока

Конструкция и детали

Радиоэлементы схемы, а именно трансформатор Т1, резисторы R1, R2, конденсатор С1, диод VD1 можно разместить на плате из фольги-рованного стеклотекстолита и при простоте схемы плату несложно выполнить путем механического снятия фольги при незатейливой конфигурации рисунка. Транзистор VT1 необходимо установить на подходящий по конструкции теплоотвод площадью > 20 см2 , форма и габариты которого будут определяться типом применяемой лампы и конструкцией корпуса. Как уже говорилось выше, удобнее всего сочетать в одной детали отражатель, радиатор, электрод для поджига, проводник для подключения лампы. Транзистор VT1 должен обладать достаточным быстродействием (t рас.<1мкс), при этом граничное напряжение должно быть U гр.>200 В, коэффициент усиления по току в схеме с общим эмиттером h 21э >20. Величины импульсных токов, при которых будет работать транзистор VT1 Iк = (0,8 - 1,5) А, и необходимо, чтобы такие токи находились на возрастающем участке характеристики п21э(1к). Желательно применение транзисторов с возможно большим обратным напряжением база-эмиттер Uбэ>5В. Эти параметры необходимо учитывать и при ремонте импортных светильников.

Удовлетворительные результаты были получены при использовании транзисторов КТ847А, КТ841А, КТ842А, из недорогих - КТ805АМ. В процессе макетирования схем было испытано несколько конструкций трансформаторов. Наилучшие результаты были получены при использовании броневых сердечников из ферритов марки М2000НМ, типоразмеров Б26, БЗО, 536 и Ш-образных сечением 7x7 из феррита 4000. При сборке трансформаторов необходимо обеспечить немагнитный зазор h = 0,025...0,1 мм для предотвращения намагничивания магнитопровода. Больший зазор ведет к резкому уменьшению индуктивности трансформатора Т1, что ухудшит условия работы схемы.

На пластмассовом каркасе первой наматывают проводом ПЭВ 0,4 коллекторную обмотку, затем прокладывается слой изоляции и наматывается базовая обмотка проводом ПЭВ 0,2. Поверх базовой обмотки прокладывается слой лакоткани или фторопластовой ленты и наматывается вторичная обмотка проводом ПЭВТЛ-2 диаметром 0,15...0,2 мм, виток к витку и с послойной прокладкой изоляции. Ориентировочно количество витков обмоток можно выбрать, руководствуясь таблицей 1.

Мощность лампы, Вт

Uпит = 6 В

Uпит = 6 В

Магнитопровод

Iбазов.

II колл.

III втор.

I базов.

II колл.

III втор.

4

6

12

80

6

22

60

526, БЗО

6

7

12

100

6

22

80

М2000НМ

10

8

12

120

6

22

110

Ш7х7

14

8

12

200

6

22

180

М4000

Вторичную обмотку можно сделать универсальной с отводами через каждые 30...50 витков. Диод VD1 необходим для того, чтобы, участвуя в автоколебательном процессе, отдавать энергию накопленную индуктивностью коллекторной обмотки трансформатора Т1 в периоды выключенного состояния транзистора VT1. Это позволяет адаптировать схему к различным нагрузкам и применять различные источники тока. При этом необходимо вместо резистора R1 подключить два резистора - один постоянный сопротивлением 430 Ом, а второй переменный сопротивлением 2,2 кОм включенные последовательно. Диод VD1 должен быть рассчитан на напряжение Uобр. > 200 В, иметь рабочую частоту fp. > 100 кГц, средний выпрямленный ток Icp. > 200 мА. Кроме указанных на схеме можно применять четыре диода типа КД 510А, соединив их последовательно.

Конструкция люминесцентного светильника выполнена из предметов, которыми часто наполняют мусорное ведро в быту. Корпус (рис.6, рис. 10) изготовлен из отработанного картриджа типа EPSON Mx80/Fx80, внутри которого перегородки необходимо удалить. Можно также использовать подходящий профиль из алюминия или пластмассы и т.п. Передний прозрачный экран выполнен из пластиковой бутылки из под "PEPSI" или любой другой емкостью 2 л с прямыми сторонами. Размеры приведены на рис. 7. Желательно применять светлого цвета без оттенков и царапин. На рис. в указана часть, которую необходимо вырезать из пластиковой бутылки для изготовления прозрачного экрана.

Питание люминесцентных ламп от низковольтных источников напряжения постоянного тока

Из оставшихся двух частей, применяя фантазию, можно изготовить подставку для карандашей, ручек или фужер для полива цветов и т.п. На рис.7 показаны участки, ограниченные пунктирными линиями, которые нужно заклеить кусками из тонкой черной пластмассы, вырезанной из корпусов от старых компьютерных дискет (5,25), клеем типа "Момент". На рис. 9 представлен чертеж рефлектора-радиатора, который вырезан из жести, используя для этого банки от кофе типа "Nescafe" или "Monterey" емкостью 250 гр.

Питание люминесцентных ламп от низковольтных источников напряжения постоянного тока

Рефлектор (а) приклеивается к корпусу картриджа (е) с помощью клея "Момент". Прозрачный экран (рис.7, рис.10) изгибается вдоль длинной стороны и вставляется в щель между рефлектором (а) и корпусом (е), в котором сверлятся четыре отверстия диаметром 1,2...2 мм совместно с прозрачным экраном, и скрепляются при помощи четырех шурупов или винтов соответствующего диаметра.

Питание люминесцентных ламп от низковольтных источников напряжения постоянного тока
(нажмите для увеличения)

Для крепления светильника при различных условиях необходимо предусмотреть пружинные клипсы, петли, магнит и т.п. Возможно дополнительно приспособить светильник как часть настольной лампы, налобный фонарь и т.д. После сборки схемы и подключения ее к источнику питания она начинает работать сразу при условии, что монтаж выполнен без ошибок и все детали заведомо исправны. В цепь между источником питания и схемой лампы включить амперметр и произвести регулировку тока потребления резистором R1. Для экономичных режимов работы необходимо установить ток потребления в пределах 120. ..200 мА, если же используется достаточно энергоемкий источник, потребляемый ток можно увеличить до 500 мА, соответственно получив при этом больший световой поток. Если необходимо использовать светильник при различных режимах работы и от разных источников электроэнергии, необходимо вместо резистора R1 установить два соединенных последовательно резистора, один из которых - переменный. Величины сопротивлений приведены выше в тексте. Таким образом вы получите возможность плавной регулировки светового потока.

Питание люминесцентных ламп от низковольтных источников напряжения постоянного тока

Во всех трех схемах рис.1 - рис.З статьи неверно указан номинал резисторов R1; должно быть R1=10...47 Ом.

Литература

1. А.Халатян. Питание ламп дневного света. Москва, ДОСААФ СССР, 1979, ВРЛ № 67 стр. 33.
2. Б.С.Гершунский. Справочник по расчету электронных схем. Киев, Высшая школа, 1983, стр. 79.
З. В.А. Маруфенко. О питании ламп дневного света. - Радиохобби, 1998, июнь, стр. 44.
4. Г.С. Найвельт. Источники электропитания радиоэлектронной аппаратуры, Москва, Радио и связь, 1985, стр. 576.

Автор: Тарас Холопцев, г.Киев, Радиохобби; Публикация: Н. Большаков, rf.atnn.ru

Смотрите другие статьи раздела Освещение.

Читайте и пишите полезные комментарии к этой статье.

<< Назад

Последние новости науки и техники, новинки электроники:

Оптимальная продолжительность сна 12.11.2025

Сон играет ключевую роль в поддержании здоровья, когнитивных функций и общего самочувствия. Несмотря на широко распространенный стереотип о восьмичасовом сне, последние исследования показывают, что оптимальная продолжительность сна для большинства здоровых взрослых ближе к семи часам. Эволюционный биолог из Гарварда, Дэниел Э. Либерман, утверждает, что традиционная норма восьми часов сна - это скорее культурное наследие индустриальной эпохи, чем биологическая необходимость. По его словам, полевые исследования, проведенные в сообществах, не использующих электричество, показывают, что средняя продолжительность сна составляет 6-7 часов, что значительно отличается от общепринятого стандарта. Современные эпидемиологические данные подтверждают этот взгляд. Исследования выявили так называемую "U-образную кривую" зависимости между продолжительностью сна и рисками для здоровья. Минимальные показатели заболеваемости и смертности наблюдаются именно у людей, спящих около семи часов в сутки. ...>>

Дефицит кислорода усиливает выброс закиси азота 12.11.2025

Парниковые газы играют ключевую роль в изменении климата, а закись азота (N2O) - один из наиболее опасных среди них. Этот газ не только втрое сильнее углекислого газа в удержании тепла, но и разрушает озоновый слой. Недавнее исследование американских ученых показало, что микробы в зонах с низким содержанием кислорода активно производят N2O, усиливая глобальные климатические риски. Команда из Университета Пенсильвании изучала прибрежные воды у Сан-Диего и провела наблюдения на глубинах от 40 до 120 метров в Восточной тропической северной части Тихого океана - одной из крупнейших зон дефицита кислорода. Исследователи сосредоточились на том, как морские микроорганизмы превращают нитраты в закись азота. В ходе работы выяснилось, что существует два пути образования N2O. Один путь начинается с нитрата, другой - с нитрита. На первый взгляд более короткий путь должен быть эффективнее, однако микробы, использующие нитрат, продуцируют больше газа, поскольку этот "сырьевой" источник более д ...>>

Омега-3 помогают молодым кораллам выживать 11.11.2025

Сохранение коралловых рифов становится все более актуальной задачей в условиях глобального изменения климата. Молодые кораллы особенно уязвимы на ранних стадиях развития, когда стрессовые условия и нехватка питательных веществ могут привести к высокой смертности. Недавнее исследование ученых из Технологического университета Сиднея показывает, что специальные пищевые добавки способны существенно повысить выживаемость личинок кораллов. В ходе работы исследователи разработали особый состав "детского питания" для коралловых личинок. В него вошли масла, богатые омега-3 жирными кислотами, а также важные стерины, необходимые для формирования клеточных мембран. Личинки, получавшие эти добавки, развивались быстрее, становились крепче и демонстрировали более высокую устойчивость к стрессовым факторам. Особое внимание ученые уделили липидам. Анализ показал, что личинки активно усваивают эти вещества, что напрямую влияет на их жизнеспособность. Стерины, содержащиеся в корме, повышают устойчи ...>>

Случайная новость из Архива

Кишечные бактерии могут влиять на настроение 19.02.2019

Исследование бельгийских ученых показало, что многие кишечные бактерии могут производить вещества, которые влияют на функцию нервных клеток и, возможно, на настроение.

Ранее несколько исследований на мышах показали, что кишечные микробы могут влиять на поведение животных, а небольшие исследования людей показали, что микробный состав в кишечнике изменяется при депрессии. Чтобы проверить, насколько прочна связь между микробиомом человека и его психическим здоровьем, Йерун Раес, микробиолог из Левенского католического университета (Бельгия), и его коллеги изучили крупную группу людей для оценки "нормального" микробиома.

Всего в исследовании участвовали 1054 бельгийца. Некоторым из них - 173 людям - был поставлен диагноз "депрессия" или они показали плохие результаты исследования качества жизни. Команда сравнила состояние кишечной флоры у участников с депрессией и остальных испытуемых. Выяснилось, что у людей при депрессии уровень таких микробов, как Coprococcus и Dialister, оставался низким в микробиомах людей. При этом не имело значения, принимали ли люди антидепрессанты или нет. А у участников, утверждающих, что обладают высоким психологическим качеством жизни, уровень этих микробов, наоборот, был высок.

Далее команда просмотрела результаты медицинских тестов другой группы, которая объединила 1064 голландцев. Исследователи обнаружили, что те же два вида бактерий отсутствовали в микробиомах тех людей, кто находился в депрессии, а также у семи участников, страдающих от тяжелой клинической депрессии. Ученые признают, что сейчас данные не подтверждают причинно-следственную связь. Возможно, эффект даже работает наоборот: не микробы влияют на наше настроение, а наше психическое здоровье влияет на состояние микробиома.

Тем не менее в последующих экспериментах исследователи нашли доказательства того, что микробы могут "общаться" с нашей нервной системой, производя нейромедиаторы, которые отвечают за передачу электрохимических импульсов нервным клеткам. Ученые обнаружили, например, что у копрококка (Coprococcus), по-видимому, есть путь, связанный с дофамином, ключевым сигналом мозга, который отвечает за чувство удовлетворения.

Открытие может привести к новым пробиотическим методам лечения депрессии, которые помогут повысить уровень необходимых микробов в кишечнике человека. Однако для этого необходимо провести еще множество исследований, которые подтвердят, что микробные соединения, вырабатываемые в кишечнике, могут влиять на наш мозг.

Другие интересные новости:

▪ Зарядное устройство для электромобиля 1 километр в секунду

▪ Космический беспилотник ВВС США

▪ Эскалатор для капель

▪ Наушники с шумоподавлением и измерением пульса

▪ Нанокремний в борьбе с инфекциями

Лента новостей науки и техники, новинок электроники

Интересные материалы Бесплатной технической библиотеки:

▪ раздел сайта Автомобиль. Подборка статей

▪ статья Аэрозольное загрязнение атмосферы. Основы безопасной жизнедеятельности

▪ статья Какими узлами измеряют скорость моряки? Подробный ответ

▪ статья Дизайнер-верстальщик. Должностная инструкция

▪ статья Генераторы сигналов на КМОП микросхемах. Энциклопедия радиоэлектроники и электротехники

▪ статья Карта становится шаржем. Секрет фокуса

Оставьте свой комментарий к этой статье:

Имя:


E-mail (не обязательно):


Комментарий:





Главная страница | Библиотека | Статьи | Карта сайта | Отзывы о сайте

www.diagram.com.ua

www.diagram.com.ua
2000-2025