Menu Home

Бесплатная техническая библиотека для любителей и профессионалов Бесплатная техническая библиотека


Неужели все - детектор? Энциклопедия радиоэлектроники и электротехники

Бесплатная техническая библиотека

Энциклопедия радиоэлектроники и электротехники / Начинающему радиолюбителю

Комментарии к статье Комментарии к статье

Казалось бы, такое простое устройство, как детекторный приемник, известно всем еще со школьной скамьи. Тем не менее и сегодня публикации о нем - не редкость. Видимо, потому, что не слабеет интерес к "детекторам" у новых поколений радиолюбителей, которым нужно с чего-то начинать. А по мере накопления опыта, пересмотра всего старого - сохраняется и теплое отношение к доброму "ретро"...

Ниже приводится ряд практических схем, разработанных автором и прошедших экспериментальную "обкатку" почти двадцать лет назад, но не потерявших своей ценности и актуальности до сих пор.

РАБОТАЕТ ВТОРИЧНАЯ МОДУЛЯЦИЯ

Возьмем два радиоприемника: детекторный (ДП) и обычный радиовещательный (РВП), например, сетевой ламповый (рис. 1). Подключим к тому и другому по антенне и заземлению. А затем настроим для приема одной и той же радиовещательной (РВ) станции, желательно самой мощной из принимаемых в данной местности. Например, в диапазоне средних волн (СВ). Если же теперь начнем говорить в "наушник" BF1 ДП, то свой голос услышим в динамике РВП.

Неужели все - детектор?
Рис. 1. Мини-радиопередатчик в действии (к пояснению принципа вторичной модуляции)

Что же происходит? РВ станция излучает электромагнитные колебания (волны). Распространяясь во все стороны, они пересекают антенны приемников, наводя там ЭДС. В каждом из входных контуров возникнут электрические колебания. Причем размах последних существенно зависит от резонансных свойств самих контуров. И в немалой степени - от так называемой добротности: чем выше она у входного колебательного контура, тем большее напряжение радиочастоты (РЧ) можно с него снять.

Это, так сказать, одна сторона дела. А другая - в том, что у ДП мы, по сути, имеем дело и с выходным контуром маломощного "передатчика", получающего (как сказано выше) РЧ энергию от РВ станции и переизлучающего ее (при помощи все той же антенны) в виде вторичных радиоволн. Причем процесс этот будет протекать тем сильнее, чем ближе размеры антенны к резонансным (то есть чем лучше антенна настроена и согласована с ДП).

Чтобы обнаружить вторичные радиоволны (а их параметры, за исключением разве что размаха колебаний, сниженного у "передатчика" за счет неизбежных потерь, совпадут с тем, что излучает РВ станция), необходима вторичная модуляция. Ее легко осуществить с помощью имеющегося в схеме головного телефона BF1 и германиевого диода VD1. Конденсатор С2 будет при этом служить "развязкой" для РЧ и колебаний звуковой частоты (см. рис. 1).

"Дальнобойность" такого эксперимента зависит как от величины принимаемого детекторным приемником и переизлученного импровизированным "передатчиком" (ИП) сигнала, так и от тщательности изготовления антенны ДП (о чем сказано выше). Частота же нашего ИП жестко синхронизирована с частотой РВ станции.

Если в динамике РВП не прослушивается вторичная модуляция, значит, радиовещательный приемник настроен на частоту другого передатчика, транслирующего ту же программу. Или нарушены вышеизложенные принципы и радиус действия ИП оказался предельно малым. Хотя на практике "дальнобойность" импровизированного "передатчика" может даже доходить и до нескольких сотен метров.

Телефон BF1 - высокоомный (1600 - 2200 Ом). Данные контура L1C1 не приводятся, так как зависят от длины волны (частоты) РВ станции, уверенно принимаемой в вашей местности. Да и схемное решение у самоделки предлагается таковым, что практически снимает саму остроту проблемы. Ведь частоту настройки у L1C1 можно довольно легко и в широких пределах изменять. Достаточно лишь повернуть на соответствующий угол ротор у конденсатора переменной емкости (КПЕ) С1.

Явление вторичной модуляции (и эмиссии радиоволн) было применено автором на практике в охранном устройстве, основу которого составлял рассмотренный выше ДП, оснащенный, правда, мультивибратором. В качестве последнего вполне приемлемо устройство, собранное по схеме и рекомендациям [1]. Подключение - параллельно "наушнику" BF1, но через конденсатор. А в цепи электропитания - контакты от датчиков, установленных на охраняемом объекте.

В ждущем режиме на РВП прослушивалась обычная радиопередача. Появление же дополнительного звука с частотой мультивибратора означало срабатывание охранного устройства. Причем, как показала практика, в паузах передач чувствительность такой системы легко можно повысить. Достаточно, установив ручку регулятора громкости РВП в положение максимальной громкости, перейти на прослушивание охраняемого помещения через... "наушник" BF1 ДП.

Конечно же, столь простая в изготовлении охранная система эффективно действует лишь при работе уверенно принимаемой РВ станции. То есть когда налицо - ее несущая. Вполне приемлемо также использование аналогичного самодельного устройства как своеобразной демонстрационной системы связи (правда, на небольшие расстояния), для чего необходимо иметь два ДП, два РВП, резонансные антенны и качественные заземления.

НЕТРАДИЦИОННЫЕ ИСТОЧНИКИ ЭЛЕКТРОПИТАНИЯ

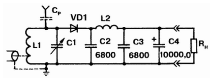
Следующий аспект - применение детекторных приемников в качестве "непривычных" блоков питания (БП) не слишком энергоемких самоделок. На рис. 2 приведена принципиальная электрическая схема такой "маломощной батарейки".

Неужели все - детектор?
Рис. 2. Детекторный приемник как источник электропитания дли маломощной радиоаппаратуры

От обычного ДП данное устройство отличается наличием РЧ фильтра нижних частот, устраняющего проникновение сигналов РВ станции на выход нетрадиционного блока питания. Такой БП целесообразно применять вблизи радиопередающих станций, где напряженность поля достаточно высокая. Например, у нас в Тюмени, в черте города находится мощная СВ РВ станция, ее напряженности поля хватило не только для питания генератора [1], но и для довольно мощного приемника [2], благодаря которому осуществлялся уверенный прием программ в УКВ ЧМ диапазоне.

Конденсатор С4 у БП - оксидный, с предельно возможной емкостью и малым сопротивлением утечки. Диод VD1 - кремниевый (с максимальным обратным и минимальным прямым сопротивлениями). Ну а требования к антенне, заземлению и добротности контура общеизвестны. В частности, используемая для данных самоделок антенна должна иметь резонансную длину. Заземление - быть качественным. Что же касается добротности колебательного контура, то чем она значительнее, тем более высокое напряжение можно получить, что в союзе с С4 выльется и в соответствующую мощность, отдаваемую БП в нагрузку.

Если антенна имеет низкоомное снижение, выполненное, например, коаксиальным кабелем, то его к катушке L1 следует подключать, как показано на схеме (пунктиром). Причем число витков, от которых выполняется отвод, рекомендуем подобрать экспериментально (по максимальному выходному напряжению). Контур L1C1 при этом должен быть настроен в резонанс на принимаемую мощную РВ станцию. При использовании же суррогатных антенн (чтобы свести влияние их параметров на добротность контура L1C1 к минимуму) целесообразна установка разделительного конденсатора Ср, емкость которого подбирается по максимуму выходного напряжения БП. Применение суррогатных антенн оправдано только при очень большой напряженности поля принимаемых РВ станций и дает, естественно, худшие результаты по сравнению с резонансными, выполнение которых полноразмерными (без укорочения) в диапазоне средних волн еще возможно.

Катушки L1 и L2 - от любого РВ приемника соответствующего диапазона. Конденсаторы С2, С3 - радиочастотные (например, К10-7, КМ). А в качестве С4 вполне подойдет довольно распространенный К50-16.

РЕКОМЕНДУЕМЫЕ МОДИФИКАЦИИ ДЕТЕКТОРНОГО ПРИЕМНИКА

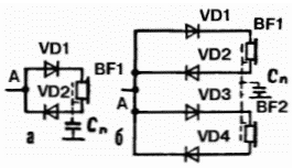
Хотите предельно упростить схему ДП, а то и вообще: сделать детекторный приемник "сверхминиатюрным", переносным? Разумеется, все это возможно при наличии в вашей местности большой напряженности поля, создаваемого РВ станциями.

Неужели все - детектор?
Рис. 3. Простейшие переносные приемники-радиопробники: а - с одним головным телефоном, б - с выходом на два головных телефона.

Вполне приемлемой, в частности, будет реализация любой из принципиальных электрических схем, представленных на рис. 3. Причем модификации "а" и "б" таковы, что при прикосновении точки А к антенне (а порой даже к батарее центрального отопления) мощная станция принимается громче всех. Здесь хорошо работают германиевые диоды Д2, Д9, Д18; кремниевые же "Трудятся" хуже, а то и вовсе не подходят для использования в качестве "наипростейших любительских детекторов". Замечено также, что ДП, выполненные по схемам (рис. 3,а и 3,б), имеют более высокие эксплуатационные характеристики, если диоды размещены в непосредственной близости от точки А. Улучшению работы таких детекторных приемников способствует и увеличение "паразитных" емкостей между ДП и "землей", в чем легко можно убедиться, если, скажем, взяться руками за провода, идущие к телефонам.

Рассмотренные выше элементарные конструкции можно смело использовать в качестве РЧ пробника при настройке и согласовании любительских передатчиков с антеннами (или, например" во время проверки наличия кадровых и строчных импульсов в телевизионной технике). Но если эти простейшие ДП дополнить контуром L1С2 с подбором развязывающих емкостей С3, С4, получим более совершенные устройства. В них лучше всего работают не германиевые, а кремниевые диоды.

Требуемое значение номинала для С3 и С4 определяют, временно подключив вместо них градуированный блок КПЕ с последующей заменой (при достижении на выходе ДП макроуровня сигнала по мере вращения ротора) на соответствующие конденсаторы постоянной емкости.

Можно ли заставить ДП "говорить" громче? Разумеется. Например, путем параллельного включения нескольких детекторных приемников при работе на общую нагрузку. Каждый ДП здесь имеет свою антенну, которую можно располагать по-разному (на СВ и особенно на ДВ фазовые сдвиги из-за большой длины волны существенного влияния не оказывают).

Количество одновременно работающих детекторных приемников определяется числом имеющихся в вашем распоряжении антенн и секций блока КПЕ. Ну а если "составной" ДП работает на фиксированной частоте, то эффект будет зависеть лишь от самих антенн.

В качестве же "групповой нагрузки" можно применить РВ трансляционный приемник. Уровень громкости здесь уже определяется сочетанием нескольких факторов. На результате будут, несомненно, сказываться мощность приходящих сигналов РВ станций, количество ДП в группе и тщательность их настройки. И, конечно же, - качество изготовления, отладки заземления и антенн. Причем последнее с достаточной полнотой освещено в соответствующей литературе [3].

Групповое включение детекторных приемников можно рекомендовать для лесничьих сторожек, туристских лагерей, дач, находящихся в зоне действия мощных РВ станций. То есть там, где достаточно места для крупногабаритных антенн, но нет электросети. При работе ДП (с групповым включением) напряжения, получаемые в процессе детектирования, подводятся к общей нагрузке, существенно увеличивая ток в ней. Детекторы во всех приемниках могут быть как обычные однополупериодные, так и улучшенные (рис. 4 ), но одинаковые у всех ДП в группе.

Неужели все - детектор?
Рис. 4. Детекторный для туристских групп: а - с одной антенной, б - с двумя и более антеннами, в - с динамиком вместо головного телефона

Литература

  1. Беседии В. Морзянка на самообслуживании. Моделист-конструктор. 1993, № 5.
  2. Захаров А УКВ ЧМ приемник с ФАПЧ. Радио, 1985, № 12.
  3. Ротхаммель К. Антенны. М.: Энергия, 1979.

Автор: В.Беседин (UA9LAQ), г.Тюмень

Смотрите другие статьи раздела Начинающему радиолюбителю.

Читайте и пишите полезные комментарии к этой статье.

<< Назад

Последние новости науки и техники, новинки электроники:

Власть является ключевым фактором счастья в отношениях 11.03.2026

Исследования семейных и романтических отношений показывают, что длительное счастье пары зависит не только от привычных факторов, таких как доверие, уважение и преданность, но и от более тонких психологических аспектов. Современные ученые ищут закономерности, которые отличают действительно счастливые пары от остальных, чтобы понять, какие механизмы поддерживают гармонию в отношениях. Группа исследователей из Университета Мартина Лютера в Галле-Виттенберге и Бамбергского университета провела опрос среди 181 пары, которые состояли в совместных отношениях более восьми лет и прожили вместе хотя бы месяц. Участники заполняли анкету, описывая различные аспекты своих отношений, включая распределение обязанностей, эмоциональную поддержку и степень вовлеченности в совместные решения. Анализ данных показал интересный паттерн: пары, где оба партнера ощущали высокий уровень личной власти, оказывались наиболее счастливыми и удовлетворенными. В данном контексте под властью понимается способност ...>>

Защищенная колонка-повербанк Anker Soundcore Boom Go 3i 11.03.2026

Компания Anker представила новую модель линейки Soundcore - колонку Soundcore Boom Go 3i, ориентированную на активное использование на улице. Новинка отличается высокой степенью защиты: корпус соответствует стандарту IP68, что обеспечивает водо- и пыленепроницаемость, а ударопрочный дизайн выдерживает падение с высоты до одного метра. За качество звука отвечает 15-ваттный драйвер, обеспечивающий пик громкости до 92 дБ, а технология BassUp 2.0 усиливает низкие частоты, делая звучание более насыщенным. Колонка обладает автономностью до 24 часов, а LED-индикатор позволяет контролировать уровень заряда батареи. Кроме того, Soundcore Boom Go 3i может выполнять функцию павербанка: согласно внутренним тестам, устройство способно зарядить iPhone 17 с нуля до 40% за один час, что делает его полезным аксессуаром в походах и поездках. Среди функциональных особенностей модели стоит выделить технологию Auracast, которая улучшает подключение и позволяет создавать стереопару из двух колонок ...>>

Раннее воздержание от алкоголя перестраивает мозг и иммунитет 10.03.2026

Алкогольная зависимость - хроническое расстройство с компульсивным употреблением спиртного, которое влияет не только на поведение, но и на функционирование мозга и иммунной системы. Недавние исследования показали, что даже на ранних этапах воздержания организм начинает перестраиваться, открывая новые возможности для терапии зависимости. Ученые сосредоточились на пациентах, находящихся в первые недели абстиненции, и зафиксировали значительные изменения в мозговой активности. С помощью функциональной магнитно-резонансной томографии они выявили перестройку сетей нейронных связей, отвечающих за контроль импульсов и принятие решений. Эти изменения могут быть ключевыми для восстановления самоконтроля и снижения риска рецидива. Одновременно с нейронной перестройкой исследователи наблюдали колебания иммунной системы. В крови повышался уровень цитокинов - сигнальных белков, регулирующих воспалительные процессы. Эти данные свидетельствуют о существовании нейроиммунного взаимодействия, при ...>>

Случайная новость из Архива

Энергонезависимую память можно сделать с помощью вируса 25.12.2018

У современных персональных компьютеров есть недостаток, устранить который инженерам пока не очень удается. Обычная оперативная память на кремниевых чипах работает достаточно быстро, но она не подходит для постоянного хранения информации. А материалы для новейшей энергонезависимой памяти капризны, и создать из них микроскопические структуры не так-то просто.

В будущем, по мнению некоторых специалистов, традиционные жесткие диски уступят место чипам с ячейками из материалов, которые способны менять свое фазовое состояние. Подобным образом ведут себя, например, германий, теллур и сурьма. Ячейка памяти с этими веществами может в нужный момент быть кристаллическом состоянии, а затем переключиться из кристаллического состояния в аморфное. В кристаллическом виде ячейка отлично проводит ток, а в аморфном становится изолятором. Этого достаточно, чтобы запоминать бит информации - ноль или единицу.

Чтобы такая память стала дешевой и массовой, нужно научиться совмещать новые материалы с уже существующими кремниевыми микросхемами. Один из лучших вариантов - делать ячейки в форме нитей толщиной в несколько нанометров. Однако технология производства нитей требует высоких температур, которые разрушительно действуют на новые материалы. Ангела Белчер (Angela Belcher) и Десмонд Лоук (Desmond Loke) из Массачусетского технологического института и Сингапурского университета технологии и дизайна нашли способ создавать микроскопические нити при комнатной температуре.

Исследователи использовали частицы германия и олова, которые тоже способны менять фазовое состояние. А собрать нить помог вирус-бактериофаг М13 длиной около 80 нм, паразитирующий на бактерии Escherichia coli. Молекулы на поверхности вируса заряжены отрицательно и поэтому могут притягивать положительно заряженные частицы германия и олова. В растворе без вирусов из частиц получались только бесформенные комки. А как только в раствор добавляли вирусы, частицы прилипали на их поверхности. Изучение раствора с помощью метода энергодисперсионной рентгеновской спектроскопии показало, что частицы выстраивались в нити толщиной несколько десятков нанометров.

Микроструктуры, собранные на поверхности вируса, оказались пригодными для запоминания информации. Под воздействием тока они успешно меняли состояние с кристаллического на аморфное и наоборот. Любопытно, что модифицированный вариант вируса собирал частицы лучше, чем природные вирусы.

Другие интересные новости:

▪ Искусственное солнце

▪ Механическая муха

▪ Трехмерные изображения можно потрогать

▪ Технология E Ink Advanced Color ePaper

▪ Водородный парусник Nemesis Yacht

Лента новостей науки и техники, новинок электроники

 

Интересные материалы Бесплатной технической библиотеки:

▪ раздел сайта Автомобиль. Подборка статей

▪ статья Стоит как вкопанный. Крылатое выражение

▪ статья Каким образом мозг помогает видеть? Подробный ответ

▪ статья Просвирник лесной. Легенды, выращивание, способы применения

▪ статья Расчет LC-фильтров. Энциклопедия радиоэлектроники и электротехники

▪ статья Надеть веревку, не дотрагиваясь до кольца. Секрет фокуса

Оставьте свой комментарий к этой статье:

Имя:


E-mail (не обязательно):


Комментарий:





Главная страница | Библиотека | Статьи | Карта сайта | Отзывы о сайте

www.diagram.com.ua

www.diagram.com.ua
2000-2026