Menu Home

Бесплатная техническая библиотека для любителей и профессионалов Бесплатная техническая библиотека


Расширители импульсов. Энциклопедия радиоэлектроники и электротехники

Бесплатная техническая библиотека

Энциклопедия радиоэлектроники и электротехники / Начинающему радиолюбителю

Комментарии к статье Комментарии к статье

В системах передачи информации для ослабления влияния случайных флуктуаций, а также для управления в устройствах автоматики нередко требуется из коротких импульсов получать более широкие, определенной длительности. Эта задача легко реализуется с помощью ждущего мультивибратора (одновибратора). Одновибратор является триггерной схемой, которая генерирует одиночный импульс под действием внешнего управляющего сигнала. При этом подразумевается, что формируемый импульс превышает длительность запускающего.

Как правило, применяют один из двух методов формирования импульса: аналоговый или цифровой. Наиболее простым является аналоговый - используется процесс перезаряда конденсатора.

Расширители импульсов

Рис. 1.9 Формирователь широкого импульса с использованием триггера Шмитта

Пример такой схемы показан на рис. 1.9. Для правильной работы данного одновибратора необходимо, чтобы длительность входного запускающего импульса была достаточно большой, чтобы конденсатор успел полностью разрядиться. После окончания запускающего импульса конденсатор заряжается через резистор до величины напряжения питания. При этом, как только напряжение достигнет Uпор - элемент D2.1 переключится. В этом случае длительность выходного импульса (tи) зависит от номиналов установленных емкости и резистора во времязадающей цепи. Упрощенная формула позволяет ориентировочно рассчитать длительность импульса:

Расширители импульсов, где Е - напряжение питания схемы; Uпор - уровень используемого порога (рис. 1.10) для переключения элемента.

Расширители импульсов

Рис. 1.10. Области допустимых уровней сигнала на входе МОП микросхем

С учетом разброса значений напряжения порога переключения (Uпор) длительность импульса может принимать значения от tмин=0,4RC до tмax=1,11RC. Обычно в одновибраторах используются ЛЭ из одного корпуса (кристалла). В этом случае разброс Unop оказывается незначительным и можно принять tи=0,69RC. Это соотношение используется для определения длительности импульса в большинстве схем, рис. 1.11...1.18. Эпюры напряжения поясняют процессы формирования выходного импульса. Схемы, показанные на одном рисунке, являются аналогичными по логике работы и имеют ту же самую диаграмму напряжений в контрольных точках.

Расширители импульсов

Рис. 1.11. Одновибратор с одной времязадающей цепью

Расширители импульсов

Рис. 1.12. Одновибратор на основе RS-триггера

Расширители импульсов

Рис. 1.13. Одновибратор по фронту входного сигнала

Расширители импульсов

Рис. 1.14. Одновибратор

Расширители импульсов

Рис. 1.15. Формирователи импульса после окончания действия запускающего сигнала

Расширители импульсов

Рис 1.16 Формирователи импульсов

Расширители импульсов

Рис 1.17 Формирователи импульсов

Расширители импульсов

Рис. 1.18 Одновибраторы с двумя времязадающими цепями

В отличие от простейшего варианта (рис 1.9) схемы, приведенные на рис. 1.11...1.14 не чувствительны к длительности входного импульса, из-за чего наиболее широко применяются в аппаратуре. Схемам, рис. 1.9, 1.15...1.17, присуще свойство перезапуска, т. е. если во время формирования выходного импульса появляется очередной запускающий, то отсчет длительности формируемого импульса начнется заново от момента окончания последнего запускающего.

Применяемые в схемах диоды ускоряют процесс перезаряда емкости, что уменьшает возможности возникновения импульсных помех на выходе ЛЭ.

Чтобы выходное сопротивление ЛЭ не сказывалось на точности расчета, а также не перегружался выход, резистор R1 должен быть номиналом не менее 10... 20 кОм. Чтобы пренебречь при расчетах емкостью монтажа, минимальная емкость С1 может быть 200... 600 пФ. Для получения высокой температурной стабильности временного интервала номинал R1 должен быть < 200 кОм, а конденсатор не более 1, 5 мкФ. Использование электролитических конденсаторов увеличивает нестабильность временного интервала.

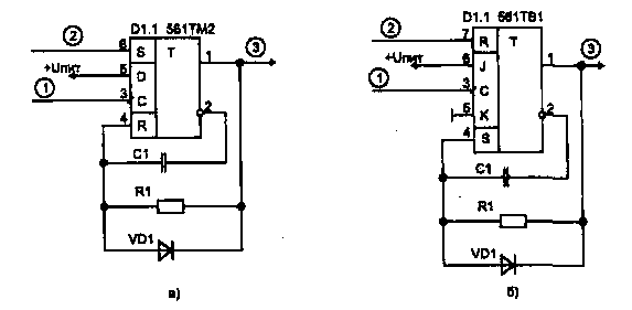
Для уменьшения влияния разброса значений Unop на длительность формируемого импульса можно воспользоваться схемами с двумя времязадающими цепями (рис. 1. 18). Если постоянные времени обеих времязадающих цепей одинаковы, то при максимальном разбросе значений Unop от 0, 33Uпит до 0,69Uпит изменение длительности формируемого импульса не превышает 9%. Выполнение одновибраторов на RS-триггере, рис. 1. 19 и 1. 20, дает возможность иметь два раздельных входа запуска (по переднему фронту импульса), а также сразу получать на выходах прямой импульс и импульс с инверсией. Еще одним преимуществом одновибраторов на RS-триггерах является возможность осуществлять запуск от медленно меняющегося входного напряжения.

Расширители импульсов

Рис. 1.19. Ждущие мультивибраторы: а) на D-триггере; б) на JK-триггере, в) с повышенной стабильностью при изменении питания

Расширители импульсов

Рис 1.20. Ждущие мультивибраторы с увеличенной крутизной выходных импульсов

а) на D-триггере; б) на JK-триггере

 Длительность подаваемых на вход S запускающих импульсов должна быть меньше формируемого (режим, когда на входах S и R одновременно присутствует лог. "1", является запрещенным). На входе С длительность запускающего импульса может быть любой. Диод VD1 ускоряет разряд конденсатора через выход триггера и позволяет увеличить частоту запускающих импульсов (его применение уменьшает время восстановления схемы). Длительность формируемых им пульсов составляет приблизительно tи=0,69R1C1. Минимальное значение сопротивления R1 ограничено максимально допустимым выходным током триггера Его можно менять в пределах 20 кОм...10 МОм, при этом длительность импульса будет меняться в 500 раз. Одновременное изменение значений R1 и С1 позволяет регулировать длительности импульсов в пределах четырех порядков.

Схема на рис. 1.19в обеспечивает более стабильные импульсы при изменении питающего напряжения (аналогичную схему можно собрать и на JK-триггерах).

Для увеличения крутизны спадов выходных импульсов применяют схемы показанные на рис. 1.20, но в них конденсаторы С1 должны быть неполярными. При этом длительность генерируемого импульса при тех же значениях RC-цепи, что и в схемах на рис. 1.18, получается примерно в 2 раза больше.

Расширители импульсов

 Рис 1.21. Ждущий мультивибратор с повышенной стабильностью

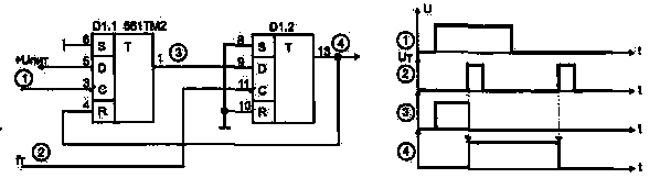
Лучшую стабильность при изменении напряжения питания по сравнению с представленными на рис. 1.19 вариантами обеспечивает схема одновибратора на двух триггерах, рис 1. 21. Кроме того, в этом случае подключение нагрузки не влияет на длительность генерируемых импульсов. Схема состоит из двух одновибраторов, имеющих общий вход запуска, но вырабатывающих на независимых выходах импульсы разной длительности. Импульсы на выходе 5 почти не будут зависеть от напряжения питания.

Расширители импульсов

Рис. 1. 22 Схемы формирователей задержанного импульса.

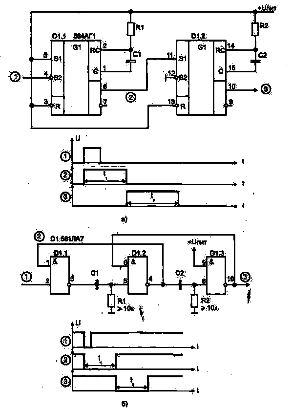
Ждущий универсальный одновибратор можно выполнить на специально предназначенной для этих целей микросхеме (рис 1. 22а). В одном корпусе 564АГ1 (1561АГ1) имеется два одновибратора, обладающих, в зависимости от комбинации управляющих сигналов на входе, свойством обычного запуска по переднему (вход S1) или заднему фронту (S2), а также при необходимости может перезапускаться. Вход R является приоритетным по отношению к остальным входам и устанавливает значение сигнала Q=0 (если вход R не используется, то подключается к +Uпит).

Длительность формируемого сигнала (tи, Q=1) задается соответствующей внешней RC-цепью: tи=0,5RC для С>0,01 мкФ. Более точно определить позволяет приводимая в справочнике [Л8] диаграмма.

Расширители импульсов

Рис. 1. 23 Ждущий мультивибратор на триггере с возможностью перезапуска.

Расширители импульсов

Рис. 1. 24 Ждущий мультивибратор с возможностью перезапуска.

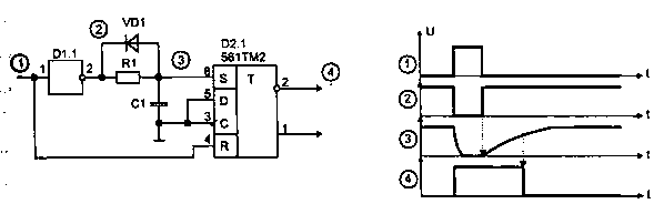
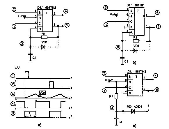
Если требуется иметь перезапуск одновибратора на триггере, в случае прихода очередного входного импульса во время формирования интервала, то схема на рис. 1.23 позволяет увеличить длительность выходного импульса за счет начала отсчета с момента окончания запускающего сигнала. Аналогичная схема приведена на рис. 1. 24. Когда на входе действует лог. "0", конденсатор заряжен до величины напряжения питания (лог. "1"). При поступлении запускающего импульса с длительностью, достаточной для разряда конденсатора, триггер перебросится и генерирует импульс. Длительность этого импульса, после окончания действия входного сигнала, определяется необходимым временем для заряда конденсатора до уровня лог. "1".

Расширители импульсов

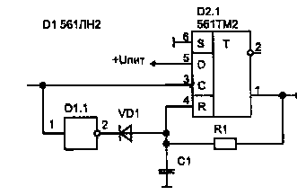
Рис. 1.25 Ждущий мультивибратор с повышенной крутизной фронта выходных импульсов.

Схема (рис. 1.25), в отличии от вышеприведенной, позволяет получить более крутые фронты у сигнала на выходах триггера Второе преимущество этой схемы заключается в том, что по окончании вырабатываемого импульса конденсатор быстро разряжается через диод от уровня Uпор вместо дозаряда до уровня питания (Е) Из-за этого следующий запускающий импульс может быть значительно короче, при сохранении нулевого времени восстановления

Второй метод получения импульса нужной длительности связан с использованием счетчиков - цифровых одновибраторов Их применяют, когда временной интервал должен быть очень большим или предъявляют высокие требования к стабильности формируемого интервала В этом случае минимальная получаемая длительность ограничена только быстродействием используемых элементов, а максимальная длительность может быть любой (в отличие от схем, использующих RC-цепи).

Расширители импульсов

 Рис. 1. 26 Цифровой одновибратор на программируемом счетчике.

Принцип работы цифрового одновибратора основан на включении триггера входным сигналом и отключении через временной интервал, определяемый коэффициентом пересчета счетчика. Использование в одновибраторе счетчиков с переключаемым коэффициентом деления, рис. 1.26, позволяет получить импульс любой длительности. Микросхема 564ИЕ 15 состоит из пяти вычитающих счетчиков, модули пересчета которых программируются параллельной загрузкой данных в двоичном коде. На загрузку чисел в счетчики требуется три такта, поэтому можно устанавливать коэффициент деления N>3 [Л2].

М Nmax
2 17331
4 18663
5 13329
8 21327
10 16659
Номервывода мк/сх Логический уровень для модуля М
2 4 5 8 10 #
14 1 0 1 0 X X
13 1 1 0 0 1 0
11 1 1 1 1 0 0

В таблице приведены максимально возможные коэффициенты деления в зависимости от значения М. При значениях М=0 счет запрещен. Сигнал на входе S управляет режимом периодического (0) и однократного (1) счета. Двоичный код для разных значений модуля М берется из таблицы 1.3 (# - запрет счета, х - любое состояние, лог. "0" или "1"). Общий коэффициент деления микросхемы определяется по формуле:

N=M(1000P1+100P2+10P3+P4)+P5 .

При работе цифрового одновибратора с кварцевым автогенератором тактовой частоты обеспечивается более высокая стабильность длительности выходного импульса, что позволяет их применять в измерительных приборах.

Расширители импульсов

Рис. 1.27. Цифровой одновибратор с повышенной стабильностью временного интервала

Расширители импульсов

Рис. 1.28. Цифровой одновибратор

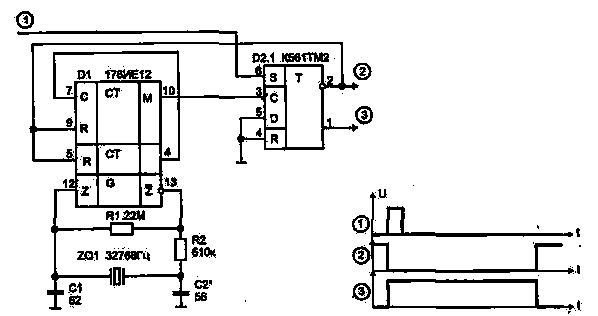
На рис. 1.27 показан пример простейшей схемы для получения импульса с помощью счетчика. Работу одновибраторов поясняют диаграммы, показанные на рисунках. Общим недостатком приведенных на рис 1.27 и 1.28 схем является случайная погрешность, связанная с произвольностью фазы задающего генератора в момент запуска. Погрешность может составлять до периода тактовой частоты и уменьшается с увеличением частоты генератора и коэффициента пересчета счетчика. Устранить этот недостаток позволяет схема на рис. 1.28 (генератор включается при появлении запускающего импульса).

В исходном состоянии на выходе счетчика D2/3 (4) присутствует напряжение лог. "1", что запрещает работу автогенератора на D1.1, D1.2. Запускающий импульс обнуляет счетчик D2, и на его выходе D2/3 будет лог. "0" до момента, пока он не досчитает до появления на D2/3 лог. "1". Поскольку формирование выходного импульса всегда начинается из одного и того же состояния задающего генератора, то исключена случайная погрешность длительности импульса, но эта схема имеет другой недостаток: при включении питания она формирует на выходе импульс неопределенной длительности (в пределах заданного интервала). Схеме присуще свойство перезапуска в случае, если во время формирования выходного импульса появляется очередной запускающий (отсчет длительности формируемого импульса начинается заново).

Расширители импульсов

 Рис 1.29. Одновибратор с синхронизацией длительности выходного импульса с частотой тактового генератора

Схема, показанная на рис 1.29 в момент поступления на вход запускающего импульса, обеспечивает на выходе сигнал, длительность которого равна периоду тактовой частоты (T=1/fт). При кварцевой стабилизации частоты генератора (fт) схема может использоваться в качестве высокостабильного одновибратора.

Публикация: irls.narod.ru

Смотрите другие статьи раздела Начинающему радиолюбителю.

Читайте и пишите полезные комментарии к этой статье.

<< Назад

Последние новости науки и техники, новинки электроники:

Оптимальная продолжительность сна 12.11.2025

Сон играет ключевую роль в поддержании здоровья, когнитивных функций и общего самочувствия. Несмотря на широко распространенный стереотип о восьмичасовом сне, последние исследования показывают, что оптимальная продолжительность сна для большинства здоровых взрослых ближе к семи часам. Эволюционный биолог из Гарварда, Дэниел Э. Либерман, утверждает, что традиционная норма восьми часов сна - это скорее культурное наследие индустриальной эпохи, чем биологическая необходимость. По его словам, полевые исследования, проведенные в сообществах, не использующих электричество, показывают, что средняя продолжительность сна составляет 6-7 часов, что значительно отличается от общепринятого стандарта. Современные эпидемиологические данные подтверждают этот взгляд. Исследования выявили так называемую "U-образную кривую" зависимости между продолжительностью сна и рисками для здоровья. Минимальные показатели заболеваемости и смертности наблюдаются именно у людей, спящих около семи часов в сутки. ...>>

Дефицит кислорода усиливает выброс закиси азота 12.11.2025

Парниковые газы играют ключевую роль в изменении климата, а закись азота (N2O) - один из наиболее опасных среди них. Этот газ не только втрое сильнее углекислого газа в удержании тепла, но и разрушает озоновый слой. Недавнее исследование американских ученых показало, что микробы в зонах с низким содержанием кислорода активно производят N2O, усиливая глобальные климатические риски. Команда из Университета Пенсильвании изучала прибрежные воды у Сан-Диего и провела наблюдения на глубинах от 40 до 120 метров в Восточной тропической северной части Тихого океана - одной из крупнейших зон дефицита кислорода. Исследователи сосредоточились на том, как морские микроорганизмы превращают нитраты в закись азота. В ходе работы выяснилось, что существует два пути образования N2O. Один путь начинается с нитрата, другой - с нитрита. На первый взгляд более короткий путь должен быть эффективнее, однако микробы, использующие нитрат, продуцируют больше газа, поскольку этот "сырьевой" источник более д ...>>

Омега-3 помогают молодым кораллам выживать 11.11.2025

Сохранение коралловых рифов становится все более актуальной задачей в условиях глобального изменения климата. Молодые кораллы особенно уязвимы на ранних стадиях развития, когда стрессовые условия и нехватка питательных веществ могут привести к высокой смертности. Недавнее исследование ученых из Технологического университета Сиднея показывает, что специальные пищевые добавки способны существенно повысить выживаемость личинок кораллов. В ходе работы исследователи разработали особый состав "детского питания" для коралловых личинок. В него вошли масла, богатые омега-3 жирными кислотами, а также важные стерины, необходимые для формирования клеточных мембран. Личинки, получавшие эти добавки, развивались быстрее, становились крепче и демонстрировали более высокую устойчивость к стрессовым факторам. Особое внимание ученые уделили липидам. Анализ показал, что личинки активно усваивают эти вещества, что напрямую влияет на их жизнеспособность. Стерины, содержащиеся в корме, повышают устойчи ...>>

Случайная новость из Архива

Разноцветные фотоны 25.07.2017

Несмотря на огромное количество исследований в области квантовых вычислений, универсальные квантовые компьютеры так и продолжают оставаться исключительно теоретическим понятием. Напомним нашим читателям, что основой любого квантового компьютера или коммуникационной системы являются квантовые биты, называемые кубитами. Кубиты отличаются от традиционных битов тем, что они могут помимо, двух основных состояний, 1 или 0, находиться в третьем состоянии - в состоянии суперпозиции, когда значение кубита равно одновременно 1 и 0. Это, в свою очередь, позволяет при помощи одного кубита выполнять две параллельных вычислительных операции.

Соединение отдельных кубитов в вычислительную систему производится при помощи явления квантовой запутанности. При этом, система из двух кубитов уже способна выполнять четыре параллельных оп5ерации, а система из трех кубитов - восемь. А система, количество кубитов в которой исчисляется уже десятками, способна производить вычисления гораздо быстрее, чем традиционные компьютеры.

Тем не менее, состояние суперпозиции и явление квантовой запутанности представляют собой чрезвычайно хрупкими вещами, разрушающимися при малейшем воздействии на них извне. И ученые из института INRS (Institut national de la recherche scientifique), Канада, предложили весьма интересную и перспективную альтернативу кубитам - многомерные квантовые биты (quDit), основанные на использовании "разноцветных" фотонов света. Более того, эти исследователи создали квантовый чип, на котором были созданы два quDit-а, при помощи которого были проведены исследования этой новой квантовой технологии.

На поверхности квантового чипа расположен оптический резонатор, в который запускаются два запутанных фотона света. Каждый из фотонов может иметь 10 основных квантовых состояний, определяемых его длиной волны (цветом) и находиться в состояние суперпозиции, в котором он может быть красным И зеленым И синим И желтым одновременно. Эти цвета были приведены условно, так как на практике использовались фотоны инфракрасного диапазона.

Таким образом, каждый из "разноцветных" фотонов способен находиться в 100 различных состояниях, а система из двух таких фотонов, quDit-ов, по производительности (количеству выполняемых ею параллельных операций) эквивалентна системе с 12 классическими запутанными друг с другом кубитами. "Нам впервые удалось получить достаточно простым способом многомерное квантовое состояние" - рассказывает Майкл Куес (Michael Kues), ведущий исследователь, - "А нашей следующей задачей станет использование такой многомерной квантовой системы для выполнения практических вычислений".

Другие интересные новости:

▪ Материнская плата Supermicro A1SA7-2750F оснащена 17 портами SATA

▪ Назрела необходимость в упрощении использования сотовых телефонов

▪ Миниатюрные модули Intel Curie

▪ Ultra HD 3D-экрану Toshiba не нужны очки

▪ Быстрая смена аккумуляторов электрокаров Tesla

Лента новостей науки и техники, новинок электроники

 

Интересные материалы Бесплатной технической библиотеки:

▪ раздел сайта Зрительные иллюзии. Подборка статей

▪ статья Альфред Адлер. Знаменитые афоризмы

▪ статья Чему посвящен недостроенный монумент в центре Эдинбурга? Подробный ответ

▪ статья Гидротехник. Должностная инструкция

▪ статья Схема подключения модема к АВУ. Энциклопедия радиоэлектроники и электротехники

▪ статья Вертушка на булавке. Физический эксперимент

Оставьте свой комментарий к этой статье:

Имя:


E-mail (не обязательно):


Комментарий:





Главная страница | Библиотека | Статьи | Карта сайта | Отзывы о сайте

www.diagram.com.ua

www.diagram.com.ua
2000-2025