Бесплатная техническая библиотека
Генераторы импульсов (мультивибраторы, автогенераторы). Энциклопедия радиоэлектроники и электротехники

Энциклопедия радиоэлектроники и электротехники / Начинающему радиолюбителю
Комментарии к статье
Вариант простейшего генератора (мультивибратора) показан на рис. 1а.

Рис. 1. Генератор импульсов на двух инверторах
Схема имеет два динамических состояния. В первом из них, когда на выходе D1.1 состояние лог. "1" (выход D1.2 лог. "0"), конденсатор С1 заряжается. В процессе заряда напряжение на входе инвертора D1.1 возрастает, и при достижении значения Uпор=0,5Uпит происходит скачкообразный переход во второе динамическое состояние, в котором на выходах D1.1 лог. "0", D1.2 - "1". В этом состоянии происходит перезаряд емкости (разряд) током обратного направления. При достижении напряжения на С1 Unop происходит возврат схемы в первое динамическое состояние. Диаграмма напряжений поясняет работу. Резистор R2 является ограничительным, и его сопротивление не должно быть меньше 1 кОм, а чтобы он не влиял на расчетную частоту, номинал резистора R1 выбираем значительно больше R2 (R2<0,01R1). Ограничительный резистор (R2) иногда устанавливают последовательно с конденсатором. При использовании неполярного конденсатора С1 длительность импульсов (tи) и пауза (tо) будут почти одинаковыми: tи=to=0,7R1C1. Полный период T=1,4R1C1. Резистор R1 и конденсатор С1 могут находиться в диапазоне 20 к0м...10 МОм; 300 пФ...100 мкФ.
При использовании в схеме (рис. 1б) двух инверторов микросхемы К561ЛН2 (они имеют на входе только один защитный диод) перезаряд конденсатора будет происходить от уровня Uпит+Unop. В результате чего симметричность импульсов нарушается tи=1,1R1C1, to=0,5R1C1, период T=1,6R1C1.
Так как порог переключения логических элементов не соответствует точно половине напряжения питания, чтобы получить симметричность импульсов, в традиционную схему генератора можно добавить цепь из R2 и VD1, рис. 1в. Резистор R2 позволяет подстройкой получить меандр (tи=to) на выходе генератора.

Рис 2. Генератор импульсов с раздельной установкой длительности импульса и паузы между ними
Схема на рис. 2 дает возможность раздельно регулировать длительность и паузу между импульсами: tи=0,8C1R1, to=0,8C1R2. При номиналах элементов, указанных на схеме, длительность импульсов около 0,1 с, период повторения 1 с.

Рис. 3. Генератор импульсов на трех инверторах
Более стабильна частота у генераторов, выполненных на трех инверторах (Рис. 3). Процесс перезаряда С1 в сторону уменьшения напряжения на левой обкладке начинается от напряжения Uпит+Unop, в результате чего на это уходит больше времени tи=1,1C1R2. Полный период колебаний составит T=1,8C1R2.

Рис. 4. Генератор импульсов с раздельной регулировкой а) длительности импульсов и паузы между ними б) скважности импульсов
На рис. 4 приведены схемы аналогичных генераторов, которые позволяют раздельно регулировать длительность и паузу между импульсами или при неизменной частоте регулировать скважность импульсов. Мультивибратор на основе триггера Шмидта показан на рис. 5.

Рис. 5. Генератор перекрывающихся импульсов
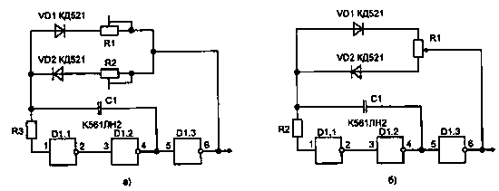
Если требуется получить на выходе приведенных выше схем генераторов симметричные импульсы без подстройки, то после схемы необходимо ставить триггер или же воспользоваться схемой на трех инверторах, рис. 6.

Рис. 6. Генератор с симметричными импульсами на выходе
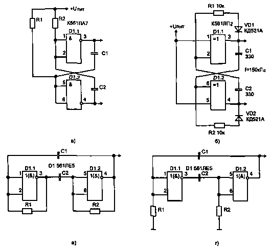
Элемент D1.1 используется для создания второй цепи отрицательной обратной связи, охватывающей инвертор D1.2 (главную цепь обратной связи для сигнала образует резистор R5) Элемент микросхемы D1.1 работает в режиме с низким коэффициентом усиления при замкнутой обратной связи подобно операционному усилителю работающему в линейной части характеристики В результате этого инвертированное пороговое напряжение инвертора D1 1 может быть просуммировано с напряжением отрицательной обратной связи и подано на вход элемента D1.2. Если соотношение R2/R1 равно отношению R3/R5 может быть получена полная компенсация ошибок обусловленных изменением пороговых напряжении элементов D1.1 и D1.2 При этом предполагается, что все элементы схемы расположены в одном корпусе и их пороговые напряжения фактически равны Частота импульсов такой схемы определяется из соотношения F=1/R5C1 (она будет примерно в два раза выше по сравнению со схемой, показанной на рис. 1).

Рис. 7. Симметричные мультивибраторы
а) на RS триггере с двумя конденсаторами
б) с одним конденсатором, в) с резисторами соединенными с источником питания
г) на двух RS триггерах
Симметричный мультивибратор можно выполнить на основе RS-триггере, рис 7. Вариант схемы на рис. 7в позволяет резисторы R1 и R2 выбирать более низкоомными, потому что диоды разделяют цепь заряда от выходов триггера. Вторым преимуществом этой схемы является то, что она позволяет легко и независимо регулировать в определенных границах период и скважность генерируемых импульсов. Скважность можно регулировать линейно, если R1 и R2 объединить в один потенциометр, а период - если общий конец R1 и R2 соединить с источником питания через потенциометр. С целью уменьшения количества дискретных элементов предложена схема мультивибратора на двух RS-триггерах, рис. 7г.
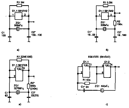
Рис. 13. Схемы обеспечивающие повышенную стабильность частоты при изменении окружающей температуры в широком диапазоне
При стабилизированном питании, изменение длительности импульсов мультивибраторов и частоты в генераторах на RC-цепях обычно не лучше 1% на 15°С (в случае применения термостабильных конденсаторов). Большую стабильность частоты можно получить, используя кварцевую стабилизацию. На рис. 12 и 13 приведены типовые схемы построения таких генераторов. Для небольшой подстройки частоты иногда последовательно с кварцевым резонатором устанавливают конденсатор 10...100 пФ. Частота импульсов и их стабильность в этом случае у генератора задается параметрами кварцевого резонатора.



Публикация: irls.narod.ru
Смотрите другие статьи раздела Начинающему радиолюбителю.
Читайте и пишите полезные комментарии к этой статье.
<< Назад
Последние новости науки и техники, новинки электроники:
Роботизированные кроссовки Sidekick
18.01.2026
Американский стартап Dephy представил инновационные кроссовки Sidekick с электроприводом, которые работают как дополнительная икроножная мышца, помогая пользователю быстрее перемещаться и меньше уставать.
Sidekick представляет собой сочетание обуви и мини-экзоскелета, встроенного в область косточки. За счет электропривода кроссовки поддерживают движение стопы и усиливают сокращение икроножных мышц, снижая нагрузку на ноги. Это позволяет ходить дольше и с меньшей усталостью, особенно при длительных прогулках или активной работе на ногах.
В отличие от многих носимых устройств, для работы Sidekick не требуется установка приложений или индивидуальная калибровка. Кроссовки автоматически подстраиваются под шаг и особенности движения владельца, обеспечивая комфорт и простоту использования с первого надевания.
Комплект включает в себя сам экзоскелет на косточку и пару кроссовок, доступных в белом и черном цвете. Устройство питается от аккумуляторов, что делает его автономным и готовым ...>>
Поющий леденец Lollipop Sta
18.01.2026
Компания Lava представила Lollipop Star - леденец на палочке, способный воспроизводить музыку через костную проводимость, прямо "в голове" пользователя.
Особенность устройства заключается в том, что звук передается не через воздух, как у традиционных динамиков, а через вибрации челюсти. Пользователь должен прикусить леденец задними коренными зубами: электронный модуль в палочке преобразует вибрации в звук, который достигает внутреннего уха. Таким образом, поедание конфеты превращается в необычный аудиофеномен.
Съедобная часть леденца соединена с небольшим электронным модулем в ручке, где расположены кнопка включения и механизм вибрации. После активации звуковой сигнал передается через костную проводимость, создавая эффект музыки "внутри головы". Ориентировочная цена продукта составляет 8,99 долларов, а в продажу он поступит после завершения CES.
На старте продаж Lollipop Star будет доступен в трех вкусах, каждый из которых ассоциирован с определенной песней и исполнителем. Пер ...>>
Интерактивная система Lego Smart Play
17.01.2026
Компания Lego предложила новый подход к конструкторским играм, представив платформу Smart Play, которая объединяет традиционные кирпичики с сенсорами, звуками и возможностью реагировать на действия ребенка. Разработка системы заняла около восьми лет и направлена на поддержку социальной, сюжетной и творческой игры.
Главная идея Smart Play заключается в том, чтобы "спрятать" сложную электронику внутри конструкции. Это позволяет детям сосредотачиваться не на гаджетах, а на создании историй, взаимодействии с персонажами и собственной фантазии. Технология ориентирована на развитие творческого мышления и вовлечение в игру с самого начала.
Система базируется на специальном "умном кирпиче", оснащенном датчиками, который способен реагировать на движение, воспроизводить звуки и распознавать другие элементы конструктора, включая умные минифигурки. Дополнительные Tiny Smart Tags позволяют платформе понимать контекст использования кирпичей: например, находится ли элемент в машине, вертолете и ...>>
Случайная новость из Архива Защита велосипедистов от внезапно открытых дверей
02.12.2025
Городская мобильность в Европе все чаще строится вокруг велосипеда, однако рост числа велопоездок обнажил и новые риски. Одним из самых коварных считается столкновение с внезапно открытой дверью припаркованного автомобиля - ситуация, в которой велосипедист либо врезается напрямую, либо инстинктивно уходит в сторону и попадает под колеса движущегося транспорта. В Германии эту проблему намерены решать на государственном уровне.
Федеральное правительство ФРГ объявило о планах сделать обязательными системы предупреждения об открывании автомобильных дверей. Цель инициативы - снизить число тяжелых аварий с участием велосипедистов. О подготовке таких мер со ссылкой на Министерство транспорта Германии, Общегерманский велосипедный клуб ADFC и Немецкий автомобильный клуб ADAC сообщила газета Rheinische Post.
Аварии подобного типа известны под названием dooring - от английского слова door, "дверь". Они происходят, когда водитель или пассажир припаркованного автомобиля неожиданно распахивает дверь, а велосипедист, водитель электросамоката или мопеда не успевает среагировать. Чаще всего такие инциденты случаются в крупных городах, где велосипедные дорожки проходят вплотную к парковочным зонам или где велосипедисты вынуждены объезжать автомобили, стоящие вдоль тротуаров.
По данным Общегерманского велосипедного клуба ADFC, в последние годы количество подобных аварий растет. В Гамбурге такие столкновения фиксируются все чаще, и аналогичная картина наблюдается в других городах страны. Эксперты подчеркивают, что последствия dooring нередко оказываются крайне тяжелыми: речь идет о серьезных травмах, инвалидности и даже смертельных исходах.
Исследования подтверждают масштаб проблемы. Немецкий центр исследования аварий страховщиков (UDV) еще в 2020 году установил, что 18% всех аварий с травмированием велосипедистов и пешеходов были связаны с припаркованными транспортными средствами, а столкновения из-за открытых дверей стали одной из ключевых причин. При этом общефедеральной статистики именно по dooring не существует, что, по мнению специалистов, лишь усложняет оценку реальных рисков.
Тем не менее данные отдельных федеральных земель говорят сами за себя. Директор ADFC Каролина Лодеманн указывает, что в Берлине аварии при посадке или высадке из автомобиля занимают третье место среди причин ДТП с участием велосипедистов - только зафиксировано 435 таких случаев. В Кельне за прошлый год было зарегистрировано около 120 аварий, связанных с открытием дверей, а страховщики отмечают, что почти каждая пятая авария в городе так или иначе связана с припаркованным автомобилем.
В ADFC считают, что ключевым решением должны стать системы помощи водителю, прежде всего предупреждения об открытии двери и автоматическое экстренное торможение. Эту позицию поддерживает и ADAC, хотя в автомобильном клубе подчеркивают, что новые требования, вероятнее всего, будут распространяться только на новые автомобили. Из-за большого количества подержанных транспортных средств в ЕС эффект от таких мер станет заметен лишь спустя годы.
Тем не менее автопроизводители уже начинают реагировать на запрос общества: многие европейские заводы предлагают системы предупреждения об открытии дверей, пусть пока и в виде опционального оснащения. Поскольку нормы для легковых автомобилей принимаются на уровне Европейского союза, немецкая инициатива может стать важным шагом к общеевропейским изменениям. В долгосрочной перспективе обязательные предупреждающие системы способны существенно снизить число тяжелых аварий и сделать города безопаснее для одной из самых уязвимых групп участников дорожного движения - велосипедистов.
|
Другие интересные новости:
▪ Цветы и зрение пчел
▪ Слоны на беговой дорожке
▪ Что последует за FULL HD
▪ Плащ-невидимка почти готов
▪ Смартфон-хамелеон
Лента новостей науки и техники, новинок электроники
Интересные материалы Бесплатной технической библиотеки:
▪ раздел сайта Опыты по физике. Подборка статей
▪ статья Наш брат Исакий. Крылатое выражение
▪ статья Что такое вегетарианство? Подробный ответ
▪ статья Начальник отдела авторских программ. Должностная инструкция
▪ статья ГКЧ - 0,15 - 230МГц. Энциклопедия радиоэлектроники и электротехники
▪ статья Заземление и защитные меры электробезопасности. Соединения и присоединения заземляющих, защитных проводников и проводников системы уравнивания и выравнивания потенциалов. Энциклопедия радиоэлектроники и электротехники
Оставьте свой комментарий к этой статье:
Главная страница | Библиотека | Статьи | Карта сайта | Отзывы о сайте

www.diagram.com.ua 2000-2026
|