Menu Home

Бесплатная техническая библиотека для любителей и профессионалов Бесплатная техническая библиотека


Конструкции И. Бакомчева. Энциклопедия радиоэлектроники и электротехники

Бесплатная техническая библиотека

Энциклопедия радиоэлектроники и электротехники / Начинающему радиолюбителю

Комментарии к статье Комментарии к статье

Однокаскадный усилитель ЗЧ (рис. 1)

Однокаскадный усилитель ЗЧ

Это простейшая конструкция, которая позволяет продемонстрировать усилительные способности транзистора. Правда, коэффициент усиления по напряжению невелик - он не превышает 6, поэтому сфера применения такого устройства ограничена. Тем не менее его можно подключить, скажем, к детекторному радиоприемнику (он должен быть нагружен на резистор 10 кОм) и с помощью головного телефона BF1 прослушивать передачи местной радиостанции.

Усиливаемый сигнал поступает на входные гнезда Х1, Х2, а напряжение питания (как и во всех остальных конструкциях этого автора, оно составляет 6 В - четыре гальванических элемента напряжением по 1,5 В, соединенных последовательно) подается на гнезда Х3, Х4. Делитель R1 R2 задает напряжение смещения на базе транзистора, а резистор R3 обеспечивает обратную связь по току, что способствует температурной стабилизации работы усилителя.

Как происходит стабилизация? Предположим, что под воздействием температуры увеличился ток коллектора транзистора. Соответственно увеличится падение напряжения на резисторе R3. В итоге уменьшится ток эмиттера, а значит, и ток коллектора - он достигнет первоначального значения.

Нагрузка усилительного каскада - головной телефон сопротивлением 60...100 Ом.

Проверить работу усилителя несложно, нужно коснуться входного гнезда Х1, например, пинцетом - в телефоне должно прослушиваться слабое жужжание, как результат наводки переменного тока. Ток коллектора транзистора составляет около 3 мА.

Двухкаскадный усилитель ЗЧ на транзисторах разной структуры (рис. 2)

Двухкаскадный усилитель ЗЧ на транзисторах разной структуры

Он выполнен с непосредственной связью между каскадами и глубокой отрицательной обратной связью по постоянному току, что делает его режим независящим от температуры окружающей среды. Основа температурной стабилизации - резистор R4, "работающий" аналогично резистору R3 в предыдущей конструкции.

Усилитель более "чувствительный" по сравнению с однокаскадным - коэффициент усиления по напряжению достигает 20. На входные гнезда можно подавать переменное напряжение амплитудой не более 30 мВ, иначе возникнут искажения, прослушиваемые в головном телефоне.

Проверяют усилитель, прикоснувшись пинцетом (или просто пальцем) входного гнезда Х1 - в телефоне раздастся громкий звук. Усилитель потребляет ток около 8 мА.

Эту конструкцию можно использовать для усиления слабых сигналов, например, от микрофона. И конечно, он позволит значительно усилить сигнал ЗЧ, снимаемый с нагрузки детекторного приемника.

Двухкаскадный усилитель ЗЧ на транзисторах одинаковой структуры (рис. 3)

Двухкаскадный усилитель ЗЧ на транзисторах одинаковой структуры

Здесь также использована непосредственная связь между каскадами, но стабилизация режима работы несколько отличается от предыдущих конструкций. Допустим, что ток коллектора транзистора VT1 уменьшился. Падение напряжения на этом транзисторе увеличится, что приведет к увеличению напряжения на резисторе R3, включенном в цепи эмиттера транзистора VT2. Благодаря связи транзисторов через резистор R2, увеличится ток базы входного транзистора, что приведет к увеличению его тока коллектора. В итоге первоначальное изменение тока коллектора этого транзистора будет скомпенсировано.

Чувствительность усилителя весьма высока - коэффициент усиления достигает 100. Усиление в сильной степени зависит от емкости конденсатора С2 - если его отключить, усиление снизится. Входное напряжение должно быть не более 2 мВ.

Усилитель хорошо работает с детекторным приемником, с электретным микрофоном и другими источниками слабого сигнала. Ток, потребляемый усилителем, - около 2 мА.

Двухтактный усилитель мощности ЗЧ (рис. 4)

Двухтактный усилитель мощности ЗЧ

Он выполнен на транзисторах разной структуры и обладает усилением по напряжению около 10. Наибольшее входное напряжение может быть 0,1 В.

Усилитель двухкаскадный: первый собран на транзисторе VT1, второй - на VT2 и VT3 разной структуры. Первый каскад усиливает сигнал ЗЧ по напряжению, причем обе полуволны одинаково. Второй - усиливает сигнал по току, но каскад на транзисторе VT2 "работает" при положительных полуволнах, а на транзисторе VT3 - при отрицательных.

Режим по постоянному току выбран таким, что напряжение в точке соединения эмиттеров транзисторов второго каскада равно примерно половине напряжения источника питания. Это достигается включением резистора R2 обратной связи. Ток коллектора входного транзистора, протекая через диод VD1, приводит к падению на нем напряжения, которое является напряжением смещения на базах выходных транзисторов (относительно их эмиттеров), - оно позволяет уменьшить искажения усиливаемого сигнала.

Нагрузка (несколько параллельно включенных головных телефонов либо динамическая головка) подключена к усилителю через оксидный конденсатор С2. Если усилитель будет работать на динамическую головку (сопротивлением 8...10 Ом), емкость этого конденсатора должна быть минимум вдвое больше.

Обратите внимание на подключение нагрузки первого каскада - резистора R4. Его верхний по схеме вывод соединен не с плюсом питания, как это обычно делается, а с нижним выводом нагрузки.

Это так называемая цепь вольтодобавки, при которой в базовую цепь выходных транзисторов поступает небольшое напряжение ЗЧ положительной обратной связи, выравнивающее условия работы транзисторов.

Двухуровневый индикатор напряжения (рис. 5)

Двухуровневый индикатор напряжения

Такое устройство можно использовать, например, для индикации "истощения" батареи питания либо индикации уровня воспроизводимого сигнала в бытовом магнитофоне. Макет индикатора позволит продемонстрировать принцип его работы.

В нижнем по схеме положении движка переменного резистора R1 оба транзистора закрыты, светодиоды HL1, HL2 погашены. При перемещении движка резистора вверх, напряжение на нем увеличивается. Когда оно достигнет напряжения открывания транзистора VT1, вспыхнет светодиод HL1.

Если продолжать перемещать движок, наступит момент, когда вслед за диодом VD1 откроется транзистор VT2. Вспыхнет и светодиод HL2. Иными словами, малое напряжение на входе индикатора вызывает свечение только светодиода HL1, а большее - обоих светодиодов.

Плавно уменьшая входное напряжение переменным резистором, заметим, что вначале гаснет светодиод HL2, а затем - HL1. Яркость светодиодов зависит от ограничительных резисторов R3 и R6: при увеличении их сопротивлений яркость падает.

Чтобы подключить индикатор к реальному устройству, нужно отсоединить верхний по схеме вывод переменного резистора от плюсового провода источника питания и подать контролируемое напряжение на крайние выводы этого резистора. Перемещением его движка подбирают порог "срабатывания" индикатора.

При контроле только напряжения источника питания допустимо установить на месте HL2 светодиод зеленого свечения (АЛ307Г).

Трехуровневый индикатор напряжения (рис. 6)

Трехуровневый индикатор напряжения

Он выдает световые сигналы по принципу меньше нормы - норма - больше нормы. Для этого в индикаторе использованы два светодиода красного свечения и один - зеленого.

При некотором напряжении на движке переменного резистора R1 ("напряжение в норме") оба транзистора закрыты и "работает" только зеленый светодиод HL3. Перемещение движка резистора вверх по схеме приводит к увеличению напряжения ("больше нормы") на нем. Открывается транзистор VT1. Светодиод HL3 гаснет, а HL1 зажигается. Если движок перемещать вниз и уменьшать таким образом напряжение на нем ("меньше нормы"), транзистор VT1 закроется, а VT2 откроется. Будет наблюдаться такая картина: вначале погаснет светодиод HL1, затем зажжется и вскоре погаснет HL3 и в заключение вспыхнет HL2.

Из-за низкой чувствительности индикатора получается плавный переход от погасания одного светодиода к зажиганию другого: еще не погас полностью, например, HL1, а уже зажигается HL3.

Триггер Шмитта (рис. 7)

Триггер Шмитта

Как известно, это устройство используется обычно для преобразования медленно изменяющегося напряжения в сигнал прямоугольной формы.

Когда движок переменного резистора R1 находится в нижнем по схеме положении, транзистор VT1 закрыт. Напряжение на его коллекторе высокое. В результате транзистор VT2 оказывается открытым, а значит, светодиод HL1 зажжен. На резисторе R3 образуется падение напряжения.

Медленно перемещая движок переменного резистора вверх по схеме, удастся достичь момента, когда произойдет скачкообразное открывание транзистора VT1 и закрывание VT2. Это случится при превышении напряжения на базе VT1 падения напряжения на резисторе R3. Светодиод погаснет.

Если после этого перемещать движок вниз, триггер возвратится в первоначальное положение - вспыхнет светодиод. Это произойдет при напряжении на движке меньшем, чем напряжение выключения светодиода.

Ждущий мультивибратор (рис. 8)

Ждущий мультивибратор

Такое устройство обладает одним устойчивым состоянием и переходит в другое только при подаче входного сигнала. При этом мультивибратор формирует импульс "своей" длительности независимо от длительности входного. Убедимся в этом, проведя эксперимент с макетом предлагаемого устройства.

В исходном состоянии транзистор VT2 открыт, светодиод HL1 светится. Достаточно теперь кратковременно замкнуть гнезда Х1 и Х2, чтобы импульс тока через конденсатор С1 открыл транзистор VT1. Напряжение на его коллекторе снизится, и конденсатор С2 окажется подключенным к базе транзистора VT2 в такой полярности, что тот закроется. Светодиод погаснет.

Конденсатор начнет разряжаться, ток разрядки потечет через резистор R5, удерживая транзистор VT2 в закрытом состоянии. Как только конденсатор разрядится, транзистор VT2 вновь откроется и мультивибратор перейдет снова в режим "ожидания".

Длительность формируемого мультивибратором импульса (продолжительность нахождения в неустойчивом состоянии) не зависит от длительности запускающего, а определяется сопротивлением резистора R5 и емкостью конденсатора С2. Если подключить параллельно С2 конденсатор такой же емкости, светодиод вдвое дольше будет оставаться в погашенном состоянии.

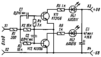
Сигнализатор перегрузки по току (рис. 1)

Сигнализатор перегрузки по току

Бывает, что вам нужно проследить за током, потребляемым нагрузкой, и в случае его превышения - вовремя отключить источник питания, чтобы не вышли из строя нагрузка или источник. Для выполнения подобной задачи служат сигнализаторы, извещающие о превышении нормы потребляемого тока. Особую роль выполняют такие устройства при коротком замыкании в цепи нагрузки.

Каков принцип работы сигнализатора? Понять его позволит предлагаемый макет устройства, выполненный на двух транзисторах. Если резистор R1 отключен от гнезд Х1, Х2, нагрузкой для источника питания (его подключают к гнездам Х3, Х4) будет цепь из резистора R2 и светодиода HL1 - он горит, информируя о наличии напряжения на гнездах Х1 и Х2. При этом ток протекает через датчик сигнализатора - резистор R6. Но падение напряжения на нем невелико, поэтому транзистор VT1 закрыт. Соответственно закрыт и транзистор VT2, светодиод HL2 погашен. Стоит подключить к гнездам Х1, Х2 дополнительную нагрузку в виде резистора R1 и увеличить таким образом общий ток, как падение напряжения на резисторе R6 увеличится. При соответствующем положении движка переменного резистора R7, которым устанавливают порог срабатывания сигнализатора, транзисторы VT1 и VT2 откроются. Вспыхнет светодиод HL2 и просигнализирует о критической ситуации. Светодиод HL1 продолжает светиться, сообщая о наличии напряжения на нагрузке.

А что будет при коротком замыкании в цепи нагрузки? Для этого достаточно замкнуть (на короткое время) гнезда Х1 и Х2. Снова вспыхнет светодиод HL2, а HL1 погаснет.

Движок переменного резистора можно установить в такое положение, при котором сигнализатор не будет реагировать на подключение резистора R1 сопротивлением 1 кОм, но "сработает", когда на месте дополнительной нагрузки окажется резистор, скажем, сопротивлением 300 Ом (он входит в состав набора).

Приставка "Цветной звук" (рис. 2)

Приставка "Цветной звук"

Одна из популярных радиолюбительских конструкций - светодинамическая установка (СДУ). Ее еще называют "цветомузыкальной приставкой". При подключении такой приставки к источнику звука, на ее экране появляются самые причудливые цветовые всполохи.

Очередная конструкция набора - простейшее устройство, позволяющее познакомиться с принципом получения "цветного звука".

На входе приставки стоят два частотных фильтра - С1 R4 и R3C2. Первый из них пропускает высшие частоты, а второй - низшие. Выделенные фильтрами сигналы поступают на усилительные каскады, нагрузками которых являются светодиоды. Причем в канале высших частот стоит светодиод HL1 зеленого цвета свечения, а в канале низших частот - красного (HL2).

Источником сигнала звуковой частоты может стать, например, радиоприемник или магнитофон. К динамической головке одного из них нужно подключить два провода в изоляции и соединить их с входными гнездами Х1 и Х2 приставки. Прослушивая воспроизводимую мелодию, вы будете наблюдать вспышки светодиодов. Кроме того, нетрудно различать "реакцию" светодиодов на звуки той или иной тональности. Скажем, при звуках барабана будет вспыхивать светодиод красного цвета свечения, а звуки скрипки вызовут вспышки светодиода зеленого цвета. Яркость светодиодов устанавливают регулятором громкости источника звукового сигнала.

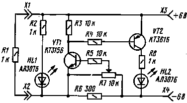
Индикатор температуры (рис. 3)

Индикатор температуры

Всем известен обычный ртутный термометр, столбик которого поднимается при повышении температуры тела. В данном случае датчиком является ртуть, расширяющаяся с нагревом.

Существует немало электронных компонентов, также чувствительных к температуре. Они порой становятся датчиками в приборах, предназначенных для измерения температуры, скажем, окружающей среды, или индикации превышения ее заданной нормы.

В качестве такого термочувствительного элемента в предлагаемом макете использован кремниевый диод VD1. Он включен в эмиттерную цепь транзистора VT1. Начальный ток через диод задают (переменным резистором R1) такой, чтобы светодиод HL1 едва светился.

Если теперь прикоснуться к диоду пальцем или каким-либо нагретым предметом, его сопротивление уменьшится, а значит, уменьшится и падение напряжения на нем. В итоге увеличится коллекторный ток транзистора VT1 и падение напряжения на резисторе R3. Транзистор VT2 начнет закрываться, a VT3, наоборот, открываться. Яркость светодиода будет возрастать. После охлаждения диода яркость светодиода достигнет первоначального значения.

Аналогичные результаты удастся получить, если нагревать транзистор VT1. А вот нагрев транзистора VT2, а тем более VT3 на яркости светодиода практически не скажется - слишком мало изменение тока через них.

Эти эксперименты показывают, что параметры полупроводниковых приборов (диодов и транзисторов) зависят от температуры окружающей среды.

Публикация: cxem.net

Смотрите другие статьи раздела Начинающему радиолюбителю.

Читайте и пишите полезные комментарии к этой статье.

<< Назад

Последние новости науки и техники, новинки электроники:

Власть является ключевым фактором счастья в отношениях 11.03.2026

Исследования семейных и романтических отношений показывают, что длительное счастье пары зависит не только от привычных факторов, таких как доверие, уважение и преданность, но и от более тонких психологических аспектов. Современные ученые ищут закономерности, которые отличают действительно счастливые пары от остальных, чтобы понять, какие механизмы поддерживают гармонию в отношениях. Группа исследователей из Университета Мартина Лютера в Галле-Виттенберге и Бамбергского университета провела опрос среди 181 пары, которые состояли в совместных отношениях более восьми лет и прожили вместе хотя бы месяц. Участники заполняли анкету, описывая различные аспекты своих отношений, включая распределение обязанностей, эмоциональную поддержку и степень вовлеченности в совместные решения. Анализ данных показал интересный паттерн: пары, где оба партнера ощущали высокий уровень личной власти, оказывались наиболее счастливыми и удовлетворенными. В данном контексте под властью понимается способност ...>>

Защищенная колонка-повербанк Anker Soundcore Boom Go 3i 11.03.2026

Компания Anker представила новую модель линейки Soundcore - колонку Soundcore Boom Go 3i, ориентированную на активное использование на улице. Новинка отличается высокой степенью защиты: корпус соответствует стандарту IP68, что обеспечивает водо- и пыленепроницаемость, а ударопрочный дизайн выдерживает падение с высоты до одного метра. За качество звука отвечает 15-ваттный драйвер, обеспечивающий пик громкости до 92 дБ, а технология BassUp 2.0 усиливает низкие частоты, делая звучание более насыщенным. Колонка обладает автономностью до 24 часов, а LED-индикатор позволяет контролировать уровень заряда батареи. Кроме того, Soundcore Boom Go 3i может выполнять функцию павербанка: согласно внутренним тестам, устройство способно зарядить iPhone 17 с нуля до 40% за один час, что делает его полезным аксессуаром в походах и поездках. Среди функциональных особенностей модели стоит выделить технологию Auracast, которая улучшает подключение и позволяет создавать стереопару из двух колонок ...>>

Раннее воздержание от алкоголя перестраивает мозг и иммунитет 10.03.2026

Алкогольная зависимость - хроническое расстройство с компульсивным употреблением спиртного, которое влияет не только на поведение, но и на функционирование мозга и иммунной системы. Недавние исследования показали, что даже на ранних этапах воздержания организм начинает перестраиваться, открывая новые возможности для терапии зависимости. Ученые сосредоточились на пациентах, находящихся в первые недели абстиненции, и зафиксировали значительные изменения в мозговой активности. С помощью функциональной магнитно-резонансной томографии они выявили перестройку сетей нейронных связей, отвечающих за контроль импульсов и принятие решений. Эти изменения могут быть ключевыми для восстановления самоконтроля и снижения риска рецидива. Одновременно с нейронной перестройкой исследователи наблюдали колебания иммунной системы. В крови повышался уровень цитокинов - сигнальных белков, регулирующих воспалительные процессы. Эти данные свидетельствуют о существовании нейроиммунного взаимодействия, при ...>>

Случайная новость из Архива

Агросеквестрация для преодоления климатического кризиса 12.04.2023

Группа ученых из Беркли представила исследование, которое поможет забыть о климатическом кризисе быстро и относительно дешево.

Специалисты предлагают выращивать культуры, которые естественным образом высасывают избыток углерода из воздуха, а затем прячут в землю собранную растительность на биоинженерных свалках, поддерживаемых в сухом состоянии с помощью солей.

Это новый взгляд на существующий процесс, называемый агросеквестрацией. Исследователи утверждают, что при его внедрении в достаточно широких масштабах, последствия могут быть впечатляющими. К тому же по цене, эквивалентной только 53 центам за галлон бензина, это еще очень выгодное предложение.

"Мы утверждаем, что надлежащая инженерия может 100% решить проблему климатического кризиса за приемлемую цену. Если внедрить этот метод поглощения углерода в глобальном масштабе, он имеет потенциал для устранения текущих годовых выбросов углекислого газа, а также выбросов предыдущих лет из атмосферы", - отметил ведущий автор исследования Эли Яблонович, доктор философии и профессор Калифорнийского университета

Самое интересное здесь именно то, что метод позволит аннулировать прошлые выбросы. Дело в том, что даже если человечество достигнет своей цели в сокращении выбросов парниковых газов, даже если прямо сейчас внезапно снизит их до нуля, мы все равно получим атмосферу, заполненную уже накопившимися за последние десятки лет парниковыми газами. Некоторые из них рассеиваются сотни лет, нагревая все это время планету. Поэтому наряду с сокращением выбросов человечеству очень необходима эффективная технология очистки воздуха от загрязнителей.

Агросеквестрация имеет один большой недостаток: гниющая биомасса разлагается, высвобождая углекислый газ и метан, что значительно уменьшает общее количество углерода, которое может сохранять этот подход. Добавляя соль, исследователи надеются остановить разложение биосмусора, полностью высушив его, что позволит сохранить его на "тысячи лет".

Это может позволить агросеквестрации стать не просто нейтральной, а углеродоотрицательной. Команда обнаружила, что каждая метрическая тонна сухой биомассы может безопасно утилизировать около двух тонн CO 2, что является огромным преимуществом для окружающей среды.

Метод несет в себе и определенные сложности. Поддержание масштабных барьеров для предотвращения гниения биосмусора может быть непростой задачей, особенно в условиях длительных периодов дождей. Кроме того, для осушки биосвалы необходимо большое количество соли.

Другие интересные новости:

▪ Эффективный трибоэлектрический генератор

▪ Квантовый дисплей для мобильных устройств

▪ Биоактивное покрытие для костных имплантатов

▪ Давление и вибрация сделают инъекции безболезненными

▪ На МКС установят датчик космического мусора

Лента новостей науки и техники, новинок электроники

 

Интересные материалы Бесплатной технической библиотеки:

▪ раздел сайта Справочные материалы. Подборка статей

▪ статья Моя хата с краю. Крылатое выражение

▪ статья Когда и как впервые было применено бактериологическое оружие? Подробный ответ

▪ статья Пустырник сердечный. Легенды, выращивание, способы применения

▪ статья Стабилизатор сетевого напряжения с микроконтроллерным управлением. Энциклопедия радиоэлектроники и электротехники

▪ статья Сетевой источник переменного тока Уникум. Энциклопедия радиоэлектроники и электротехники

Оставьте свой комментарий к этой статье:

Имя:


E-mail (не обязательно):


Комментарий:




Комментарии к статье:

Николай
[up] [!] Очень полезная статья, мне, например, очень даже помогла, а что самое главное для сельских радиолюбителей - это простота конструкций и распространённость деталей! Спасибо Автору!


Главная страница | Библиотека | Статьи | Карта сайта | Отзывы о сайте

www.diagram.com.ua

www.diagram.com.ua
2000-2026