Menu Home

Бесплатная техническая библиотека для любителей и профессионалов Бесплатная техническая библиотека


Сварочный трансформатор с электронной регулировкой тока. Энциклопедия радиоэлектроники и электротехники

Бесплатная техническая библиотека

Энциклопедия радиоэлектроники и электротехники / Сварочное оборудование

Комментарии к статье Комментарии к статье

Этот трансформатор предназначен для электродуговой сварки изделий из конструкционных сталей электродами диаметром 2-5 мм. Питание его осуществляется от однофазной сети переменного тока напряжением 220 В. Электронный регулятор тока позволяет плавно изменять сварочный ток от 20 до 200 А, что дает возможность сваривать детали различной толщины.

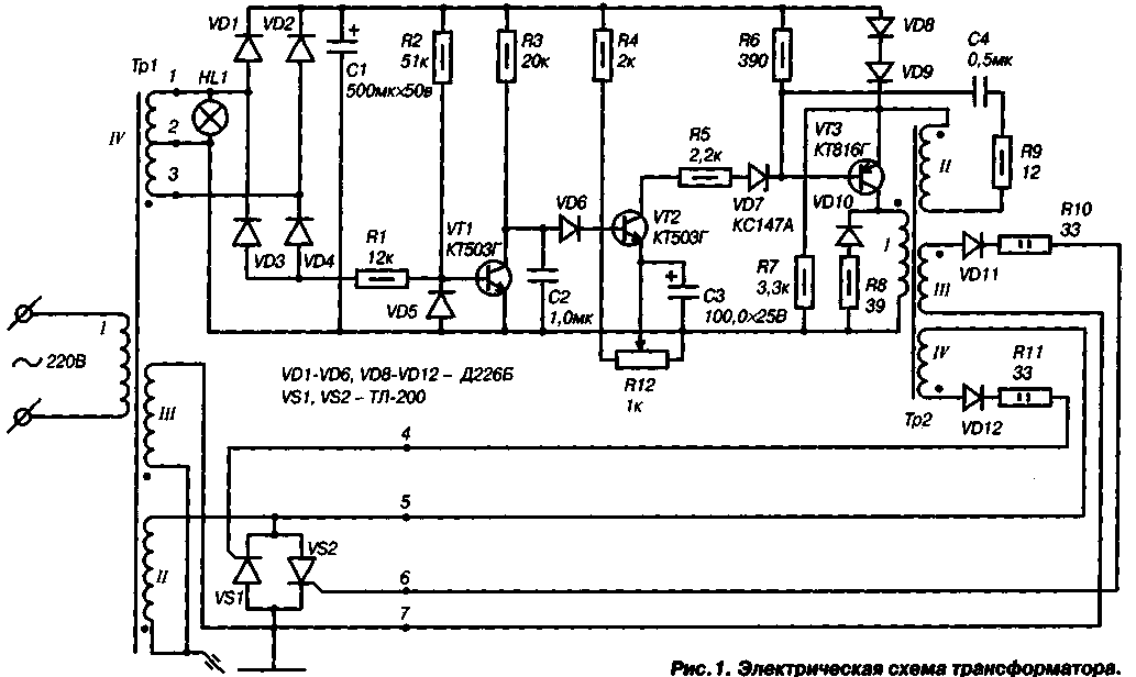
Принципиальная электрическая схема трансформатора приведена на рис. 1. Как следует из схемы, данное устройство - это разновидность трансформатора с тиристорным управлением, получившего распространение в последнее время. Для изготовления трансформатора и регулятора тока используют доступные материалы и детали.


Рис. 1 (нажмите для увеличения)

Трансформатор состоит из собственно силового трансформатора Тр1 .регулирующих тиристоров VS1 и VS2, включенных в цепь силовой обмотки II, и блока электронной регулировки, вырабатывающего управляющие импульсы.

Дополнительная обмотка III стабилизирует горение дуги и позволяет улучшить процесс ее образования в начальный момент сварки. Обмотка IV питает блок электронной регулировки тока.

Трансформатор Тр1 изготовлен на основе статорного сердечника асинхронного двигателя переменного тока мощностью 15, 18,5 или 22 кВт. Двигатель разбирают, и статор вместе с обмотками извлекают из корпуса. В случае затруднений при извлечении статора из корпуса, последний разбивают, конечно, с соблюдением необходимых предосторожностей.

Обмотки статора вырубают зубилом и остатки удаляют, не повреждая, однако, сами статорные пластины. После этого магнитопровод обматывают несколькими слоями стеклоткани или киперной ленты. В последнем случае изолирующий материал промазывают эпоксидным клеем или же простым масляным лаком, например, марки ПФ-231.

Первичная обмотка I трансформатора выполняется проводом марки ПЭВ-2 (медный) или АПСО (алюминиевый) 02,5 мм и содержит 220 витков. Провод наматывается равномерно по всему сечению магнитопровода. Если провода требуемого диаметра нет, то можно обмотку выполнить двумя проводами, при этом их суммарное сечение должно составлять 5 кв.мм. Для удобства намотки используется челнок, на который предварительно отматывается требуемое количество провода.

После изготовления обмотки 1 ее изолируют 2-3 слоями стеклоткани или киперной ленты. Затем рекомендуется проверить ее на наличие короткозамкнутых витков. Для этого обмотку включают в сеть переменного тока напряжением 220 В. Ток в цепи обмотки не должен превышать 0,3-0,5 А. Если значение тока превышает указанное, то ничего не остается, как более аккуратно перемотать обмотку.

Вторичную обмотку II выполняют проводом сечением 35 мм кв., она содержит 60 витков. В качестве провода может служить медная или алюминиевая шина с надежной изоляцией. Рядом с обмоткой II на магнитопроводе размещают обмотку III, которая также содержит 60 витков провода марки ПЭВ-2 02,5 мм. Обмотка IV содержит 40 витков провода марки ВЭВ-2 0 0,7 мм с отводом от середины. Обмотки II, III, IV изолируются, как и обмотка I.

После окончательной намотки следует снова испытать трансформатор на холостом ходу. При указанном ранее токе на обмотках II и III должно быть напряжение 60 В, а на обмотке IV - 40 В.

В основе блока электронной регулировки тока лежит схема аналогичного устройства промышленного изготовления, а именно, трансформатора ТС-200. Монтажная схема регулятора выполняется печатным или навесным способом, но в любом случае регулятор должен быть заключен в надежный корпус.

Трансформатор Тр2 наматывается на магнитопроводе Ш16 с толщиной набора 16 мм. Его обмотка 1 содержит 140 витков провода марки ПЭВ-2 00,5 мм, обмотка II - 70 витков провода ПЭВ-2 00,1 мм, обмотки III и IV содержат по 90 витков провода ПЭВ-2 00,5 мм.

Резисторы R1 -9- типа МЛТ-0,5; R10, R11 - типа МЛТ-2; RI2 - типа СП2-6А.

Конденсаторы С1 и C3 - типа К-50-6; С2 и С4 - типа К73.

Блок, собранный без ошибок и из исправных деталей, в наладке не нуждается. Следует обратить внимание на правильное подсоединение обмоток трансформатора Тр2 и на соблюдение указанной в схеме полярности.

Работу блока можно проверить с помощью осциллографа. Для этого выходы 4-5 и 6-7 нагружают резисторами сопротивлением по 50 Ом и мощностью 0,5 Вт. Подсоединив осциллограф сначала к одному выходу, затем - к другому, убеждаются, что перемещением движка резистора R12 изменяется скважность импульсов.

При отсутствии осциллографа работоспособность блока можно проверить с помощью вольтметра переменного тока.

ТиристорыУ81 и VS2 устанавливают на теплоотводах с общей поверхностью - 1000 кв.мм каждый.

Один из вариантов конструкции сварочного трансформатора представлен на рис. 2. Трансформатор Тр1 закреплен на круглом основании диаметром 400 мм из текстолита толщиной 10 мм или из фанеры толщиной 15 мм.

Сварочный трансформатор с электронной регулировкой тока
Рис. 2. Монтажная схема трансформатора (нажмите для увеличения): 1 - обмотка трансформатора; 2 - радиатор тиристора; 3 - тиристор; 4 - верхняя пластина; 5 - брусок; 6 - ручка для переноски; 7 - блок регулировки; 8 - потенциометр (R12); 9 - клемма для подсоединения сварочного кабеля; 10- крепежный болт; 11 - нижняя пластина; 12 - скоба для намотки сетевого кабеля; 13- сетевой кабель.

Под трансформатор следует подложить два бруска из твердого дерева сечением 30х30 мм и длиной 350 мм для обеспечения циркуляции воздуха и улучшения охлаждения его при работе.

К основанию трансформатор крепится стяжным болтом М12 соответствующей длины.

На верхней пластине крепятся радиаторы с тиристорами.

Основание имеет две ручки для переноски трансформатора, изготовленные из стальной трубы диаметром 1/2". На ручках есть две текстолитовые пластины толщиной 6 мм. На одной из них установлен блок регулировки тока, потенциометр R12, а также закреплены клеммы (болты М12) для подсоединения сварочного кабеля. На второй пластине установлены две скобы для намотки сетевого кабеля после окончания работы. Здесь же можно установить и автоматический выключатель, рассчитанный на ток не менее 25 А.

Трансформатор допускает следующий режим его эксплуатации: работа - 1 час, перерыв - 10 минут.

Сварку производят электродами марки Э-5РА УОНИ-13/55-2,5 УД-1 требуемого диаметра с соблюдением техники безопасности при работе с электроприборами.

С технологией сварки можно ознакомиться в соответствующих пособиях.

Автор: М.Терлецкий, г.С.-Петербург; Публикация: Н. Большаков, rf.atnn.ru

Смотрите другие статьи раздела Сварочное оборудование.

Читайте и пишите полезные комментарии к этой статье.

<< Назад

Последние новости науки и техники, новинки электроники:

Власть является ключевым фактором счастья в отношениях 11.03.2026

Исследования семейных и романтических отношений показывают, что длительное счастье пары зависит не только от привычных факторов, таких как доверие, уважение и преданность, но и от более тонких психологических аспектов. Современные ученые ищут закономерности, которые отличают действительно счастливые пары от остальных, чтобы понять, какие механизмы поддерживают гармонию в отношениях. Группа исследователей из Университета Мартина Лютера в Галле-Виттенберге и Бамбергского университета провела опрос среди 181 пары, которые состояли в совместных отношениях более восьми лет и прожили вместе хотя бы месяц. Участники заполняли анкету, описывая различные аспекты своих отношений, включая распределение обязанностей, эмоциональную поддержку и степень вовлеченности в совместные решения. Анализ данных показал интересный паттерн: пары, где оба партнера ощущали высокий уровень личной власти, оказывались наиболее счастливыми и удовлетворенными. В данном контексте под властью понимается способност ...>>

Защищенная колонка-повербанк Anker Soundcore Boom Go 3i 11.03.2026

Компания Anker представила новую модель линейки Soundcore - колонку Soundcore Boom Go 3i, ориентированную на активное использование на улице. Новинка отличается высокой степенью защиты: корпус соответствует стандарту IP68, что обеспечивает водо- и пыленепроницаемость, а ударопрочный дизайн выдерживает падение с высоты до одного метра. За качество звука отвечает 15-ваттный драйвер, обеспечивающий пик громкости до 92 дБ, а технология BassUp 2.0 усиливает низкие частоты, делая звучание более насыщенным. Колонка обладает автономностью до 24 часов, а LED-индикатор позволяет контролировать уровень заряда батареи. Кроме того, Soundcore Boom Go 3i может выполнять функцию павербанка: согласно внутренним тестам, устройство способно зарядить iPhone 17 с нуля до 40% за один час, что делает его полезным аксессуаром в походах и поездках. Среди функциональных особенностей модели стоит выделить технологию Auracast, которая улучшает подключение и позволяет создавать стереопару из двух колонок ...>>

Раннее воздержание от алкоголя перестраивает мозг и иммунитет 10.03.2026

Алкогольная зависимость - хроническое расстройство с компульсивным употреблением спиртного, которое влияет не только на поведение, но и на функционирование мозга и иммунной системы. Недавние исследования показали, что даже на ранних этапах воздержания организм начинает перестраиваться, открывая новые возможности для терапии зависимости. Ученые сосредоточились на пациентах, находящихся в первые недели абстиненции, и зафиксировали значительные изменения в мозговой активности. С помощью функциональной магнитно-резонансной томографии они выявили перестройку сетей нейронных связей, отвечающих за контроль импульсов и принятие решений. Эти изменения могут быть ключевыми для восстановления самоконтроля и снижения риска рецидива. Одновременно с нейронной перестройкой исследователи наблюдали колебания иммунной системы. В крови повышался уровень цитокинов - сигнальных белков, регулирующих воспалительные процессы. Эти данные свидетельствуют о существовании нейроиммунного взаимодействия, при ...>>

Случайная новость из Архива

Парниковый эффект - в парники 17.09.2007

Крупное парниковое хозяйство в Англии заключило договор с соседним химическим заводом, и будет получать от него выбрасываемые отходы производства - углекислый газ.

На площади более 9 гектаров здесь выращиваются 300 тысяч кустов томатов. Они смогут усваивать в год 12,5 тонны углекислого газа, которые до сих пор завод выпускал в атмосферу, усиливая этим парниковый эффект.

Отработанный пар с завода также намереваются использовать в теплицах - для обогрева. Но учитывая, что предприятия мира выбрасывают за год около 7 миллиардов тонн двуокиси углерода, парников и оранжерей на всех явно не хватит.

Другие интересные новости:

▪ Гаджеты перед сном вредят здоровью

▪ Приливные наводнения связаны с особым типом медленных волн океана

▪ Стереофоническая беспроводная гарнитура PHILIPS ОМ6777

▪ IBM увеличила емкость флеш-памяти в 100 раз

▪ Жесткие диски HGST Endurastar J4K320 для автомобильной электроники

Лента новостей науки и техники, новинок электроники

Интересные материалы Бесплатной технической библиотеки:

▪ раздел сайта Аккумуляторы, зарядные устройства. Подборка статей

▪ статья Насилие - повивальная бабка истории. Крылатое выражение

▪ статья Как работает вентиль автоматического регулирования отопления помещения? Подробный ответ

▪ статья Вулкан Кракатау. Чудо природы

▪ статья Прибор для контроля малых отклонений напряжения. Энциклопедия радиоэлектроники и электротехники

▪ статья Целая зубочистка. Секрет фокуса

Оставьте свой комментарий к этой статье:

Имя:


E-mail (не обязательно):


Комментарий:





Главная страница | Библиотека | Статьи | Карта сайта | Отзывы о сайте

www.diagram.com.ua

www.diagram.com.ua
2000-2026