Menu Home

Бесплатная техническая библиотека для любителей и профессионалов Бесплатная техническая библиотека


Приставка для автоматического отключения зарядного устройства. Энциклопедия радиоэлектроники и электротехники

Бесплатная техническая библиотека

Энциклопедия радиоэлектроники и электротехники / Автомобиль. Аккумуляторы, зарядные устройства

Комментарии к статье Комментарии к статье

В статье описана приставка, предназначенная для совместной работы с зарядным устройством, не имеющим функции отключения от сети по окончании зарядки аккумуляторной батареи. Эта приставка должна заинтересовать, в первую очередь, тех автолюбителей, которые, имея простейшее зарядное устройство заводского изготовления или самодельное, хотели бы с минимальными затратами времени и средств обеспечить автоматизацию зарядного процесса.

Известно, что напряжение на выводах заряжаемой стабильным током кислотнo-свинцовой аккумуляторной батареи почти перестает увеличиваться, как только она получит полный заряд. С этого момента практически вся поступающая на батарею энергия расходуется только на электролиз и нагревание электролита. Таким образом, в момент прекращения увеличения зарядного напряжения можно было бы отключать зарядное устройство от сети. Инструкция по эксплуатации автомобильных аккумуляторных батарей [1] рекомендует, правда, продолжать зарядку в таком режиме еще два часа. Именно так работает автоматическое зарядное устройство, описанное мною ранее [2]. Однако практика показывает, что эта дозарядка действительно необходима только при ежегодном проведении контрольно-профилактического зарядноразрядного цикла с целью определения технического состояния батареи.

В повседневной эксплуатации вполне достаточно выдержать батарею под неизменным напряжением в течение 15...30 мин. Такой подход позволяет значительно упростить автоматическое зарядное устройство без заметного влияния на полноту зарядки батареи. Если же заряжать батарею нестабилизированным током, то вместе с плавным увеличением зарядного напряжения (выраженным слабее, чем в первом случае) происходит уменьшение тока зарядки. Свидетельством полной заряженности батареи служит прекращение изменения и напряжения, и тока.

Этот принцип и положен в основу работы предлагаемой приставки. Она содержит компаратор, на один из входов которого подано напряжение, пропорционально увеличивающееся при увеличении зарядного напряжения на батарее (и уменьшающееся при уменьшении) и одновременно пропорционально уменьшающееся при увеличении (увеличивающееся при уменьшении) зарядного тока. На второй вход подано то же самое напряжение, что и на первый, но со значительной задержкой во времени. Иначе говоря, пока будет увеличиваться напряжение на батарее и (или) уменьшаться ток зарядки, значение напряжения на втором входе компаратора будет меньше значения напряжения на первом, и эта разность пропорциональна скорости изменения зарядного напряжения и тока. Когда напряжение на батарее и ток зарядки стабилизируются (что будет свидетельствовать о полной заряженности батареи), значения напряжения на входах компаратора сравняются, он переключится и даст сигнал на отключение зарядного устройства. Эта идея заимст­вована из [3].

Приставка выполнена на широко распространенных элементах. Максимальный рабочий ток равен 6 А, однако при не­обходимости его можно легко увеличить.

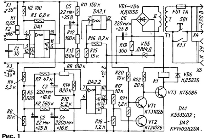
Принципиальная схема приставки изображена на рис. 1.

Приставка для автоматического отключения зарядного устройства

Устройство состоит из входного ОУ DA1, двух компараторов напряжения на ОУ DA2.1, DA2.2, двувходового электронного реле VT1 - VT3, К1 и блока питания, состоящего из сетевого трансформатора Т1, диодов VD1-VD4, сглаживающего конденсатора С6 и параметрического стабилизатора напряжения VD5R19. Выход зарядного устройства подключают к зажимам Х1, Х3, а заряжаемую батарею - к зажимам Х2, Х3. Сетевую вилку зарядного устройства включают в розетку Х5 приставки.

При нажатии на кнопку SB1 напряжение сети поступает к зарядному устройству и на сетевую обмотку I трансформатора Т1 приставки. Нестабилизированным напряжением с диодного моста VD1-VD4 питается электронное реле, а выходным напряжением параметрического стабилизатора - микросхема DA2 (DA1 питается от зарядного устройства). Начинается зарядка аккумуляторной батареи.

Падение напряжения, создаваемое током зарядки на резисторе R1, поступает на вход ОУ DA1, включенного по схеме инвертирующего усилителя. Напряжение на его выходе при уменьшении тока зарядки будет увеличиваться. С другой стороны, выходное напряжение ОУ пропорционально его напряжению питания. А поскольку усилитель питается непосредственно с заряжаемой батареи, то выходное напряжение ОУ будет функцией как напряжения на зажимах заряжаемой батареи, так и тока зарядки. Такое построение приставки дало возможность использовать ее совместно с самыми разными зарядными устройствами, в том числе и простейшими.

К выходу ОУ подключен ФНЧ R4C2, с которого напряжение через интегрирующие цепи R7C3 и R5R6R8C4 поступает на входы компаратора, выполненного на ОУ DA2.2. Цепь R8C4 имеет постоянную времени, во много раз большую, чем цепь R7C3, поэтому напряжение на неинвертирующем входе этого компаратора будет меньше, чем на инвертирующем, и на выходе установится низкий уровень.

Компаратор на ОУ DA2.1 представляет собой обычное пороговое устройство, на инвертирующий вход которого подано образцовое напряжение с резистивного делителя R15R16, а на неинвертирующий - с делителя R11R12R13, подключенного к заряжаемой аккумуляторной батарее. Компаратор переключается при достижении на батарее напряжения 14,4 В и служит для исключения возможности преждевременного отключения зарядного устройства в условиях незначительной динамики изменения напряжения на батарее.

В результате, пока напряжение на заряжаемой батарее не достигнет указанного значения, приставка не отключит зарядное устройство, даже если переключился компаратор DA2.2. Такая ситуация возможна при установке заниженного значения зарядного тока и, как следствие, при очень медленном изменении зарядных напряжения и тока. Первоначально на выходе компаратора DA2.1 также действует напряжение низкого уровня.

Выходы обоих компараторов через резистивные делители R17R18 и R20R21 соединены с базами транзисторов VT2 и VT1. Таким образом, при нажатии на кнопку SB1 эти транзисторы остаются закрытыми, a VT3 открывается. Срабатывает реле К1 и контактами К1.1 блокирует контакты кнопки. Приставка остается включенной после отпускания кнопки.

Поскольку транзисторы VT1 и VT2 включены по логической схеме И, они открываются только при высоком уровне напряжения одновременно на выходе компараторов DA2.1, DA2.2. Это может произойти только тогда, когда батарея будет полностью заряжена. При этом транзистор VT3 закрывается и реле К1 отпускает якорь, размыкая цепь питания приставки и зарядного устройства.

На рис. 2 показаны графики изменения напряжения на входах компаратора DA2.2, а также зарядного тока в процессе дозарядки аккумуляторной батареи 6СТ-60 с помощью простейшего зарядного устройства с нестабилизированным током зарядки. Первоначальная степень заряженности батареи - около 75 %.

Приставка для автоматического отключения зарядного устройства

В случае, когда приставка будет работать в условиях сильных помех, цепь питания ОУ DA2 следует шунтировать керамическим конденсатором емкостью 0,1 мкФ.

Приставка отличается пониженной чувствительностью к колебаниям напряжения сети. Если оно, например, увеличивается, то увеличивается и напряжение на заряжаемой батарее, но одновременно увеличится и ток зарядки. В результате напряжение на выходе ОУ DA1 изменится незначительно.

Приставка смонтирована в металлической коробке размерами 140x100x70 мм. На ее лицевой панели размещены зажимы Х1-Х3, предохранитель FU1 и розетка Х5. Большая часть деталей приставки размещена на печатной плате размерами 76x60 мм, выполненной из фольгированного стеклотекстолита толщиной 1,5 мм. Чертеж платы изображен на рис. 3. Трансформатор Т1 и реле К1 смонтированы отдельно рядом с платой. Резистор R1 припаян непосредственно к зажимам Х1, Х2.

Приставка для автоматического отключения зарядного устройства

Резистор R1 составлен из двух параллельно соединенных резисторов С5-16В сопротивлением по 0,1 Ом и номинальной мощностью рассеяния 1 Вт; остальные постоянные - МЛТ. Подстроечные резисторы R9, R12 - СПЗ-16в.

Конденсатор С1 - КМ5, остальные - К50-35. Конденсатор С4 желательно перед установкой на плату подвергнуть тренировке, подключив его на несколько часов к источнику постоянного напряжения 10...12 В.

Вместо КД105Б можно использовать диоды КД106А, а вместо КД522Б - любой из серии КД521. Стабилитрон VD5 - любой маломощный с напряжением стабилизации 11... 13 В.

Транзисторы КТ3102Б заменимы любыми маломощными соответствующей структуры со статическим коэффициентом передачи тока базы не менее 50, а при замене транзистора VT3 следует ориентироваться на ток срабатывания имеющегося реле К1. При выборе замены ОУ К553УД2 необходимо учитывать, что не все операционные усилители допускают работу с входным напряжением, равным питающему.

В приставке использован готовый маломощный сетевой трансформатор с переменным напряжением вторичной обмотки 14 В при токе нагрузки до 120 мА. Реле К1 - РМУ, паспорт РС4.523.303, но подойдет любое с напряжением срабатывания 12...14 В, контакты которого рассчитаны на коммутацию переменного напряжения 220 В при токе 0,3...0,5 А.

Для налаживания приставки потребуются стабилизированный источник напряжения, регулируемого в пределах 10... 15 В, и цифровой вольтметр с пределом измерения 20 В. Сначала движок резистора R12 устанавливают в нижнее, a R9 - в левое по схеме положение. К зажимам Х1 и Х3 подключают источник, устанавливают на его выходе напряжение 14,4 В и включают приставку в сеть.

Нажимают на кнопку SB1, при этом должно сработать реле К1. Убеждаются в том, что на выходах ОУ DA2.1 и DA2.2 (выводы 10 и 12) присутствует низкий уровень напряжения (1,3... 1,5 В). Затем измеряют напряжение на выходе ОУ DA1 (вывод 10). Оно должно быть примерно равным напряжению подключенного источника питания.

Замыкают на 30.. .40 с выводы резистора R8, обеспечивая быструю зарядку конденсатора С4, а затем после десятиминутной выдержки вольтметр подключают к выходу ОУ DA2.2 и плавно вращают ручку резистора R9 до момента переключения компаратора, т. е. скачкообразного увеличения напряжения на его выходе до 11... 11,5 В. Затем измеряют напряжение на инвертирующем входе ОУ DA2.2 и резистором R9 уменьшают его на 15...20 мВ.

Следует отметить, что измерять напряжение во входных цепях компаратора нужно цифровым вольтметром с входным сопротивлением не менее 5...10 МОм, чтобы не допускать разрядки конденсатора C3. Поскольку входное сопротивление многих популярных цифровых авометров не превышает 1 МОм, можно включить на входе имеющегося вольтметра десятимегаомный резистор, образующий совместно с входным сопротивлением прибора делитель напряжения с коэффициентом 1:10.

В заключение вращают ручку резистора R12 до момента переключения ОУ DA2.1. При этом реле К1 должно отпустить якорь.

Если у радиолюбителя отсутствует цифровой вольтметр и нет источника питания, наладить приставку можно непосредственно в процессе реальной зарядки батареи. Для этого подключают к приставке зарядное устройство и аккумуляторную батарею, выключатель зарядного устройства устанавливают в положение "Включено", а движки резисторов R9, R12 приставки - как указано выше. Нажимают на кнопку SB1, убеждаются в срабатывании реле К1 и устанавливают зарядный ток в соответствии с инструкцией по эксплуатации зарядного устройства.

Далее ведут контроль за процессом зарядки батареи, периодически измеряя напряжение на выводах. Когда оно достигнет 14,4 В, вращают ручку резистора R12 до момента переключения ОУ DA2.1.

Когда напряжение перестанет увеличиваться, продолжают зарядку в таком режиме еще 20...30 мин и затем плавно вращают ручку резистора R9 до срабатывания ОУ DA2.2 и отключения приставки и зарядного устройства от сети. На этом налаживание заканчивают.

В заключение следует отметить, что для гарантии полной зарядки аккумуляторной батареи желательно устанавливать максимально допустимые значения зарядного тока с тем, чтобы обеспечить хорошую динамику изменения напряжения на выходе ОУ DA1. Особенно это касается зарядных устройств с нестабилизированным выходным током и сильно разряженных батарей.

Литература

  1. ЖУИЦ.563.410.001ИЭ. Батареи аккумуляторные свинцовые стартерные емкостью свыше 30 Ач. Инструкция по эксплуатации. 1987.
  2. Куприянов К. Автоматическое зарядное устройство. - Радио, 2000, № 12, с. 33-37.
  3. Тенев Л. Устройство для обнаружения движущихся металлических предметов. - Радио, 1987, № 5, с. 61.

Автор: К.Куприянов, г.Санкт-Петербург

Смотрите другие статьи раздела Автомобиль. Аккумуляторы, зарядные устройства.

Читайте и пишите полезные комментарии к этой статье.

<< Назад

Последние новости науки и техники, новинки электроники:

Власть является ключевым фактором счастья в отношениях 11.03.2026

Исследования семейных и романтических отношений показывают, что длительное счастье пары зависит не только от привычных факторов, таких как доверие, уважение и преданность, но и от более тонких психологических аспектов. Современные ученые ищут закономерности, которые отличают действительно счастливые пары от остальных, чтобы понять, какие механизмы поддерживают гармонию в отношениях. Группа исследователей из Университета Мартина Лютера в Галле-Виттенберге и Бамбергского университета провела опрос среди 181 пары, которые состояли в совместных отношениях более восьми лет и прожили вместе хотя бы месяц. Участники заполняли анкету, описывая различные аспекты своих отношений, включая распределение обязанностей, эмоциональную поддержку и степень вовлеченности в совместные решения. Анализ данных показал интересный паттерн: пары, где оба партнера ощущали высокий уровень личной власти, оказывались наиболее счастливыми и удовлетворенными. В данном контексте под властью понимается способност ...>>

Защищенная колонка-повербанк Anker Soundcore Boom Go 3i 11.03.2026

Компания Anker представила новую модель линейки Soundcore - колонку Soundcore Boom Go 3i, ориентированную на активное использование на улице. Новинка отличается высокой степенью защиты: корпус соответствует стандарту IP68, что обеспечивает водо- и пыленепроницаемость, а ударопрочный дизайн выдерживает падение с высоты до одного метра. За качество звука отвечает 15-ваттный драйвер, обеспечивающий пик громкости до 92 дБ, а технология BassUp 2.0 усиливает низкие частоты, делая звучание более насыщенным. Колонка обладает автономностью до 24 часов, а LED-индикатор позволяет контролировать уровень заряда батареи. Кроме того, Soundcore Boom Go 3i может выполнять функцию павербанка: согласно внутренним тестам, устройство способно зарядить iPhone 17 с нуля до 40% за один час, что делает его полезным аксессуаром в походах и поездках. Среди функциональных особенностей модели стоит выделить технологию Auracast, которая улучшает подключение и позволяет создавать стереопару из двух колонок ...>>

Раннее воздержание от алкоголя перестраивает мозг и иммунитет 10.03.2026

Алкогольная зависимость - хроническое расстройство с компульсивным употреблением спиртного, которое влияет не только на поведение, но и на функционирование мозга и иммунной системы. Недавние исследования показали, что даже на ранних этапах воздержания организм начинает перестраиваться, открывая новые возможности для терапии зависимости. Ученые сосредоточились на пациентах, находящихся в первые недели абстиненции, и зафиксировали значительные изменения в мозговой активности. С помощью функциональной магнитно-резонансной томографии они выявили перестройку сетей нейронных связей, отвечающих за контроль импульсов и принятие решений. Эти изменения могут быть ключевыми для восстановления самоконтроля и снижения риска рецидива. Одновременно с нейронной перестройкой исследователи наблюдали колебания иммунной системы. В крови повышался уровень цитокинов - сигнальных белков, регулирующих воспалительные процессы. Эти данные свидетельствуют о существовании нейроиммунного взаимодействия, при ...>>

Случайная новость из Архива

Молекулы ДНК как новые носители данных 08.03.2026

С ростом объемов цифровой информации ученые ищут новые методы хранения данных, способные сочетать высокую плотность, долговечность и энергоэффективность. Одним из самых перспективных направлений становится использование молекул ДНК - естественного носителя генетической информации, который способен сохранять данные в течение тысяч лет при подходящих условиях. Недавние исследования показывают, что ДНК может стать не только архивом, но и полноценным перезаписываемым носителем информации.

Исследователи из Университета Миссури создали систему, позволяющую записывать, стирать и повторно записывать данные в молекулах ДНК. Ранее ДНК использовалась в основном для долговременного архивирования информации, что делало носитель одноразовым. Новый подход превращает молекулярный носитель в полноценный цифровой накопитель с возможностью редактирования содержимого.

Принцип работы устройства основан на естественном "языке" ДНК: в отличие от обычных компьютеров, где данные кодируются последовательностью нулей и единиц, в ДНК информацию представляют четыре азотистых основания - A, C, G и T. Комбинации этих оснований позволяют закодировать любые цифровые файлы, превращая генетический код в носитель информации.

Одним из ключевых преимуществ ДНК является невероятная плотность хранения. Теоретически весь объем данных человечества можно было бы разместить в коробке размером с обувную. При хранении молекул в сухих и холодных условиях информация сохраняется тысячелетиями. Дополнительно, такой подход потребляет значительно меньше энергии по сравнению с традиционными дата-центрами, что делает его перспективным с точки зрения экологической устойчивости.

Главной инновацией команды Missouri стало создание метода перезаписи данных. Для этого ученые разработали компактное электронное устройство с нанопорным сенсором, через который проходят молекулы ДНК. Сенсор фиксирует слабые электрические сигналы, возникающие при прохождении цепочек, а программное обеспечение преобразует их обратно в цифровую последовательность нулей и единиц, позволяя восстанавливать или изменять исходные файлы.

Разработчики подчеркивают, что их система отличается высокой скоростью работы, упрощенной архитектурой и меньшим воздействием на окружающую среду по сравнению с существующими технологиями хранения ДНК. В будущем планируется миниатюризация устройства до размеров обычного USB-накопителя, что сделает его удобным для повседневного использования.

Дополнительное преимущество ДНК как носителя заключается в трехмерной структуре хранения информации, в отличие от плоских кремниевых чипов. Это обеспечивает крайне высокую плотность записи, а физическое существование данных в виде молекул снижает уязвимость к кибератакам, поскольку информация не требует постоянного подключения к электронной системе.

Другие интересные новости:

▪ Удаленное родительское собрание

▪ Акустическая система Creative T3150 Wireless 2.1

▪ Самозалечивающееся программное обеспечение

▪ Амазонка пересыхает

▪ Фотокамера Polaroid 300

Лента новостей науки и техники, новинок электроники

 

Интересные материалы Бесплатной технической библиотеки:

▪ раздел сайта Часы, таймеры, реле, коммутаторы нагрузки. Подборка статей

▪ статья Тушение горящей одежды. Охрана труда

▪ статья Как действует эфир? Подробный ответ

▪ статья Новозеландский лен. Легенды, выращивание, способы применения

▪ статья Фильтр для модема. Энциклопедия радиоэлектроники и электротехники

▪ статья Сеанс с веревками (несколько фокусов). Секрет фокуса

Оставьте свой комментарий к этой статье:

Имя:


E-mail (не обязательно):


Комментарий:





Главная страница | Библиотека | Статьи | Карта сайта | Отзывы о сайте

www.diagram.com.ua

www.diagram.com.ua
2000-2026