Menu Home

Бесплатная техническая библиотека для любителей и профессионалов Бесплатная техническая библиотека


Автомобильный радиосторож. Энциклопедия радиоэлектроники и электротехники

Бесплатная техническая библиотека

Энциклопедия радиоэлектроники и электротехники / Автомобиль. Охранные устройства и сигнализация

Комментарии к статье Комментарии к статье

Это устройство обеспечивает по радиоканалу непрерывный контроль состояния охраняемого объекта. При любом несанкционированном воздействии на него или выходе из строя передатчика приемник немедленно оповестит об этом владельца тревожным сигналом.

Это устройство обеспечивает по радиоканалу непрерывный контроль состояния охраняемого объекта. При любом несанкционированном воздействии на него или выходе из строя передатчика приемник немедленно оповестит об этом владельца тревожным сигналом.

Радиоканал описываемого сторожевого устройства состоит из передатчика, установленного в автомобиле, и приемника, находящегося у владельца. В дежурном режиме передатчик через каждые 16 с излучает частотно-модулированную посылку на частоте 26945 кГц (о выборе параметров радиоканала можно узнать из публикации [1]). Длительность посылки - 1 с. частота модуляции - 1024 Гц. При срабатывании охранных датчиков передатчик переходит в режим непрерывного модулированного излучения, на что приемник отреагирует тревожным сигналом. Такой же сигнал зазвучит, если на приемник не поступит очередная посылка через 16 с после начала предыдущей.

Такой алгоритм работы радиосторожа обеспечивает высокую надежность охраны, поскольку любой дефект - порча антенны, разрядка батареи питания или выход из строя передатчика - сразу же будет отмечен предупреждающим сигналом.

Выходная мощность передатчика - 2 Вт, чувствительность приемника - лучше 1 мкВ. С малогабаритной антенной передатчика, установленной за лобовым стеклом автомобиля, и штыревой антенной приемника длиной около 50 см дальность действия радиоканала превышает 500 м. Если же на автомобиле и в месте приема использовать полноразмерные антенны, дальность действия может достигать нескольких километров.

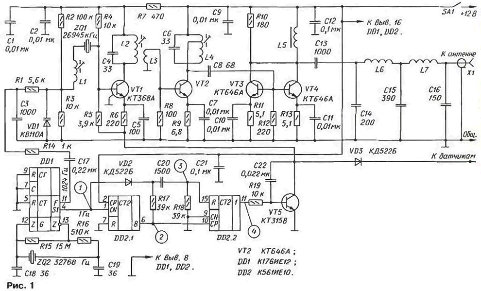
Схема передатчика сторожа представлена на рис. 1. На микросхемах DD1 и DD2 собран узел, обеспечивающий необходимый временной ритм его работы. Задающий генератор микросхемы DDI стабилизирован "часовым" кварцевым резонатором ZQ2. Сигнал с выхода F счетчика микросхемы DD1 [2] модулирует генератор передатчика, а с выхода S1 - поступает на вход CN счетчика DD2.1 и диодно-конденсаторный коммутатор VD2R17C20R18.

Автомобильный радиосторож
(нажмите для увеличения)

Пока на выходе в счетчика DD2.1 низкий логический уровень, импульсы с частотой 1 Гц проходят через коммутатор и обнуляют счетчик DD2.2 (рис. 2. диагр. 2 и 3). При появлении на выходе 8 счетчика DD2.1 высокого логического уровня закрывается диод VD2 и импульсы на вход R счетчика DD2.2 перестают поступать. В момент появления минусового перепада на входе CP счетчика DD2.2 он переходит в единичное состояние и на его выходе 1 появляется высокий логический уровень.

Автомобильный радиосторож

Следующий импульс с выхода S1 счетчика DD1. пройдя через открывшийся диод VD1. обнуляет счетчик DD2.2. Таким образом, счетчик DD2.2 формирует на выходе 1 импульсы высокого уровня длительностью 1 с с периодом повторения 16 с (диагр. 4).

Импульсы высокого уровня с выхода счетчика DD2.2 открывают коммутирующий транзистор VT5, разрешая работу генератора несущей передатчика. За основу передатчика взято устройство, описанное в брошюре [3]. Генератор собран на транзисторе VT1 и стабилизирован кварцевым резонатором ZQ1. Модулирующий сигнал с частотой 1024 Гц подается на варикап VD1. Модуляция - узкополосная. Девиацию в небольших пределах изменяют подстроечником катушки L1.

Колебания рабочей частоты генератора выделяет колебательный контур L2C4. Через катушку связи L3 сигнал поступает на вход буферного резонансного усилителя на транзисторе VT2, работающем в режиме С. Нагрузкой транзистора служит контур L4C6. Через конденсатор С8 усиленный сигнал подведен к входу усилителя мощности, который выполнен на двух параллельно включенных транзисторах VT3 и VT4. работающих также в режиме С. Выходной сигнал усилителя через разделительный конденсатор С13. фильтр C14 L6 C15 L7 C16 и разъем Х1 поступает на передающую антенну непосредственно или по кабелю с волновым сопротивлением 50 Ом.

Передатчик переходит в непрерывный режим излучения при срабатывании охранных датчиков, замыкающих катод диода VD3 на корпус автомобиля. При необходимости развязать датчики между собой следует установить несколько таких диодов, анод которых подключить к коллектору транзистора VT5. Если какие-либо датчики в момент срабатывания формируют сигнал высокого уровня, выход каждого из них подключают к базе транзистора VT5 через последовательно соединенные резистор сопротивлением 20...33 кОм и любой кремниевый маломощный диод (катодом к базе).

Схема приемника радиосторожа изображена на рис. 3. Высокочастотная часть собрана по традиционной схеме. Принятый антенной WA1 сигнал выделяется входным контуром L2C3. Диоды VD1 и VD2 служат для защиты входа усилителя РЧ при большой амплитуде входного сигнала. Усилитель РЧ собран по каскодной схеме на полевых транзисторах VT1 и VT2. Нагрузкой усилителя служит контур L3C4.

Автомобильный радиосторож
(нажмите для увеличения)

Смеситель выполнен на микросхеме DA1. Она же выполняет и функции гетеродина, частота которого стабилизирована кварцевым резонатором ZQ1. Частота резонатора может быть больше или меньше частоты передатчика на 465 кГц. т.е. либо 26480. либо 27410 кГц. С нагрузки смесителя - резистора R4 - сигнал ПЧ поступает на пьезокерамический фильтр ПЧ ZQ2. обеспечивающий необходимую избирательность приемника. Микросхема DA2 выполняет усиление сигнала, его ограничение и частотное детектирование. Резонансный контур C14L5 частотного детектора настроен на частоту 465 кГц.

Демодулированный сигнал частотой 1024 Гц поступает на входы компаратора DA3 через две интегрирующие цепи, отличающиеся значением постоянной времени. На прямой вход сигнал поступает через цепь R7C21. практически полностью подавляющую полезный сигнал, а на инверсный этот сигнал приходит через цепь R8C22 почти без ослабления.

Такой узел представляет собой полосовой фильтр. На частоте 1024 Гц он формирует выходную последовательность импульсов, по форме близкую к "меандру", а входные сигналы с частотой, существенно отличающейся от 1024 Гц. на выход практически не проходят.

С выхода компаратора DA3 сигнал поступает на вход цифрового узла. Ритм его работы задает генератор на микросхеме DDI. частота которого стабилизирована таким же. как в передатчике, кварцевым резонатором на частоту 32768 Гц. Выходные импульсы генератора с частотой 32768 Гц с выхода К поступают на вход CP счетчика DD2.1 канала контроля частоты, а с частотой 1 Гц С выхода 15 счетчика микросхемы DDI - на вход CP счетчика DD2.2 и вход CN счетчика DD7 канала контроля временных интервалов.

Счетчик DD2.1 формирует импульсы со скважностью 2. Счетчик DD3 - пятиразрядный сдвиговый регистр, который при соединении выхода 2 со входом D0 делит частоту импульсов на четыре [4]. При этом на выходах 1 - 4 он формирует сигналы вида "меандр" со сдвигом фазы 0, 90, 180 и 270°.

Эти четыре сигнала поступают на нижние по схеме входы элементов DD4.1 - DD4.4, а на верхние входы, соединенные вместе, подан выходной сигнал компаратора DA3. При отсутствии на входе приемника полезного сигнала на выходе компаратора действует шумовое напряжение. После смешения в элементах DD4.1 - DD4.4 с выходными сигналами счетчика DD3 шум усредняют интегрирующие цепи R12C26. R13C27. R14C28. R15C29. В результате напряжение на конденсаторах С26 - С29 равно примерно половине напряжения питания. На входе триггера Шмитта DD5.1 с учетом падения на диодах VD3 - VD6 и резисторе R17 напряжение превышает верхний порог переключения триггера, поэтому на его выходе будет низкий логический уровень.

При появлении на выходе компаратора напряжения с частотой 1024 Гц происходит его перемножение элементами DD4.1 - DD4.4 с выходными сигналами счетчика DD3. Если на входах какого-либо из этих элементов фазы сигналов совпадают, на его выходе будет низкий уровень, при противофазных сигналах - высокий, а при близких фазах - импульсы большой скважности, и среднее напряжение этих импульсов близко к нулю.

Поэтому примерно через 0,5 с после начала приема полезного сигнала один из конденсаторов С26 - С29, соответствующий тому элементу микросхемы DD4. фазы входных сигналов которого наиболее близки, разряжается практически до нуля. Напряжение на входе триггера Шмитта DD5.1 становится ниже нижнего порога переключения, и на его выходе появляется высокий уровень.

Спустя примерно 0.5 с после окончания приема полезного сигнала на конденсаторах С26 - С29 снова устанавливается напряжение, близкое к половине напряжения питания, и триггер Шмитта DD5.1 переходит в исходное состояние. Таким образом, на его выходе формируются импульсы высокого уровня, по длительности примерно соответствующие входному и задержанные относительно него на 0.5 с. Светодиод HL1 вспыхивает на 1 с, индицируя наличие полезного сигнала в антенне WA1. Отрицательная ОС через резистор R19 несколько уменьшает ширину петли "гистерезиса" триггера Шмитта. Ширина полосы пропускания упомянутого выше своеобразного фильтра - около 2 Гц, и при выходе частоты модуляции за пределы 1023... 1025 Гц триггер Шмитта DD5.1 не сработает.

Рассмотрим, как действует после включения узел цифровой обработки при приеме сигнальных посылок с частотой 1024 Гц и периодом повторения 16 с Цепь C32R21 дифференцирует фронт импульса, сформированного на выходе элемента DD5.1. Короткий импульс положительной полярности - будем называть его контрольным (диагр. 1 на рис. 4) - поступает на вход R счетчиков DDI. DD2.1. DD2.2. DD7. а также через инвертор DD6.2 на вход R триггера, собранного на элементах DD5.2 и DD5.3. переводя триггер в нулевое состояние. Этот короткий импульс проходит также через элементы DD6.3 и DD6.4 при низком уровне на выходах 8 и 9 счетчика DD7 и по входу S устанавливает триггер DD5.2. DD5.3 в единичное состояние, при котором на выходе элемента DD5.3 высокий логический уровень.

Импульс, поступающий на вход S триггера, имеет длительность, большую. чем на входе R из-за действия цепи R18VD8C33. поэтому после спада импульса триггер остается в единичном состоянии, удерживая элемент DD5.4 открытым. Поскольку на верхний по схеме вход этого элемента с выхода 8 счетчика DD2.1 поступают импульсы вида "меандр" с частотой 2048 Гц. звучит непрерывный звуковой сигнал. Импульсы с частотой 1 Гц поступают с выхода 15 счетчика DD1 на вход CP счетчика DD2.2 и CN - DD7 (диагр. 2). Пор-вый из них считает эти импульсы по их спаду, второй заблокирован высоким уровнем, поступающим на вход CP с выхода инвертора DD6.1.

Спустя 8 с на выходе 8 счетчика DD2.2 появляется высокий уровень (диагр. 3). Он останавливает и самоблокирует счетчик DD2.2. Выйти из этого состояния счетчик может лишь после при хода на его вход R импульса обнуления. Сигнал с выхода счетчика DD2.2 после инвертирования элементом DD6.1 разрешает работу счетчика DD7, подсчитывающего секундные импульсы по их фронту. Еще через 7,5 с на выходе 8 этого счетчика появляется высокий уровень.

Таким образом, по прошествии 15,5 с после появления контрольного импульса на нижнем по схеме входе элемента DD6.3 возникнет высокий уровень, удерживающийся в течение 1 с (диагр. 4). если за это время не изменяется режим входов счетчика DD7.

При появлении очередного контрольного импульса (спустя 16 с после предыдущего) он переключает в нулевое состояние триггер DD5.2. DD5.3 и звуковой сигнал прекращается. Импульс не проходит через элементы DD6.3, DD6.4. поскольку на нижнем входе элемента DD6.3 высокий уровень.

В момент прихода контрольного импульса все счетчики, в том числе и DD7. обнуляются, однако на нижнем входе элемента DD6.3 благодаря действию цепи VD7R16C30 смена высокого уровня низким задерживается примерно на 200 мкс. Это гарантирует запрет прохождения короткого контрольного импульса (его длительность около 30 мкс) на вход S триггера DD5.2. DD5.3. Поэтому при поступлении контрольных импульсов триггер остается в нулевом состоянии и сигнал не звучит. Описанный процесс проиллюстрирован на рис. 4 сплошными линиями.

В случае, если очередной контрольный импульс через 16±0,5 с не поступит, работа устройства будет происходить так. как показано на рис. 4 пунктирными линиями. Высокий уровень. появившийся спустя 16.5 с на выходе 9 счетчика DD7. установит триггер DD5.2. DD5.3 в единичное состояние и зазвучит сигнал. Он прекратится лишь тогда, когда на приемник придут два импульса с интервалом между ними 16 с.

Сигнал также зазвучит, если импульс проявится раньше 15,5 с после предыдущего, поскольку не будет запрета со стороны выхода 8 счетчика DD7 на его прохождение через элемент DD6.3.

Таким образом, при систематическом приходе сигналов с частотой модуляции 1024 Гц и периодом 16 с система находится в дежурном режиме, светодиод HL1 на его передней панели вспыхивает, индицируя исправность радиосторожа в целом и прохождение радиосигналов. При любом отклонении от указанного ритма начинает звучать сигнал. Непрерывное свечение светодиода HL1 означает срабатывание какого-либо охранного датчика, а отсутствие свечения - прекращение работы передатчика или ухудшение прохождения радиоволн ниже допустимого уровня.

Передатчик собран на печатной плате из двустороннего фольгированного стеклотекстолита толщиной 1.5 мм. Чертеж платы представлен на рис. 5. Со стороны компонентов фольга сохранена и служит общим проводом. Часть выводов припаяна к общему проводу без отверстий. Для остальных выводов просверлены сквозные отверстия и со стороны общего провода раззенкованы. Все точки пайки к общему проводу помечены на чертеже крестами. Отверстия под "заземляемые" выводы микросхем зенковать не нужно.

Автомобильный радиосторож

В точках соединения платы с антенным разъемом X1, источником питания и датчиками в отверстия впрессованы и опаяны луженые штыри диаметром 1 мм. В качестве штырей удобно использовать контакты от разъема 2РМ.

Транзисторы VT3 и VT4 впаяны со стороны печатных проводников, выводы нужно предварительно отогнуть под прямым углом. При окончательной сборке передатчика транзисторы привинчивают к металлическому кожуху прибора, служащему для них теплоотводом. Изолируют их от кожуха тонкими слюдяными прокладками.

В передатчике использованы резисторы МТ и МЛТ, конденсаторы КМ-5 и КМ-6. Транзистор КТ315В можно заменить на любой кремниевый маломощный структуры n-р-n, а транзистор КТ368А - на любой из серий КТ316, КТ325. Вместо КТ646А подойдут транзисторы серий КТ603 и КТ608, но придется преодолевать сложности отведения тепла.

Диоды VD2 и VD3 - любые кремниевые маломощные. Варикап KB110A заменим на KB109, KB124, Д901 с любым буквенным индексом. Кварцевый резонатор ZQ1 - стандартный, в металлическом уплощенном корпусе, a ZQ2 - в цилиндрическом миниатюрном корпусе, от наручных часов.

Катушки L1, L2L3 и L4 намотаны виток к витку на трех полистироловых каркасах диаметром 5 мм. снабжены подстроечниками из карбонильного железа. Катушка L1 содержит 25 витков провода ПЭВ-2 0.25. катушки L2, L4 - 12 витков, a L3 - 3 витка такого же провода. Катушка L3 намотана поверх L2. a L4 имеет отвод от третьего сверху по схеме витка.

Дроссель L5 намотан на кольце типоразмера К10x6x3 из феррита 600НН. Обмотка содержит 15 витков провода ПЭВ-2 0,15. Катушки L6 и L7 - бескаркасные, намотаны виток к витку на оправке диаметром 8 мм и содержат по 5 и 9 витков провода ПЭВ-2 0,8 соответственно.

Передатчик смонтирован в металлической коробке размерами 110x60x45 мм. На стенках корпуса установлены выключатель питания (SA1), высокочастотный разъем СР-50-73ФВ (X1) и четырехконтактный разъем 2РМ (на схеме рис. 1 не показан) для подключения источника питания и датчиков.

Электрическая схема малогабаритной штыревой спиральной антенны нормального излучения [3]. рассчитанной для совместной работы с передатчиком, показана на рис. 6,а, а ее конструкция - на рис. 6,б. На корпусе кабельной колодки разъема СР-50-73ФВ укрепляют небольшую пластиковую коробку (ее размеры некритичны), в которую устанавливают LC-контур. состоящий из катушки L1 и подстроечного конденсатора С1 с воздушным диэлектриком.

Автомобильный радиосторож

Катушка L1 намотана с шагом 2 мм медным посеребренным проводом диаметром 1 мм на керамическом каркасе диаметром 10 мм. Число витков - 15. Места отводов определяют при налаживании системы. Конденсатор С1 - 1КПВМ.

Удлинительная катушка L2 намотана виток к витку на каркасе диаметром 6 мм из органического стекла. Она содержит 130 витков провода ПЭВ-2 0.15. В торцах каркаса фиксированы на резьбе два латунных штыря. Нижний конец нижнего по рисунку штыря ввинчен в отверстие латунной втулки, укрепленной на верхней стенке пластиковой коробки.

Приемник собран на печатной плате из двустороннего фольгированного стеклотекстолита толщиной 1.5 мм. Чертеж платы показан на рис. 7. Так же. как на плате передатчика, под элементами высокочастотной части приемника фольга сохранена и играет роль общего провода. Сохранена и фольговая рамка вокруг цифрового узла. Для соединения платы с антенной, звукоизлучателем BF1 и разъемом источника питания в нее так же, как и в передатчике, впрессованы и опаяны контактные штыри диаметром 1 мм.

Автомобильный радиосторож
(нажмите для увеличения)

Следует обратить внимание, что ряд монтажных точек платы, относящихся к цифровому узлу, необходимо пропаять с обеих ее сторон. В двух точках - они имеют на чертеже не круглую, а квадратную форму - надо предварительно вставить в отверстия короткие проволочные перемычки.

В приемнике использованы резисторы МТ и МЛТ; оксидные конденсаторы - К53-19. остальные - КМ-5 и КМ-6. Возможно применение деталей других типов. Транзисторы КПЗ0ЗБ можно заменить на один двузатворный. например, КП350Б. Диоды VD1 и VD2 - любые кремниевые высокочастотные или импульсные, остальные - кремниевые маломощные. Вместо ФП1П 1-060.1 годятся и другие пьезофильтры на эту частоту, имеющие полосу пропускания не менее 3 кГц, например. ФП1П-60. ФП1П-61. Кварцевый резонатор ZQ3 - миниатюрный, в цилиндрическом корпусе.

Катушки L1L2 и L3L4 намотаны на двух одинаковых полистироловых каркасах диаметром 5 мм, снабженных подстроечниками из карбонильного железа. Катушки L2 и L3 содержат по 18 витков провода ПЭВ-2 0.33. намотка виток к витку. Катушки связи L1 и L4 - по 3 витка провода ПЭВШО 0,2 - намотаны поверх своих контурных со стороны заземленного вывода катушки L2 и со стороны вывода катушки L3, соединенного с плюсовым проводом питания. Катушка L5 использована промышленного изготовления индуктивностью 120 мкГн с подстроечником. Самостоятельно ее можно намотать в броневом магнитопроводе СБ-9а. число витков - 80. провод - ПЭВ-2 0.1.

Плата установлена в пластмассовый корпус от карманного приемника размерами 140x80x40 мм. Антенна - телескопическая длиной около 50 см. Для питания приемника использован выносной сетевой блок с выходным напряжением 12 В, дополненный стабилизатором напряжения на микросхеме КР142ЕН8А и выходным оксидным конденсатором емкостью 10 мкФ на напряжение не менее 16 В. Для уменьшения мультипликативных помех оба вывода вторичной обмотки сетевого трансформатора блока соединены с его выходным минусовым проводом через керамические конденсаторы емкостью 0,1 мкФ. Для автономного питания приемника может быть применена аккумуляторная батарея 7Д-0.115-У1.1.

Собирать и налаживать систему следует в определенном порядке. Сначала и в передатчике, и в приемнике собирают цифровую часть, но без резистора R17 в приемнике, а в передатчике дополнительно устанавливают резисторы R4. R5 и R7. Соединяют цепи питания передатчика и приемника, коллектор транзистора VT5 передатчика подключают ко входам элемента DD5.1 приемника.

При подаче напряжения питания может включиться, а может и не включиться звуковой сигнал, однако с приходом первого импульса передатчика должен на короткое время вспыхнуть светодиод HL1 и зазвучать (или продолжать звучать) сигнал. Через 16 с светодиод HL1 должен вспыхнуть повторно, а сигнал - прекратиться. Далее светодиод должен включаться на 1 с каждые 16 с. а звуковой сигнал - оставаться выключенным.

Затем в паузе между импульсами следует замкнуть конденсатор C31 приемника, что будет имитировать переход передатчика в непрерывный режим. Сразу должен зазвучать сигнал. Разомкнуть конденсатор C31 и убедиться, что после прохождения двух импульсов с передатчика (это хорошо видно по вспышкам светодиода HL1) звуковой сигнал прекращается. Отключить входы элемента DD5.1 приемника от коллектора транзистора VT5 передатчика - не позднее, чем через 15 с должен снова зазвучать сигнал.

Далее устанавливают в передатчике резисторы R1 - R3. R14, а в приемнике - R7 - R9, R17, конденсаторы С21, С22 и компаратор DA3. В общую точку резисторов R7 и R8 приемника через кнопку подают с общей точки резисторов R2 и R3 передатчика импульсы с частотой 1024 Гц. При замыкании и размыкании контактов кнопки должен соответственно включаться и выключаться светодиод HL1 с небольшой задержкой (она должна быть заметной на глаз).

Если узлы не работают так, как описано, неисправности следует искать, как обычно, при налаживании цифровых устройств - проверить работу кварцованных генераторов, правильность деления частоты в счетчиках и формирования соответствующих сигналов и т. д. Если при манипуляции кнопкой импульсного сигнала частотой 1024 Гц не включается светодиод, подбирают резистор R19 и. возможно, R20. Для удобства точной подборки резистора R19 он "разбит" на две части (и на плате для них предусмотрены места), соотносящиеся по сопротивлению как 9:1.

После полной сборки устройства настройку радиоканала следует начать с передатчика. Временной перемычкой соединяют эмиттер и коллектор транзистора VT5, а в качестве эквивалента антенны выход передатчика нагружают резистором сопротивлением 51 Ом мощностью 2 Вт. На время настройки транзисторы VT3 и VT4 должны быть установлены на пластинчатый дюралюминиевый или медный теплоотвод размерами не менее 100x60 мм

Подав на передатчик напряжение питания и вращая подстроечник катушки L2, добиваются генерации. При этом на базе транзистора VT2 должно присутствовать ВЧ напряжение 0,6 В. Его измеряют широкополосным осциллографом или высокочастотным вольтметром. Буферную ступень на транзисторе VT2 настраивают вращением подстроечника катушки L4 до получения максимальной амплитуды на коллекторе транзистора VT2 (не менее 5 В). При этом на базе транзисторов VT3 и VT4 должно быть напряжение не менее 2 В. Растягивая и сжимая витки катушек L6 и L7, добиваются максимального напряжения на эквиваленте антенны - 10... 12 В. Настройку передатчика уточняют в том же порядке после его установки в корпус.

Затем настраивают передающую антенну. В середине металлической пластины (можно использовать и фольгированный стеклотекстолит) размерами не менее 250x250 мм устанавливают гнездо разъема СР-50-73ФВ и соединяют его с выходом передатчика кабелем, которым антенну будут подключать к нему на автомобиле. Устанавливают антенну штыревой частью разъема в гнездовую и включают передатчик на работу в непрерывном режиме. Контроль максимума измерения ведут по индикатору напряженности поля. Можно использовать простой волномер [5], подключив к его выходу малогабаритный микроамперметр.

Контур L1C1 антенны настраивают в резонанс по максимуму показаний. Далее подбирают место отвода от катушки в сторону передатчика (2...3 витка) и в сторону штыря (6... 10 витков), также добиваясь наибольшей напряженности поля. После установки антенны в автомобиль настройку контура L1C1 уточняют.

Для налаживания приемника желательно воспользоваться широкополосным осциллографом. Работу начинают с усилителя ПЧ. Подают сигнал частотой 465 кГц с девиацией 3 кГц на вход микросхемы DA2 (выв. 13) и настраивают контур L5C14 вращением подстроечника катушки L5 до получения наилучшей прямоугольности и скважности импульсов, равной двум, на выходе микросхемы DA2. Если будет обнаружено самовозбуждение микросхемы DA2, катушку L5 следует зашунтировать маломощным резистором сопротивлением 5 ..10 кОм.

Затем проверяют работу гетеродина. При необходимости подбирают конденсаторы С6 - С8 до получения устойчивой генерации на третьей механической гармонике кварцевого резонатора Z01.

Далее проверяют напряжение на истоке транзистора VT2. оно должно быть в пределах 0,3...0,5 В. Подав сигнал с рабочей частотой на вход приемника, вращением подстроечников катушек контуров L2C3 и L3C4 настраивают контуры в резонанс, ориентируясь на получение максимальной чувствительности приемника (около 0,5 мкВ).

При отсутствии генератора сигналов его можно заменить настроенным передатчиком без антенны, нагрузив его упомянутым выше резистором сопротивлением 51 Ом. Располагают передатчик сначала рядом с приемником, а по мере настройки отдаляют передатчик на максимальное расстояние, контролируя прием сигнала по осциллографу, подключенному к выходу микросхемы DA2, или по свечению светодиода HL1.

Передатчик довольно экономичен - полностью заряженной автомобильной аккумуляторной батареи емкостью 55 А·ч хватает на три месяца его непрерывной работы в дежурном режиме.

Описанный радиосторож эксплуатируется более трех лет и однажды уже помог предотвратить проникновение злоумышленников в автомобиль.

Много полезной информации по построению радиоканала автомобильного сторожевого устройства и по различным конструктивным вариантам антенн передатчика и приемника содержится в публикациях [1,6 - 8].

Передатчик собран на печатной плате из двустороннего фольгированного стеклотекстолита толщиной 1.5 мм. Чертеж платы представлен на рис. 5. Со стороны компонентов фольга сохранена и служит общим проводом. Часть выводов припаяна к общему проводу без отверстий. Для остальных выводов просверлены сквозные отверстия и со стороны общего провода раззенкованы. Все точки пайки к общему проводу помечены на чертеже крестами. Отверстия под "заземляемые" выводы микросхем зенковать не нужно.

В точках соединения платы с антенным разъемом X1, источником питания и датчиками в отверстия впрессованы и опаяны луженые штыри диаметром 1 мм. В качестве штырей удобно использовать контакты от разъема 2РМ.

Транзисторы VT3 и VT4 впаяны со стороны печатных проводников, выводы нужно предварительно отогнуть под прямым углом. При окончательной сборке передатчика транзисторы привинчивают к металлическому кожуху прибора, служащему для них теплоотводом. Изолируют их от кожуха тонкими слюдяными прокладками.

В передатчике использованы резисторы МТ и МЛТ, конденсаторы КМ-5 и КМ-6. Транзистор КТ315В можно заменить на любой кремниевый маломощный структуры n-р-n, а транзистор КТ368А - на любой из серий КТ316, КТ325. Вместо КТ646А подойдут транзисторы серий КТ603 и КТ608, но придется преодолевать сложности отведения тепла.

Диоды VD2 и VD3 - любые кремниевые маломощные. Варикап KB110A заменим на KB109, KB124, Д901 с любым буквенным индексом. Кварцевый резонатор ZQ1 - стандартный, в металлическом уплощенном корпусе, a ZQ2 - в цилиндрическом миниатюрном корпусе, от наручных часов.

Катушки L1, L2L3 и L4 намотаны виток к витку на трех полистироловых каркасах диаметром 5 мм. снабжены подстроечниками из карбонильного железа. Катушка L1 содержит 25 витков провода ПЭВ-2 0.25. катушки L2, L4 - 12 витков, a L3 - 3 витка такого же провода. Катушка L3 намотана поверх L2. a L4 имеет отвод от третьего сверху по схеме витка.

Дроссель L5 намотан на кольце типоразмера К10x6x3 из феррита 600НН. Обмотка содержит 15 витков провода ПЭВ-2 0,15. Катушки L6 и L7 - бескаркасные, намотаны виток к витку на оправке диаметром 8 мм и содержат по 5 и 9 витков провода ПЭВ-2 0,8 соответственно.

Передатчик смонтирован в металлической коробке размерами 110x60x45 мм. На стенках корпуса установлены выключатель питания (SA1), высокочастотный разъем СР-50-73ФВ (X1) и четырехконтактный разъем 2РМ (на схеме рис. 1 не показан) для подключения источника питания и датчиков.

Электрическая схема малогабаритной штыревой спиральной антенны нормального излучения [3]. рассчитанной для совместной работы с передатчиком, показана на рис. 6,а, а ее конструкция - на рис. 6,б. На корпусе кабельной колодки разъема СР-50-73ФВ укрепляют небольшую пластиковую коробку (ее размеры некритичны), в которую устанавливают LC-контур. состоящий из катушки L1 и подстроечного конденсатора С1 с воздушным диэлектриком.

Катушка L1 намотана с шагом 2 мм медным посеребренным проводом диаметром 1 мм на керамическом каркасе диаметром 10 мм. Число витков - 15. Места отводов определяют при налаживании системы. Конденсатор С1 - 1КПВМ.

Удлинительная катушка L2 намотана виток к витку на каркасе диаметром 6 мм из органического стекла. Она содержит 130 витков провода ПЭВ-2 0.15. В торцах каркаса фиксированы на резьбе два латунных штыря. Нижний конец нижнего по рисунку штыря ввинчен в отверстие латунной втулки, укрепленной на верхней стенке пластиковой коробки.

Приемник собран на печатной плате из двустороннего фольгированного стеклотекстолита толщиной 1.5 мм. Чертеж платы показан на рис. 7. Так же. как на плате передатчика, под элементами высокочастотной части приемника фольга сохранена и играет роль общего провода. Сохранена и фольговая рамка вокруг цифрового узла. Для соединения платы с антенной, звукоизлучателем BF1 и разъемом источника питания в нее так же, как и в передатчике, впрессованы и опаяны контактные штыри диаметром 1 мм.

Следует обратить внимание, что ряд монтажных точек платы, относящихся к цифровому узлу, необходимо пропаять с обеих ее сторон. В двух точках - они имеют на чертеже не круглую, а квадратную форму - надо предварительно вставить в отверстия короткие проволочные перемычки.

В приемнике использованы резисторы МТ и МЛТ; оксидные конденсаторы - К53-19. остальные - КМ-5 и КМ-6. Возможно применение деталей других типов. Транзисторы КПЗ0ЗБ можно заменить на один двузатворный. например, КП350Б. Диоды VD1 и VD2 - любые кремниевые высокочастотные или импульсные, остальные - кремниевые маломощные. Вместо ФП1П 1-060.1 годятся и другие пьезофильтры на эту частоту, имеющие полосу пропускания не менее 3 кГц, например. ФП1П-60. ФП1П-61. Кварцевый резонатор ZQ3 - миниатюрный, в цилиндрическом корпусе.

Катушки L1L2 и L3L4 намотаны на двух одинаковых полистироловых каркасах диаметром 5 мм, снабженных подстроечниками из карбонильного железа. Катушки L2 и L3 содержат по 18 витков провода ПЭВ-2 0.33. намотка виток к витку. Катушки связи L1 и L4 - по 3 витка провода ПЭВШО 0,2 - намотаны поверх своих контурных со стороны заземленного вывода катушки L2 и со стороны вывода катушки L3, соединенного с плюсовым проводом питания. Катушка L5 использована промышленного изготовления индуктивностью 120 мкГн с подстроечником. Самостоятельно ее можно намотать в броневом магнитопроводе СБ-9а. число витков - 80. провод - ПЭВ-2 0.1.

Плата установлена в пластмассовый корпус от карманного приемника размерами 140x80x40 мм. Антенна - телескопическая длиной около 50 см. Для питания приемника использован выносной сетевой блок с выходным напряжением 12 В, дополненный стабилизатором напряжения на микросхеме КР142ЕН8А и выходным оксидным конденсатором емкостью 10 мкФ на напряжение не менее 16 В. Для уменьшения мультипликативных помех оба вывода вторичной обмотки сетевого трансформатора блока соединены с его выходным минусовым проводом через керамические конденсаторы емкостью 0,1 мкФ. Для автономного питания приемника может быть применена аккумуляторная батарея 7Д-0.115-У1.1.

Собирать и налаживать систему следует в определенном порядке. Сначала и в передатчике, и в приемнике собирают цифровую часть, но без резистора R17 в приемнике, а в передатчике дополнительно устанавливают резисторы R4. R5 и R7. Соединяют цепи питания передатчика и приемника, коллектор транзистора VT5 передатчика подключают ко входам элемента DD5.1 приемника.

При подаче напряжения питания может включиться, а может и не включиться звуковой сигнал, однако с приходом первого импульса передатчика должен на короткое время вспыхнуть светодиод HL1 и зазвучать (или продолжать звучать) сигнал. Через 16 с светодиод HL1 должен вспыхнуть повторно, а сигнал - прекратиться. Далее светодиод должен включаться на 1 с каждые 16 с. а звуковой сигнал - оставаться выключенным.

Затем в паузе между импульсами следует замкнуть конденсатор C31 приемника, что будет имитировать переход передатчика в непрерывный режим. Сразу должен зазвучать сигнал. Разомкнуть конденсатор C31 и убедиться, что после прохождения двух импульсов с передатчика (это хорошо видно по вспышкам светодиода HL1) звуковой сигнал прекращается. Отключить входы элемента DD5.1 приемника от коллектора транзистора VT5 передатчика - не позднее, чем через 15 с должен снова зазвучать сигнал.

Далее устанавливают в передатчике резисторы R1 - R3. R14, а в приемнике - R7 - R9, R17, конденсаторы С21, С22 и компаратор DA3. В общую точку резисторов R7 и R8 приемника через кнопку подают с общей точки резисторов R2 и R3 передатчика импульсы с частотой 1024 Гц. При замыкании и размыкании контактов кнопки должен соответственно включаться и выключаться светодиод HL1 с небольшой задержкой (она должна быть заметной на глаз).

Если узлы не работают так, как описано, неисправности следует искать, как обычно, при налаживании цифровых устройств - проверить работу кварцованных генераторов, правильность деления частоты в счетчиках и формирования соответствующих сигналов и т. д. Если при манипуляции кнопкой импульсного сигнала частотой 1024 Гц не включается светодиод, подбирают резистор R19 и. возможно, R20. Для удобства точной подборки резистора R19 он "разбит" на две части (и на плате для них предусмотрены места), соотносящиеся по сопротивлению как 9:1.

После полной сборки устройства настройку радиоканала следует начать с передатчика. Временной перемычкой соединяют эмиттер и коллектор транзистора VT5, а в качестве эквивалента антенны выход передатчика нагружают резистором сопротивлением 51 Ом мощностью 2 Вт. На время настройки транзисторы VT3 и VT4 должны быть установлены на пластинчатый дюралюминиевый или медный теплоотвод размерами не менее 100x60 мм

Подав на передатчик напряжение питания и вращая подстроечник катушки L2, добиваются генерации. При этом на базе транзистора VT2 должно присутствовать ВЧ напряжение 0,6 В. Его измеряют широкополосным осциллографом или высокочастотным вольтметром. Буферную ступень на транзисторе VT2 настраивают вращением подстроечника катушки L4 до получения максимальной амплитуды на коллекторе транзистора VT2 (не менее 5 В). При этом на базе транзисторов VT3 и VT4 должно быть напряжение не менее 2 В. Растягивая и сжимая витки катушек L6 и L7, добиваются максимального напряжения на эквиваленте антенны - 10... 12 В. Настройку передатчика уточняют в том же порядке после его установки в корпус.

Затем настраивают передающую антенну. В середине металлической пластины (можно использовать и фольгированный стеклотекстолит) размерами не менее 250x250 мм устанавливают гнездо разъема СР-50-73ФВ и соединяют его с выходом передатчика кабелем, которым антенну будут подключать к нему на автомобиле. Устанавливают антенну штыревой частью разъема в гнездовую и включают передатчик на работу в непрерывном режиме. Контроль максимума измерения ведут по индикатору напряженности поля. Можно использовать простой волномер [5], подключив к его выходу малогабаритный микроамперметр.

Контур L1C1 антенны настраивают в резонанс по максимуму показаний. Далее подбирают место отвода от катушки в сторону передатчика (2...3 витка) и в сторону штыря (6... 10 витков), также добиваясь наибольшей напряженности поля. После установки антенны в автомобиль настройку контура L1C1 уточняют.

Для налаживания приемника желательно воспользоваться широкополосным осциллографом. Работу начинают с усилителя ПЧ. Подают сигнал частотой 465 кГц с девиацией 3 кГц на вход микросхемы DA2 (выв. 13) и настраивают контур L5C14 вращением подстроечника катушки L5 до получения наилучшей прямоугольности и скважности импульсов, равной двум, на выходе микросхемы DA2. Если будет обнаружено самовозбуждение микросхемы DA2, катушку L5 следует зашунтировать маломощным резистором сопротивлением 5 ..10 кОм.

Затем проверяют работу гетеродина. При необходимости подбирают конденсаторы С6 - С8 до получения устойчивой генерации на третьей механической гармонике кварцевого резонатора Z01.

Далее проверяют напряжение на истоке транзистора VT2. оно должно быть в пределах 0,3...0,5 В. Подав сигнал с рабочей частотой на вход приемника, вращением подстроечников катушек контуров L2C3 и L3C4 настраивают контуры в резонанс, ориентируясь на получение максимальной чувствительности приемника (около 0,5 мкВ).

При отсутствии генератора сигналов его можно заменить настроенным передатчиком без антенны, нагрузив его упомянутым выше резистором сопротивлением 51 Ом. Располагают передатчик сначала рядом с приемником, а по мере настройки отдаляют передатчик на максимальное расстояние, контролируя прием сигнала по осциллографу, подключенному к выходу микросхемы DA2, или по свечению светодиода HL1.

Передатчик довольно экономичен - полностью заряженной автомобильной аккумуляторной батареи емкостью 55 А·ч хватает на три месяца его непрерывной работы в дежурном режиме.

Описанный радиосторож эксплуатируется более трех лет и однажды уже помог предотвратить проникновение злоумышленников в автомобиль.

Много полезной информации по построению радиоканала автомобильного сторожевого устройства и по различным конструктивным вариантам антенн передатчика и приемника содержится в публикациях [1,6 - 8].

Литература

  1. Виноградов Ю. Радиоканал охранной сигнализации. Передающий блок. - Радио. 1995. № 1. и. 37 - 40
  2. Алексеев С. Применение микросхем серии К176. - Радио. 1985. № 5. с. 36 - 40.
  3. Радиоохранные устройства. Минск. НТК "Инфотех". 1992. 12 с.
  4. Алексеев С. Применение микросхем серии К5б 1. - Радио. 1987. № 1. с. 43 - 45.
  5. Голубев О. Простой волномер. - Радио. 1998. № 10. с. 102.
  6. Виноградов Ю. Радиоканал охранной сигнализации. Приемный блок. - Радио. 1995, № 4. с. 47-50.
  7. Виноградов Ю. Дисковая антенна в диапазоне 27 МГц. - Радио. 1997. № 2. с. 70.
  8. Виноградов Ю. Си-Би антенна на окне. - Радио, 1998. № 4, с. 80.

Автор: С.Бирюков, г.Москва

Смотрите другие статьи раздела Автомобиль. Охранные устройства и сигнализация.

Читайте и пишите полезные комментарии к этой статье.

<< Назад

Последние новости науки и техники, новинки электроники:

Оптимальная продолжительность сна 12.11.2025

Сон играет ключевую роль в поддержании здоровья, когнитивных функций и общего самочувствия. Несмотря на широко распространенный стереотип о восьмичасовом сне, последние исследования показывают, что оптимальная продолжительность сна для большинства здоровых взрослых ближе к семи часам. Эволюционный биолог из Гарварда, Дэниел Э. Либерман, утверждает, что традиционная норма восьми часов сна - это скорее культурное наследие индустриальной эпохи, чем биологическая необходимость. По его словам, полевые исследования, проведенные в сообществах, не использующих электричество, показывают, что средняя продолжительность сна составляет 6-7 часов, что значительно отличается от общепринятого стандарта. Современные эпидемиологические данные подтверждают этот взгляд. Исследования выявили так называемую "U-образную кривую" зависимости между продолжительностью сна и рисками для здоровья. Минимальные показатели заболеваемости и смертности наблюдаются именно у людей, спящих около семи часов в сутки. ...>>

Дефицит кислорода усиливает выброс закиси азота 12.11.2025

Парниковые газы играют ключевую роль в изменении климата, а закись азота (N2O) - один из наиболее опасных среди них. Этот газ не только втрое сильнее углекислого газа в удержании тепла, но и разрушает озоновый слой. Недавнее исследование американских ученых показало, что микробы в зонах с низким содержанием кислорода активно производят N2O, усиливая глобальные климатические риски. Команда из Университета Пенсильвании изучала прибрежные воды у Сан-Диего и провела наблюдения на глубинах от 40 до 120 метров в Восточной тропической северной части Тихого океана - одной из крупнейших зон дефицита кислорода. Исследователи сосредоточились на том, как морские микроорганизмы превращают нитраты в закись азота. В ходе работы выяснилось, что существует два пути образования N2O. Один путь начинается с нитрата, другой - с нитрита. На первый взгляд более короткий путь должен быть эффективнее, однако микробы, использующие нитрат, продуцируют больше газа, поскольку этот "сырьевой" источник более д ...>>

Омега-3 помогают молодым кораллам выживать 11.11.2025

Сохранение коралловых рифов становится все более актуальной задачей в условиях глобального изменения климата. Молодые кораллы особенно уязвимы на ранних стадиях развития, когда стрессовые условия и нехватка питательных веществ могут привести к высокой смертности. Недавнее исследование ученых из Технологического университета Сиднея показывает, что специальные пищевые добавки способны существенно повысить выживаемость личинок кораллов. В ходе работы исследователи разработали особый состав "детского питания" для коралловых личинок. В него вошли масла, богатые омега-3 жирными кислотами, а также важные стерины, необходимые для формирования клеточных мембран. Личинки, получавшие эти добавки, развивались быстрее, становились крепче и демонстрировали более высокую устойчивость к стрессовым факторам. Особое внимание ученые уделили липидам. Анализ показал, что личинки активно усваивают эти вещества, что напрямую влияет на их жизнеспособность. Стерины, содержащиеся в корме, повышают устойчи ...>>

Случайная новость из Архива

60-ГГц приемопередатчик со встроенной самокалибровкой 16.03.2013

Корпорация Panasonic представила технологии, снижающие количество ошибок и повышающие производительность транзисторов в чипах для мульти-гигабитных беспроводных сетей диапазона 60 ГГц, являющихся будущим скоростных беспроводных коммуникаций. ВLSI нового приемопередатчика встроен миниатюрный модуль с антенной, которая обеспечивает стабильно высокую скорость беспроводной передачи данных между мобильными устройствами.

В чипсете реализована возможность самокалибровки для компенсации производственных ошибок и повышения точности модуляции более чем в 1,5 раза. Это позволяет сократить допустимые пределы конструкции микросхемы и обеспечить стабильную беспроводную связь при энергопотреблении чипсета менее 1 Вт. Благодаря своим миниатюрным размерам, чипсет может устанавливаться в различные мобильные устройства, обеспечивая возможность стабильного беспроводного обмена контентом, требующим широкой полосы пропускания (видео высокой четкости и т.д.).

Подобные результаты были достигнуты частично за счет использования разработок Panasonic в "научно-исследовательском проекте по распространению ресурсов радиочастотного спектра" Министерства внутренних дел и коммуникаций Японии. Прототип нового приемопередатчика был представлен в конце февраля в Сан-Франциско на конференции IEEE International Solid-State Circuits Conference. В рамках промышленной демо-сессии участникам форума продемонстрировали процесс быстрой передачи файлов с помощью новых технологий.

Другие интересные новости:

▪ Электрический ток из микроволн

▪ Телевидение через розетку

▪ Умный пинцет для исследования микробиома

▪ Пролетая над Венерой

▪ Новые тракторы Deutz-Fahr 4E

Лента новостей науки и техники, новинок электроники

 

Интересные материалы Бесплатной технической библиотеки:

▪ раздел сайта Усилители низкой частоты. Подборка статей

▪ статья Волчий билет (паспорт). Крылатое выражение

▪ статья Обо всем ли помнят слоны? Подробный ответ

▪ статья Ограничения на тяжелые и вредные работы

▪ статья 5 вольт из порта RS-232. Энциклопедия радиоэлектроники и электротехники

▪ статья Повышение чувствительности телевизоров ЗУСЦТ. Энциклопедия радиоэлектроники и электротехники

Оставьте свой комментарий к этой статье:

Имя:


E-mail (не обязательно):


Комментарий:





Главная страница | Библиотека | Статьи | Карта сайта | Отзывы о сайте

www.diagram.com.ua

www.diagram.com.ua
2000-2025