Menu Home

Бесплатная техническая библиотека для любителей и профессионалов Бесплатная техническая библиотека


Автомобильный стробоскоп из лазерной указки. Энциклопедия радиоэлектроники и электротехники

Бесплатная техническая библиотека

Энциклопедия радиоэлектроники и электротехники / Автомобиль. Электронные устройства

Комментарии к статье Комментарии к статье

Автомобилисты знают, насколько важна правильная установка момента зажигания топлива в цилиндрах карбюраторного двигателя. Для этого используют стробоскопы. В статье П. Беляцкого "Светодиодный автомобильный стробоскоп" ("Радио", 2000, № 9) описан простой прибор с фонарем в виде сборки из ярких светодиодов вместо импульсной фотолампы.

Автор этой статьи предлагает собрать прибор на базе лазерной указки.

Предлагаемый вниманию читателей стробоскопический прибор позволяет не только установить оптимальный угол опережения зажигания (ОЗ) на холостых оборотах двигателя, но и найти неисправную свечу, проверить работу катушки зажигания, проконтролировать работу центробежного и вакуумного регуляторов угла 03 на частоте вращения коленчатого вала до 3000 мин-1 (большая частота опасна для двигателя, работающего без нагрузки). Прибор не рассчитан для использования на станциях техобслуживания, но может оказать неоценимую услугу автолюбителю, застрявшему в пути из-за сбоев в системе зажигания.

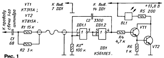
Схема стробоскопа изображена на рис. 1. Импульсы с высоковольтного свечного провода, пройдя через входной узел, состоящий из дифференцирующей цепи С1, R2 и ограничительного резистора R1, запускают одновибратор, собранный на элементах DD1.1, DD1.2. Выходные импульсы одновибратора длительностью около 0,15 мс поступают на базу составного транзистора VT1VT2, работающего усилителем тока. В коллекторную цепь транзистора включена лазерная указка BL1, служащая нагрузкой усилителя. Поскольку выходные импульсы одновибратора имеют высокий уровень, на время их действия составной транзистор открывается и лазер указки формирует световые вспышки.

Автомобильный стробоскоп из лазерной указки

Указка рассчитана на напряжение питания 4,5 В, а в стробоскопе она работает от бортовой сети с напряжением 13,8 В, поэтому длительность выходных импульсов одновибратора не должна превышать 0,15 мс - значение подобрано экспериментально и стоило нескольких "сгоревших" лазеров. При длительности импульса более 0,15 мс средняя рассеиваемая лазером мощность достигает предельно допустимой и резко повышается риск сжечь указку, а при меньшей метка на шкиве коленвала становится зрительно "трудноуловимой". Необходимо также помнить, что и частота вспышек более 100 Гц (соответствует частоте вращения коленчатого вала двигателя 3000 мин-1) опасна для указки, работающей при повышенном напряжении.

Конструктивно стробоскоп состоит из датчика импульсов зажигания, прицепляемого к свечному проводу первого цилиндра двигателя, и собственно указки, внутрь которой помещены все остальные детали. Датчик соединен с указкой экранированным кабелем длиной 50 см.

Основой датчика импульсов зажигания служит бельевая прищепка, на боковой грани которой размещены детали С1, R1, R2 входного узла. На одну из половин прищепки в месте, где расположено рабочее полуотверстие, наматывают виток ленты шириной не более 3 мм из жести или тонколистовой меди в виде бандажа (рис. 2). К нему припаивают вывод конденсатора С1. Вывод резистора R1 припаивают к центральному проводу соединительного кабеля, а резистора R2 - к экрану. Кабель проволочным бандажом прикрепляют к ручке прищепки. Сверху детали входного узла следует покрыть силиконовым герметиком и защитить от ударов планкой иг текстолита (на рисунке не показана).

Автомобильный стробоскоп из лазерной указки

Для установки деталей стробоскопа указку нужно сначала разобрать. Отвинтив насадку, устанавливают под нее кольцо-съемник с осевой толщиной 1...2 мм так, чтобы оно упиралось в край цилиндрического кожуха. Затем навинчивают с усилием насадку, постепенно выпрессовывая "начинку" из кожуха. Если необходимо, операцию повторяют с кольцом большей толщины.

Попытки разобрать указку без кольца-съемника приводят, как правило, к повреждению кромки кожуха, изготовленного из мягкого алюминиевого сплава. Выдавливание "начинки" из кожуха со стороны батарейного отсека, как показала практика, также сопряжено с большим риском повреждения указки.

С платы разобранной указки (рис. 3) выпаивают кнопочный выключатель и боковыми кусачками аккуратно, чтобы не повредить резистор, укорачивают ее до штриховой линии (печатные проводники показаны серыми). Если резистор все-таки оказался поврежденным, не беда, достаточно выводы его замкнуть перемычкой, а сопротивление резистора R5 на схеме (см. рис. 1) увеличить до 270 Ом.

Автомобильный стробоскоп из лазерной указки

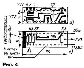
Детали одновибратора и выходного усилителя тока размещают на печатной плате из фольгированного с обеих сторон стеклотекстолита толщиной 0,5 мм. Чертеж платы показан на рис. 4 (а - сторона печати; б - сторона деталей). Оба транзистора и конденсатор С2 припаивают со стороны печати непосредственно к печатным площадкам.

Автомобильный стробоскоп из лазерной указки

Отверстия под микросхему должны быть такими, чтобы ее можно было смонтировать возможно ближе к плате - так будет легче вставить плату в кожух указки при сборке. Вывод 7 микросхемы и один из выводов резистоpa R3 необходимо пропаять с обеих сторон платы. Поскольку плата довольно "тесная", постарайтесь заранее продумать последовательность монтажа деталей, чтобы не пришлось потом отпаивать уже установленные. Микросхему монтируйте в последнюю очередь. Контактные площадки квадратной формы на обеих сторонах платы необходимо соединить отрезками медного провода и пропаять. Под транзистор VT2 следует вложить тонкую изоляционную прокладку.

Прежде чем соединять собранную плату стробоскопа с подготовленной платой указки, целесообразно проверить его работу со светодиодом вместо лазера. Светодиод (например, АЛ307Б) временно припаивают анодом к плюсовому выводу питания, а катодом - к резистору R5.

Для того чтобы можно было наладить стробоскоп в лабораторных условиях, целесообразно собрать по схеме на рис. 5 испытательный мультивибратор. Он вырабатывает короткие импульсы высокого уровня с частотой повторения, регулируемой переменным резистором R2.

Импульсы подают на вход стробоскопа и подбирают резистор R3 таким, чтобы длительность выходных импульсов не превышала 0,15 мс.

После этого нужно убедиться, что собранная плата свободно входит в кожух указки.

К собранной плате припаивают три гибких вывода - общий, входной (к резистору R1 датчика) и плюсовой питания (+13,8 В), прикладывают ее к плате указки соединительными фольговыми площадками наружу, в оба сборочные отверстия плат вставляют по отрезку медного провода диаметром 0,5 мм и пропаивают. Не забудьте отдельным проводником соединить плюсовой вывод лазера на плате указки (см. рис. 3) с плюсовым проводом питания на плате стробоскопа. Еще раз проверьте, войдет ли конструкция в кожух указки.

Если все в порядке, внутрь кожуха вставляют свернутый в трубку изолятор из тонкой жесткой пластиковой пленки и вводят в него лазер с платой. Торец с выводами указки заливают герметиком. Гибкие выводы питания оснащают зажимами "крокодил" с маркировкой полярности или разъемом для подключения к розетке переносной лампы.

Во всех случаях целесообразно в разрыв плюсового провода ввести диод, защищающий стробоскоп от случайного включения стробоскопа в обратной полярности (на схеме рис. 1 этот диод не показан). Подойдет любой диод на обратное напряжение не менее 50 В и средний выпрямленный ток не менее 100 мА. Смонтировать диод можно вблизи зажима "крокодил".

Кроме этого, учитывая, что кожух лазерной указки электрически соединен с плюсовым проводом питания, ее необходимо тщательно изолировать и во время пользования не допускать соприкосновения с деталями автомобиля. Тем не менее работать со стробоскопом будет проще, если последовательно с защитным диодом включить миниатюрный плавкий предохранитель на ток 0,16 А (на схеме тоже не показан).

Автомобильный стробоскоп из лазерной указки

Для работы стробоскопа датчик-прищепку цепляют на свечной высоковольтный провод первого цилиндра двигателя. Запускающие импульсы поступают на прибор через емкость между высоковольтным проводом и бандажом в рабочем отверстии датчика. Емкость должна быть минимально необходимой для устойчивого запуска.

Если емкость выбрать чрезмерно большой, амплитуда запускающего импульса при неблагоприятных обстоятельствах может превысить допустимую для микросхемы и стать причиной ее порчи. Поэтому в начале датчик следует устанавливать на провод через сухую прокладку толщиной 1 мм из полиэтилена или ПВХ. Если запуска стробоскопа не происходит - нет мигающего свечения лазера на самых малых оборотах двигателя, - прокладку надо заменить более тонкой.

Работать со стробоскопом удобнее, когда его световое пятно имеет вытянутую форму - это облегчает фиксацию обеих меток в поле зрения. Поэтому на указку надевают одну из прилагающихся насадок, вытягивающих пятно в линию. При работе в светлое время дня, но в тени, можно обойтись и без насадки (яркость пятна будет больше), направляя луч только на подвижную метку. Неподвижная метка на корпусе будет в этих условиях и так хорошо видна. Чтобы защитить лазер и насадку от грязи и пыли при хранении, подберите для нее подходящий чехол из пластика.

Возможно, кому-то покажется легче собрать одновибратор стробоскопа на миниатюрной микросхеме К564ЛЕ5. Чертеж платы для такого варианта показан на рис. 6. Здесь на стороне деталей (рис. 6,б) припаяны только конденсатор С2 и транзистор VT2, остальные детали - со стороны печати. Кроме этого, с входным узлом соединен вывод 2 микросхемы.

Перед работой со стробоскопом протрите белую краску на метках на корпусе и шкиве коленчатого вала двигателя автомобиля. Если метки не окрашены, обязательно надо это сделать - очень пригодится в будущем. Хорошо прогретый двигатель переведите на холостые обороты 600...800 мин-1. Подключите зажимы питания стробоскопа так, чтобы его питающие провода не соприкасались с высоковольтными. Установите датчик на высоковольтный провод первой свечи и направьте луч лазера на неподвижную метку, расположенную на корпусе. Затем найдите лучом лазера подвижную метку на шкиве маховика - яркость пятна в этом месте увеличивается из-за отражения от белой краски. Если метка не окрашена, яркость отраженного луча, наоборот, уменьшится, но это труднее зафиксировать, особенно при ярком освещении.

Убедиться в том, что найденное место - действительно метка, можно, немного изменив частоту вращения вала двигателя, при этом метка смещается вперед или назад по ходу вращения шкива.

Если установка момента зажигания на вашем автомобиле нарушена, подвижная метка может находиться далеко от неподвижной. На холостых оборотах метка на шкиве маховика должна находиться напротив средней неподвижной метки, т. е. угол опережения зажигания должен быть равен 5 град. Вращением корпуса прерывателя-распределителя зажигания добейтесь совпадения подвижной и неподвижной меток и зафиксируйте его в этом положении.

Кратковременно увеличивают обороты и наблюдают расхождение меток. При увеличении частоты вращения коленчатого вала зажигание должно становиться более ранним. На частоте вращения 3000 мин-1 угол опережения зажигания для автомобилей ВАЗ должен быть в пределах 15... 17 град. [2].

Не увеличивайте частоту вращения сверх 3000 мин-1 - это опасно и для двигателя, и для лазерной указки. Ни в коем случае не направляйте луч лазера в глаза!

В стробоскопе использована лазерная указка мощностью до 1 мВт. В последнее время в продаже появились лазерные указки в пять раз более яркие. Они имеют такие же размеры, и их применение в автомобильном стробоскопе предпочтительнее.

Литература

  • Беляцкий П. Светодиодный автомобильный стробоскоп. - Радио, 2000. № 9, с. 43, 44.
  • Ершов Б. В., Юрченко М. А. Легковые автомобили ВАЗ. - Киев, "Вища школа", 1983.

Автор: Н.Заец, пос. Вейделевка Белгородской обл.; Радио №1 2004


Дополнение

"Автомобильный стробоскоп из лазерной указки" - под таким заголовком в "Радио", 2004, № 1, с. 45, 46 была опубликована статья Н. Заеца. Мне понравилась идея использования лазерной указки в качестве фонаря стробоскопа. Для тех, кто хотел бы повторить эту конструкцию, но не знает устройства указки, предлагаю познакомиться с ней подробнее.

На рисунке представлена "начинка" указки-брелока. Источником света является полупроводниковый излучающий кристалл 3, припаянный к массивному основанию, служащему теплоотводом 2. Теплоотвод прикреплен к плате 1, на которой смонтированы кнопка включения, токоограничительный резистор и пружинный контакт батареи питания. Теплоотвод с платой туго вставлены в прорезь втулки-держателя 4, на другом конце которой нарезана наружная и внутренняя резьба.

Автомобильный стробоскоп из лазерной указки

Свет от кристалла сильно рассеян и в тонкий луч его собирает линза 6. Положение линзы относительно кристалла можно регулировать резьбовой втулкой 7. Пружина 5 прижимает линзу к втулке.

Для использования указки в качестве осветителя стробоскопа лучше расфокусировать пучок света, ввернув втулку до упора (но не давите сильно!). В результате диаметр светового пятна на расстоянии 1 м увеличится примерно до 6 см. На меньшем расстоянии диаметр пятна будет меньше. Во всяком случае с более широким, чем точка, пятном "держать" метку на шкиве двигателя легче, да и опасность для зрения меньше при случайном попадании луча в глаза.

Во многих статьях сделан акцент на том, что указка питается от источника напряжением 4,5 В, но наличие в ее конструкции токоограничительного резистора говорит о том, что напряжение может быть любым, достаточно лишь подобрать требуемый ток. Именно так включен лазер в стробоскопе. Для расчета резистора надо измерить ток лазера указки и падение напряжения на нем. На образцах лазера, имеющихся у меня, падало 2,6 В при токе 35 мА. При выборе токоограничительного резистора не надо забывать о встроенном резисторе сопротивлением 68 Ом.

В процессе проведения опытов по питанию указки завышенным током одна из них была испорчена. Но, как оказалось, кристалл остался целым, а отгорел его тонкий вывод. Работоспособность лазера была восстановлена каплей токопроводящего клея. Использованные при этом инструменты - швейная игла и линза 6.

Автор: А.Чепурин, г.Чусовой Пермской обл.

Смотрите другие статьи раздела Автомобиль. Электронные устройства.

Читайте и пишите полезные комментарии к этой статье.

<< Назад

Последние новости науки и техники, новинки электроники:

Питомцы как стимулятор разума 06.10.2025

Помимо эмоциональной поддержки, домашние питомцы могут оказывать заметное воздействие на когнитивные процессы, особенно у пожилых людей. Новое масштабное исследование показало, что общение с кошками и собаками не просто улучшает настроение - оно действительно способствует замедлению возрастного снижения умственных способностей. Работа проводилась в рамках проекта Survey of Health, Ageing and Retirement in Europe (SHARE), охватывающего период с 2004 по 2022 год. В исследовании приняли участие тысячи европейцев старше 50 лет. Анализ показал, что владельцы домашних животных демонстрируют более устойчивые когнитивные функции по сравнению с теми, кто не держит питомцев. Особенно выражен эффект оказался у владельцев кошек и собак. Согласно данным ученых, владельцы собак дольше сохраняют хорошую память, в то время как хозяева кошек медленнее теряют способность к быстрому речевому взаимодействию. Исследователи связывают это с тем, что ежедневное взаимодействие с животными требует внимани ...>>

Мини-ПК ExpertCenter PN54-S1 06.10.2025

Компания ASUSTeK Computer презентовала новый мини-компьютер ASUS ExpertCenter PN54-S1. Устройство ориентировано на пользователей, которым важно сочетание производительности, энергоэффективности и универсальности - от офисных задач до мультимедийных проектов. В основе ExpertCenter PN54-S1 лежит современная аппаратная платформа AMD Hawk Point, использующая архитектуру Zen 4. Это поколение чипов отличается улучшенным управлением энергопотреблением и повышенной вычислительной мощностью. Новинка доступна в конфигурациях с процессорами Ryzen 7260, Ryzen 5220 и Ryzen 5210, представленных AMD в начале 2025 года. Таким образом, устройство охватывает широкий диапазон задач - от базовых офисных до ресурсоемких вычислений. Корпус мини-ПК выполнен из прочного алюминия и имеет размеры 130&#215;130&#215;34 мм, что делает его практически незаметным на рабочем столе или за монитором. Несмотря на компактность, внутренняя компоновка позволяет установить два модуля оперативной памяти SO-DIMM ...>>

Глазные капли, возвращающие молодость зрению 05.10.2025

С возрастом человеческий глаз постепенно теряет способность четко видеть на близком расстоянии - развивается пресбиопия, или возрастная дальнозоркость. Этот естественный процесс связан с утратой эластичности хрусталика и ослаблением цилиарной мышцы, отвечающей за фокусировку. Миллионы людей по всему миру сталкиваются с необходимостью носить очки для чтения или прибегают к хирургическим методам коррекции. Однако исследователи из Центра передовых исследований пресбиопии в Буэнос-Айресе представили решение, которое может стать удобной и неинвазивной альтернативой - специальные глазные капли, способные улучшать зрение на длительный срок. Разработку возглавила Джованна Беноцци, директор Центра. По ее словам, цель исследования состояла в том, чтобы предоставить пациентам с пресбиопией эффективный и безопасный способ коррекции зрения без хирургического вмешательства. Новые капли, созданные на основе пилокарпина и диклофенака, показали убедительные результаты: уже через час после первого пр ...>>

Случайная новость из Архива

Слабослышащие люди смогут насладиться концертом 16.05.2025

Для миллионов людей с нарушениями слуха участие в концертах, лекциях или спектаклях раньше было сопряжено с множеством трудностей. Однако развитие аудиотехнологий постепенно стирает границы между мирами слышащих и слабослышащих. Одним из ярких примеров такого прогресса стала технология израильского стартапа Bettear, которая позволяет воспринимать звук на концертах и в других общественных пространствах в высоком качестве - практически без потерь.

Одним из первых громких успехов этой технологии стал концерт популярной американской группы Maroon 5, прошедший в Тель-Авиве в мае 2022 года. Тогда, среди почти 60 тысяч зрителей, находились и люди с нарушениями слуха. Благодаря разработке Bettear они могли в реальном времени слышать выступление в таком же качестве, как и обладатели нормального слуха. Это стало возможным благодаря тому, что звук с микшерного пульта передавался на сервер компании, после чего очищенный и адаптированный по частотам сигнал транслировался через WiFi прямо на смартфоны слушателей.

Со времени этого прорывного события технология Bettear получила широкое распространение. Сегодня ее используют в десятках стран по всему миру - от культурных центров и университетов до домов престарелых и театров. Только в Израиле к системе подключены около четырех тысяч учреждений. Это свидетельствует о том, что технология стала неотъемлемой частью инфраструктуры доступности и доказала свою эффективность в самых разных условиях.

Тем не менее, несмотря на эффективность WiFi-трансляции, у нее есть ограничения, особенно по числу пользователей, которых можно одновременно подключить к аудиоканалу. Чтобы решить эту проблему, компания активно внедряет стандарт Bluetooth нового поколения - Auracast. Эта технология позволяет транслировать звук одновременно тысячам пользователей без потери качества и перегрузки сети. Auracast имеет еще одно важное преимущество: пользователям не нужно устанавливать специальные приложения на свои устройства, что значительно упрощает процесс подключения.

В январе 2025 года на выставке CES были представлены современные слуховые аппараты и кохлеарные импланты, уже совместимые с Auracast. Это значит, что люди с продвинутыми моделями слуховых устройств могут подключаться напрямую к трансляции, в то время как пользователи более старых моделей по-прежнему могут использовать WiFi. Таким образом, Bettear предлагает гибкое решение, охватывающее разные категории слушателей.

Разработка Bettear может быть полезна не только для слабослышащих. В шумных залах и на многолюдных мероприятиях даже людям с хорошим слухом бывает удобно подключиться к персональному аудиоканалу, чтобы четко и без напряжения услышать речь выступающих. Кроме того, с помощью публичных каналов можно транслировать синхронный перевод на разные языки, позволяя каждому слушателю выбрать подходящий для себя вариант.

Особое внимание стоит уделить интеллектуальной составляющей системы. Компания применяет технологии искусственного интеллекта для точной настройки звука, оптимизации передачи и управления аудиоканалами. В Израиле Bettear сотрудничает напрямую с организациями и площадками, тогда как за пределами страны их решения распространяются через локальных партнеров и реселлеров.

Другие интересные новости:

▪ Нидерланды построят плавучий город

▪ Гибкий график работы сотрудников выгоден для компании

▪ Фобос будет разрушен Марсом

▪ Из ускорителя - на кухню

▪ Однофазные мостовые выпрямители 4GBUxxLS

Лента новостей науки и техники, новинок электроники

 

Интересные материалы Бесплатной технической библиотеки:

▪ раздел сайта История техники, технологии, предметов вокруг нас. Подборка статей

▪ статья Вирджиния Вулф. Знаменитые афоризмы

▪ статья В какой стране свободный обмен файлами официально признан религией? Подробный ответ

▪ статья Работа с гальваническими ваннами. Типовая инструкция по охране труда

▪ статья Радиостанция колибри. Энциклопедия радиоэлектроники и электротехники

▪ статья Кубик прошел сквозь стекло. Секрет фокуса

Оставьте свой комментарий к этой статье:

Имя:


E-mail (не обязательно):


Комментарий:




Комментарии к статье:

Женька
R1 - токоограничивающий резистор. Ток на входе полевика ограничивает. Лично проверил!


Главная страница | Библиотека | Статьи | Карта сайта | Отзывы о сайте

www.diagram.com.ua

www.diagram.com.ua
2000-2025