Радиоприемник для системы охраны автомобиля с оповещением по радиоканалу

Энциклопедия радиоэлектроники и электротехники /
Автомобиль. Охранные устройства и сигнализация
Комментарии к статье
Приемник предназначен для
приема амплитудно-модулированных сигналов на
фиксированной частоте 26945 кГц. Для удобства его
использования прием производится на встроенную
рамочную антенну.
Известно, что дальность работы
данной системы в основном зависит от
чувствительности приемника. Чтобы увеличить
дальность в 2 раза, необходимо во столько же раз
увеличить чувствительность приемника или в 4
раза увеличить мощность передатчика
(увеличивать мощность передатчика более 2 Вт
нельзя из-за предъявляемых требований к таким
устройствам).
Приемник, используемый в системе охраны, должен обеспечивать
также длительную непрерывную работу от автономного источника питания. Так как
отечественная промышленность не выпускает подходящих высокочастотных микросхем,
которые способны работать от низковольтного питания в режиме малых токов, при
этом обеспечивая высокую чувствительность, электрическую схему высокочастотной
части приемника пришлось выполнять на дискретных элементах , что делает ее
доступной для повторения.

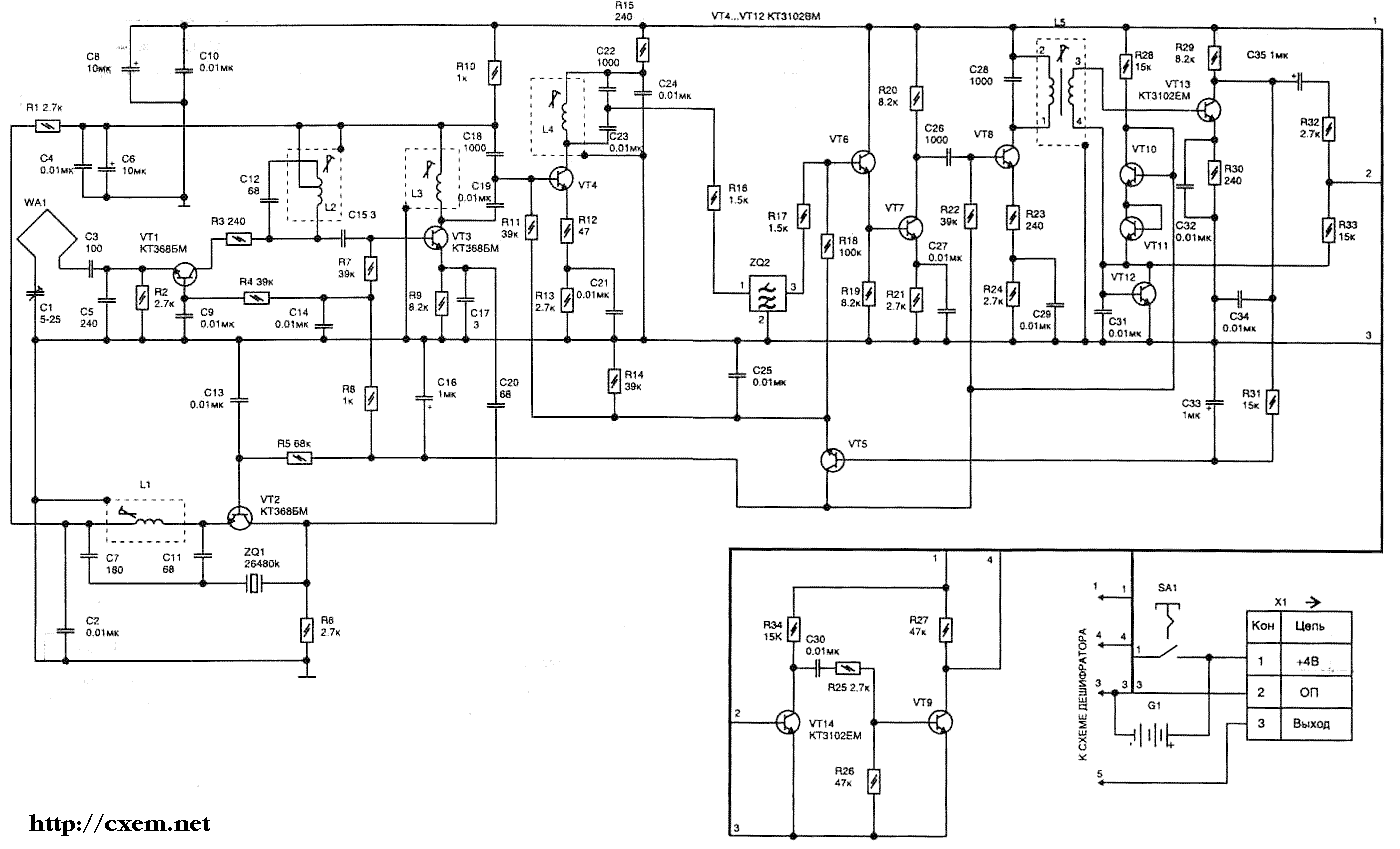
Рис. 1.
Высокочастотная часть приемника (нажмите для увеличения)
Основные технические
параметры приемника:
- чувствительность на внутреннюю
антенну не хуже 0.5...1 мкВ;
- частота промежуточного усиления
465 кГц;
- избирательность по соседнему
каналу не хуже 40 дБ;
- напряжение питания 3...4,5 В;
- потребляемый ток (вместе с
цифровой схемой дешифратора):
- в режиме "охрана" не более 2,2
мА;
- в режиме "оповещения" не
более 5 мА;
- диапазон рабочих температур
+10...+50°С.
Высокочастотная часть
приемника работает в режиме микротоков и
построена по супергетеродинной схеме. Входной
контур, состоящий из индуктивноети рамочной
антенны WA1 и конденсаторов С1, СЗ, С5, а также
контур L2-C12 ограничивают полосу принимаемых
частот, что увеличивает помехоустойчивость
приема и избирательность по зеркальному каналу.
На транзисторе VT1 собран усилитель высокой
частоты (УВЧ) приемника. Гетеродин на транзисторе
VT2 стабилизирован по частоте кварцевым
резонатором ZQ1 (26480 кГц). Это позволяет не
проводить подстройку приемника на частоту
передатчика в процессе эксплуатации.

Рис. 2. Конструкция
катушек L1 и L2 приемника
Промежуточная частота 465 кГц
выделяется смесителем, выполненным на
транзисторе VT3. Усилитель ПЧ собран на
транзисторах VT4, VT6...VT8. Пьезофильтр ZQ2 (ФП1П1-61,02)
обеспечивает хорошее подавление сигналов
соседних каналов. Усиленный сигнал ПЧ выделяется
на контуре L5-C28, с которого через индуктивную
связь подается на активный детектор из
транзистора VT13.

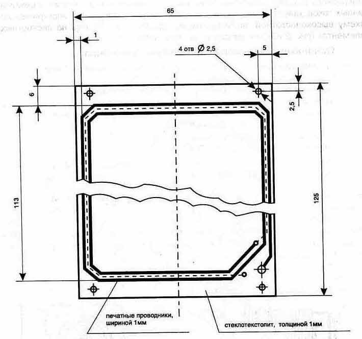
Рис. 3. Конструкция
рамочной антенны приемника WA1
Использование активного
детектора позволяет ему работать при
значительно меньшем уровне входного сигнала, чем
это обеспечивают диодные схемы. После усиления
транзисторами VT14 и VT9 выделенные низкочастотные
импульсы поступают на дешифратор.
Транзистор VT5 используется в
системе автоматической регулировки усиления. На
диодном включении транзисторов VT10...VT12 собран
низковольтный стабилизатор рабочих режимов
усилительных каскадов, что необходимо для работы
приемника в широком диапазоне питающих
напряжений. По сравнению с обычными диодами
транзисторные переходы дают лучшую стабилизацию
при работе на малом токе.
Pис. 4. а) Топология
печатной платы приемника

Рис. 4. 6)
Расположение элементов
В схеме применены резисторы С2-23,
подстроенный конденсатор С1 типа К4-236, остальные
конденсаторы типа К10-17 или КМ6 (те из них, что
применяются в контурах, лучше установить с
минимальным ТКЕ). Электролитические
конденсаторы С6, С8, С16, СЗЗ и С35 типа К50-16 на 6,3 В.
Катушки L1 и L2 выполнены на
каркасе диаметром 5 мм проводом ПЭВ-2 диаметром 0,23
мм, рис. 1, и содержат: L1 - 12 витков, L2 - 12 витков с
отводом от середины. Конструкция катушек
контуров промежуточной частоты показана на рис.
2.17. Они выполняются проводом ПЭЛ диаметром 0,1 мм и
содержат: L3 и L4 по 80 витков, L5 - обмотка 1-2 - 80
витков (ее индуктивность примерно 120 мкГн), 3-4 - 120
витков (намотка начинается с обмотки 3-4).

Рис. 6. Форма
напряжения в контрольных точках
Антенна WA1 - выполнена
печатными проводниками на монтажной плате из
двухстороннего стеклотекстолита толщиной 1,0 мм и
размерами 125х65 мм и содержит три витка, рис. 3.
Печатные проводники второго слоя показаны
пунктиром. Печатная плата, используемая для
монтажа элементов приемника и закрепления трех
аккумуляторов, приведена на рис. 4. Она содержит
две перемычки, устанавливаемые до начала
монтажа. Большинство резисторов располагаются
вертикально, что уменьшает размеры конструкции.
Аккумуляторы размещаются в картонных каркасах
по их диаметру и прижимаются сверху печатной
платой с размерами 95х30 мм (на этой же плате
располагается дешифратор). Часть элементов
основной платы, отмеченные штрихом, относятся к
схеме дешифратора.
Настройка приемника начинается
с усилителя промежуточной частоты на
максимальное усиление. Для этого с генератора
Г4-176 на базу VT3 через разделительный конденсатор
1000 пФ подаем сигнал 465 кГц (с точностью 0,5 кГц) с
импульсной 100% модуляцией меандром на частоте 1
кГц. Изменяя амплитуду сигнала генератора от 100
мВ до 1 мкВ с помощью сердечников катушек L8, L6 и L5,
получаем максимальное напряжение на выходе
детектора. Сигнал удобно контролировать
осциллографом, а его форма на коллекторе
транзисторов VT13 и VT14 показана на рис. 2.67. Номинал
резистора R33 может потребовать подбора, так чтобы
при отсутствии входного сигнала на коллекторе VT14
было нулевое напряжение.
Окончательную регулировку УПЧ
проводим при амплитуде выходного сигнала (Uq) не
более 200 мВ. Если УПЧ после настройки не
обеспечивает достаточного усиления, то вместо
резисторов R16 и R12 можно установить перемычки и
повторить настройку.
Настройка гетеродина на рабочую
частоту выполняется по следующему методу:
а) от генератора Г4-176 подать
сигнал уровнем 1 мВ на частоте 26945 кГц с
импульсной 100% модуляцией меандром (1 кГц) на виток
связи, закрепленный на пластине (рис. 2.68) (WA1
содержит два витка и выполняется проводом МГШВ
диаметром 0,2 мм на прямоугольном каркасе с
размерами 80х150 мм);

Рис. 7. Виток связи
для настройки приемника при подаваемом с
генератора сигнале
б) вращая подстроенный
сердечник поочередно в катушках L2, L3 и L4,
необходимо получить максимальную амплитуду
импульсов на выходе детектора, а окончательную
подстройку проводим при сигнале Uq не более 120 мВ
(в этом случае работа каскада автоматической
регулировки усиления не будет снижать уровень
сигнала, мешая настройке приемника на
максимальную чувствительность);
в) настройка антенны WA1 на
рабочую частоту проводится конденсатором С1 при
уровне сигнала, подаваемом с генератора, менее 2
мкВ (можно установить перемычки вместо R3 и R23,
если это не приведет к самовозбуждению каскадов).
После этого можно проверить
действие автоматической регулировки усиления.
Увеличивая ВЧ сигнал с генератора на 80 дБ,
осциллографом контролируем ширину импульсов tu
на коллекторе VT14 - длительность импульсов не
должна увеличиваться более чем на
30% относительно начальной. Необходимо также
проверить работу схемы при изменении питающего
напряжения от 3 до 4,5 В. На этом настройка
высокочастотной части приемника считается
законченной, и можно подключать дешифратор кода.
Публикация: cxem.net
Смотрите другие статьи раздела
Автомобиль. Охранные устройства и сигнализация
Читайте и пишите полезные комментарии к этой статье.
<< Назад
Последние новости науки и техники, новинки электроники:
Лабораторная модель прогнозирования землетрясений
30.11.2025
Предсказание землетрясений остается одной из самых сложных задач геофизики. Несмотря на развитие сейсмологии, ученые все еще не могут точно определить момент начала разрушительного движения разломов. Недавние эксперименты американских исследователей открывают новые горизонты: впервые удалось наблюдать микроскопические изменения в контактной зоне разломов, которые предшествуют землетрясению.
Группа под руководством Сильвена Барбота обнаружила, что "реальная площадь контакта" - участки, где поверхности разлома действительно соприкасаются - изменяется за миллисекунды до высвобождения накопленной энергии. "Мы открыли окно в сердце механики землетрясений", - отмечает Барбот. Эти изменения позволяют фиксировать этапы зарождения сейсмического события еще до появления традиционных сейсмических волн.
Для наблюдений ученые использовали прозрачные акриловые материалы, через которые можно было отслеживать световые изменения в зоне контакта. В ходе искусственного моделирования примерно 30% ко ...>>
Музыка как естественный анальгетик
30.11.2025
Ученые все активнее исследуют немедикаментозные способы облегчения боли. Одним из перспективных направлений становится использование музыки, которая способна воздействовать на эмоциональное состояние и когнитивное восприятие боли. Новое исследование международной группы специалистов демонстрирует, что даже кратковременное прослушивание любимых композиций может значительно снижать болевые ощущения у пациентов с острой болью в спине.
В эксперименте участвовали пациенты, обратившиеся за помощью в отделение неотложной помощи с выраженной болью в спине. Им предлагалось на протяжении десяти минут слушать свои любимые музыкальные треки. Уже после этой короткой сессии врачи фиксировали заметное уменьшение интенсивности боли как в состоянии покоя, так и при движениях.
Авторы исследования подчеркивают, что музыка не устраняет саму причину боли. Тем не менее, она воздействует на эмоциональный фон пациента, снижает уровень тревожности и отвлекает внимание, что в сумме приводит к субъективном ...>>
Алкоголь может привести к слобоумию
29.11.2025
Проблема влияния алкоголя на стареющий мозг давно вызывает интерес как у врачей, так и у исследователей когнитивного старения. В последние годы стало очевидно, что границы "безопасного" употребления спиртного размываются, и новое крупное исследование, проведенное международной группой ученых, вновь указывает на это. Работы Оксфордского университета, выполненные совместно с исследователями из Йельского и Кембриджского университетов, показывают: даже небольшие дозы алкоголя способны ускорять когнитивный спад.
Команда проанализировала данные более чем 500 тысяч участников из британского биобанка и американской Программы миллионов ветеранов. Дополнительно был выполнен метаанализ сорока пяти исследований, в общей сложности включавших сведения о 2,4 миллиона человек. Такой масштаб позволил оценить не только прямую связь между употреблением спиртного и развитием деменции, но и влияние генетической предрасположенности.
Один из наиболее тревожных результатов касается людей с повышенным ге ...>>
Случайная новость из Архива
Хранение солнечной энергии на молекулярном уровне
25.09.2024
Солнечная энергия играет ключевую роль в переходе на возобновляемые источники энергии. Однако одним из основных вызовов этой технологии остается прерывистость генерации энергии: солнечные панели производят электричество только при наличии солнечного света, а спрос на энергию не всегда совпадает с ее доступностью. Для решения этой проблемы важно разработать эффективные системы накопления энергии, которые могут обеспечить бесперебойное электроснабжение. Недавнее открытие команды ученых из ICREA предлагает перспективное решение: уникальное гибридное устройство, которое объединяет кремниевый солнечный элемент с инновационной системой хранения солнечной тепловой энергии под названием MOST.
MOST (Molecular Solar Thermal Energy Storage) - это технология, основанная на молекулах, способных захватывать и сохранять солнечную энергию для ее последующего использования. В отличие от традиционных батарей, основанных на литии и других редких металлах, молекулы MOST представляют собой органические соединения, которые меняют свою структуру при воздействии ультрафиолетового излучения. Эти молекулы могут эффективно хранить энергию и возвращать ее по мере необходимости, что делает систему более экологичной и устойчивой.
Новое устройство, разработанное командой под руководством профессора Каспера Мот-Поульсена из Барселонской восточной школы инженерии (EEBE), впервые в истории объединило две перспективные технологии: фотоэлектрическую солнечную энергетику и молекулярное хранение тепловой энергии. В результате была создана система, способная не только генерировать электричество с помощью солнечного света, но и эффективно сохранять тепловую энергию для ее использования в дальнейшем. Это открытие установило новый стандарт эффективности в области хранения солнечной энергии и может значительно изменить подходы к ее использованию в будущем.
Фотоэлектрическая технология, превращающая солнечное излучение в электричество, является основой современного использования солнечной энергии. Однако ее эффективность ограничена рядом факторов, включая нагрев солнечных элементов и колебания спроса на энергию. Чем сильнее нагревается солнечная панель, тем меньше энергии она производит, что снижает эффективность и сокращает срок службы фотоэлектрической системы. Система MOST, в свою очередь, помогает решить эту проблему, предлагая способ хранения энергии, не зависящий от температурных колебаний и позволяющий использовать ее в момент, когда это наиболее необходимо.
Одной из ключевых особенностей новой технологии является ее устойчивость. Современные батареи, используемые для накопления энергии, зависят от материалов, добыча и утилизация которых часто связаны с экологическими проблемами. В отличие от них, молекулы MOST безопасны для окружающей среды и могут быть переработаны, что делает их гораздо более устойчивым решением для долгосрочного хранения энергии.
Использование органических молекул в технологии MOST позволяет эффективно сохранять высокоэнергетические фотоны, такие как ультрафиолетовый свет, которые обычно не могут быть преобразованы в электричество стандартными солнечными элементами. Эти молекулы могут накапливать энергию в течение длительного времени и высвобождать ее при необходимости, что делает новую систему не только эффективной, но и надежной. Кроме того, такая технология может стать основой для разработки новых типов устройств, которые смогут обеспечивать стабильное энергоснабжение в самых различных условиях.
Таким образом, гибридное устройство, созданное учеными из ICREA, представляет собой прорыв в области солнечной энергетики и хранения энергии. Его инновационный подход к решению проблем прерывистости генерации и устойчивости материалов может существенно изменить рынок возобновляемых источников энергии. Это открытие не только предлагает новые способы использования солнечного излучения, но и ставит под сомнение необходимость в традиционных батареях, открывая путь к более экологичным и эффективным технологиям.
Разработка подобных гибридных устройств на основе солнечных панелей и молекулярных систем хранения энергии является важным шагом на пути к устойчивому будущему. Совмещение этих технологий не только повышает эффективность использования солнечной энергии, но и предлагает более стабильные и экологичные решения для будущего энергоснабжения.
|
Лента новостей науки и техники, новинок электроники
Рекомендуем скачать в нашей Бесплатной технической библиотеке:
▪ раздел сайта Предварительные усилители
▪ сборники Новый Радиоежегодник
▪ книга Цифровые авометры. Афанасьев Г.Я., Мальцев Ю.С., 1975
▪ статья Как эстонское правительство пыталось скрыть тот факт, что самая распространенная в стране фамилия - Иванов? Подробный ответ
▪ статья Классификация чрезвычайных ситуаций природного и техногенного характера. Основы безопасной жизнедеятельности
▪ статья Монета в закрытой банке. Секрет фокуса
▪ справочник Вхождение в режим сервиса зарубежных телевизоров. Книга №4
Оставьте свой комментарий к этой статье:
Главная страница | Библиотека | Статьи | Карта сайта | Отзывы о сайте

www.diagram.com.ua
2000-2025