Menu Home

Бесплатная техническая библиотека для любителей и профессионалов Бесплатная техническая библиотека


Блок управления для системы охраны автомобиля с оповещением по радиоканалу

Бесплатная техническая библиотека

Энциклопедия радиоэлектроники и электротехники / Автомобиль. Охранные устройства и сигнализация

Комментарии к статье Комментарии к статье

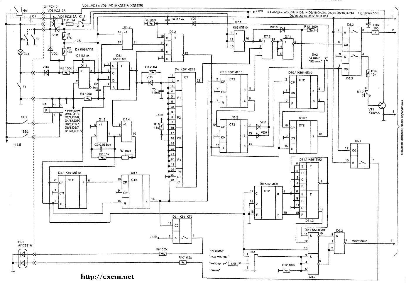
Управление включением передатчика, а также формирование временных интервалов и модулирующего сигнала осуществляет схема, приведенная на рис. 1. Она собрана на КМОП микросхемах, что позволяет получить малое потребление тока в ждущем режиме. При этом все основные временные интервалы получены без использования электролитических конденсаторов, что обеспечивает высокую надежность работы и стабильность параметров в широком температурном диапазоне.

Блок управления для системы охраны автомобиля с оповещением по радиоканалу. Схема
Рис. 1. Схема управления (нажмите для увеличения)

Питание на схему блока охраны подается группой контактов поляризованного реле (К1.1). Реле К1 является герметичным и имеет две обмотки. Оно не требует постоянного питания для фиксации контактов в нужном положении. Кнопка SB1 выполняет включение охраны, а скрытно установленная кнопка SB2 выключает блок.

Для того чтобы исключить быстрое выключение охраны вором, вместо одной кнопки SB2 можно использовать несколько последовательно соединенных или же установить миниатюрное гнездо многоконтактного разъема, в ответной части которого припаивается нужная перемычка. Временная установка в гнездо такого "ключа" отключит охрану.

В начальный момент подачи питания короткий импульс, сформированный цепью C2-R4 и C4-R5, устанавливает триггеры микросхемы D2 в исходное состояние (лог. "0" на выходе D2/1, лог. "1" на D2/12). Датчик на двери водителя F1 подключен на вход элемента D1.1, а конденсатор С1 предотвращает срабатывание элемента D1.1, а значит, и триггера D2.1 от дребезга контактов датчика при его переключении.

Схема переходит в ждущий режим охраны, когда после выхода из машины будет закрыта дверь водителя. В этом случае по фронту положительного перепада напряжения на входе D2.1/3 триггер переключится и появится сигнал лог. "1" на входе D2.2/9, что разрешает срабатывание D2.2 от очередного замыкания любых охранных датчиков.

Блок управления для системы охраны автомобиля с оповещением по радиоканалу. Осциллограмма
Рис. 2. Форма модулирующих импульсов

При включении режима ОХРАНА лог. "1" на входе D1.4/9 разрешает работу автогенератора на элементах микросхемы D1.3 и D1.4 (все временные соотношения в устройстве зависят от частоты этого генератора). При этом будут работать счетчики D3 и D4. Индикатором перехода схемы в режим ОХРАНА является мигание светодиода HL1. Через интервал времени, задаваемый двоичным кодом на входах счетчика D4, на выходе D4/23 кратковременно (около 1 с) появится лог. "1" (через 4 мин). Проходя через элементы D7.2 и D7.3, высокий уровень включает коммутатор D5.2, который подает питание на задающий автогенератор передатчика.

На элементах микросхем D8, D9 и D11 собран формирователь пачки из 7 модулирующих импульсов, рис. 2. Работа такого формирователя подробно описана в первом разделе, (рис. 1.46.). А если вместо микросхемы D8 установить К561ИЕ8, число импульсов в пачке может быть увеличено до 8 или 9.

При срабатывании датчика F1 ВЧ сигнал будет прерывистым, а звуковая сирена включится через 6 с на интервал времени 18 с. Режим работы сирены 18 с и пауза 6 с будут повторяться в течение времени, пока на выходе счетчика D10/12 не появится лог. "1". Этот уровень через диод VD7 подается на обнуление триггера D2.2, что вернет счетчики D6 и D10 в исходное состояние. Время работы сигнализации в режиме ТРЕВОГА после однократного срабатывания любого датчика зависит от положения переключателя SA2.

В случае постоянного замыкания любого другого датчика F2...Fn звуковой сигнал будет включен без задержки и непрерывно. Высокочастотная модуляция передатчика будет также непрерывной (пачками импульсов). По длительности интервала, в течение которого работает звуковой сигнализатор, хозяин сможет определить, какая группа датчиков сработала, и отличить сигнал именно своей охраны.

Включение звукового сигнализатора выполняет высокий уровень сигнала с выходов счетчика D6.2. Через диоды VD8, VD9 он поступает на управление коммутатором D5.3. Транзистор VT1 подает питание на звуковой сигнализатор (ток нагрузки транзистора может быть до 5 А). Показанное на схеме включение транзистора позволяет закрепить его непосредственно на корпусе передатчика, обеспечивая теплоотвод, что избавляет от необходимости использовать дополнительный радиатор.

Блок управления для системы охраны автомобиля с оповещением по радиоканалу. Доработка
Рис. 3. Доработка схемы

При желании в сигнализацию можно ввести функцию кратковременной звуковой индикации установки режима ОХРАНА. Дополнительно установленный транзистор VT2, показанный на схеме (рис. 3 а), позволяет включить звуковой сигнализатор на 1 с (пока идет заряд конденсатора С7 от появившегося напряжения лог. "1" на выходе D2.1/1) при переходе схемы в режим ОХРАНА.

Для подключения к сигнализации датчика с нормально замкнутыми контактами в схему нужно внести изменения, показанные на рис. 3 6, а для подключения датчика колебаний можно воспользоваться рекомендациями, приведенными в статье [Л13].

При правильном монтаже устройство будет работать сразу, а настройка схемы заключается в установке резистором R7 частоты автогенератора 600 Гц на элементах D1.3, D1.4 и проверки формируемых временных интервалов:

а) появление сигнала проверки радиоканала - кратковременное включение передатчика через 4 мин после первоначального включения и установки ре жима ОХРАНА (интервал при необходимости можно увеличить во время первоначальной настройки с помощью цифрового двоичного кода на входах счетчика D4);

б) включение звукового сигнализатора через 6 с после открывания двери водителя и чередование интервалов: работа сигнализатора 18с - пауза 6 с;

в) включение звукового сигнала и работа передатчика при срабатывании любого другого датчика F2...Fn.

Светодиод с красным цветом свечения (включаемый коммутатором D5.4) позволяет обеспечить контроль за состоянием датчиков F2...Fn, а также формирование сигнала на включение сирены без ее подключения.

Топология печатной платы для схемы управления не разрабатывалась, а монтаж выполняется на универсальной макетной плате. Корпус передатчика может быть изготовлен из любого токопроводящего материала и состоит из двух отсеков, в одном из которых расположена плата управления. При этом конструкция корпуса должна предусматривать защиту от проникновения влаги внутрь.

Для удобства настройки и проверки режимов работы блока охраны на корпусе передатчика установлен переключатель SA1 (из серии ПГ2-5). Он позволяет, не вскрывая корпуcа, проверить все основные параметры передатчика. Так при замкнутых контактах датчика F2 и положении SA1: 1 - на выходе XW1 будут пачки из 7 импульсов; положение 2 - непрерывная генерация для измерения частоты и мощности передатчика; 3 - модуляция меандром, что обеспечивает удобство настройки каскадов передатчика, а так же измерение частоты низкочастотного задающего генератора на D1.3, D1.4 (сигнал снимается с эквивалента нагрузки после детектора, рис. 2.58.).

Сдвоенный светодиод HL1 можно заменить двумя обычными с разным цветом свечения. А в качестве диодов VD1...VD3 и VD6...VD10 могут использоваться любые импульсные. Транзистор КТ825 может иметь любую последнюю букву в обозначении. Микросхемы серии К561 заменяются аналогичными из серий КР1561 или 564.

Основным источником питания всего устройства является аккумулятор автомобиля, но предусмотрено подключение и резервного источника напряжением 12,6 В (G1). В ждущем режиме ОХРАНА блок потребляет не более 2,5 мА.

(в основном за счет работы светодиода). При включении высокочастотного блока передатчика потребляемый ток не должен превышать 150 мА (если модуляция осуществляется пачками импульсов).

Блок управления для системы охраны автомобиля с оповещением по радиоканалу. Индикатор ВЧ поля
Рис. 4. Индикатор ВЧ поля

Окончательная настройка передатчика выполняется после установки на автомобиль. Для этого потребуется изготовить индикатор поля (рис. 4) или любой аналогичный из опубликованных в литературе [Л12], с помощью которого можно настроить антенну передатчика сердечником катушки L6 на максимальное излучение. Положение 1 переключателя SA1 в индикаторе поля позволяет предотвратить повреждение механизма измерительного прибора при транспортировке (катушка L1 имеет 11 витков провода МТ диаметром 2,51 мм на каркасе диаметром 25 мм с отводом от третьего витка, а дроссель L2 типа ДМ - 0,2-60 мкГн).

Публикация: cxem.net

Смотрите другие статьи раздела Автомобиль. Охранные устройства и сигнализация

Читайте и пишите полезные комментарии к этой статье.

<< Назад

Последние новости науки и техники, новинки электроники:

Открыт обращаемый драйвер старения 04.10.2025

Недавняя работа ученых из Сямэньского университета в Китае показала, что в гипоталамусе, главном регуляторе внутренних функций организма, кроется один из ключей к продлению молодости. Команда под руководством Лиге Ленга обнаружила, что снижение уровня белка менина в гипоталамусе связано с ускорением процессов старения. Менин, как выяснилось, играет важную роль в предотвращении воспаления и поддержании нормальной работы нейронов. Когда его уровень снижается, в мозге возрастает активность воспалительных сигналов, что запускает цепную реакцию возрастных изменений во всем организме - от ослабления когнитивных функций до потери плотности костей и истончения кожи. Чтобы понять, как именно менин влияет на старение, ученые вывели генномодифицированных мышей, у которых этот белок можно было выборочно отключить. Даже у молодых животных такое вмешательство быстро привело к ухудшению памяти, снижению прочности костей и эластичности кожи, а также к укорочению жизни. Эти результаты убедительно ...>>

Твердотельные батареи Panasonic 04.10.2025

Твердотельные аккумуляторы считаются следующим шагом в эволюции энергосистем: в отличие от традиционных литиево-ионных, они не содержат жидкого электролита, что существенно снижает риск возгорания и утечки. Именно на это делает ставку Panasonic, намереваясь завершить подготовку первых образцов к марту 2027 года, то есть к концу 2027 финансового года. Как сообщил технический директор подразделения Panasonic Energy Сеичиро Ватанабе, после выпуска опытных моделей клиенты проведут тесты, которые могут занять около двух лет, прежде чем начнется полноценное серийное производство. Хотя основным направлением для компании по-прежнему остаются литиево-ионные аккумуляторы, Panasonic стремится использовать свой опыт в сфере электромобильных технологий, чтобы выйти на новые рынки - прежде всего в области роботов и промышленных систем. На этом направлении японская корпорация намерена соперничать с такими компаниями, как TDK, уже закрепившимися в сегменте твердотельных решений. Интерес к новой ...>>

Кислотность океана разрушает зубы акул 03.10.2025

Мировые океаны выполняют важнейшую функцию - они поглощают около трети углекислого газа, выбрасываемого в атмосферу. Это помогает замедлять темпы глобального потепления, но имеет и обратную сторону. Растворяясь в воде, CO2 образует угольную кислоту, которая повышает концентрацию водородных ионов и приводит к снижению pH. Вода становится более кислой, а последствия этого процесса уже заметны для морских экосистем. Средний показатель кислотности океана сейчас равен примерно 8,1, тогда как еще недавно за условную норму брали значение 8,2. По прогнозам, к 2300 году уровень может упасть до 7,3 - это сделает океан почти в десять раз кислее нынешнего состояния. Для обитателей морей подобные изменения означают не просто сдвиг химического равновесия, а реальную угрозу физиологическим процессам, начиная от формирования раковин у моллюсков и заканчивая охотничьим поведением акул. Чтобы выяснить, как именно кислотная среда отражается на зубах акул, группа немецких исследователей провела эксп ...>>

Случайная новость из Архива

Новый экономичный двигатель Audi 2.0 TFSI 17.05.2015

Компания Audi представила новый четырехцилиндровый бензиновый двигатель TFSI объемом 2,0 литра, который, как утверждается, обладает самой высокой экономичностью в своем классе.

Силовой агрегат выдает мощность 140 кВт (190 лошадиных сил). Крутящий момент составляет 320 ньютон-метров в диапазоне от 1450 до 4400 оборотов в минуту. Разработчик утверждает, что расход топлива в цикле NEDC (New European Driving Cycle) составляет менее 5 литров на 100 км.

Таких высоких показателей экономичности удалось добиться за счет применения значительно модифицированного цикла Миллера. Последний был предложен в 1947 году американским инженером Ральфом Миллером как способ совмещения достоинств двигателей, работающих по циклу Аткинсона, с более простым поршневым механизмом двигателя Отто.

Силовая установка Audi характеризуется значительно "укороченным" впуском: 140 градусов (угол поворота коленчатого вала) вместо 190-200 градусов. При большой нагрузке система управления клапанами Audi Valvelift System позволяет поднять значение до 170 градусов. Кроме того, в новом агрегате впускной клапан закрывается раньше - задолго до достижения нижней мертвой точки, что обеспечивает уменьшение давления. Конечным результатом является то, что мотор позволяет более полно использовать энергию расширяющихся в цилиндре газов, что повышает тепловую эффективность и обеспечивает высокую экономичность.

Новая силовая установка дебютирует на следующем поколении Audi A4, которое выйдет на рынок в конце текущего года.

Лента новостей науки и техники, новинок электроники

Рекомендуем скачать в нашей Бесплатной технической библиотеке:

▪ раздел сайта Должностные инструкции

▪ журналы Servo (годовые архивы)

▪ книга Регулировка и ремонт цветных телевизоров УЛПЦТ (И)-59,61-11. Сотников С.К., 1991

▪ статья Какое техническое изделие является самым массовым за всю историю человечества? Подробный ответ

▪ статья Ревизор. Должностная инструкция

▪ статья Радиоприемник на микросхеме К174ХА10. Энциклопедия радиоэлектроники и электротехники

▪ справочник Зарубежные микросхемы и транзисторы. Серия 5

Оставьте свой комментарий к этой статье:

Имя:


E-mail (не обязательно):


Комментарий:





Главная страница | Библиотека | Статьи | Карта сайта | Отзывы о сайте

www.diagram.com.ua

www.diagram.com.ua
2000-2025