Menu Home

Бесплатная техническая библиотека для любителей и профессионалов Бесплатная техническая библиотека


Четырехканальный усилитель для домашнего кинотеатра. Энциклопедия радиоэлектроники и электротехники

Бесплатная техническая библиотека

Энциклопедия радиоэлектроники и электротехники / Усилители мощности транзисторные

Комментарии к статье Комментарии к статье

Усилитель выполнен на микросхемах, поэтому не требует налаживания, удобен в эксплуатации и имеет достаточно высокие технические характеристики.

При разработке и изготовлении устройства автор исходил из следующих соображений.

При эксплуатации домашнего кинотеатра (ДК) желательно управлять им с пульта ДУ, а их в быту набирается довольно много.

Четырехканальный усилитель для домашнего кинотеатра
Рис. 1

В этой конструкции управление осуществляется с пульта ДУ DVD плейера, используя кнопки управления телевизором (см. фото на рис. 1).

От "старых добрых времен" у многих остались различные колонки и динамические головки, которые и выбросить жалко, и применить некуда. Популярные в свое время AC 35AC-01 или их модификации с успехом можно применить в качестве фронтальных. В этом случае сабвуфер становится ненужным, а в качестве центрального громкоговорителя с успехом можно использовать АС телевизора, тем более что ПДУ есть у всех современных телевизоров. Нелишне заметить, что качество дисков на рынке оставляет желать лучшего. Мне попадались диски формата 5.1 (особенно с переводом на русский язык), при воспроизведении которых звук центрального канала приходилось вообще выключать. При исключении центрального канала и сабвуфера (в настройках воспроизведения DVD) звуковая информация распределяется между фронтальными каналами.

Известно, что из-за особенностей строения слухового аппарата человека локализация звуковых образов в стерео-панораме происходит в среднечастотном диапазоне. Поэтому в качестве тыловых можно использовать практически любые широкополосные динамические головки в акустическом оформлении.

Замечено, что хотя оба источника звука (TV тюнер и DVD плейер) - цифровые с аналоговыми выходами, тембр у них все-таки разный, поэтому настройки тембра было решено сделать для каждого источника звука независимыми. В формате 5.1 номинальные уровни звука во фронтальных и тыловых каналах должны быть примерно одинаковыми. В формате же 2.0 тыловые каналы используются в качестве "подсветки", поэтому уровень в этих каналах должен быть понижен. Регулировки баланса также должны быть независимыми от режима работы.

Во многих местностях, особенно в глубинке, качество электросети пока еще оставляет желать лучшего. Внезапное отключение и еще более внезапное включение света, перекос фаз, протекание потолка и т. п. происшествия наводят на мысль, что оставлять электроприборы постоянно включенными в сеть нецелесообразно. Хотя многие уже привыкли к тому, что подобные устройства постоянно готовы к употреблению, т. е. находятся в дежурном режиме. Поэтому было принято решение, помимо дежурного режима, иметь возможность полного отключения ДК от сети. А специально для забывчивых введен отключаемый таймер питания. Кроме того, при нахождении устройства в дежурном режиме свыше 5 мин при выключенном таймере на экран дисплея периодически выводится уведомление о том, что таймер выключен и, следовательно, устройство необходимо выключить принудительно.

Управление ДК должно быть максимально простым, а индикация дисплея - информативной и интуитивно понятной. Поэтому решено оперативно управлять переключением рабочего и дежурного режимов, регулировкой общей громкости, выбором источника звука и его режимом. Остальные регулировки можно вызывать через меню.

Детали должны быть доступны и дешевы; наконец, самодельная конструкция - это всегда собственный выбор и предпочтения, что немалого стоит для радиолюбителя. Все это реализовано в предлагаемой конструкции.

Схема устройства

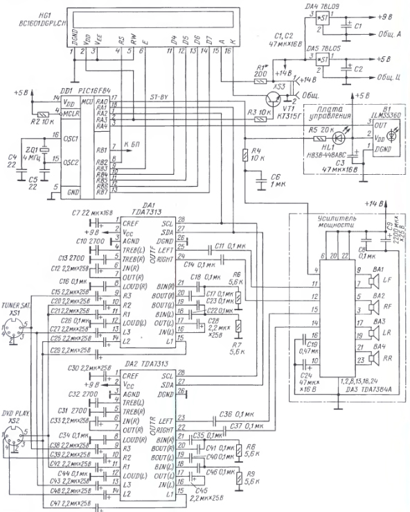
Принципиальная схема устройства показана на рис. 2. Включение всех микросхем и модулей - типовое, рекомендованное производителями. Микросхема четырехканального УМЗЧ TDA7384 с максимальной кратковременной мощностью 4x25 Вт на нагрузке сопротивлением 4 Ом (при напряжении питания 14 В) пользуется популярностью не только у автолюбителей [1].

Четырехканальный усилитель для домашнего кинотеатра
Рис. 2

Входные цепи организованы так, чтобы имелась возможность выбирать кнопкой AV источник звука и его режим по кольцу D2-D4-S2-D2 и т. д. Режим D4 используется при просмотре DVD фильмов, имеющих звуковое сопровождение формата 5.1. Режим D2 используется при просмотре DVD фильмов со звуковым сопровождением формата 2.0 и прослушивании аудиодисков; при этом реализуется режим стерео с "подсветкой". Режим S2 используется при приеме каналов со спутникового ресивера или любого другого источника стереосигналов.

В ДК применены две микросхемы звуковых процессоров TDA7313 (DA1, DA2), имеющие одинаковые адреса. С целью реализации преимуществ двухпроводной шины, экономии выводов портов микроконтроллера и обеспечения возможности регулировки баланса по фронту и глубине сигналы на усилитель мощности подаются с разных выходов микросхем TDA7313: на фронтальные каналы - с основных выходов одной микросхемы (DA1), а на тыловые - с дополнительных выходов другой (DA2).

Как видно из схемы, модуль жидкокристаллического индикатора (ЖКИ) питается выходным током порта микроконтроллера. Типовой ток потребления примененного модуля - около 1 мА, а нагрузочная способность выходов портов микроконтроллера ограничена 20 мА. Такое решение позволяет программно включать и выключать модуль и снимает все проблемы с инициализацией. Ключ на VT1 управляет светодиодом подсветки модуля ЖКИ. Ток подсветки - не более 50 мА; его устанавливают подбором резистора R1. Вывод 3 HG1 предназначен для регулировки контрастности индикатора, в моем экземпляре оказалось достаточным соединить его с общим проводом.

Выход RB1 микроконтроллера использован для автоматического управления питанием. Сразу после инициализации микроконтроллер устанавливает на нем высокий уровень. При срабатывании таймера или принудительном выключении питания уровень становится низким. Этот сигнал можно использовать для управления электромеханическим или электронным реле включения питания.

В качестве источника питания применен квазирезонансный преобразователь напряжения, описанный в [2], с некоторыми изменениями.

О деталях

Никаких особых требований к деталям "обвязки" микросхем не предъявляется, однако в сигнальных цепях процессоров и усилителя не рекомендуется применять керамические конденсаторы с ненормированным ТКЕ групп Н50-Н90. Оксидные конденсаторы нужно проверить на емкость, утечку и допустимые значения ЭПС. Стабилизаторы можно заменить любыми маломощными, в том числе и на дискретных элементах. Узел фотоприемника - любого типа; важно лишь, чтобы его резонансная частота совпадала с несущей частотой сигналов ПДУ.

В устройстве применен однострочный модуль ЖКИ с размерами знакоместа 9,7x4,84 мм - BC1601DGPLCH. Применение однострочного модуля продиктовано желанием минимизировать высоту корпуса устройства. Данный модуль выполнен на основе контроллера KS0066 и имеет следующую особенность. Одна 16-символьная строка фактически состоит из двух, по 8 символов. Это несколько усложняет программное управление модулем, но уменьшает его стоимость.

В качестве HL1 применен малогабаритный сверхъяркий светодиод (например, синий НВЗВ-448АВСА) с током начального свечения менее 1 мА.

О программе

В качестве контроллера выбран PIC16F84, как один из самых распространенных, простых и освоенных многими любителями.

Программа разрабатывалась и отлаживалась в системе Proteus_6.7sp3, она не использует сторожевой таймер и занимает примерно 80 % объема памяти программ (есть место для усовершенствования). Конфигурация контроллера и данные для EEPROM находятся в тексте программы.

Следует заметить, что в симулято-ре Proteus_6.7sp3 имеется модель однострочного модуля ЖКИ под именем LM020L, однако у нее несколько отличий от ВС1601. Во-первых, у нее единая 16-символьная строка, во-вторых, разряд управления сдвигом экрана проинвертирован и, в-третьих, не совпадает кодовая таблица. Минимизировать отличия можно следующим образом: в окне редактирования компонента LM020L заменить строку {ROW1=80-8F} строкой {ROW1=80-87 С0-С7}; файл LCDALPHA.DLL в папке MODELS программы Proteus 6 Professional заменить файлом TOPICMODELLCDALPHA.DLL из папки в дополнительных материалах (см. примеч. ред.).

Там же, в дополнительных материалах, в папке TOPICMODEL имеются исходный текст программы (unch.asm), соответствующий ему НЕХ-файл (UNCH.HEX) и модель устройства для системы Proteus (unch.DSN). Модель можно запустить кликом мыши на исполнение и посмотреть ее в работе.

Питание включается кратковременным нажатием кнопки "POWER" БП (на схеме не показан) на лицевой панели устройства. При этом загорается светодиод HL1, а устройство переводится в дежурный режим. Кнопкой POWER переводят ДК в дежурный (ST-BY) режим. Повторное нажатие на эту кнопку, если устройство находится в дежурном режиме, приводит к выключению питания ДК либо по таймеру, либо немедленно (если таймер выключен). Последняя минута работы таймера индицируется на дисплее с обратным отсчетом времени. Перевод ДК из дежурного режима в рабочий производится посредством любой кнопки управления ПДУ (разумеется, в зоне управления) в любой момент, пока светится светодиод HL1, который индицирует дежурный режим (ST-BY).

Кнопкой AV переключают входы и режим входа по кольцу (см. выше). При этом при каждом переключении происходит плавное нарастание громкости до ранее установленного уровня и загружаются соответствующие настройки баланса и тембра.

Кнопками PR- / PR+ листают пункты меню в прямую и обратную стороны. Если в левой части дисплея появляется знак S2 или D2/4, то это означает, что настройка индивидуальная для выбранного режима.

Кнопками VOL- / VOL+ изменяют значение параметра регулирования, название которого индицируется на дисплее в данный момент. Если параметр имеет цифровое значение, то оно индицируется в правой части дисплея, в децибелах для уровней (с шагом, предусмотренным для TDA7313) и в секундах для временных параметров. Незначащие разряды погашены. Положение регуляторов тембра отображается со знаком, а баланса - в виде разности условных уровней (например, фронтальный уровень больше тылового на 5 дБ). Направление регулировки назначено следующим образом. Кнопкой VOL+ смещают точку локализации звука вправо или в сторону фронта, а
кнопкой VOL- соответственно влево или в сторону тыла.

Если устройство находится в рабочем режиме и никакие команды с ПДУ не подаются, то через промежуток времени, определяемый параметром WIPE, будет происходить циклическая индикация всех доступных для изменения параметров (своеобразная заставка). В режиме "заставка" при подаче команды VOL- или VOL+ программа перейдет на регулировку громкости, по командам PR- или PR+ - на предыдущую или следующую от "ГРОМКОСТЬ" функцию соответственно.

Пункт меню "БАС" может иметь состояние ВКЛ или ВЫКЛ.  При этом включается/выключается коррекция АЧХ в области нижних частот (тонком-пенсация).

Таймер также имеет два состояния: либо ВКЛ (примерно 5 мин), либо ВЫКЛ.

Параметр WIPE определяет период смены информации на дисплее в режиме "заставка" и время индикации уведомления о выключенном таймере, см. выше. Его можно изменять от состояния "Выключено" до 60 секунд шагами по 5 с.

Запись параметров в энергонезависимую память происходит автоматически при выключении питания, а чтение в оперативную память - после включения. С целью экономии ресурса микроконтроллера в энергонезависимой памяти обновляются только те параметры, которые изменились в текущем сеансе работы.

Все текстовые сообщения, за исключением некоторых символов, которые формируются программно, находятся в EEPROM. Программа использует адрес текста и число знаков в нем, при замене надписи это нужно учитывать.

Протоколом I2C предусмотрен специальный сигнал подтверждения (АСК), который формирует приемник (TDA7313) при успешном приеме информации от передатчика (микроконтроллер). В данной конструкции сигнал АСК формируется программно. Это решение обусловлено следующими соображениями.

Шина управления I2C достаточно универсальна и предназначена для работы с разным числом ведущих и ведомых устройств, которые могут иметь различные тактовые частоты, быстродействие, технологии изготовления, напряжение питания, и тогда вопросы помехоустойчивости и достоверности имеют принципиальное значение. Сигнал подтверждения и служит одним из элементов обеспечения этих требований. Но в нашем случае мы имеем монопольное управление ведущего устройства практически одним ведомым, а передатчик и приемник расположены на одной плате на минимальном расстоянии друг от друга. Поэтому помехоустойчивость здесь обеспечивается конструктивно. Подробно цифровая шина I2C описана в [3].

О дистанционном управлении

Данная конструкция разрабатывалась для DVD плейера LG DF599X со встроенным декодером многоканального звука. Если модель DVD плейера совпадает с авторской, то нужно учитывать, что для управления телевизорами разных производителей изготовителем плейера предусмотрено девять типов кодировок. В авторском варианте использована кодировка № 9 (она же зашита в модель системы Proteus). Выбор именно этой кодировки обусловлен тем, что структура ее команд в корне отличается от подавляющего большинства других.

Четырехканальный усилитель для домашнего кинотеатра
Рис. 3

На рис. 3 представлены осциллограммы команд для всех используемых в конструкции кнопок ПДУ. Наглядный анализ структуры этих сигналов оказался возможен с помощью программы для редактирования звука Audacity.

Из рис. 3 видно, что команды достаточно короткие - всего 12 информационных импульсов, из них только 8 - собственно, код кнопки. Длительности импульсов соотносятся как 4:2:1. Таким образом, самый короткий импульс интерпретируется как 0, удвоенной длительности - как 1 и учетверенной - стартовый. Четыре последних импульса можно использовать для обеспечения помехоустойчивости и идентификации стопа (высокий уровень). При отсутствии несущей на выходе фотоприемника всегда действует высокий уровень, поэтому активным будет низкий.

Помехоустойчивость обеспечивается троекратной передачей команды. При удержании кнопки генерируются сами команды, а не специальная кодовая комбинация, как в других кодировках. Числовые значения кодов кнопок, за исключением одной, образуют последовательный ряд, что позволяет очень просто организовать вычисляемый переход в программе. Таким образом, дешифрация команд получается чрезвычайно простой и надежной, за время эксплуатации (более года) не было ни одного сбоя.

Разумеется, можно использовать и другие ПДУ с другой кодировкой. Для этого нужно изучить структуру команд, измерить временные параметры и определиться с их интерпретацией.

Архив с дополнительными материалами.

Литература:

1. Долгов О., Чуднов В. Усилитель мощности 34 TDA7384A. - Радио, 1999, № 10, с. 43, 44.
2. Гайно Е., Москатов Е. Полумостовой квазирезонансный блок питания. - Радио, 2004, № 6, с. 35, 36.
3. Коннов А., Пескин А. Цифровая система управления I2C. - Радио, 1996, № 10, с. 14, 15.

Автор: Г. Воронцов, г. Борисоглебск Воронежской обл.; Публикация: radioradar.net

Смотрите другие статьи раздела Усилители мощности транзисторные.

Читайте и пишите полезные комментарии к этой статье.

<< Назад

Последние новости науки и техники, новинки электроники:

Власть является ключевым фактором счастья в отношениях 11.03.2026

Исследования семейных и романтических отношений показывают, что длительное счастье пары зависит не только от привычных факторов, таких как доверие, уважение и преданность, но и от более тонких психологических аспектов. Современные ученые ищут закономерности, которые отличают действительно счастливые пары от остальных, чтобы понять, какие механизмы поддерживают гармонию в отношениях. Группа исследователей из Университета Мартина Лютера в Галле-Виттенберге и Бамбергского университета провела опрос среди 181 пары, которые состояли в совместных отношениях более восьми лет и прожили вместе хотя бы месяц. Участники заполняли анкету, описывая различные аспекты своих отношений, включая распределение обязанностей, эмоциональную поддержку и степень вовлеченности в совместные решения. Анализ данных показал интересный паттерн: пары, где оба партнера ощущали высокий уровень личной власти, оказывались наиболее счастливыми и удовлетворенными. В данном контексте под властью понимается способност ...>>

Защищенная колонка-повербанк Anker Soundcore Boom Go 3i 11.03.2026

Компания Anker представила новую модель линейки Soundcore - колонку Soundcore Boom Go 3i, ориентированную на активное использование на улице. Новинка отличается высокой степенью защиты: корпус соответствует стандарту IP68, что обеспечивает водо- и пыленепроницаемость, а ударопрочный дизайн выдерживает падение с высоты до одного метра. За качество звука отвечает 15-ваттный драйвер, обеспечивающий пик громкости до 92 дБ, а технология BassUp 2.0 усиливает низкие частоты, делая звучание более насыщенным. Колонка обладает автономностью до 24 часов, а LED-индикатор позволяет контролировать уровень заряда батареи. Кроме того, Soundcore Boom Go 3i может выполнять функцию павербанка: согласно внутренним тестам, устройство способно зарядить iPhone 17 с нуля до 40% за один час, что делает его полезным аксессуаром в походах и поездках. Среди функциональных особенностей модели стоит выделить технологию Auracast, которая улучшает подключение и позволяет создавать стереопару из двух колонок ...>>

Раннее воздержание от алкоголя перестраивает мозг и иммунитет 10.03.2026

Алкогольная зависимость - хроническое расстройство с компульсивным употреблением спиртного, которое влияет не только на поведение, но и на функционирование мозга и иммунной системы. Недавние исследования показали, что даже на ранних этапах воздержания организм начинает перестраиваться, открывая новые возможности для терапии зависимости. Ученые сосредоточились на пациентах, находящихся в первые недели абстиненции, и зафиксировали значительные изменения в мозговой активности. С помощью функциональной магнитно-резонансной томографии они выявили перестройку сетей нейронных связей, отвечающих за контроль импульсов и принятие решений. Эти изменения могут быть ключевыми для восстановления самоконтроля и снижения риска рецидива. Одновременно с нейронной перестройкой исследователи наблюдали колебания иммунной системы. В крови повышался уровень цитокинов - сигнальных белков, регулирующих воспалительные процессы. Эти данные свидетельствуют о существовании нейроиммунного взаимодействия, при ...>>

Случайная новость из Архива

Смартфон с рацией Blackview Xplore 1 08.02.2026

Китайская компания Blackview представила новую модель Xplore 1, которая сочетает в себе рекордную автономность, встроенную рацию и высокий уровень защиты. Этот аппарат ориентирован на военных, спасателей, путешественников и всех, кто нуждается в надежном гаджете, способном работать там, где обычные смартфоны быстро сдаются.

Главной особенностью Blackview Xplore 1 стал аккумулятор емкостью 20 000 мАч - показатель, который остается одним из самых высоких даже среди защищенных смартфонов. Для сравнения, предыдущая модель этой линейки оснащалась батареей на 22 000 мАч, однако в новой версии инженеры смогли сохранить выдающуюся автономность, одновременно улучшив другие характеристики. Благодаря такой батарее устройство может работать без подзарядки значительно дольше большинства конкурентов, что особенно ценно в длительных экспедициях или при отключенной инфраструктуре.

Не менее важным преимуществом стала встроенная рация, работающая на частотах UHF и VHF. Она позволяет поддерживать голосовую связь даже в полной изоляции от сотовых сетей. На открытой местности дальность действия достигает 20 км, а в условиях плотной городской застройки - около 4,5 км. Для повышения безопасности предусмотрены функции шифрования и приватных вызовов, что делает смартфон удобным инструментом для координации групп в полевых условиях, спасательных операциях или военных задачах.

Корпус Xplore 1 соответствует высочайшим стандартам защиты: сертификация IP69K гарантирует полную водо- и пыленепроницаемость, а соответствие военному стандарту MIL-STD-810H подтверждает устойчивость к ударам, падениям, вибрациям, экстремальным температурам и другим агрессивным воздействиям. Однако такая надежность и массивный аккумулятор неизбежно сказались на габаритах: толщина устройства составляет примерно 30 мм, а вес достигает около 700 граммов. Это делает его заметно крупнее и тяжелее обычных смартфонов, но для целевой аудитории такие размеры оправданы.

Аппаратная платформа построена на процессоре MediaTek Dimensity 7050, который обеспечивает достойную производительность в повседневных задачах и поддерживает сети 5G. Пользователь может выбрать конфигурацию с 12 или 16 ГБ оперативной памяти и накопителем на 256 или 512 ГБ, который дополнительно расширяется картами microSD. Экран диагональю 6,78 дюйма обладает частотой обновления 120 Гц, что гарантирует плавную картинку. Основная камера получила разрешение 64 Мп, а дополнительный модуль ночного видения - 20 Мп. Интересной деталью стал второй дисплей на задней крышке, который удобно использовать для быстрого просмотра уведомлений или управления рацией.

Зарядка реализована по современным стандартам: проводная мощностью 55 Вт и беспроводная на 45 Вт позволяют быстро восполнять запас энергии даже в полевых условиях. Смартфон работает под управлением Android 15 и уже поступил в продажу на мировом рынке по ориентировочной цене 560 долларов США.

Другие интересные новости:

▪ Чистота речи влияет на память

▪ Доступный способ профилактики кариеса

▪ Режим ребенка для скорейшего обычения взрослого

▪ Совы и тишина пропеллеров

▪ Новый метод печати пленок из органических транзисторов

Лента новостей науки и техники, новинок электроники

 

Интересные материалы Бесплатной технической библиотеки:

▪ раздел сайта Радиолюбителю-конструктору. Подборка статей

▪ статья Фридрих фон Хайек. Знаменитые афоризмы

▪ статья Сколько элементарных частиц известно в настоящее время? Подробный ответ

▪ статья Защита лыжного комплекта при транспортировке. Советы туристу

▪ статья Варианты J-антенны от DH1NAW. Энциклопедия радиоэлектроники и электротехники

▪ статья Электроустановки во взрывоопасных зонах. Определения. Энциклопедия радиоэлектроники и электротехники

Оставьте свой комментарий к этой статье:

Имя:


E-mail (не обязательно):


Комментарий:





Главная страница | Библиотека | Статьи | Карта сайта | Отзывы о сайте

www.diagram.com.ua

www.diagram.com.ua
2000-2026