Menu Home

Бесплатная техническая библиотека для любителей и профессионалов Бесплатная техническая библиотека


Усилитель мощности на лампе ГУ-81М. Энциклопедия радиоэлектроники и электротехники

Бесплатная техническая библиотека

Энциклопедия радиоэлектроники и электротехники / Усилители мощности ламповые

Комментарии к статье Комментарии к статье

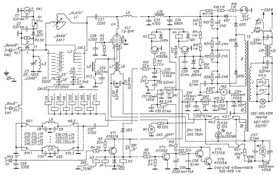
Усилитель мощности (УМ) выполнен по схеме с общей сеткой на проверенной временем надежной лампе прямого накала с графитовыми анодами ГУ-81М (рис. 1). Несомненными преимуществами этого УМ является его готовность к работе через несколько секунд после включения и неприхотливость в эксплуатации. Применяемая в усилителе защита от перегрузок и коротких замыканий, мягкое включение и регулируемый спящий режим работы позволили создать экономичный УМ с достойными характеристиками при минимальных габаритах и затратах. В нем используются в основном отечественные комплектующие. Усилитель имеет низкий уровень акустического шума, поскольку вентилятор включается автоматически (только при достижении в ламповом отсеке температуры более 100 оС).

Высокая линейность обеспечена выбором оптимального режима работы лампы и применением вариометра в П-контуре вместо традиционной катушки с закорачиваемыми витками. Все это позволило получить подавление второй и третьей гармоник в выходном сигнале на уровне -55 дБ. Выходная мощность усилителя - 1 кВт при напряжении на аноде лампы 3 кВ и входной номинальной мощности 100 Вт.

Усилитель мощности на лампе ГУ-81М
Рис. 1. Схема усилителя мощности на лампе ГУ-81М (нажмите для увеличения)

На входе усилителя включены диапазонные П-контуры L9-L17, C8-C25, переключаемые посредством реле К6- К14. Они обеспечивают согласование с любым импортным трансивером (даже не имеющим встроенного тюнера), обеспечивая КСВ по входу не хуже 1,5 на всех диапазонах. Время перехода УМ в спящий режим от 5 с до 15 мин устанавливает регулятор, который выведен на переднюю панель. Также введен режим работы усилителя при пониженной до 50 % выходной мощности ("TUNE"), который получается при снижении напряжения накала лампы VL1 до 9 В. При этом можно сколь угодно долго настраивать УМ и полноценно, без потери качества сигнала, работать в эфире.

В усилителе применена параллельная схема питания анодной цепи. По сравнению с последовательной схемой она более безопасная, поскольку на элементах П-контура отсутствует высокое напряжение. Применение высокодобротной катушки индуктивности, подключаемой параллельно обмоткам вариометра на ВЧ-диапазонах, и отсутствие закорачиваемых витков катушки П-контура позволило также получить практически одинаковую выходную мощность на всех диапазонах.

При включении УМ в сеть напряжение 220 В поступает через сетевой фильтр L19L20 на первичную обмотку трансформатора Т2 через галогеновую лампу EL1. Это обеспечивает мягкое включение усилителя, продлевая жизнь лампе ГУ-81М и другим элементам устройства. После зарядки конденсаторов С40-С49 высоковольтного выпрямителя до 2,5 кВ напряжение, снимаемое с делителя на резисторах R13- R16, поступает на базу транзистора VT3, транзистор открывается, срабатывает реле К4, замыкая своими контактами К4.1, К4.3, К4.4 галогеновую лампу EL1. На обмотку I трансформатора Т2 поступает полное напряжение сети. Особенность такого включения - малый гистерезис срабатывания/отпускания реле К4, что обеспечивает надежную защиту от различных перегрузок (короткое замыкание во вторичных цепях питания, цепи накала и замыканиях в обмотке трансформатора Т2). При возникновении любой из перечисленных неисправностей напряжение на базе транзистора VT3 уменьшится, реле К4 выключится и трансформатор Т2 вновь окажется подключенным к сети через лампу EL1, что ограничивает ток на уровне 1 А, предотвращая выход из строя лампы VL1 и УМ в целом.

Управление работой усилителя осуществляется узлом на транзисторе VT1. При замыкании на общий провод контакта Х1 "Упр. ТХ" (ток в этой цепи 10 мА) транзистор открывается и реле К1, К2 подключают своими контактами вход и выход усилителя к ВЧ-разъемам XW1, XW2. Одновременно контакты реле К1.2 замыкают цепь катода лампы VL1 на общий провод, и усилитель переключается в режим передачи сигнала. В режиме "QRP" выключатель SA3 отключает питание транзистора VT1, что исключает переход усилителя в активный режим, и в антенну сигнал поступает непосредственно с выхода трансивера.

Вентиляторы М1 и М2 поддерживают температуру УМ, исключающую перегрев элементов усилителя. При пониженном напряжении питания они работают практически бесшумно. В отсеке питания усилителя установлен компьютерный вентилятор М1 (12 В, 0,12 А, диаметр 80 мм), работающий при напряжении 7...8 В. В ламповом отсеке установлен вентилятор М2 размерами 150x150x37 мм на рабочее напряжение 24 В, который питается от цепи накала лампы VL1. В обычном режиме вентилятор работает при пониженном до 8...10 В напряжении питания, а при полной выходной мощности оно повышается до 20...22 В. Управляет работой вентилятора М2 узел на транзисторе VT2. При переходе усилителя в режим "ТХ" напряжение +24 В с коллектора транзистора VT1 через диод VD3 и резистор R10 поступит на конденсатор С35.

Когда температура в ламповом отсеке повысится до 100 оС, термоконтакты SK1 разомкнутся и через 8...10 с конденсатор С35 полностью зарядится. Откроется транзистор VT2, сработает реле К5 и переключит вентилятор М2 на повышенные обороты. После выхода усилителя из активного режима благодаря медленной разрядке конденсатора С35 через базовую цепь транзистор VT2 удерживается в открытом состоянии еще 1,5...2 мин и работа вентилятора на повышенных оборотах продолжается. Если время передачи менее 8 с, вентилятор работает на пониженных оборотах, не создавая лишнего акустического шума. Резистор R34 подбирают по минимальным оборотам вентилятора, обеспечивающим температурный режим в УМ.

В усилителе применен режим энергосбережения, хорошо зарекомендовавший себя во многих конструкциях автора. Узел управления этим режимом выполнен на транзисторах VT4-VT6. При включении питания усилителя конденсатор С55 заряжается от источника + 12 В (DA1) через подстроечный резистор R9 и резистор R12. При каждом включении на передачу с коллектора транзистора VT1 напряжение +24 В поступает на базу транзистора VT4 через делитель на резисторах R6, R7. Транзистор VT4 открывается и разряжает конденсатор С55. Но если усилитель какое-то время не работал на передачу, конденсатор С55 успевает зарядиться полностью (время зарядки определяется резистором R9), открывается составной транзистор VT5, VT6 и замыкает на общий провод цепь базы тран-зистора VT13. Реле К4 обесточивается, и первичная обмотка трансформатора Т2 вновь запитывается через лампу EL1. Усилитель переключится в режим энергосбережения, при котором потребляемый ток и нагрев минимален, а готовность усилителя к работе на полную мощность составляет 1,5...2 с. В режиме ожидания напряжение накала лампы VL1 снижено до 9 В. Для выхода из этого режима достаточно кратковременно нажать на кнопку SB1 "ТХ" или перевести трансивер в режим передачи, соединив разъем X1 с общим проводом.

Стабилизаторы напряжения на микросхемах DA1 и DA2 служат для питания узлов автоматики и реле. Резистор R31 ограничивает ток при коротком замыкании в цепи +24 В. Высоковольтный выпрямитель построен по схеме удвоения напряжения, которая по своим характеристикам близка к мостовой схеме, но требует в два раза меньшего числа витков анодной обмотки трансформатора.

Трансформатор Т1 выполнен на магнитопроводе типоразмера K20x10x7 мм из феррита марки 200-400НН. Вторичная обмотка содержит 27 витков провода ПЭЛШО 0,25. Первичной обмоткой служит провод, проходящий через отверстие кольца и соединяющий контакт реле К2.1 с вариометром L1.

Сетевой трансформатор Т2 намотан на тороидальном магнитопроводе от ЛАТР-1М (9 А). Если УМ будет эксплуатироваться в "умеренном" режиме (т. е. без длительной работы в контестах), можно оставить "родную" сетевую обмотку, которая содержит 245 витков провода диаметром 1,2 мм. Если обмотку перематывать, диаметр провода желательно увеличить до 1,5 мм.Ток холостого хода сетевой обмотки должен быть 0,3...0,4 А. Вторичная обмотка (II) содержит 1300 витков провода ПЭВ-2 0,7. Обмотка питания реле (III) содержит 28 витков провода ПЭВ-2 0,7, накальная (IV) - 17 витков провода ПЭВ-2 2 с отводом от 12-го витка.

Усилитель смонтирован в металлическом корпусе размерами 500x300x300 мм. Глубина подвала шасси - 70 мм (рис. 2). В подвале (рис. 3) размещены платы высоковольтного выпрямителя, управления, стабилизаторов напряжения +12 и +24 В, плата измерителя мощности, сетевой фильтр, плата входных контуров, реле К3-К5, автоматический выключатель SF1 ВА47-29 на ток 10 А. Лампа EL1 расположена около выключателя SA4 "PWR" так, чтобы ее свечение было видно через прозрачный корпус светодиода HL1 (синего цвета свечения), который установлен на лицевой панели рядом с SA4.

Усилитель мощности на лампе ГУ-81М
Рис. 2. Смонтированный УМ

Усилитель мощности на лампе ГУ-81М
Рис. 3. Размещение плат в корпусе УМ

Переключатель SA1 применен от согласующего устройства радиостанции Р-130, который подвергся значительной модернизации: фиксатор переделан на десять положений, добавлена галета для переключения реле входных контуров, добавлен общий посеребренный токосъемник толщиной 1,5 мм.

Вариометр L1 - от радиостанции Р-836. Он имеет переключаемые обмотки, а его индуктивность изменяется от 2 до 27 мкГн. Можно применить вариометр от радиостанции Р-140 или Р-118, но они имеют несколько большие габариты. Катушка L2 намотана медной трубкой диаметром 6 мм на оправке диаметром 60 мм. Она имеет девять витков с отводами от 3, 5 и 7-го витков, считая от верхнего (см. рис. 1) вывода катушки. Дроссель L3 намотан проводом ПЭВ-2 0,25 на керамическом стержне диаметром 8 мм и состоит из четырех секций по 100 витков. Намотка - типа "универсаль", индуктивность - около 200 мкГн. Антипаразитный дроссель L4 изготовлен из стальной углеродистой пружинной проволоки диаметром 1,3 мм и содержит 5...7 витков, намотанных на оправке диаметром 12 мм. Из этой же проволоки (не разрезая ее), как продолжение дросселя, выполнен спиральный пружинный контакт - 7...8 витков на оправке диаметром 18 мм, плотно надеваемый на вывод анода лампы. Обмотка анодного дросселя L5 трехсекционная - 100, 80 и 60 витков провода ПЭВ-2 0,35. Намотка выполнена виток к витку (между секциями 1,5-2 витка) на керамическом каркасе от резистора ПЭВ-100. Расстояние между секциями - 15 мм. После намотки витки пропитаны клеем БФ2 или лаком МЛ92.

Дроссель L6 содержит 50 витков провода ПЭВ-2 0,7, намотанного виток к витку на стержне диаметром 10 и длиной 80 мм из феррита 1000НН.

Двухобмоточный дроссель L7, L8 содержит 2x27 витков провода ПЭВ-2 1,8, намотанного бифилярно виток к витку на двух сложенных вместе стержневых магнитопроводах диаметром 10 и длиной 100 мм из феррита 600НН.

Катушки L9-L17 - бескаркасные, намотаны проводом ПЭВ-2 на оправке диаметром 18 мм. Все детали входных контуров распаяны со стороны печатных проводников на плате реле. Намоточные данные катушек и номиналы емкостей конденсаторов приведены в таблице.

Таблица

Диапазон, МГц Обозначение на схеме Число витков Диаметр провода, мм Емкость конденсатора Свх, пФ Емкость конденсатора Свых, пФ
1,8 L17 27 0,7 1000 820
3,5 L16 17 0,8 470 390
7 L15 14 1,0 140 120
10 L14 11 1,2 180 91
14 L13 10 1,3 100 22
18 L12 8 1,3 82 27
21 L11 7 1,3 56 10
24 НО 6 1,3 33 10
28 L9 5 1,5 56 30

Дроссель L18 - ДМ-2,4 индуктивностью 10 мкГн. Сетевой фильтр L19L20 намотан на половине магнитопровода от трансформатора ТВС90 или ТВС110. Намотка - бифилярная проводом МГТФ 1 мм до заполнения.

Термоконтакт SK1 (от электрического кулера или другого нагревательного прибора) с нормально замкнутыми контактами рассчитан на температуру срабатывания 90...100 оС. Он установлен на ламповой панели ГУ-81М. Лампа ГУ-81М установлена в родной панели "подкова" на 30 мм ниже уровня шасси. Получившее распространенное мнение о необходимости "раздевания" ГУ-81М ничего, кроме проблем с нарушением контактов, усложнением крепления лампы и ее охлаждения, не принесет. А "значительное", по утверждению некоторых радиолюбителей - конструкторов, уменьшение емкости анод-катод, которое составило 2,8...3 пФ (проверено экспериментально), не окажет на работу УМ существенного влияния.

На лицевой панели УМ размещены органы управления, индикации и контроля (рис. 4). Измерительные приборы PA1 и PA2 - М42300. РА1 имеет ток полного отклонения 1 мА, а у РА2 он может быть существенно больше. Этот прибор должен измерять (с учетом шунта R30) ток до 1 А. Шкала прибора рА1 отградуирована непосредственно в ваттах. Индикатор VL2 - импортная неоновая лампа на напряжение 220 В. Лампа EL1 - галогеновая, 150 Вт на 220 В (диаметр 8 и длина 78 мм).

Усилитель мощности на лампе ГУ-81М
Рис. 4. Лицевая панель УМ

На задней панели усилителя размещены ВЧ-разъемы, гнездо управления Х1 "тюльпан", клемма заземления, сетевой разъем и разъем подключения вентилятора. Все ВЧ-разъемы, конденсатор С3, клемма заземления, блокировочные конденсаторы и вывод 6 панели лампы ГУ-81М соединены между собой медной шиной сечением 15x0,5 мм.

Реле К1 - РЭН33, К2 - РЭН34, К3 - ТКЕ54, К4 - ТКЕ56, К6-К14 - РЭС9 (паспорт РС4.524.200). Все реле - на номинальное рабочее напряжение 24- 27 В.

Конденсатор переменной емкости С3 - с зазором 0,8...1 мм, конденсаторы С4-С7, С27 - К15У-1, С33 - КВИ-3. Оксидные конденсаторы С40-С49 - импортные, конденсаторы С35 и С55 должны иметь малый ток утечки. Все блокировочные конденсаторы - КСО, С8-С25 - КТ, КСО. Все постоянные резисторы (кроме R3) - типа МЛТ, R3 - серии SQP-5.

Первичное налаживание усилителя производят при отключенной обмотке II трансформатора Т2. Измеряют напряжение накала, напряжения на выходах стабилизаторов, отлаживают работу узлов автоматики, и только убедившись в полной работоспособности этих узлов, переходят к высоковольтным цепям. Вместо высоковольтной обмотки к выпрямителю-удвоителю подключают любой маломощный трансформатор и, подавая на выпрямитель-удвоитель переменное напряжение 100...200 В, проверяют его работоспособность и распределение напряжения на соединенных последовательно оксидных конденсаторах С40-С49. Если все в норме, подключают, соблюдая меры предосторожности, высоковольтную обмотку. Напряжение ненагруженного выпрямителя может достигать 3000 В.

Ток покоя лампы VL1 должен быть 25...30 мА. Не подключая трансивер, проверяют УМ на отсутствие самовозбуждения в режиме "ТХ" на всех диапазонах. Далее, подключив трансивер кабелем длиной не более 1,2 м, при отключенном тюнере (если таковой имеется) настраивают входные контуры L9-L17, C8-C25 при включенном на передачу УМ, подавая на его вход сигнал мощностью 10...15 Вт. Настройку производят, начиная с ВЧ-диапазонов, по минимуму КСВ на приборе трансивера. Затем увеличивают входную мощность и сдвиганием/раздвиганием витков этих катушек еще раз уточняют настройку.

Настройку П-контура также производят при минимальной входной мощности, предварительно подключив к выходу усилителя эквивалент нагрузки 50 Ом достаточной мощности (например, от радиостанции Р-140), и начиная с ВЧ-диапазонов, подбирают положение отводов у катушки L2. Затем переходят к НЧ диапазонам.

Подавление гармоник, измеренное автором с помощью анализатора спектра С4-25 и импортного анализатора 8590А, составило не менее -45 дБ на диапазоне 28 МГц и -55 дБ на НЧ-диапазонах. Анод лампы ГУ-81М при длительной (3...5 мин) работе в режиме CW имел слегка розовый оттенок, что для лампы вполне допустимо.

Автор: Вячеслав Федорченко (RZ3TI)

Смотрите другие статьи раздела Усилители мощности ламповые.

Читайте и пишите полезные комментарии к этой статье.

<< Назад

Последние новости науки и техники, новинки электроники:

Зеркальные спутники и их угрозы для астрономии и экологии 09.11.2025

Калифорнийский космический стартап Reflect Orbital, который планирует к 2030 году вывести на орбиту 4 000 зеркальных спутников, отражающих солнечный свет на Землю даже ночью. Главная цель - увеличить эффективность солнечных электростанций, обеспечивая непрерывное освещение в ночное время. Первый демонстрационный аппарат EARENDIL-1 с зеркалом площадью 334 м2 предполагается запустить в апреле 2026 года, а соответствующая заявка уже подана в Федеральную комиссию связи США (FCC). Проект получил 1,25 млн долларов поддержки от ВВС США в рамках программы для малого бизнеса. Идея заключается в том, чтобы спутники создавали дополнительное освещение для энергетических систем, однако многие ученые выражают сомнения как в технической реализуемости, так и в потенциальном вреде для окружающей среды. Астрономы, включая Майкла Брауна и Мэтью Кенворти, подсчитали, что отраженный свет будет примерно в 15 000 раз слабее дневного солнца, хотя и ярче полной Луны. Для того чтобы создать хотя бы 20% дн ...>>

Портативный твердотельный накопитель Lexar Air 09.11.2025

Компания Lexar представила портативный твердотельный накопитель Air (pSSD), сочетающий компактность, высокую скорость и надежность. Вес устройства составляет всего 19 граммов, а толщина в тончайшей части достигает всего 6 мм, что делает его одним из самых легких и тонких SSD на рынке. Накопитель выпускается в двух вариантах емкости: 512 ГБ и 1 ТБ. Версия на 1 ТБ оценивается примерно в 459 юаней (около $64), а старт продаж модели на 512 ГБ пока не объявлен. Lexar Air оснащен интерфейсом USB 3.2 Gen 1 (5 Гбит/с) и разъемом USB-C, при этом в комплект входит переходник с USB-C на USB-A для универсальной совместимости. Производитель заявляет скорость последовательного чтения до 390 МБ/с и записи до 400 МБ/с, что позволяет быстро передавать большие файлы, включая видео высокой четкости. Корпус накопителя выполнен в компактном форм-факторе, который удобно держать на ладони, а максимальная толщина не превышает 9,3 мм. Конструкция выдерживает падения с высоты до 2 метров, а для удобног ...>>

Горькие продукты улучшают работу мозга 08.11.2025

Как выяснили японские ученые, горький вкус флаванолов играет важную роль в стимуляции центральной нервной системы. Даже при минимальном усвоении этих веществ организм получает сигнал к повышению активности нейромедиаторов и улучшению когнитивных функций, что делает натуральные продукты с горьким вкусом потенциально полезными для мозга и общей физиологии. В поисках способов улучшить работу мозга ученые все чаще обращаются к натуральным соединениям, содержащимся в привычных продуктах питания. Одним из таких веществ являются флаванолы, присутствующие в какао, красном вине и ягодах. Исследователи из Технологического института Сибаура в Японии выяснили, что горький и вяжущий вкус этих соединений способен активировать мозг через вкусовые рецепторы, способствуя улучшению памяти, внимания и способности к обучению. Ранее было известно, что флаванолы защищают нейроны и поддерживают когнитивные функции, однако их биодоступность - доля вещества, поступающая в кровь - крайне низка. Это вызвал ...>>

Случайная новость из Архива

Мысль управляет генами 20.11.2014

Представьте, что у вас началась простуда: вы чихаете, кашляете, поминутно измеряете температуру. И вот вы думаете, что хорошо бы повысить активность иммунитета, чтобы он поскорее изгнал из вас инфекцию. И вдруг в ответ на такие размышления у вас действительно активируется иммунитет: усиливается синтез интерферона, иммунные клетки начинают активнее охотиться за патогеном и т. д.

Звучит фантастически, но именно это удалось сделать Мартину Фуссенеггеру (Martin Fussenegger) и его коллегам из Швейцарской высшей технической школы Цюриха (Швейцария) - исследователи создали устройство, превращающее мозговые импульсы в генетические регуляторные сигналы. Причем передача мыслей осуществлялась между человеком и мышью, то есть человек о чем-то думал, а физиологические изменения происходили у животного.

Впрочем, если разобрать описанное в Nature Communications устройство на составные части, окажется, что ничего сверхфантастического в нем нет - авторы работы в своих экспериментах просто скомбинировали хорошо известные и хорошо разработанные биотехнологические находки. Во-первых, это нейрокомпьютерный интерфейс (BCI, brain-computer interface), во-вторых, оптогенетические методы. С помощью нейрокомпьютерного интерфейса можно было превращать ЭЭГ-ритмы мозга в какой-нибудь сигнал направленный вовне, предназначенный внешнему устройству. Человеку на лоб прикрепляли ЭЭГ-сенсор, а самого его просили выполнить одно из трех заданий: десять минут поиграть в компьютерную игру; попытаться волевым усилием включить светодиод, имплантированный в мышь; наконец, он мог просто отдохнуть, помечтать о чем угодно или помедитировать.

Во всех трех случаях мозг давал довольно специальные сигналы, которые с помощью Bluetooth передавали на устройство, вживленное мыши. Животное свободно бегало по поверхности, генерирующей электромагнитное поле, и вот в зависимости от человеческого ментального состояния от поверхности в имплантат-приемник шел некий импульс.

Сам имплантат представлял собой ячейку с клетками, синтезирующими некий белок, который мог выходить из имплантата и активировать синтез интерферона. Клетки были оптогенетически модифицированы, то есть несли в себе фотобелок, реагирующий на световой импульс определенной длины волны. Световой импульс включал фоторецептор, а он уже подавал сигнал к синтезу белка, включающего в мыши синтез интерферона.

То есть ментальный сигнал в буквальном смысле включал свет в имплантате, снабженном специальным светодиодом. Причем в одном из вариантов опыта, как было сказано выше, человек мог сам следить за состоянием имплантата и целенаправленно включать его нейропсихологическим усилием.

Надо сказать, что нейрокомпьютерные интерфейсы, передающие сигналы мозга на различные устройства, активно используются в самых разных проектах (и активнее всего, разумеется, при разработке протезов, которыми можно управлять силой мысли). Однако послать сигнал от них на клеточно-молекулярный аппарат, чтобы активировать какие-то гены и повлиять на физиологию - до сих пор подобных прецедентов не было.

Легко представить такое устройство, которое, к примеру, избавляло бы самого человека от хронической боли в ответ на начинающиеся болевые сигналы, или же прекращало эпилептический припадок при первых его признаках. Правда, до этого предстоит выполнить еще много экспериментов, чтобы сделать технологию совместимой с организмом человека.

Другие интересные новости:

▪ Сверхпрочные нанопровода из углеродных нанотрубок

▪ OwnFone - телефон со шрифтом Брайля

▪ Чем дышат компьютеры

▪ Новые модули Bluetooth 5.0 от STMicroelectronics

▪ Слоны боятся не мышей, а пчел

Лента новостей науки и техники, новинок электроники

 

Интересные материалы Бесплатной технической библиотеки:

▪ раздел сайта Узлы радиолюбительской техники. Подборка статей

▪ статья Навозну кучу разрывая, Петух нашел жемчужное зерно. Крылатое выражение

▪ статья Откуда родом панамки? Подробный ответ

▪ статья Сквозь каплю воды. Детская научная лаборатория

▪ статья Устройства управления приводами антенн. Энциклопедия радиоэлектроники и электротехники

▪ статья Пропорциональный регулятор напряжения. Энциклопедия радиоэлектроники и электротехники

Оставьте свой комментарий к этой статье:

Имя:


E-mail (не обязательно):


Комментарий:





Главная страница | Библиотека | Статьи | Карта сайта | Отзывы о сайте

www.diagram.com.ua

www.diagram.com.ua
2000-2025