Menu Home

Бесплатная техническая библиотека для любителей и профессионалов Бесплатная техническая библиотека


Модернизация АС 35АС-012. Энциклопедия радиоэлектроники и электротехники

Бесплатная техническая библиотека

Энциклопедия радиоэлектроники и электротехники / Аудиотехника

Комментарии к статье Комментарии к статье

Первой отечественной АС, отвечающей требованиям на аппаратуру Hi - Fi (начальные буквы английских слов high fidelity - высокое качество, высокая верность воспроизведения звука), явилась акустическая система "S-90" 35АС-012: трехполосная, фазоинверторного типа, используются громкоговорители 30ГД-1, 15ГД-11, 10ГД-35. На базе этой модели созданы акустические системы 35АС-016 (с фазоинвертором), 35АС-018 (с фазоинвертором), 35АС-008 (закрытая), 35АС-015 (с пассивным излучателем). Все они имеют близкие параметры и отличаются  внешним видом [1].

В настоящее время эта, в некоторой степени, перестала удовлетворять запросы любителей качественного звуковоспроизведения. Учитывая то, что на нынешнем рынке представлен довольно широкий спектр дорогостоящей современной акустической аппаратуры, но не всегда качественной, рассмотрим варианты  доработки пары акустических систем "S-90" 35АС-012, выпущенных в 1985 году Рижским радиозаводом им. А. С. Попова, укомплектованных более новыми, на то время, разработками  НЧ, CЧ головок - 30ГД-2 и 15ГД-11А.

Принципиальная электрическая схема и схема расположения деталей фильтра АС приведены на рисунке 1.

Модернизация АС 35АС-012
а)

Модернизация АС 35АС-012
б)
Рис. 1. Фильтр электрический акустической системы "S - 90" 35 АС-012: а -  принципиальная электрическая схема; б - расположение элементов на плате

Конденсаторы С1, С2, С4-7 применены тапа МГБО-2, С9, С8 - К73-11. Элементы фильтра смонтированы на 12 мм фанере размерами 210 х 160 мм. Катушки индуктивности установлены в горизонтальном положении и, к тому же, L1, L2 и L3, L4 вплотную между собой соответственно.  Сам фильтр закреплен на задней стенке внутри корпуса АС сзади НЧ головки.

Корпус

Аккуратно извлекают защитные решетки головок и сами головки, фильтр и остальные элементы, которые будут ограничивать доступ к внутренним поверхностям стенок корпуса. Проводят профилактику герметичности. Промазывают изнутри силиконовой герметизирующей массой стыки стенок и посадочные места под НЧ, СЧ динамики. Заделывают силиконом (при необходимости) щели между задней, боковыми, нижней и верхней стенками с наружной стороны корпуса, предварительно очистив их от пыли, грязи и клея. Чтобы не испачкать герметикой шпоновую отделку корпуса, ее вокруг щелей закрывают бумажным строительным скотчем. Лишний герметик удаляют. После его отвердевания, острым ножом под металлическую линейку вдоль кромок скотча, в местах его сопряжения с герметизирующим составом, проделывают неглубокий прорез. Скотч удаляют. Герметик используют под цвет корпуса или прозрачный. 

Среди многих радиолюбителей, дорабатываемых  "S-90", распространенное средство борьбы с вибрациями панелей - увеличение их жесткости путем применения дополнительных "ребер жесткости" (планок), распорок и т. п. Также дополнительно покрывают внутренние стенки звукопоглотителем. Что не всегда оправданно, поскольку такие меры приводят к уменьшению внутреннего объема корпуса, что, в свою очередь, уменьшает и даже исключает эффективность работы фазоинвертора.

Простое увеличение жесткости стенок применением дополнительных "ребер жесткости" или утолщения панелей лишь повышает резонансные частоты панелей и меняет характер распределения их вибраций и излучения, так как изменяются число вибрирующих поверхностей и их размеры. Утолщение панелей, кроме того, увеличивает вес и стоимость оформления. Поэтому для изготовления оформления более целесообразно применять материалы, обладающие повышенными внутренними потерями колебательной энергии при их деформации (повышенным "внутренним трением"), а также достаточно высокой упругостью.

Такие материалы, называемые вибродемпфирующими или вибропоглощающими, можно нанести на обычные панели. Вибропоглощающие материалы превращают часть колебательной энергии вибраций в тепло и увеличивают механическое сопротивление панелей, чем понижают амплитуду вибраций. Особенно эффективно вибродемпфирование при резонансных частотах, когда возрастают амплитуды вибраций и деформации на изгиб или сдвиг.

Применение на панелях акустического оформления вибропоглощающего покрытия приводит к увеличению общей жесткости панели, а поэтому представляется возможным в 1,5 - 2 раза снизить толщи¬ну панелей без опасения увеличения их вибраций [2]. Поэтому, на внутренние поверхности стенок дорабатываемых АС наносят самоклеющийся вибропласт толщиной 1,5 - 2 мм (гибкий и эластичный вибропоглощающий материал, представляющий собой полимерную самоклеющуюся композицию, сдублированную с алюминиевой фольгой, рис. 2, применяется для снижения вибраций кузовных деталей автомобилей). 

Модернизация АС 35АС-012
Рис. 2 Вибропласт

Для идеально плотного прилегания к поверхности виброизолирующих материалов, изнутри стенки корпуса необходимо подготовить. А именно, ошкурить наждачной бумагой средней зернистости и загрунтовать, например, нитролаком или клеем ПВА. После этого размечают и вырезают необходимые заготовки из куска вибропласта (на некоторых материалах есть специальная разметка в виде формованных квадратиков 1 х 1 см, что позволяет обойтись без линейки и маркера). Отгибают на заготовке уголок защитной пленки и прикладывают ее на намеченное место. Прилагают край материала к поверхности и постепенно, аккуратно разглаживая его, удаляя при этом пленку, наклеивают весь кусок. Окончательно прикатывают материал с помощью ролика, добившись максимального прилегания. 

Звукопоглощающее покрытие увеличивает звукопоглощение низших частот до 500…1000 Гц. Степень звукопоглощения должна быть пропорциональна площади поверхности покрытия. Если крепить его на стенках корпуса не вплотную, а на расстоянии 20 - 50 мм от них, то звукопоглощение на частотах ниже 500 Гц увеличивается [2]. Данное условие изготовителем 35АС-012 выполнено - маты с хлопчатобумажной ватой в достаточном количестве расположены на некотором расстоянии от стенок (примерно в центральной части ящика). Поэтому дополнительно покрывать стенки звукопоглотителем не только бесполезно, но и вредно. Валики или подушки из звукопоглощающего материала, подвешенные в геометрическом центре АС дают такие же результаты, как и размещение его на стенках ящика.

Модернизация АС 35АС-012
Рис. 3. Герметизация швов туннели фазоинвертора

Конструкция порта фазоинвертора 35АС-012 имеет форму изогнутого туннеля необычной конфигурации в поперечном сечении. Это вызвано целью удовлетворения следующим условиям: жесткость и отсутствие резонансных призвуков в материале порта. Он состоит из двух склеенных пластиковых деталей. Места склейки оглядывают. Обнаруженные при осмотре щели заливают дихлорэтаном. После чего в этих точках обе части порта фазоинвертора стягивают струбцинами и высушивают - рис. 3. Полезно также будет оклеить его стенки полосками вибропластом. После такой обработки пластик порта становится жестким и глухим. Рекомендуется установить панель акустического сопротивления (ПАС) на выходе порта фазоинвертора. Это техническое решение, защищенное авторским свидетельством СССР № 577699, позволяет снизить акустическую добротность головки громкоговорителя в несколько раз. Акустическая система с такой ПАС звучит более естественно, без "бубнения" [3,4]. 

Известно, что звук в твердых материалах распространяется гораздо лучше, чем в воздухе. При воспроизведении музыки, вибрации АС передаются полу, а через него и другим электронным компонентам Hi-Fi системы. Чтобы сохранить высокую устойчивость и стабильность акустических систем, не потерять в динамике и точности звуковой сцены, и при этом избежать передачи вибраций от акустических систем к полу, пластмассовые ножки корпуса АС заменяют резиновыми, формы усеченного конуса, диаметром основания 28 мм, высотой 15 мм.  Конечно, возможен иной вариант - использование шипов в качестве опор для акустических систем. Такое решение, по заявлению производителей прогрессивной аудиотехники, размыкает паразитную механическую связь звуковоспроизводящего оборудования с поверхностью, на которой оно установлено. Это предотвращает распространение нежелательных вибраций и их влияние на процесс звуковоспроизведения. В результате, обеспечивается качественное воспроизведение. Недостатки - проблема царапин, а значит, возникает необходимость использования пятачков под шипы, каменных плит и т. п., что не всегда удобно и оправдано. Существуют также опоры неразъемные (шипы с подставками), но они имеют и цену соответствующую.

Наиболее слабое звено

Частотная характеристика среднечастотной динамической головки 15А - 11А имеет резкий спад выше 4,5 кГц - рис. 4, а,  акустическая добротность составляет порядка 11,8. А чем выше добротность колебательной системы, тем сильнее она подчеркивает частоты, совпадающие с резонансными, или близкие к ним. Что, практически, исключает возможность получения полноценного неискаженного  звучания при включении ее через полосовой фильтр СЧ, если не принять необходимые меры.  Для устранения первого недостатка используют следующею методику. 

Модернизация АС 35АС-012
Рис. 4. Среднечастотная динамическая головка 15ГД-11А (20ГДС-4-8): а - АЧХ звукового давления; б) - габариты и установочные размеры [3]

Отмачивают пылезащитный колпачок головки жидкостью для снятия лака с ногтей, можно растворителями 646, 647 и другими. Аккуратно извлекают его скальпелем (рис. 5, б). Помните, что из-за сильного действия поля магнитной системы на инструмент из стали, неосторожными движениями, можно повредить элементы динамика! Далее вытирают ватным тампоном, смоченным в той же жидкости для снятия лака, диффузор от клея. Промазывают клеем "Момент" нижнюю часть рупора и верхнюю часть звуковой  катушки. Просушивают 10 - 15 минут. Опять промазывают обе детали  и сразу соединяют их, слегка прижимая (рис. 5, д). Рупоры устанавливают как новые, так и извлеченные, вышеизложенным способом, из старых динамиков (рис. 5, в).

Модернизация АС 35АС-012

Модернизация АС 35АС-012

Модернизация АС 35АС-012
Рис. 5. Приклеивание рупора в 15ГД-11А: а - головка динамическая 15ГД-11А; б - извлечение пылезащитного колпачка; в - головка динамическая широкополосная 10ГДШ-1-4 (10ГД-36К); г - высокочастотные рупоры 10ГДШ-1-4; д - этапы подгонки рупора для 15ГД-11А

Приклеенный рупор разработан для динамической головки 10ГДШ-1. Для нашего случая его следует подогнать. Подгонка заключается в его подрезании, измеряя при этом АЧХ динамика. Для этого размещают динамик на одной оси с микрофоном (желательно измерительным), в пределах 40 - 50 см, в комнате не ближе 1 - го метра от стен, мебели и т. п. Микрофон подключают в соответствующий порт видеокарты компьютера, а динамик к усилителю компьютерных АС. Запускают программу RightMark 6.2.3 и проводят измерение АЧХ. Срезают край рупора, примерно 1 см. Измеряют АЧХ и сравниваем ее с предыдущей. Операцию повторяют до тех пор пока не получат наиболее ровную АЧХ в приделах средних частот, увеличивая тем самым их диапазон до 10 кГц (рис. 6).

Модернизация АС 35АС-012
Рис. 6. Амплитудно-частотная характеристика головки 15ГД-11А с дополнительным высокочастотным рупором

Второе и последующие подрезания следует проводить очень аккуратно, срезая не более 3 мм. В итоге, боковая поверхность рупора внутри  составила около 7 мм (от пылезащитного колпачка до края обрезки) - рис. 5, д. Обрезка выполняется маникюрными ножницами, поскольку они оказались самым приемлемым инструментом для такого вида работы, имеют миниатюрные округленные режущие поверхности. Обрезанный край, для придания жесткости, пропитывают клеем БФ-2 немного разведенным этиловым спиртом.

Для устранения второго недостатка применяют акустическое демпфирование головки с помощью ПАС. Демпфирование головок звукопоглощающим материалом менее результативно и, к тому же, способствует повышению резонансной частоты. С целью повышения эффективности действия ПАС на подвижную систему, работающей в акустическом оформлении головки, демпфирующею ткань следует располагать как можно ближе к диффузору. Наиболее рационально устроить ПАС в отверстиях диффузородержателя. Для этого, из плотного картона толщиной, примерно, 2 мм вырезают восемь одинаковых элементов (рис. 7, а). Общая площадь отверстий для головки 15ГД-11А должна составлять 22…28 см2. Одну сторону каждого элемента смазывают клеем момент. Через 5 минут наклеивают на натянутую, с помощью пяльцев для вышивания, хлопчатобумажную ткань. Через 30 минут ткань обрезают вокруг элементов. Элементы ПАС слегка изгибают и вклеивают  в окна дифузородержателя (рис. 7. б). Места склейки дополнительно промазывают клеем [5, 6]. Важно, что бы ткань в отверстиях элементов была натянута, в противном случае эффекта от применения ПАС не будет! Применение ПАС, т.е. акустического демпфера, позволяет затормозить собственные колебания диффузора, в результате существенно снизится время "послезвучания" и заметно повысится качество звучания динамика.

Модернизация АС 35АС-012
Рис. 7. Головка 15ГД-11А: а - элемент ПАС; б - ПАС в окнах диффузородержателя

Демпфирующее действие ПАС для головки динамической 15 ГД-11А графически представлено на рисунке 8.

Модернизация АС 35АС-012
Рис. 8.  Демпфирующее действие ПАС для головки 15ГД-11А

Эффективность применения ПАС было проверено сотрудниками Бердского радиозавода. В частности, были измерены коэффициенты гармоник среднечастотной головки 15ГД-11А с ПАС и без ПАС. Результаты измерений, приведенные в таблице 1, показывают, что ПАС позволяет значительно снизить коэффициент гармоник в частотном диапазоне, в котором человеческое ухо обладает наибольшей чувствительностью [7].

Таблица 1. Коэффициенты гармоник головки 15ГД-11А

Частота, Гц Коэффициент гармоник, %
250 1,5 0,6
400 2 1,1
630 1,5 1,1
1000 1,1 1,0
2000 1,5 1,2
4000 0,6 0,5

Резинотканевый подвес, для восстановления эластичности, пропитывают аэрозолем "Кондиционер и натяжитель приводных ремней". После такой доработки существенно увеличился частотный диапазона головки, до 10 кГц (!), улучшились линейность АЧХ звукового давления и, самое главное, качество звучания акустической системы в целом.

Разделительные фильтры

В пассивных разделительных фильтрах важную роль играет их конструкция, а также выбор конкретных элементов - конденсаторов, катушек индуктивности, резисторов, в частности, большое влияние на характеристики АС с фильтрами оказывает взаимное размещение катушек индуктивности, при их неудачном расположении вследствие взаимной связи возможны наводки сигнала между близко расположенными катушками. По этой причине их рекомендуется располагать взаимно перпендикулярно, только такое расположение позволяет свести к минимуму их влияние друг на друга. Катушки индуктивности являются одним из важнейших компонентов пассивных разделительных фильтров [1]. Не рекомендуется размещать катушки между собой ближе 100 мм. Простейший способ доработки фильтра 35АС - 012 (рис. 1, б) - переустановка катушек L1 и L3 перпендикулярно относительно основания и друг друга. Для такого расположения используют  пластмассовые уголки, вырезание из корпусов старой аппаратуры или коробок.  Следует обратить особое внимание на материал основания, на котором размещены детали фильтра. Оно должно быть из диэлектрика! В некоторых акустических системах, 35АС-1, "S-90" 35АС-212, предшественников "S-90" 35АС-012, монтаж деталей фильтра выполнен на стальной пластине, магнитные свойства которой, негативно влияют на катушки индуктивности и, естественно, на качество звука. 

Не менее важными элементами разделительного фильтра являются конденсаторы. Их объективные характеристики зависят от конструкции и материала корпуса, обкладок, типа диэлектрика, от качества изготовления. Важным признаком аудофильского конденсатора - применение "правильного" диэлектрика. Самым подходящим является полипропилен - почти идеальный материал, обладающий высокой стабильностью, малыми диэлектрическими потерями и абсорбцией. Другой аудиофильский диэлектрик - пропитанная маслом бумага. Масляно-бумажные конденсаторы по тангенсу угла потерь, и особенно по диэлектрической абсорбции, заметно проигрывают всем видам пленочных конденсаторов. Первые из них уместны в цепи ФНЧ для НЧ головки, а пленочные - в цепях ФВЧ кроссоверов для головок СЧ и ВЧ. Полиэтилентерефталататовые конденсаторы К73-16, показавшие отличные результаты, как при объективных измерениях, так и при субъективной экспертизе, рекомендованы в качестве недорогой альтернативы специализированным аудиоконденсаторам [8]. Не стоит искать конденсаторы с расчетной величиной емкости. Целесообразно использовать параллельное включение конденсаторов меньшего номинала. Такой подход позволяет не только использовать не дефицитные изделия, но и существенно снизить паразитные параметры эквивалентной емкости, значительно расширив номенклатуру пригодных типов конденсаторов.

Проволочные резисторы ПЭВ-10, примененные в фильтре, имеют паразитную индуктивность. Если крепить их к основанию с помощью шурупов, то индуктивность увеличиться. Объясняется это тем, что материал шурупа (сталь) служит сердечником, так называемой, катушки индуктивности в виде резистора. Таким образом, заменяют резисторы ПЭВ-10 на безындукционные или же крепят их с помощью клея, пластмассовых или деревянных клиньев и т. п.      

Высокочастотную головку 10ГД-35 шунтируют режекторным фильтром, настроенным на частоту ее основного резонанса 3 кГц. Он представляет собой высокодобротный последовательный LC-контур. Емкость конденсаторов контура - 6,6 мкФ (МБГО и МБМ с допустимым отклонением от номинального значения ±10%), индуктивность катушки - 0.43 мГн, ее обмотка содержит 150 витков провода ПЭВ-1 0,8 мм, намотанных на каркасе диаметром 22 и длиной 22 мм с диаметром щечек 44 мм [9]. Использование, для указанных целей, элементов фильтра акустической системы 10АС - 401существенно снизит затраты и трудоемкость работ. Произведение емкости конденсатора в микрофарадах на индуктивность дросселя в мГн должно быть равно 2,82 (radiolamp.ru/acoustics/3/).  Если 2,82 : 6,6 = 0.43 мГн,  то для контура с индуктивностью 0,5 мГн легко вычислить емкость конденсатора: 2,82 : 0,5 = 5,6 мкФ. Всего лишь нужно подобрать конденсаторы до необходимой емкости - 5,6 мкФ. 

Другой вариант доработки - отматывание от катушки индуктивности, величиной 0,5 мГн, лишние витки до необходимых 0,43 мГн. Удобно при этом пользоваться RLC - метром. На место резистора фильтра акустической системы 10АС - 401 (заранее извлеченного за ненадобностью) переустанавливают конденсатор величиной 2 мкФ, а на его место - крепят конденсатор на 4 мкФ такого же типа - МГБО. К выводам конденсаторов подпаивают конденсаторы МБМ для набора емкости необходимой величины в 6,6 мкФ (рис. 9).  В результате описанной доработки избавляются от призвуков, дребезга и характерного "сипения" головки 10ГД-35.

Модернизация АС 35АС-012
Рис. 9. Фильтр акустической системы 10АС - 401, переделанный в режекторный для ВЧ головки 10ГД-35

Проводники

Кабель, соединяющий акустическую колонку и усилитель, вносит определенный вклад в звучание системы. В основном в связи с тем, что кабель обладает определенным сопротивлением. Влияние этого сопротивления не только сказывается на чувствительности АС, но и влияет на распределение мощности между излучателями в колонке. Чтобы максимально исключить данный эффект, площадь сечения провода должна быть как можно больше, а длина - как можно меньше. Кроме того, необходимо, что бы для всех колонок АС длина и сечение провода были одинаковыми. Также нельзя исключать тот  факт, что проводник обладает определенной индуктивностью, а два близко расположенных проводника образуют емкость. В связи с этим сдвоенный провод можно рассматривать как LC-фильтр низких частот. То есть, чем длиннее провод, тем сильнее будут гасится высокие частоты. На практике влияние индуктивности провода проявляется лишь при длине кабеля свыше 50 м.  [10]. Также, при протекании по акустическому проводу тока звуковых сигналов низкой частоты большого уровня, вокруг проводников кабеля образуется сильное магнитное поле. Это поле оказывает воздействие на протекающие по этим проводникам токи звукового сигнала средних и высоких частот, в результате чего звучание акустической системы становится менее чистым и прозрачным. Решением этих проблем является обеспечение протекания токов низкочастотных составляющих сигнала и токов его средне-,  высокочастотной частях по физически разделенным проводникам. Для этого в акустической системе устанавливают дополнительную пару гнезд (винтовых зажимов), к которой подключают вход фильтров СЧ- и ВЧ-громкоговорителей.

Таким образом, вход фильтра НЧ- громкоговорителя при этом подключают к отдельной паре входных зажимов [11]. Такое  подключение называют "би-вайринг" (bi-wiring), т.е. в две пары проводов к одной акустике. Применение двух- и трехпарных кабелей связи с нагрузкой позволяет заметно уменьшить общее сечение проводников без увеличения взаимного влияния громкоговорителей. Такую акустику с двойным комплектом клемм можно подключить и к раздельным усилителям, что будет уже называться "би-ампинг" (bi-amping), т.е. два усилителя на канал. В последнем случае также избавляются еще и от электрического взаимодействие секций излучателей. В качестве винтовых зажимов применяют приборные резьбовые клеммы.  Материал шпильки - латунь, резьба - М6 х 0,5, барашек облит пластиком АВС.

Важнейшим критерием по выбору проводника для АС является ее электрическая мощность. Под электрической мощностью Р, подводимой к громкоговорителю, понимается мощность, рассеивания на сопротивлении, равном по значению номинальному электрическому сопротивлению Rн, при напряжении равном U на выводах громкоговорителя: P = U2/Rн. В практике проектирования отечественных АС обычно использовалось два вида мощностей - номинальная (электрическая мощность, ограниченная возникновением искажений, превышающих заданное значение) и паспортная (наибольшая электрическая мощность, при которой громкоговоритель может длительное время удовлетворительно работать на реальном звуковом сигнале без тепловых и механических повреждений, обычно в 1,5...2 раза выше номинальной мощности). Согласно технической документации "S-90" 35АС-012, номинальная мощность Рном. = 35 Вт, паспортная Рпасп. = 90 Вт. Заводом-изготовителем данных типов головок динамических допускается их эксплуатация с напряжением не выше 11 вольт. В таком случае сила тока I, протекающая в звуковой катушке НЧ головки будет равна 2,8 А, а в звуковой катушке СЧ громкоговорителя - 1,4 А.  Для расчета сечения проводника необходимо исходить из указанных значений силы тока.

Примечание. Расчет выполнен в упрощенном виде, при условии наличия в цепи только активного сопротивления, при котором косинус угла сдвига фаз тока и напряжения φ равен нулю. В реальной электрической цепи громкоговорителя всегда имеются индуктивное и емкостное сопротивления, называемые реактивными, которые вносят временные изменения значений тока и напряжения.

Музыкальные произведения имеют переменный характер, как по уровню сигнала так и по частоте, поэтому ток в 2,8 А теоретически может иметь место, но не постоянно и на очень коротких по времени участках музыкального тракта, например на при "буханье" большого барабана. Внутренний монтаж "S-90" 35АС - 012 выполнен медным луженным многожильным проводом в ПВХ изоляции сечением 1 мм2, что соответствует расчетным данным, поскольку, плотность тока в медном проводнике становит 6 - 10 ампер на квадратный миллиметр. Заметьте, что звуковые катушки громкоговорителей намотаны проводом намного меньшего сечения: 30ГД-1 - 0,1 мм2, 15ГД-11А - 0,02 мм2, 10ГД-35 - 0,005 мм2. Общее сечение проводов всех катушек составляет 0,125 мм2, в восемь раз тоньше за внутренний монтажный провод АС! В цепях питания усилителей мощности эпохи "S-90",  номинальной мощностью от 25 до 50 Вт на канал, предусматривались плавкие вставки (предохранители) на ток от 2 до 3 А, и это, прежде всего, для питания схемы а потом нагрузки.

Реальный звуковой сигнал носит импульсный характер. На сигнале с крутыми фронтами, даже на частотах звукового диапазона, в значительной степени проявляется скин-эффект (от английского skin - наружный слой, оболочка) - эффект вытеснения тока к поверхности проводника, что приводит к возрастанию эффективного сопротивления соединительных кабелей. [12].

Низкочастотные сигналы распространяются практически по всему объему проводника, а распространение высокочастотных сигналов происходит, в основном в тонком приповерхностном слое. Этот скин-эффект резко увеличивает сопротивление проводника и слегка уменьшает его индуктивность. На рисунке 10 показана частотная зависимость импеданса медных проводников различного диаметра длиной 1 м. При  f  < 1 кГц импеданс определяется активным сопротивлением, а при  f  > 100 кГц доминирующую роль играет индуктивность [14]. Медный провод диаметром 0,16 мм до частоты 20 кГц не меняет своего сопротивления, но имеет относительно большую величину, почти 1 Ом. Значительно снизить сопротивление проводника и оставить его неизменным во всей полосе звуковых частот позволит применение нескольких изолирований жил диаметром не более 0,16 мм. Пучок эмалированных проволок перевитых особым способом (от нем. Litzen -  пряди и Draht -  провод) называют литцендратом.

Модернизация АС 35АС-012
Рис. 10. Частотная зависимость импеданса медных проводников круглого сечения длиной 1 м

Таким образом, акустические кабели должны иметь не только минимальное сопротивление и индуктивность, но обладать минимальным скин-эффектом. Подключение громкоговорителей, особенно СЧ - ВЧ, лучше выполнить литцендратом или медным проводом, покрытым тонким слоем серебра [12]. Серебро обладает наибольшей удельной проводимостью среди всех металлов, и тонкий его слой, в котором, благодаря скин-эффекту, и протекает бо́льшая часть тока, оказывает сильное влияние на активное сопротивление проводника.  

При выборе монтажного провода необходимо также учитывать принцип подключения акустики через 2-е пары контактов, что, естественно, пропорционально распределяет мощность между НЧ и СЧ - ВЧ каналами. При равной чувствительности головок предельная шумовая (паспортная) мощность на частоте раздела, в нашем случае, 500 Гц для НЧ канала - 56 % от общей мощности, а для СЧ-ВЧ - 44 %. Между СЧ и ВЧ головками мощность при частоте среза 5000 Гц распределиться по 41,5 % и 2,5 % соответственно. Такое разделение мощности нельзя считать безусловным, но грубых ошибок при расчетах можно избежать.  Головки АС отличаются как по чувствительности, так и по величине номинального электрического сопротивления (табл. 2). Различие в каждом из этих параметров приводит к необходимости соответствующего выбора подводимого к головке напряжения для получения равномерной АЧХ по давлению [15]. А напряжение, подводимое к головке, является одним из доминирующих показателей, влияющих на мощность.

Таблица 2. Основные параметры головок, примененных в акустических системах "S - 90" 35АС - 012

Название головки по ГОСТ 9010-78 По ОСТ 4. 383.001-85. Современный аналог Предельная шумовая (паспортная) / предельная долговременная / предельная кратковременная мощность, Вт Номинальная мощность,
Вт
Номинальное сопротивление,
Ом
Диапазон частот,
Гц
Неравномерность частотной характеристики,
дБ
10ГД-35 10ГДВ-2-16 15 10 15(16) 3000…25000 14(12)
  6ГДВ-6-16 6AT-6-16 6/8/10 2 16 5000…25000 12
15ГД-11 20ГДС-4-8 30 15 8 250…5000 14
15ГД-11А 20ГДС-1-8 20VT-1-8 20/30/40 20/25/30 15 8 200…5000 10
30ГД-1   70 30 4 30…1000 14
30ГД-2 75ГДН-1-4 75ZT-1-4 75/78/80 30 4 31,5…1000 12
Название головки по ГОСТ 9010-78 Стандартное звуковое давление,
Па
Частота основного резонанса,
Гц
Уровень характерной чувствительности,
дБ/мВт
Габаритные размеры (в плане),
мм
Высота,
мм
Масса,
кг
10ГД-35 0,25 3000 92 100х100 47(35) 1,0
  0,125 0,3 3000 91 100х100 35 44,5 1,0 0,9
15ГД-11 0,2 110 90 125х125 75 1,25
15ГД-11А 0,2(0,25) 120 90 88,5 125х125 74 1,25
30ГД-1 0,15 25 87,5 250х250 151 6,0
30ГД-2 0,125 25 87 86 250х250 124 6,0

Примечание. Сведения о параметрах взяты из множества источников, не всегда исчерпывающие, а порой и противоречивые (указанные в скобках).

Следует отметить, что, в домашнем акустическом оформлении, влияние проводников на качество звука ничтожно мало, по сравнению с другими факторами.  Надлежит уделять внимание более важным элементам, акустическим свойствам помещения, правильности расстановки аппаратуры. Сведения об исключительности  кабелей из бескислородной меди, из проводов с "ориентацией" поверхностного слоя проводника, влияющей на прохождение звукового сигнала в том или ином направлении, не более чем реклама.

Электрическая часть доработанной системы

Принципиальная электрическая схема приведена на рисунке 11,а. В фильтре применены конденсаторы с максимальным рабочем напряжением 160 В: К73-11 (C1,  С10, С11);  К73-16 (С2-4); МБГО-2 (С5 - 9); параллельно включенные МГБО-2 и МБМ (С13). Монтаж выполняют одножильным медным проводом сечением 1 мм2 (извлеченный из кабеля связи с воздушной изоляцией каждой жилы) и проводом МГШВ (гибкий многопроволочный, токопроводящие жилы из луженной медной проволоки, обмотанные электроизоляционным шелком с ПВХ изоляцией, для внутри- и межблочного монтажа различной радиоэлектронной аппаратуры и приборов на номинальное напряжение до 1000 В переменного тока частоты до 10 000 Гц), сечениями 1,5 мм2(для низкочастотного звена) и 0,5 мм2 (только в фильтре СЧ - ВЧ звена). Соединение между собой клемм, делителя, фильтра и ВЧ головки осуществляют проводом ЛЭПШД 500 х 0,05 (провод круглого сечения 0,98 мм2 с жилой, скрученной из 500 медных проволок диаметром 0,05 мм, изолированных лаком на полиуретановой основе, с двухслойной обмоткой из натурального шелка, рекомендованного для диапазона частот  250…500 кГц, с удельным электрическим сопротивлением, при 20˚C, 0,0158…0,018 Ом/м). Регулятор уровня воспроизведения можно не подключать.

Модернизация АС 35АС-012
а)

Модернизация АС 35АС-012
б)
Рис. 11. Фильтр электрический акустической системы "S - 90" 35 АС-012 после доработки: а -  принципиальная электрическая схема; б - расположение элементов на плате

Все элементы размещают на фанерке родного фильтра "S - 90" 35 АС - 012, (рис. 11, б). Особое внимание следует уделить взаимному расположению катушек индуктивности. Детали должны быть жестко закреплении. Соединения выполняют как можно короткими проводами, не допуская их провисаний. Элементы фильтра не должны соприкасаться. При необходимости, для плотного монтажа, используют герметик, стяжки, изоляционную ленту и т. п. В противном случае, в результате воздействий вибраций корпуса и колебаний воздуха внутри АС, детали фильтра будут дребезжать и издавать неприятные призвуки. Фильтр крепят к нижней стенке внутри корпуса, тем самым минимизируют влияние на катушки индуктивности магнитного поля НЧ динамика. 

Установка динамиков

Перед установкой, прежде всего, НЧ и ВЧ головки (СЧ головка уже приведена в норму) осматриваются на предмет целостности конструкций, особенно в местах склеивания, отсутствия механических повреждений деталей, целостности подвесов у НЧ динамика. Он может быть резиновым или полиуретановым (35АС - 018). Подвес, изготовленный из не очень качественной резины, со временем затвердевает. Полиуретан разрушается примесями серы, содержащей в воздухе. Устраняется проблема подвесов путем их замены. Альтернативным решением для резинового подвеса, не имеющего повреждений, может быть его пропитывание кондиционером и натяжителем приводных ремней. Замена подвесов весьма трудоемкая работа, требующая неких знаний и навыков. Места отслаивания центрирующей шайбы или подвеса от диффузородержателя промазывают клеем с простым названием 88, после чего, склеиваемые поверхности прижимают.

Необходимо также убедиться в отсутствии касания звуковой катушки элементов магнитной системы. Восстановление внешнего вида диффузора выполняют простым окрашиванием его черным маркером, заправленным спиртовыми чернилами (на нем написано: "alkohol"). Некоторые "доработчики" используют принтерную краску. Это не правильное решение, поскольку она имеет свойства быстрого выгорания и смывания обыкновенной водой. У ВЧ головки снимается акустическая линза для освобождения куполообразного диффузора с  звуковой катушкой. Аккуратно извлекают его и убеждаются в целостности звуковой катушки. Очень часто ее витки отделяются от каркаса в процессе эксплуатации. При обнаружении указанного дефекта, диффузор с  звуковой катушкой заменяют новым. Для профилактики звуковую катушку промазывают клеем БФ - 2, немного разведенным этиловым спиртом.  Целесообразно провести испытание головок с измерением АЧХ звукового давления. Громкоговорители, не поддающие ремонту, заменяют новыми.

Еще одним эффективным способом уменьшения вибраций, следовательно, и нежелательных призвуков, заключается в "мягком" крепление головок [2]. Их монтируют на резиновые прокладки. Необходимо, чтобы крепящие элементы не соприкасались с диффузородержателем. Для этого подбирают трубку необходимого диаметра, например полихлорвиниловую, с плотным прилеганием к стенкам монтажных  отверстий динамика, обеспечивая при этом свободное вхождение шурупов. При необходимости отверстия рассверливают до нужных размеров. Под сеточки с декоративными ободками также подкладывают резиновые шайбы в местах отверстий. Следует заметить, что НЧ и СЧ головки монтируются в углубления. По этому, необходимо в четырех местах вокруг каждого динамика подложить резинки, например с велосипедной камеры, для предотвращения касания к корпусу боковых частей дифузородержателей.

Облицовочные и декоративные элементы оказывают значительное влияние на частотную характеристику АС. Существенное воздействие может оказать декоративный материал, закрывающий отверстие фазоинвертора, особенно проход, вследствие больших колебательных скоростей воздуха. Решетки и жалюзи могут иногда вызывать резонансные явления и в частотной характеристике громкоговорителя появятся дополнительные пики и провалы. Лицевую часть головки 10ГД-35, вокруг акустической линзы оклеивают фетром или плотной тканью. Это обеспечит как мягкое ее крепление, так и минимизацию дифракции, проявление эффекта реверберации звуковых волн, что, в свою очередь, ослабит резонансные явления между головкой и решеткой.  Акустическая система 35АС-1, имеет съемную декоративную панель.

В технической документации, указанной АС, рекомендуется панель снимать при прослушивании высококачественных программ, при работе на предельно допустимых мощностях. На рисунке 12 представлены графики АЧХ звукового давления громкоговорителей 15ГД-11А и 10ГД-35 в открытом исполнении (кривая белого цвета) и закрытых декоративными сеточками (кривая зеленого цвета), предусмотренными конструкцией акустической системы "S-90" 35АС-012. Особых различий не наблюдается.  Вывод: в данном устройстве снимать защитные декоративные сетки нет особой  необходимости, поскольку их наличие на АЧХ головок в рабочем частотном диапазоне не влияет. Следует руководствоваться субъективными оценками после прослушивания реального звукового сигнала через акустическую систему с декоративными сетками и без таковых.

Модернизация АС 35АС-012
а)

Модернизация АС 35АС-012
б)
Рис. 12. АЧХ звукового давления громкоговорителей: а - 15ГД-11А; б - 10ГД-35

Описанная методика доработки звуковых колонок "S - 90" 35 АС - 012 полезна будет и для переделки громкоговорителей и других моделей, а также изготовления акустических систем своими руками.

Согласование громкоговорителей. Практически все современные высококачественные акустические системы (АС) являются многополосными, т. е. состоящими из нескольких громкоговорителей (чаще всего из трех), каждый из которых работает в своем диапазоне частот. Это обусловлено тем, что в силу ряда причин невозможно создать громкоговоритель (ГГ), обладающий хорошими характеристиками в широком диапазоне частот.  Для распределения энергии звукового сигнала между громкоговорителями АС используют разделительные фильтры. Однако они оказывают существенное влияние на такие характеристики многополосной акустической системы, как амплитудно-частотную (АЧХ), фазочастотную (ФЧХ), групповое время задержки (ГВЗ), характеристики направленности, распределение мощности входного сигнала между излучателями, входное сопротивление АС, уровень нелинейных искажений [1] .

Создать разделительный фильтр, к которому предъявляются требования малой неравномерности суммарной АЧХ, линейности ФЧХ в полосе пропускании и высокой крутизны скатов АЧХ звеньев весьма не просто. Первое из этих требований обусловлено резким ухудшением характеристик динамических головок на краях их номинальных диапазонов частот. Особенно это относится к средне- и высокочастотным головкам, у которых перекрытие номинальных диапазонов воспроизводимых частот, как правило, сравнительно велико. Именно поэтому разделительные фильтры для этих головок должны обладать  АЧХ с крутыми скатами: при октавном (относительно частот раздела соседних полос) запасе по номинальному диапазону воспроизводимых частот предпочтительнее применять фильтры с крутизной ската АЧХ не менее 12 дБ на октаву. Простейший фильтр с крутизной 6 дБ на октаву можно использовать лишь в том случае, если запас по частоте составляет менее двух октав [16].

Указанное условие в СЧ, ВЧ участках фильтра акустической системы 35АС-012 (S-90)  разработчиком соблюдено. Высокочастотная головка 10ГД-35 включена через фильтр третьего порядка (С1, L2, С8, на схеме рис. 1, а первой части статьи) и обеспечивает затухание 18 дБ/окт. Полосовой фильтр СЧ головки  15ГД-11А состоит из двух звеньев - фильтра ВЧ второго порядка (С2, L3), для подавления частот нижнего диапазона с затуханием 12 дБ/окт., и фильтра НЧ первого порядка (L4) для подавления частот верхнего диапазона. Фильтр первого порядка состоит из одного реактивного элемента и обеспечивает затухание 6 дБ/окт. Такой фильтр удовлетворяет требования при работе с обычным динамиком 15ГД-11А, имеющего естественный спад в АЧХ звукового давления с 4,5 кГц (рис. 4). Если же головка имеет более широкую частотную полосу, то необходимо  принять меры либо по повышению частоты среза, либо по изменению порядка фильтра.

Известно, что применение дополнительного конуса, который вставляется внутрь диффузора, повышает верхнюю границу частотного диапазона динамика до 10-12 кГц. В этом случае на высоких частотах основной диффузор перестает работать из-за относительно гибкого соединения его со звуковой катушкой, а в работу включается малый диффузор, достаточно жесткий и легкий [17]. Поэтому среднечастотная головка динамическая 15ГД-11А (20ГДС-1-8) c дополнительным звукоизлучающим рупором  имеет лучшие характеристики по сравнению с обычной. А именно, верхняя граница воспроизводимых частот составляет 10 кГц вместо 4,5 кГц (рис. 6). Тем самым, увеличивается и зона ее совместного действия с высокочастотным излучателем 10ГД-35, что может привести к пикам и провалам в АЧХ громкоговорителя из-за различных фазовых характеристик ГГ и несколько худшему восприятию сцены. Причина этого заложена в конструкции фильтра акустической системы 35АС-012 (S90), не предусмотренного для СЧ динамика, работающего в диапазоне до 10 кГц. 

Для повышения частоты среза между СЧ и ВЧ излучателями до 10 кГц выполняют изменения в фильтре по примеру М. Жагирновского и В. Шорова [18]. Для этого в кроссовере по схеме на рис. 1, а, отпаивают выводы катушки L4 (0,55 мГн) и снимают ее, а на освободившиеся место устанавливают катушку L2 (0,23 мГн), которую включают в фильтр вместо L4 (это повышает верхнюю границу рабочей полосы частот СЧ головки). Затем отматывают от катушки L4 115 витков (новая индуктивность - 0,1 мГн) и устанавливают ее на плату, подключают вместо катушки L2. Конденсатор С1 (2,0 мкФ) заменяют конденсатором на 1 мкФ, а С8 (1 мкФ) на 0,5 мкФ. Тем самым, отодвинув частоту раздела ВЧ фильтра от частоты основного резонанса высокочастотной головки 10ГД-35, улучшают качество ее звучания. Режекторный фильтр (L5, С12 на схеме рис. 11, а) в таком случае  не применяется. Однако, доработанная  АС вышеизложенным образом при хорошей АЧХ обладает и весьма существенным недостатком - заметно ухудшенной характеристикой направленности из-за повышения частоты разделения до 10 кГц [19].

Характеристика направленности, наряду с АЧХ звукового давления, является наиболее информативной с точки зрения оценки качества звучания АС. При некоторой частоте длина звуковой волны становится соизмерима с размером диффузора и даже меньше его. На практике это проявляется как сужение диаграммы направленности динамической головки с повышением частоты. То есть чем выше частота, тем ближе к оси головки должен находиться слушатель, чтобы услышать высокие частоты. Так для диффузора диаметром 125 см теоретическая максимальная частота, на которой диаграмма акустического излучения сжимается до узкого луча, равна 3316 Гц. Обычно на средних частотах конструкторы акустических систем стараются не заставлять головки работать выше этих частот и частоты разделения между СЧ, ВЧ излучателями более 6…8 кГц не принимают [15,20].  

Производитель головок, завод  "Красный Луч", рекомендовал включать 15ГД-11Б через разделительный фильтр, имеющий НЧ звено 3-го порядка - рис. 13. Аналогичная схема применена для головки 20ГДС-1Л-8 в акустической системе 35АС-001 Кливер.

Модернизация АС 35АС-012
Рис. 13. Схема разделительно фильтра, рекомендованного производителем головки 15ГД-11Б (из технической документации на изделие)

Для изменения порядка НЧ звена полосового фильтра 35АС-012 с 1-го на 3-й схему (рис. 11, а) дополняют конденсатором C'1 номиналом 10 мкФ и катушкой индуктивности L'1 - 0,22 мГн, как показано на схеме рис. 14 (изменения в схеме указаны красным цветом). Таким образом, динамики 10ГД-35 и 15ГД-11А разделяют высокочастотный фильтр 3-го порядка на C1, L2, С10 и низкочастотный фильтр 3-го порядка на L4, C'1, L'1.  На частоте среза фильтр НЧ 3-го порядка дает запаздывание по фазе на 135˚, а фильтр ВЧ опережение на 135˚. В результате на частоте раздела при сложении в фазе и противофазе сигналы суммируются со сдвигом в 90˚. Суммарная АЧХ получается плоской. Сложение в фазе предпочтительнее, поскольку дает меньшие фазовые искажения. Скаты АЧХ третьего порядка имеют крутизну 18 дБ на октаву. С увеличением крутизны скатов сокращается область совместного излучения и ослабляется влияние задержек на суммарную АЧХ [21]. Поэтому головку 10ГД-35 включают синфазно с головкой 15ГД-11А.

Катушка индуктивности L'1 имеет 115 витков, намотанных медным обмоточным проводом толщиной (по лаку) 0,8 мм, на пластиковом каркасе внутренним диаметром 27 мм и шириной 15 мм. Использовать провод меньшего диаметра не рекомендуется, поскольку, в таком случае, сопротивление катушки будет больше 5% сопротивления головки, что не желательно. Провод большего сечения труднее наматывается. Для катушки можно применить каркас с другими размерами, оптимальными, исходя из отношения величины индуктивности катушки к ее сопротивлению. Рассчитать катушку индуктивности можно онлайн [22]. Конденсатор применяют с максимальным рабочим напряжением 160 В и более любой из типов К73-11, К73-16, МБГО-2, МБМ или другой неполярный либо соединенные параллельно несколько, рекомендованные для аудиоцепей. 

Модернизация АС 35АС-012
Рис. 14. Схема фильтра АС 35АС-012 (S-90) с внесенными изменениями

В отличие от НЧ головки, у которой частота основного резонанса находится внутри воспроизводимого ею диапазона частот, резонансные частоты СЧ и ВЧ головок, как правило, лежат ниже воспроизводимого диапазона, и чем ниже, тем лучше. При снятии АЧХ громкоговорителя по звуковому давлению (т. е. при плавном изменении частоты сигнала и постоянном его уровне) резонансные свойства СЧ и ВЧ головок никак не проявляются. Реальный звуковой сигнал носит импульсный характер с широким динамическим диапазоном. Поэтому при резком уменьшении сигнала возникают условия для продолжения колебаний на частоте механического резонанса. Таким образом, резонансные свойства СЧ и ВЧ головок могут существенно влиять на качество звуковоспроизведения. Переходные искажения, особенно заметны на слух на средних частотах, обусловлены высокой добротностью подвижной системы головки на частоте основного резонанса. Они придают звучанию металлический оттенок, лишают его прозрачности [23]. 

Добротность СЧ головки довольно просто снижается применением панели акустического сопротивления [6], чего нельзя применить к ВЧ головке. К последней, для ослабления резонанса, используют режекторный фильтр (L5, C12) [10], элементы которого, в отличия от ПАС, влияют на ФЧХ - рис. 15. Применение  в полосовом фильтре СЧ головки фильтра НЧ 3-го порядка позволит ослабить и это негативное влияние режектируючего звена на суммарную ФЧХ и АЧХ. 

Модернизация АС 35АС-012
Рис. 15. АЧХ и ФЧХ режекторного фильтра

На частоте режекции реактивные сопротивления катушки и конденсатора равны по значению, но противоположны по знаку, общее сопротивление обращается в ноль. Этот фактор создает дополнительную нагрузку на усилительное устройство, несмотря на то, что фильтр вносит некоторое затухание сигнала на данном участке. Если усилитель не обладает достаточной мощностью и при работе на придельных уровнях срабатывает защита от перегрузок, необходимо последовательно контуру, в разрыв провода в точке А на схеме рис. 14,  включить резистор, номиналом  5…10 Ом и мощностью 5…10 Вт. Последовательный RLC контор называют компенсатором резонансного пика ГГ. На частоте основного резонанса амплитуда колебания диффузора достигает своего максимума, сопротивление головки при этом во много раз превышает номинальное значение, нагрузка на головку возрастает. Использование компенсации  (рис. 16) - средство не только по снижению искажений, но еще и защиты ГГ от перегрузок [21].

Модернизация АС 35АС-012
Рис. 16. Компенсация резонансного пика последовательным контуром

Описанный фильтр предоставляет возможность применить в АС и другую среднечастотную или широкополосную головку, подходящую по мощности, чувствительности и установочным размерам. Необходимо лишь подобрать RC-цепочку (R2, C11). А при использовании головок с большей чувствительностью необходимо еще и включить в цепь аттенюатор.

Для субъективной экспертизы порядков НЧ звена полосового фильтра схему дополняют двумя тумблерами. Один для переключения порядка фильтра, другой для отключения режекторного звена. Во время проигрывания музыкальных программ тумблеры поочередно переключат и останавливаются на наиболее верном звучании инструментов.

Сравнительное прослушивание АС с НЧ звеном разных порядков полосового фильтра показало, что предпочтительней третий порядок. Особых слышимых различий в звучании почти не проявляется. Однако в полосе раздела, звучание с фильтром 1-го порядка немного ярче выражено,  СЧ и ВЧ излучатели, как бы "сближаются". Это обусловлено тем, что такой фильтр имеет малую крутизну ската и СЧ головка имеет возможность работать на ВЧ составляющей. Сигнал, излучающий ГГ в фазе, складывается и усиливается, в противофазе ослабляется. 

Влияние режекторного фильтра на качество звучания в сторону ухудшения не прослушивается. Мнение радиолюбителей о том, что режекторный фильтр вносит искажения, которые проявляются в снижении звукового давления в нижней части ВЧ диапазона, является заблуждением.   

Внешнее оформление АС. Электрическая схема модернизированной АС имеет подключение "би-вайринг", т. е. через две пары проводов к одной акустике. Реализовать такое решение, не нарушив аутентичности конструкции, просто. Следует найти клемники от старых аналогичных систем и вмонтировать их, как показано на рисунке 17. Паспортные данные, приведенные на дополнительных клемниках, во избежание путаницы, необходимо заклеить самоклеющееся пленкой соответствующего цвета или закрасить.

При подборе резьбовых приборных клемм, особое внимание необходимо обратить на материал, из которого изготовлена несущая часть. Изделия из стали или, еще хуже, силумина, широко представленные на ринке изготовителями азиатских стран, для применения непригодны. Наиболее распространенные в приборостроении клеммы из латуни, покрытой хромом. Ну и как лучший вариант - серебренные и позолоченные.

Модернизация АС 35АС-012
Рис. 17. Задняя нижняя часть модернизированной АС 35 АС-012 (S-90): а - общий вид; б - приборные резьбовые клеммы

При подключении через резьбовые клеммы необходимо, также, обратить внимание на материалы контактных пар. Простое соединение проводников из различных материалов может само по себе вызвать гальваническую коррозию. Оксидная прослойка, образованная вследствие коррозии создает дополнительное сопротивление, нестабильный контакт, порождающий неприятные призвуки в АС и т. п. Так проявляет себя разница в электродных потенциалах  материалов. Каждый проводник тока обладает определенным электрохимическим потенциалом. В присутствии атмосферной влаги, когда вода попадает между металлами, образуется замкнутый гальванический элемент, начинает течь ток и как в гальванической ванне разрушается один из электродов, так и в соединении разрушается один из металлов. Электрохимический потенциал каждого токопроводящего материала известен (табл. 3), и зная величину можно точно определить, какие материалы допустимо соединять между собой. Например, медь и алюминий соединяют либо пайкой, либо на болтовое соединение, через шайбы из углеродистой стали, дюралюминия или нержавейки и т. п. [24]. 

Анализируя таблицу 3, следует сделать вывод, что для хромированных клемм наиболее подходящая пара для соединения должна иметь либо хромированное покрытие, либо свинцово-оловянное.

Таблица 3. Электрохимические потенциалы (мВ), возникающие между соединенными проводами, клеммами и т. д. (проводниками)

Металл Медь /
ее сплавы
Свинцово-
оловянный
припой
Алюминий Дюр-
алюминий
Сталь Нерж.
сталь
Цинк
покрытие
Хром
покрытие
Серебро Углерод
(графит)
Золото
/ Платина
Медь, ее сплавы 0,00 0,25 0,65 0,35 0,45 0,10 0,85 0,20 0,25 0,35 0,40
Свинцово-оловянный припой 0,25 0,00 0,40 0,10 0,20 0,15 0,60 0,05 0,50 0,60 0,65
Алюминий 0,65 0,40 0,00 0,30 0,20 0,55 0,20 0,45 0,90 1,00 1,05
Дюралюминий 0,35 0,10 0,30 0,00 0,10 0,25 0,50 0,15 0,60 0,70 0,75
Сталь мягкая 0,45 0,20 0,20 0,10 0,00 0,35 0,40 0,25 0,70 0,80 0,85
Нерж. сталь 0,10 0,15 0,55 0,25 0,35 0,00 0,75 0,10 0,35 0,45 0,50
Цинк покрытие 0,85 0,60 0,20 0,50 0,40 0,75 0,00 0,65 1,10 1,20 1,25
Хром покрытие 0,20 0,05 0,45 0,15 0,25 0,10 0,65 0,00 0,45 0,55 0,60
Серебро 0,25 0,50 0,90 0,60 0,70 0,35 1,10 0,45 0,00 0,10 0,15
Углерод (графит) 0,35 0,60 1,00 0,70 0,80 0,45 1,20 0,55 0,10 0,00 0,05
Золото / Платина 0,40 0,65 1,05 0,75 0,85 0,50 1,25 0,60 0,15 0,05 0,00

Акустическая система 35АС-012 (S-90) имеет вес порядка 30 кг. В процессе доработки она приобрела хоть и небольшое, но прибавление к указанному весу. Поэтому для удобства в эксплуатации в каждую боковую стенку целесообразно врезать ручку карман  (рис. 18, а), имеющую габаритные размеры 135 х 88 х 76 мм и посадочное место102 х 59 мм.

Отверстия под ручки вырезают на расстоянии 360 мм от нижней внешней грани корпуса и 70 мм от передней с таким расчетом, чтобы внутренние части ручек не касались бокса СЧ головки и порта фазоинвертора. Форма отверстия должна повторять форму ручки таким образом, чтобы ручка как можно плотнее прилегала к поверхности отверстия, но без натяжки. Для вырезания отверстия рекомендуется применять электролобзик с изменяемым углом режущей части. Вырезание следует проводить чуть меньше необходимых размеров. Затем отверстия доводят рашпилем, напильником и (или) наждачной бумагой до нужных размеров.

Перед установкой ручек и клемников на стенки снаружи, вокруг проделанных отверстий, наносят мастику герметизирующую нетвердеющую (липкая тягучая масса применяется в строительстве при монтаже элементов теплиц, конденционеров и т. п.). Изнутри корпуса щели между ручками и стенками заделывают пластилином. Ручку, внутри корпуса оклеивают вибропластом (рис. 2).

Модернизация АС 35АС-012
а)

Модернизация АС 35АС-012
б)
Рис. 18. Акустическая система 35АС-012 оборудованная ручками: а - ручка карман врезная; б - акустическая система

Альтернатива динамику 15ГД-11А. Известно, самым слабым звеном в акустической системе 35АС-012 является головка динамическая 15ГД-11А (20ГДС-1-8). Результаты многолетней практики по доработке этой головки с целью улучшения ее качества звучания, к сожалению, удовлетворяют не всех любителей хорошего звука. Многие ссылаются к мнению, что динамики 15ГД-11А нуждаются в замене на схожие по габаритам и установочным размерам головки[25], например, 4ГДШ-1 (4ГД-8Е), 5ГДШ-5-4 (4ГД-53), 6ГДШ-5-4, 30ГДС-1-8 - рис. 19. Однако просто заменить ГГ на другой нельзя, из-за того, что в акустической системе все головки, НЧ, СЧ, ВЧ, между собой согласованы   исходя от их  индивидуальных параметров.

Модернизация АС 35АС-012
а

Модернизация АС 35АС-012
б

Модернизация АС 35АС-012

Модернизация АС 35АС-012
в

Модернизация АС 35АС-012
г
Рис. 19. Диффузорные динамические громкоговорители, габаритные и установочные размеры: а - 4ГДШ-1; б - 5ГДШ-5-4; 6ГДШ-5-4/8; 30ГДС-1-8

Считают, что амплитудно-частотная характеристика ГГ является одним из главных показателей оценки качества звучания. Головки 4ГДШ-1, 5ГДШ-5-4, 6ГДШ-5-4/8 заметно выигрывают по этому параметру перед 15ГД-11А. Второй фактор, влияющий на качество звучания, является акустическая добротность головки. У 15ГД-11А этот показатель в несколько раз выше, чем у 4ГДШ-1, 5ГДШ-5-4, 6ГДШ-5-4, а чем выше добротность подвижной системы, тем выше искажения в области частоты основного резонанса, негативно влияющие на качество звучания. Основные характеристики диффузорных динамических громкоговорителей приведены в таблице 4. 

Таблица 4. Основные характеристики диффузорных динамических громкоговорителей

Название головки по ГОСТ 9010-78 По ОСТ 4. 383.001-85.  Современный аналог Предельная шумовая (паспортная) /предельная долговременная / предельная кратковременная мощность,
Вт
Номинальная (рабочая) мощность,
Вт
Номинальное сопротивление,
Ом
Диапазон частот,
Гц
Полная добротность
4ГД-8Е 4ГДШ-1-4 4/6/10   4 125…7100 1,3
4ГД-53 5ГДШ-5-4 5/8/15 1 4 100…12000 1,3
  6ГДШ-5-4/8 6/15/45 4 4/8 100…12000 1,4
30ГДС-1-8   30/50/100   8 500…6300  


Название головки по ГОСТ 9010-78 Неравномерность частотной характеристики,
дБ
Стандартное звуковое давление,
Па
Частота основного резонанса,
Гц
Уровень характерной чувствительности,
дБ/мВт
Габаритные размеры (в плане),
мм
Высота,
мм
Масса,
кг
4ГД-8Е 14 0,3 120 93,5 125х125 49 0,6
4ГД-53 14 0,28 150 92,5 125х125 49 0,6
  14   140 92 125х125 45,5 0,29
30ГДС-1-8 8 0,26 250 92 125х125 70 1,7

Главный недостаток 4ГДШ-1, 5ГДШ-5-4, 6ГДШ-5-4 - относительно низкая мощность. Но коэффициент полезного действия (КПД) этих головок намного выше, чем у 15ГД-11А. КПД динамического диффузорного громкоговорителя представляет собой отношение излучаемой акустической мощности к подводимой электрической. КПД громкоговорителя напрямую зависит от стандартного звукового давления или характеристической чувствительности, однозначно связанных между собой и акустической мощность. Другими словами, чтобы создать звуковое давление одинакового уровня на головки 4ГДШ-1, 5ГДШ-5-4, 6ГДШ-5-4/8 следует подать мощность намного меньшую, чем на 15ГД-11А. Изменение энергетического параметра, подводимой мощности, в два раза соответствует изменению уровня на 3 дБ, в четыре раза - на 6 дБ.

Низкочастотная головка 75ГДН-1-4 имеет максимальную шумовую мощность 75 Вт, уровень характеристической чувствительности 85 дБ/м (за вычетом 1 дБ на потери в фильтре) и номинальное сопротивление 4 Ом. Среднечастотная головка 6ГДШ-5-8 имеет максимальную шумовую мощность 6 Вт, уровень характеристической чувствительности 92 дБ/м и номинальное сопротивление 8 Ом. Разница в чувствительности по отношению к НЧ головке  составляет 7 дБ - в 2,24 раза по звуковому давлению и в 5 раз (2,342 = 5) по мощности. Таким образом, максимальная шумовая мощность среднечастотной головки, приведенная к чувствительности низкочастотной головки, составляет 6 Вт х 5 = 30 Вт. При работе в полосе частот  от 500 Гц до 5000 Гц на СЧ головку приходится всего 41,5% мощности, т. е. -  31 Вт, что почти соответствует требованиям.

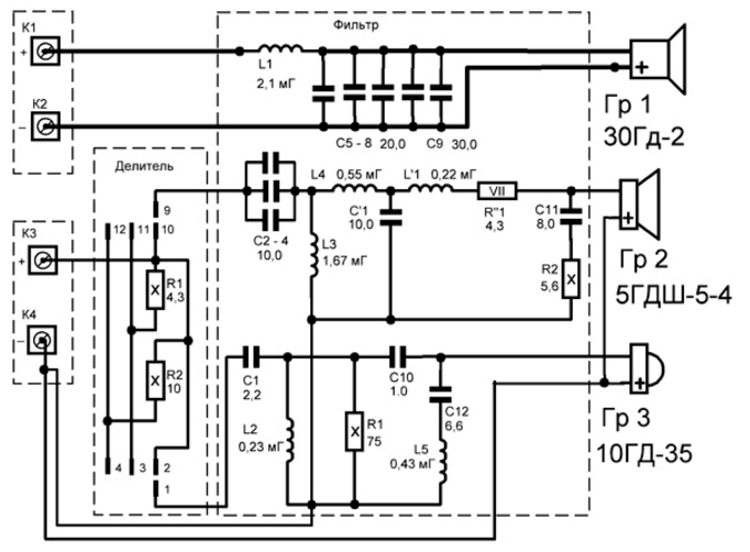
Если еще учесть разницу в номинальных сопротивлениях ГГ, 8 Ом  и 4 Ом, то при подключении этих головок к общему источнику, звуковое давление необходимо уменьшить на √(8/4) = 1,41 раза, т. е. на 3 дБ, и принять его равным 89 - 85 = 4 дБ. Для выравнивания чувствительности среднечастотной головки по отношению к низкочастотной схему дополняют делителем (R''1 и R2'' на схеме рис. 20) [15]. Следует, также, откорректировать компенсатор (R2,C11) изменения модуля электрического сопротивления при включении через разделительный фильтр головки громкоговорителя 6ГДШ-5-8. Для этого Конденсатор С11 устанавливают на 8 мкФ. По этой же схеме подключают и головку 30ГДС-1-8, как наиболее подходящую замену динамику 15ГД-11А, поставив при этом конденсатор С11 номиналом в 2 мкФ.

Модернизация АС 35АС-012
Рис. 20. Схема электрическая принципиальная модернизированной АС 35АС-012 (S-90) с применением головки динамической 6ГДШ-5-8

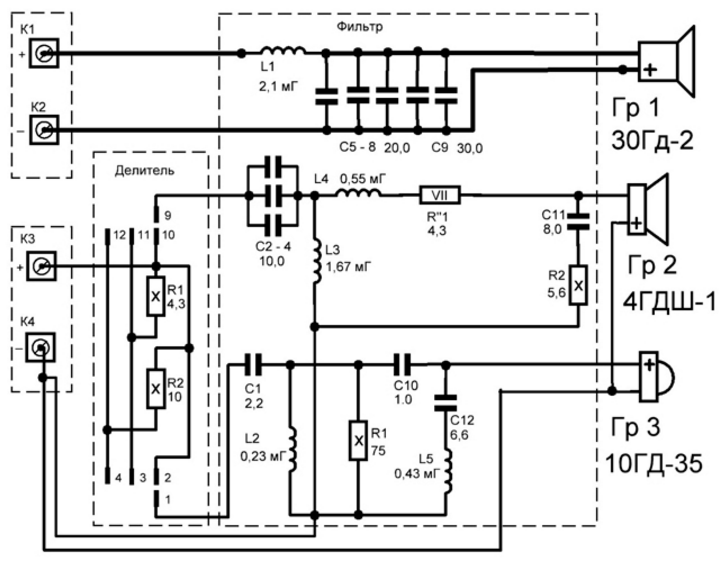
При установке динамика 5ГДШ-5-4 (6ГДШ-5-4) номинальным сопротивлением 4 Ома схему дополняют всего лишь одним элементом - резистором R''1 номиналом 4,3 Ом мощностью 7…10 Вт - рис. 21. Это обеспечит, как необходимое выравнивание по звуковому давлению излучателей, так и по сопротивлению. Напомню, что полосовой фильтр акустической системы 35АС-012 (S - 90)  рассчитан для подключения СЧ головки номинальным сопротивлением 8 Ом. 

Модернизация АС 35АС-012
Рис. 21. Схема электрическая принципиальная модернизированной АС 35АС-012 (S-90) с применением головками динамической 5ГДШ-5-4

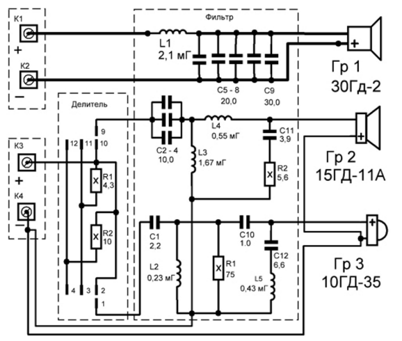
Реализовать подключение головки 4ГДШ-1 еще проще (исключив из схемы    элементы L'1 и C'2).  Формирование спада АЧХ 12 дБ на октаву происходит как результат взаимодействия передаточной характеристики фильтра первого порядка с крутизной ската 6 дБ на октаву (L4) и естественного спада в АЧХ головки 4ГДШ-1, рис. 22, вблизи полосы раздела [1]. Поэтому в полосовом фильтре нет необходимости применять фильтр НЧ 3-го порядка. Фильтра 1-го порядка на L4 вполне достаточно для обеспечения необходимого затухания. ВЧ головку 10Гд-35, в этом случае, включают в противофазе к СЧ - рис. 23.

Модернизация АС 35АС-012
Рис. 22. АЧХ звукового давления головки динамической 4ГДШ-1

Модернизация АС 35АС-012
Рис. 23. Схема электрическая принципиальная модернизированной АС 35АС-012 (S-90) с применением головки динамической 4ГДШ-1 (4ГД-8Е)

Минимально допустимая мощность PR, рассеваемая резистором R''1 рассчитывается по формуле: PR = Pд(R/Rд), где, Pд - паспортная мощность динамика; R - сопротивление резистора R''1; Rд - номинальное сопротивление динамика. Реальную мощность резистора подбирают в 1,5…2 раза больше расчетной. При монтаже резисторов  не следует затруднять отвод от них тепла [26].

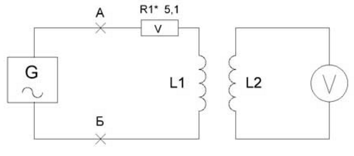
В разработке пассивных разделительных фильтров важную роль играет их конструкция, а также выбор типа конкретных элементов - катушек индуктивности, конденсаторов, резисторов. В частности, большое влияние на характеристики АС с фильтрами оказывает взаимное размещение катушек индуктивности. При неудачном расположении, вследствие взаимной связи, возможны наводки сигнала между близко расположенными катушками.

Связи катушек. Катушки индуктивности являются одним из важнейших компонентов пассивных разделительных фильтров.  В настоящее время многие зарубежные фирмы применяют катушки индуктивности на сердечниках из магнитных материалов, обеспечивающий большой динамический диапазон, низкий уровень нелинейных искажений и малых габаритов. Однако конструирование катушек с магнитными сердечниками связано с применением специальных материалов, поэтому многие разработчики применяют катушки с воздушным сердечником, основные недостатки которых - большие габариты при условии малых потерь (особенно в фильтре низкочастотного канала), а также большой расход меди; достоинства - пренебрежимо малые нелинейные искажения [1]. Конфигурация цилиндрической катушки с воздушным сердечником изображена на рис. 1.

Модернизация АС 35АС-012
Рис. 1. Конструкция цилиндрической катушки индуктивности с воздушным сердечником:  D - средний диаметр катушки;  d - внутренний диаметр катушки; b - высота намотки; h - ширина намотки; O - геометрический центр.

Вокруг катушки, через которую протекает переменный электрический ток, образуется переменное магнитное поле. Если рядом с такой катушкой установить еще одну катушку, то часть силовых линий магнитного поля  первой катушки попадут на витки второй катушки, пересекая их. Чем ближе катушки друг к другу, тем больше пересечений силовых линий с витками катушки. В результате на второй катушке индуцируется электродвижущая сила (ЭДС), то есть на выводах второй катушки появиться переменное напряжение. Связь близко расположенных катушек можно проследить с помощью доступных подручных устройств - генератора звуковой частоты и мультимера, используя схему на рис. 2.

Одну из катушек  (L1)  присоединяют к генератору, другую (L2) к мультимеру, включенного в режиме вольтметра.  В качестве генератора используют персональный компьютер с соответствующей программой  и усилитель НЧ.  Катушку L1 к усилителю следует подключать через резистор R1. Суммарное сопротивление резистора и катушки индуктивности должно соответствовать выходному сопротивлению усилителя. Генератор подает на катушку  L1 сигнал нужной частоты и амплитуды  (измеряют вольтметром в точках А, Б на схеме). Наводящуюся на катушке L2 ЭДС показывает мультимер. Величина показаний меняется в зависимости от удаленности катушек и их взаимного расположения. Если вместо мультимера подключить динамик, то ЭДС индукции катушки L2 можно еще и услышать. 

Модернизация АС 35АС-012
Рис. 2. Схема измерения ЭДС индукции катушки

Результаты тестирования при различных взаимных положениях катушек индуктивности L1 1,8 мГн подключенной к генератору, и катушки L2 0,43 мГн, подключенной к мультимеру, отображены в таблице 1. 

Таблица 1. Зависимость величины ЭДС индукции от взаимного расположения катушек

Параметры сигнала, подаваемого на катушку L1 Взаимное расположение цилиндрических катушек индуктивности с воздушным сердечником
1 2 3 4
Расстояние между катушками, см
0 1 5 10 0 1 5 10 0 1 5 10 0 1 5 10
U, В Частота, Гц ЭДС индукции катушки L2, мВ
10 100 550 250 50 12 85 47 10 4 25 11 3 0 4 0 0 0
500 1166 630 110 25 155 100 22 7 60 33 5 2 19 4 2 0
1000 1250 705 140 28 180 103 23 8 85 49 12 2 12 4 0 0
5000 1269 784 215 29 188 103 23 7 68 49 6 0 8 4 0 0
10000 1075 503 110 18 141 81 18 3 68 34 0 0 6 0 0 0

Как видно из таблицы, самым верным взаимным расположением катушек является позиция 4 - ортогонально цилиндрическими (боковыми) поверхностями. Немного худший результат показало размещение катушек в позиции 3 - взаимноперпендикулярное. В позиции 2 надлежит размещать катушки не ближе 100 мм, а в позиции 1 - более 100 мм. Следует заметить, что в позиции 3 измерения проводились при положении геометрического центра O  катушки I  на оси симметрии катушки II. При смещении центра с оси ЭДС значительно возрастает и достигает своего максимума, когда проекция центра катушки I находится на линии среднего диаметра D (рис. 1) катушки II. В остальных случаях увеличение ЭДС в результате смешений катушек не прослеживается, а наоборот - уменьшается.  Величина индуцированной ЭДС зависит от числа силовых линий, пересекаемых витки катушки.   

Исходя из полученных данных, проект платы будущего фильтра для акустической системы начинают с выбора взаимного расположения катушек индуктивности.  Если в фильтре две катушки, все просто, располагают в положении 4. Но если больше, 5, 6 катушек, необходимо подходить комплексно. Правильно подбирать не только взаимное положение катушек, но расстояния между ними. 

Платы. Реализация схемы фильтра модернизированной акустической системы 35АС-012 "S-90", приведенной на рис. 14 во второй части статьи, оказалась весьма затруднительной на родной фанерной плате из-за  недостатка места для новых компонентов. Поэтому изготавливают новую плату большего размера на фольгированом стеклотекстолите. Это позволит поместить  катушки индуктивности с минимальным взаимным влиянием, упорядочить монтаж  других компонентов, избавиться от большого количества соединительных проводов и перемычек, что, в свою очередь,  облегчит работы по подключению, обслуживанию и ремонту фильтра в будущем.

Наиболее подходящее в корпусе АС место для основания фильтра - внутренняя нижняя плоскость. На ней помещается плата размерами 205х195 мм.  Именно таких размеров вырезают заготовку для основной печатной платы - рис. 3,а. Конструкция имеет еще одну, дополнительную, плату, размерами 155х90 мм - рис. 3,б. На основной плате располагаются печатные проводники СЧ и ВЧ звеньев фильтра, на дополнительной - НЧ звена. Подготовку рисунка печатного монтажа выполняют на компьютере, оснащенном специальной программой Sprint-Layout. Каких-нибудь особых требований к плате не предъявляется: проводники должны быть максимально короткими и широкими; не допускают изгибов токопроводящих дорожек под прямым углом; элементы схемы с условным обозначением "общий провод" соединяют в одном месте. После ориентирования катушек, определяются с другими компонентами - конденсаторами, резисторами. Для удобства подключения фильтра предусматривают места и под ножевые клеммы. При проектировании в программе используют опцию двухсторонней печатной платы, т. е. на одном рисунке размещают проекты основной и дополнительной плат. Оба рисунки отдельно распечатывают на лазерном принтере на мелованной бумаге или глянцевой для принтерной фотопечати. Для основной платы рисунок должен быть в зеркальном изображении. 

На металлизированные стороны заготовок, предварительно отшлифованные наждачной бумагой нулевой зернистости, прикладывают рисунки и переводят с помощью утюга. После бумагу отмачивают. Платы готовы к травлению. Для травления площади в 100 см2  наиболее пригодный для бытовых условий раствор: 100 мл трехпроцентного раствора перекиси водорода, 50 - 75 г лимонной кислоты, 15 г поваренной соли. После травления удаляют принтерный тонер, сверлят отверстия, тщательно облуживают проводники.  Если есть возможность изготовить платы более прогрессивным способом, воспользуйтесь им.

Правильно изготовленные платы должны накладываться друг на друга, свободными от проводников поверхностями, как показано на рисунке 3,в. 

Модернизация АС 35АС-012
а)

Модернизация АС 35АС-012
б)

Модернизация АС 35АС-012
в)

Модернизация АС 35АС-012
г)

Модернизация АС 35АС-012
д)
Рис. 3. Печатные платы фильтра АС: а - основная; б - дополнительная; в - взаимное расположение; г - размещение элементов на основной плате; д - размещение элементов на дополнительной плате. Условные обозначения: Jmp1 - к контакту 9 делителя; Jmp2 - к отрицательному проводу СЧ головки; Jmp3 - к контакту 1 делителя; Jmp4 - к отрицательному проводу ВЧ головки; Jmp5 - к положительным проводам СЧ и ВЧ головок, отрицательной клемме К4; Jmp6 - к отрицательному проводу НЧ головки; Jmp7 - к положительной клемме К1; Jmp7 - к положительному проводу НЧ головки, отрицательной клемме К2; R'' - резистор включенный в точке А.

Монтаж. Катушки индуктивности (рис. 4) следует осмотреть и, по возможности, провести измерения индуктивности. При обнаружении плохой плотности намотки или большого несоответствия фактической величины индуктивности с заявленной, катушки перематывают. Конструкция каркасов катушек индуктивности СЧ, ВЧ звеньев имеет отверстие для крепления в центре одного из оснований. Винт или шуруп из магнитного материала, по сути, являющийся сердечником, увеличивает ее индуктивность на 2…3 мГн, а из немагнитного (латуни) - наоборот, снижает. Поэтому применение таких крепежных элементов дает положительный эффект, если  реальная величина индуктивности катушки на 2…3 мГн меньше (больше) указанной в схеме. А вообще не рекомендуется крепить такие катушки на металлические винты. Намоточные данные катушек индуктивности фильтра "S-90" от завода изготовителя приведены в таблице 2 [27]. 

Модернизация АС 35АС-012
Рис. 4. Катушки индуктивности фильтра АС.

Схема дополнена катушками номиналами 0,22 мГн и 0,43 мГн. Их рассчитывают исходя из размеров каркаса и толщины обмоточного провода. Для расчета катушек существует много программ. Из практики известно, не каждая программа дает верный результат. Следует наматывать на 5-10 витков больше расчетных. После чего заданный номинал катушки устанавливают отматыванием витков, подвергая ее измерениям. Измерять индуктивность с помощью приставок к мультимерам не желательно. В них не учитывается сопротивление катушки, как результат - большая погрешность в измерениях. Относительно точно рассчитать катушку можно с помощью компьютерной программы CoilCalc 1.02b.

Таблица 2. Намоточные данные катушек фильтров 35АС-012

Катушка Индуктивность, мГн Число витков Провод Внутренний диаметр намотки, мм Длина каждого слоя, мм
L1 2,1 235 ПЭВ-1 1,12 40 28
L2 0,23 145 ПЭВ-1 0,63 15 18.5
L3 1,67 350 ПЭВ-1 0,63 15 18.5
L4 0,55 215 ПЭВ-1 0,63 15 18.5

Конденсаторы и резисторы поддают измерениям их номиналов, поскольку они имеют некий допустимый разброс параметров. По результатам замеров их сортируют на близкие по характеристикам пары.  Каждую пару разбивают на две группы предельно подобранные по номиналам для одного и второго фильтра. Результирующие схемы двух фильтров должны быть максимально похожи друг на друга.

С выводов конденсаторов МГБО-2 отпаивают подводящие лепестки - рис. 5,а. Затем закрепляют их на основной плате. Сверху прикладывают дополнительную плату, продевая выводами через отверстия - рис. 5,б. Обе платы скрепляют резьбовыми шпильками или муфтами - рис. 5,в. Резьбовое соединение должно жестко соединять обе платы и обеспечивать зазор между ними 55,5 мм - расстояние от стеклянного изолятора конденсатора до его нижнего габарита.

Модернизация АС 35АС-012
а)

Модернизация АС 35АС-012
б)

Модернизация АС 35АС-012
в)
Рис. 5. Монтаж конденсаторов МБГО-2: а - отпаивание подводящего лепестка; б - размещение на плате; в - резьбовая шпилька.

Все конденсаторы для СЧ и ВЧ звеньев фильтра устанавливают лавсановые серии К73-16 рабочим напряжением 160 и 250 В. Стандартами предусмотрены определенные ряды значений номиналов радиоэлементов (конденсаторов, резисторов), не всегда совпадающие с указанными в схеме.  Конденсаторы К73-16 с рабочим напряжением 250В выпускаются наибольшей емкостью 10 мкФ, а рабочем напряжением 160В - 6,8 мкФ. Наиболее близкий к 4 мкФ - 3,9, к 6,6 мкФ - 6,8, и т. д. Поэтому, для набора необходимой емкости конденсаторы собирают в параллель. Например: 30 мкФ - три  по 10 мкФ; 6,6 мкФ - три по 2,2 мкФ; 4 мкФ - 2,2 мкФ и 1,8 мкФ. При параллельном соединении конденсаторов снижается такой важный параметр как эквивалентное последовательное сопротивление.

Резисторы серии ПЭВ заменяют на С5-16В или, еще лучше, на ОСС5-16В, предназначенные для работы в цепях постоянного, переменного, пульсирующего и импульсного тока напряжением до 300В, или несколькими параллельно или последовательно включенными пленочными (металлоокисными). Количество резисторов подбирают исходя из необходимой мощности рассеивания. Например, мощность рассеивания резистора R1 на 75 Ом определяют по формуле: Рр=U2/R, где Рр - мощность рассеивания резистора, U - подводимое напряжение, R - сопротивление резистора, 112/75 = 1,61 Вт. Рекомендуется устанавливать резисторы мощность в 1,5…2 раза выше расчетной. Поскольку звуковой сигнал носит импульсный характер, резистора мощностью на 2 Вт вполне достаточно. К примеру, в акустической системе 35АС-212 "S-90" установлен резистор R1 типа ОМЛТ номиналом 100 Ом и мощностью 2 Вт. Пленочные резисторы имеют гораздо меньшую паразитную индуктивность, сравнительно с ПЭВ и С5-16В, и более пригодны для применения в звуковых цепях. А если применять несколько параллельно включенных резисторов, паразитная индуктивность снижается в столько раз, сколько установлено резисторов. 

Элементы кроссовера работают в условиях воздействий вибраций и повышенного звукового давления. Во избежание возникновения призвуков, или еще хуже, отслаивания токопроводящих элементов платы, обламывания выводов массивных деталей, рекомендуется укреплять их на плате с помощью герметики, клея (силиконовый, акриловый), стяжек и т. п.  После сборки плату (рис. 6) осматривают, проверяют, винтовые соединения и дорожки покрывают цапон-лаком. Фильтр  устанавливают на предусмотренное место в корпусе АС. Монтажные провода закрепляют стяжками.

Модернизация АС 35АС-012
Рис. 6. Фильтр акустической системы 35АС-012 "S-90"

Литература

  1. Алдошина И. Высококачественные акустические системы и излучатели, М.: Радио и связь, 1985.
  2. Эфрусси М. М. Громкоговорители и их применение - М.: Энергия, 1976. - 64 - 66 с.
  3. Молодая Н. Акустическое демпфирование громкоговорителей. Радио, № 4, 1969.
  4. Сысоев Н. Улучшение звучания 35АС-012 (S-90). Радио, № 10,1989.
  5. Бурко В. Бытовые акустические системы. Эксплуатация, ремонт - Минск: "Беларусь", 1986.
  6. Маслов А. Еще раз о переделке громкоговорителя 35АС-212 (S- 90). -   Радио, 1985. № 1, С. 59.
  7. Попов П. повышения качества звучания громкоговорителей - Радио, № 6, 1983.
  8. Шоров В. Улучшение звучания громкоговорителя 25АС-309 - Радио, № 4, 1985.
  9. Горшенин Д. Сравнение конденсаторов в кроссовере АС. Радио, №№ 8, 9, 10, 2009.
  10. Кунафин Р. И снова 35АС... - Радио, 1995, 5, с. 19, 20.
  11. Афонин С. Создание акустических систем в домашних условиях - М.: Эксмо, 2008.
  12.  Быструшкин К. Акустика, с которой мы живем. "Stereo & Video" N 11 1997.
  13.  Петров А.  Звуковая схемотехника для радиолюбителей, Санкт - Петербург: Наука и Техника, 2003 год.
  14.  Бранс Дж. Электронное конструирование: методы борьбы с помехами, М.: "Мир", 1990.
  15.  Сапожков М. А. Акустика: справочник - М.: Радио и связь, 1989.
  16. Лескины Валентин и Виктор. Однополосный или многополосный? - Радио №4. 1981. 
  17. Сапожков М. Акустика. Учебник для вузов. М., "Связь", 1978.
  18. Жагирновский М. Улучшения звучания 35АС-1 и ее модификаций - Радио № 8, 1987.
  19. Передереев И. Доработка 35АС-015 на основе лестничного фильтра - Радио №4, 1990.
  20. Грудинин А. Динамические головки - Stereo&Video, №2, 2005.
  21. Бать С. Любительские громкоговорители - 3 - М.: Техносфера, 2008.
  22. aie.sp.ru/Calculator_inductance_coil.html 
  23. Петров А. Усилители, громкоговорители, кабели. - Радиоаматор № 7, 2001.
  24. dpva.info/Guide/GuideTricks/Corrosion/CorrosionForElectrics/
  25. Зызюк А. О ремонте акустических систем и громкоговорителей - РадиоАматор №6, 2003.
  26. baseacoustica.ru/izgotovlenie/31-izgotovlenie-kolonok/161-metodika-sozdanija-akusticheskih-sistem-chast-4.html
  27. Ласис Д. 35АС-013. Радио № 3 1985, №7, 1986.
  28. Николаенко М. Настольная книга радиолюбителя конструктора. - М: ДМК Пресс, 2004.

Автор: В. Марченко

Смотрите другие статьи раздела Аудиотехника.

Читайте и пишите полезные комментарии к этой статье.

<< Назад

Последние новости науки и техники, новинки электроники:

Оптимальная продолжительность сна 12.11.2025

Сон играет ключевую роль в поддержании здоровья, когнитивных функций и общего самочувствия. Несмотря на широко распространенный стереотип о восьмичасовом сне, последние исследования показывают, что оптимальная продолжительность сна для большинства здоровых взрослых ближе к семи часам. Эволюционный биолог из Гарварда, Дэниел Э. Либерман, утверждает, что традиционная норма восьми часов сна - это скорее культурное наследие индустриальной эпохи, чем биологическая необходимость. По его словам, полевые исследования, проведенные в сообществах, не использующих электричество, показывают, что средняя продолжительность сна составляет 6-7 часов, что значительно отличается от общепринятого стандарта. Современные эпидемиологические данные подтверждают этот взгляд. Исследования выявили так называемую "U-образную кривую" зависимости между продолжительностью сна и рисками для здоровья. Минимальные показатели заболеваемости и смертности наблюдаются именно у людей, спящих около семи часов в сутки. ...>>

Дефицит кислорода усиливает выброс закиси азота 12.11.2025

Парниковые газы играют ключевую роль в изменении климата, а закись азота (N2O) - один из наиболее опасных среди них. Этот газ не только втрое сильнее углекислого газа в удержании тепла, но и разрушает озоновый слой. Недавнее исследование американских ученых показало, что микробы в зонах с низким содержанием кислорода активно производят N2O, усиливая глобальные климатические риски. Команда из Университета Пенсильвании изучала прибрежные воды у Сан-Диего и провела наблюдения на глубинах от 40 до 120 метров в Восточной тропической северной части Тихого океана - одной из крупнейших зон дефицита кислорода. Исследователи сосредоточились на том, как морские микроорганизмы превращают нитраты в закись азота. В ходе работы выяснилось, что существует два пути образования N2O. Один путь начинается с нитрата, другой - с нитрита. На первый взгляд более короткий путь должен быть эффективнее, однако микробы, использующие нитрат, продуцируют больше газа, поскольку этот "сырьевой" источник более д ...>>

Омега-3 помогают молодым кораллам выживать 11.11.2025

Сохранение коралловых рифов становится все более актуальной задачей в условиях глобального изменения климата. Молодые кораллы особенно уязвимы на ранних стадиях развития, когда стрессовые условия и нехватка питательных веществ могут привести к высокой смертности. Недавнее исследование ученых из Технологического университета Сиднея показывает, что специальные пищевые добавки способны существенно повысить выживаемость личинок кораллов. В ходе работы исследователи разработали особый состав "детского питания" для коралловых личинок. В него вошли масла, богатые омега-3 жирными кислотами, а также важные стерины, необходимые для формирования клеточных мембран. Личинки, получавшие эти добавки, развивались быстрее, становились крепче и демонстрировали более высокую устойчивость к стрессовым факторам. Особое внимание ученые уделили липидам. Анализ показал, что личинки активно усваивают эти вещества, что напрямую влияет на их жизнеспособность. Стерины, содержащиеся в корме, повышают устойчи ...>>

Случайная новость из Архива

Молоко тасманийского дьявола содержит мощные антибиотики 25.10.2016

Ученые из Сиднейского университета (Австралия) синтезировали белок, имитирующий белок молока тасманийского дьявола, обладающий свойствами антибиотика. При этом вещество активно даже против бактерий, обладающих резистентностью к традиционным антибиотикам.

Исследование показало, что вещество справляется с такими возбудителями опасных инфекций как золотистый стафилококк и энтерококк. Этот протеин, структуру которого ученые "подсмотрели" у австралийского сумчатого, получил название кателисидин.

Интерес к тасманийскому дьяволу вызван тем, что эти животные успешно вынашивают детенышей в сумках, несмотря на небезопасную среду со множеством бактерий. Так как иммунная система этих животных достаточно примитивна, искать ответ ученые начали в другом направлении. И нашли его, изучая характеристики молока самки тасманийского дьявола. Оказалось, что особый белок, найденный в молоке, отсутствует у других млекопитающих или присутствует, но в незначительных количествах.

Авторы исследования надеются, что их открытие позволит создать новые лекарственные средства, эффективные против так называемых супербактерий, не реагирующих на существующие антибиотики. Проблема резистентности к антибиотикам стремительно усугубляется в последние десятилетия, от болезней, вызываемых такими бактериями, по оценкам ВОЗ, погибает около 700 тысяч больных в год, и эта цифра постоянно растет.

Другие интересные новости:

▪ Видеокарта ASUS ROG Matrix GeForce RTX 2080 Ti

▪ Яичник напечатали на 3D-принтере

▪ Тонкие плазменные излучатели: революция в шумоподавлении

▪ Линии электропередач мешают пчелам

▪ Пение может увеличить продолжительность жизни

Лента новостей науки и техники, новинок электроники

 

Интересные материалы Бесплатной технической библиотеки:

▪ раздел сайта Микроконтроллеры. Подборка статей

▪ статья Бокс для подводной видеосъемки. Искусство видео

▪ статья Что такое полное обследование? Подробный ответ

▪ статья Охрана труда в образовательных учреждениях

▪ статья Управление модулем Ke-USB24A из Excel. Энциклопедия радиоэлектроники и электротехники

▪ статья Цветы, меняющие свою окраску. Секрет фокуса

Оставьте свой комментарий к этой статье:

Имя:


E-mail (не обязательно):


Комментарий:




Комментарии к статье:

Александр
Уважаемый автор, здравствуйте! У меня S90 с 1982 года, мною нынче установлено, при сборке АС допущены 2 тех. ошибки. СЧ динамик не дышит, потому как с низу герметично закрыт колпаком. Между колпаком и динамиком установить 4 втулочки ,высотой 5 мм. По сути приподнять динамик над колпаком на 5 мм. У СЧ динамика появится свободный ход (без компрессии). С ВЧ динамика снять стальную сеточку,она влияет на магнитное поле динамика и декоративный пластик тоже. Все так просто, S90 запели идеально! Спасибо конструкторам, придумавшим такое чудо! Вы такой молодец, столько труда вложили в модернизацию! Мне уже 68 лет, люблю разгадывать подобные загадки! У меня Барк 001, с Харькова с завода взял в 1982.

Аркадий Богданович
Полезная статья.


Главная страница | Библиотека | Статьи | Карта сайта | Отзывы о сайте

www.diagram.com.ua

www.diagram.com.ua
2000-2025