Menu Home

Бесплатная техническая библиотека для любителей и профессионалов Бесплатная техническая библиотека


Антенные усилители SWA. Энциклопедия радиоэлектроники и электротехники

Бесплатная техническая библиотека

Энциклопедия радиоэлектроники и электротехники / Телевидение

Комментарии к статье Комментарии к статье

В публикуемой здесь статье наш постоянный автор анализирует схемотехнику антенных усилителей польского производства и обосновывает свой осознанный подход к их выбору с точки зрения коэффициентов шума и усиления. Он также дает рекомендации по ремонту таких устройств, довольно часто выходящих из строя от грозовых разрядов, и устранению самовозбуждения. Это позволит/ надеемся, многим радиолюбителям не только выбрать необходимый усилитель, но и улучшить его работу.

Активные антенны польской фирмы ANPREL и некоторых других получили широкое распространение в России и странах СНГ. При незначительном собственном усилении, особенно в диапазоне MB, параметры такой антенны во многом определяются установленным на ней антенным усилителем. Именно этому блоку свойственен ряд недостатков: он склонен к самовозбуждению, имеет довольно высокий уровень собственных шумов, легко перегружается мощными сигналами диапазона MB, часто повреждается грозовыми разрядами. Эти проблемы знакомы многим владельцам таких антенн.

Вопросы эксплуатации антенных усилителей SWA и аналогичных крайне мало освещены в литературе. Можно отметить лишь публикацию [1], где указано на перегрузку усилителя сигналами MB. С остальными недостатками владельцам антенн приходится бороться известным способом: заменяя усилители, выбрать лучший. Однако такой метод требует много времени и сил, поскольку усилитель, как правило, труднодоступен - расположен вместе с антенной на высокой мачте.

Основываясь на анализе схемотехники, собственном опыте и некоторых материалах фирмы ANPREL, предлагаю более осознанный подход к выбору усилителей, а также способ ремонта, позволяющий восстановить поврежденный блок, а в ряде случаев и улучшить его параметры.

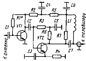
Рынок заполнен множеством взаимозаменяемых моделей антенных усилителей, выпускаемых фирмами ANPREL, TELTAD и др. под разными торговыми марками и номерами. Несмотря на такое разнообразие, большинство из них собраны по стандартной схеме и представляют собой двухкаскадный апериодический усилитель на биполярных транзисторах СВЧ, включенных по схеме с ОЭ. В подтверждение этому рассмотрим модели разных фирм: простой усилитель SWA-36 фирмы TELTAD, принципиальная схема которого показана на рис. 1, и распространенный усилитель SWA-49 (аналог SWA-9) фирмы ANPREL - рис.2.

Антенные усилители SWAАнтенные усилители SWA
Рис.1-2

Усилитель SWA-36 содержит два широкополосных каскада усиления на транзисторах VT1 и VT2. Сигнал с антенны через согласующий трансформатор (на схеме не показан) и конденсатор С1 поступает на базу транзистора VT1, включенного по схеме с ОЭ. Рабочая точка транзистора задана напряжением смещения, определяемым резистором R1. Действующая при этом отрицательная обратная связь (ООС) по напряжению линеаризует характеристику первого каскада, стабилизирует положение рабочей точки, но уменьшает немного его усиление. Частотная коррекция в первом каскаде отсутствует.

Второй каскад также выполнен на транзисторе по схеме с ОЭ и с ООС по напряжению через резисторы R2 и R3, но имеет еще и токовую ООС через резистор R4 в эмиттерной цепи, жестко стабилизирующую режим транзистора VT2. Во избежание большой потери усиления резистор R4 зашунтирован по переменному току конденсатором C3, емкость которого выбрана относительно малой (10 пФ). В результате на нижних частотах диапазона емкостное сопротивление конденсатора C3 оказывается существенным и возникающая ООС по переменному току уменьшает усиление, корректируя тем самым АЧХ усилителя.

К недостаткам усилителя SWA-36 можно отнести пассивные потери в выходной цепи на резисторе R5, который включен так, что на нем падает как постоянное напряжение питания, так и напряжение сигнала.

Аналогично построен и усилитель SWA-49 (рис. 2), который также имеет два каскада, собранных по схеме с ОЭ. Он отличается от SWA-36 лучшей развязкой по цепям питания через Г-образные фильтры L1C6, R5C4 и повышенным коэффициентом усиления за счет наличия конденсатора С5 в цепи ООС (R3C5R6) второго каскада и переходного конденсатора С7 на выходе.

Подобная схемотехника присуща большинству других усилителей SWA (см., например, схему усилителя SWA-3, изображенную в [1]). Незначительные отличия чаще всего находятся во втором каскаде, который может быть снабжен разными цепями частотной коррекции, иметь различную глубину ООС и,соответственно коэффициент усиления. У отдельных моделей, например SWA-7, первый и второй каскады имеют непосредственную связь - вывод коллектора транзистора VT1 соединен прямо с выводом базы транзистора VT2. Это позволяет охватить оба каскада петлей ООС по постоянному току и улучшить тем самым термостабильность усилителя.

В каскадах на транзисторах, включенных по схеме с ОЭ, наиболее велико влияние внутренних связей и емкостей переходов транзисторов. Оно проявляется в ограничении полосы пропускания и склонности усилителя к самовозбуждению, вероятность которого тем больше, чем выше коэффициент усиления. Для его оценки известно понятие порога устойчивости - предельного значения коэффициента усиления, при превышении которого усилитель превращается в генератор. Многие антенные усилители SWA с большим усилением работают у порога устойчивости, чем объясняется их нередкое самовозбуждение.

В качестве мер повышения устойчивости усилителей фирма ANPREL применяет разную топологию печатных плат (влияющую на емкость монтажа), поверхностные и объемные катушки, дроссели и т. п. Более радикальный способ: включение транзисторов по каскодной схеме с ОЭ-ОБ - почему-то не используется. При неизменной схеме включения транзисторов с ОЭ-ОЭ для решения проблемы устойчивости фирма предпочитает выпускать регулируемые блоки питания. Уменьшением его напряжения удается устранить самовозбуждение усилителя при сохранении достаточного усиления.

Основные параметры (коэффициент шума Kш и коэффициент усиления Ку) базовых моделей усилителей SWA по каталогу фирмы ANPREL указаны в табл. 1.

Рассмотрим взаимосвязь основных параметров со схемотехникой усилителей и их влияние на качество приема.

Как известно, коэффициент усиления на высоких частотах в каскадах с ОЭ критичен к параметрам используемых транзисторов, особенно к граничной частоте frp. В усилителях SWA применены биполярные СВЧ транзисторы структуры n-p-n, маркированные как Т-67, реже - 415, которые и определяют максимально достижимый коэффициент усиления Ку двухкаскадного усилителя около 40 дБ. Разумеется, в столь широкой рабочей полосе частот коэффициент усиления не остается постоянным - его изменения достигают 10... 15 дБ вследствие неравномерности АЧХ на высших частотах диапазона и коррекции на низших. При максимальных значениях коэффициента усиления Ку трудно обеспечить устойчивость усилителей, поэтому в ряде моделей он ограничен значениями до 10...30дБ, что во многих случаях вполне достаточно (см. табл. 1).

Антенные усилители SWA

Вопреки распространенному мнению, следует отметить, что коэффициент усиления нельзя считать главным параметром антенного усилителя. Ведь сами телевизоры обладают весьма большим запасом собственного усиления, т. е. Имеют высокую чувствительность, ограниченную усилением. Несколько хуже у них чувствительность, ограниченная синхронизацией. И наконец, наиболее низкая - чувствительность, ограниченная шумами [2]. Следовательно, фактором, определяющим дальний прием, следует принять уровень собственных шумов электронного тракта, а не коэффициент усиления. Другими словами, ограничение возможности приема в первую очередь наступает из-за влияния шумовых помех, а не из-за недостатка усиления сигнала.

Влияние шума оценивают по отношению сигнал/шум, минимальное значение которого принято равным 20 [2]. При этом отношении и определяют чувствительность, ограниченную шумами, которая равна напряжению входного сигнала, в 20 раз большему напряжения собственных шумов.

Для телевизоров третьего-пятого поколений чувствительность, ограниченная шумами, равна 50... 100 мкВ. Однако при отношении сигнал/шум, равном 20, наблюдаются очень плохие качество изображения и разборчивость только крупных деталей. Для получения изображения хорошего качества следует подать на вход телевизора полезный сигнал, примерно в 5 раз больший, т. е. обеспечить отношение сигнал/шум около 100 [2].

Антенный усилитель должен увеличивать отношение сигнал/шум, а для этого следует усиливать сигнал, а не шум. Но любой электронный усилитель неизбежно имеет собственные шумы, которые усиливаются вместе с полезным сигналом и ухудшают отношение сигнал/шум. Поэтому важнейшим параметром антенного усилителя следует считать его коэффициент шума Кш. Если он недостаточно мал, то повышение коэффициента усиления бесполезно, так как и сигнал, и шум усиливаются в равной мере и их отношение не улучшается. В результате даже при достаточном уровне сигнала на антенном входе телевизора изображение будет поражено интенсивной шумовой помехой (хорошо известный всем "снег").

Для единой оценки шумов многокаскадного тракта существует показатель приведенного к входу коэффициента шума Кш, который равен уровню шума на выходе, поделенному на общий коэффициент усиления, т. е. Кш=Кш.вых/Ку. Так как выходной уровень шума Кш.вых зависит в наибольшей степени от уровня шума первого транзистора, усиливаемого всеми последующими каскадами, шумами остальных каскадов можно пренебречь. Тогда Кш.вых=Кш1Ку, где Кш, - коэффициент шума первого транзистора. Следовательно, получим Кш=Кш1, т. е. приведенный коэффициент шума усилительного тракта не зависит от числа каскадов и общего коэффициента усиления, а равен только коэффициенту шума первого транзистора.

Отсюда вытекает важный практический вывод - применение антенного усилителя может дать положительный результат тогда, когда коэффициент шума первого транзистора усилителя меньше коэффициента шума первого каскада телевизора. В селекторах каналов телевизоров пятого поколения применен полевой транзистор КП327А с коэффициентом шума 4,5 дБ на частоте 800 МГц [З]. Следовательно, в первом каскаде антенного усилителя должен работать транзистор с Кш1<4,5 дБ на той же частоте. Причем, чем меньше это значение по сравнению с коэффициентом Кш1 телевизора, тем эффективнее применение усилителя и тем выше качество приема.

Коэффициент шума зависит также от качества согласования на входе усилителя и режима работы первого транзистора. Для усилителей SWA тип транзистора VT1, режим его работы и качество согласования определяет приведенный коэффициент Кш= 1,7...3,1 дБ (см. табл. 1).

Из изложенного выше ясно, что выбор антенного усилителя по принципу - чем больше коэффициент усиления, тем лучше - неверен. Именно поэтому многие владельцы, меняя усилители, не могут добиться хорошего результата. Причина такого парадоксального, на первый взгляд, факта заключается в том, что коэффициент шума, как правило, неизвестен (его нет в торговой информации фирм), а на самом деле он лишь незначительно отличается у многих моделей с разным усилением (см. табл. 1). Увеличение же коэффициента усиления при неизменном коэффициенте шума не дает выигрыша в отношении сигнал/шум и, следовательно, улучшения качества приема. Редкий успех достигается только тогда, когда случайно попадается малошумящий усилитель.

Следовательно, при выборе антенного усилителя ориентироваться нужно в первую очередь на минимальный уровень шума. Вполне хорошим можно считать усилитель с Кш<2 дБ. Из табл. 1 лучшими можно считать модели SWA-7, SWA-9, имеющие Кш=1,7 дБ. Информацию о коэффициенте шума новых усилителей можно найти в каталогах фирмы ANPREL или в сети Интернет.

Что же касается коэффициента усиления, то он, разумеется, тоже имеет значение, но не для максимального усиления слабых сигналов, а, в первую очередь, для компенсации потерь в соединительном кабеле, согласующе-разветвляющих устройствах и т. п. Из-за этих потерь при недостаточном усилении уровень сигнала на входе телевизора может упасть ниже порога чувствительности, ограниченной синхронизацией или даже усилением, что сделает прием невозможным. Поэтому для правильного выбора коэффициента усиления необходимо знать затухание сигнала во всем соединительном тракте. А его ориентировочное значение несложно рассчитать.

Погонное затухание сигнала в распространенном кабеле марки РК-75-4-11 равно 0,07 дБ/м на первом-пятом, 0,13дБ/м на шестом-двенадцатом и 0,25...0,37 дБ/м на 21-60-м телевизионных каналах [2]. При длине фидера 50 м ослабление на 21-60-м каналах составит 12,5...17,5 дБ. Если установлен промышленный пассивный разветвитель, он вносит дополнительные потери на каждом своем выходе, значение которых, как правило, указано на корпусе.

Рассчитав затухание в кабеле и прибавив к нему ослабление в разветвителе (если он есть), получают минимальный коэффициент усиления антенного усилителя. К нему прибавляют запас в 12...14 дБ для усиления слабых сигналов, что необходимо из-за низкой эффективности широкополосных малогабаритных приемных антенн. По полученному значению Ку выбирают антенный усилитель. Намного превышать полученное значение коэффициента усиления не следует, так как это увеличивает вероятность самовозбуждения и перегрузки мощными сигналами близко расположенных станций.

Ремонт антенных усилителей в основном сводится к замене активных элементов, поврежденных грозовыми разрядами. Следует отметить, что наличие в некоторых моделях диода на входе не гарантирует полной молниезащиты: при мощном атмосферном разряде пробиваются как защитный диод, так и, как правило, оба транзистора.

Антенные усилители SWA собраны по технологии автоматической поверхностной сборки на микроэлементах, что требует аккуратности при ремонте. Пайку следует выполнять малогабаритным паяльником с остро заточенным жалом. В неработающем усилителе следует осторожно, стараясь не повредить тонкие печатные проводники, выпаять микротранзисторы VT1, VT2 и защитный диод (если он есть).

Основные параметры отечественных транзисторов, пригодных для установки в усилители SWA, указаны в табл. 2 [З]. Из нее следует, что использование в первом каскаде транзисторов КТ391А-2, КТ3101А-2, КТ3115А-2, КТ3115Б-2, КТ3115В-2 шумовые характеристики большинства моделей усилителей не ухудшает, а применение транзисторов 2Т3124А-2, 2Т3124Б-2, 2Т3124В-2, КТ3132А-2 снижает Кш до 1,5 дБ, что улучшает параметры усилителя. Это обстоятельство позволяет рекомендовать замену первого транзистора усилителя на указанные последними даже в исправных, но "шумящих" усилителях с целью повышения качества их работы. Необходимо отметить, что в табл. 2 даны предельные значения, типовые же параметры, как правило, лучше [З].

Антенные усилители SWA

Малошумящие СВЧ транзисторы серий 2Т3124, КТ3132 относительно дороги и слаботочны, поэтому их лучше устанавливать только в первый каскад, а во втором использовать более дешевые и мощные транзисторы КТ391А-2, КТ3101А-2 (см. табл. 2) и даже серий КТ371, КТ372, КТ382,КТ399 и другие с граничной частотой около 2 ГГц [З]. Однако в последнем случае будет немного меньше коэффициент усиления на верхних частотах диапазона.

Размеры корпуса импортных микротранзисторов равны 1,2х2,8 мм при длине выводов 1...1.5 мм. Соответственно и расстояния на плате между печатными площадками для выводов транзисторов малы. Установка отечественных транзисторов с диаметром корпуса 2 мм со стороны поверхностного монтажа, хотя и возможна, но затруднительна: при пайке их можно повредить. Новые транзисторы лучше установить с противоположной стороны платы, просверлив предварительно отверстия для выводов сверлом диаметром 0,5...0,8 мм. Лучше сверлить не в самом печатном проводнике, а так, чтобы отверстие касалось края площадки. Если со стороны, противоположной поверхностному монтажу, имеется слой фольги, то отверстия в нем следует раз-зенковать сверлом диаметром 2...2,5 мм (кроме отверстия для вывода эмиттера транзистора VT1).

Затем устанавливают новые транзисторы так, чтобы кристаллодержатель или корпус прибора касался платы. Если выводы значительно выступают с другой стороны, после пайки их следует откусить. СВЧ транзисторы чувствительны к статическому электричеству, поэтому при пайке следует соблюдать соответствующие меры защиты. Время пайки - не более 3 с [З].

Защитный диод можно не устанавливать. Лучшей защитой от атмосферного электричества служит хорошее заземление антенны.

В усилителях SWA оба транзистора работают с коллекторным током 10...12 мА. После замены такой ток приемлем для второго транзистора (например, КТ3101А-2), но превышает постоянно допустимый для первого, если установлены транзисторы серий КТ3115, КТ3124 и КТ3132А-2 (см. табл. 2). Коллекторный ток зависит от параметра h21э, по которому транзисторы имеют значительный разброс. Поэтому после монтажа конкретного экземпляра необходимо установить рабочую точку транзистора VT1. Для этого выпаивают микрорезистор R1 и вместо него временно подключают подстроечный резистор (СПЗ-23, СПЗ-27 и т. п.) сопротивлением 68...100 кОм. Перед включением питания движок резистора должен находиться в положении максимального сопротивления, чтобы не повредить транзистор.

На усилитель подают напряжение 12 8 от блока питания и измеряют падение напряжения на резисторе R2 (см. рис. 1 и 2). Поделив измеренное напряжение на сопротивление резистора R2, узнают коллекторный ток. Регулируя сопротивление подстроечного резистора в сторону уменьшения, добиваются коллекторного тока около 5 мА, что соответствует минимуму шумов по характеристике транзисторов [З]. На этом настройку заканчивают и вместо подстроечного резистора впаивают постоянный такого же сопротивления (МЛТ-0,125 или импортный), укоротив предварительно до минимума его выводы.

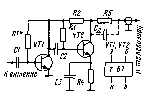
После этого покрывают печатную плату и бескорпусные транзисторы слоем радиотехнического лака или компаунда. Внешний вид восстановленного усилителя SWA-36 показан на рис. 3. В нем использованы транзисторы (рис. 3,а) 2Т3124Б-2 (VT1) и КТ3101А-2 (VT2). В связи с простейшей конструкцией усилителя приняты меры по устранению самовозбуждения: на вывод коллектора транзистора VT1 надето ферритовое микрокольцо (его применяют в селекторах каналов СК-М телевизоров ЗУСЦТ и 4УСЦТ). Коллекторный ток транзистора VT1 задан резистором R1 (рис. 3,6) номиналом 51 кОм (было 33 кОм).

Антенные усилители SWA. Внешний вид усилителей
Рис.3

Во втором каскаде были опробованы транзисторы серий КТ372, КТ399, с которыми сохранялись устойчивость и достаточный коэффициент усиления. При этом была проверена возможность установки дополнительного конденсатора Сд емкостью 150 пФ (рис. 3,6), шунтирующего резистор R5 (см. рис. 1), для увеличения коэффициента усиления. При установке конденсатора самовозбуждение усилителя устраняют понижением напряжения питания.

В основном варианте (с транзисторами 2Т3124Б-2 и КТ3101А-2) усилитель обеспечил лучшее, чем до ремонта, качество приема, которое визуально оценено примерно одинаковым приему с новым усилителем SWA-9.

Литература

  1. Тужилин С. Усилитель ДМВ из широкополосного. - Радио,1997, N 7,с.15.
  2. Никитин В. Советы любителям дальнего приема телевидения. Сб.: "В помощь радиолюбителю", вып. 103. - М.: ДОСААФ, 1989.
  3. Полупроводниковые приборы. Транзисторы малой мощности. Справочник. Под ред. А. В. Голомедова. - М.: Радио и связь, 1989.

Автор: А.Пахомов, г.Зерноград Ростовской обл.; Публикация: Н. Большаков, rf.atnn.ru

Смотрите другие статьи раздела Телевидение.

Читайте и пишите полезные комментарии к этой статье.

<< Назад

Последние новости науки и техники, новинки электроники:

Оптимальная продолжительность сна 12.11.2025

Сон играет ключевую роль в поддержании здоровья, когнитивных функций и общего самочувствия. Несмотря на широко распространенный стереотип о восьмичасовом сне, последние исследования показывают, что оптимальная продолжительность сна для большинства здоровых взрослых ближе к семи часам. Эволюционный биолог из Гарварда, Дэниел Э. Либерман, утверждает, что традиционная норма восьми часов сна - это скорее культурное наследие индустриальной эпохи, чем биологическая необходимость. По его словам, полевые исследования, проведенные в сообществах, не использующих электричество, показывают, что средняя продолжительность сна составляет 6-7 часов, что значительно отличается от общепринятого стандарта. Современные эпидемиологические данные подтверждают этот взгляд. Исследования выявили так называемую "U-образную кривую" зависимости между продолжительностью сна и рисками для здоровья. Минимальные показатели заболеваемости и смертности наблюдаются именно у людей, спящих около семи часов в сутки. ...>>

Дефицит кислорода усиливает выброс закиси азота 12.11.2025

Парниковые газы играют ключевую роль в изменении климата, а закись азота (N2O) - один из наиболее опасных среди них. Этот газ не только втрое сильнее углекислого газа в удержании тепла, но и разрушает озоновый слой. Недавнее исследование американских ученых показало, что микробы в зонах с низким содержанием кислорода активно производят N2O, усиливая глобальные климатические риски. Команда из Университета Пенсильвании изучала прибрежные воды у Сан-Диего и провела наблюдения на глубинах от 40 до 120 метров в Восточной тропической северной части Тихого океана - одной из крупнейших зон дефицита кислорода. Исследователи сосредоточились на том, как морские микроорганизмы превращают нитраты в закись азота. В ходе работы выяснилось, что существует два пути образования N2O. Один путь начинается с нитрата, другой - с нитрита. На первый взгляд более короткий путь должен быть эффективнее, однако микробы, использующие нитрат, продуцируют больше газа, поскольку этот "сырьевой" источник более д ...>>

Омега-3 помогают молодым кораллам выживать 11.11.2025

Сохранение коралловых рифов становится все более актуальной задачей в условиях глобального изменения климата. Молодые кораллы особенно уязвимы на ранних стадиях развития, когда стрессовые условия и нехватка питательных веществ могут привести к высокой смертности. Недавнее исследование ученых из Технологического университета Сиднея показывает, что специальные пищевые добавки способны существенно повысить выживаемость личинок кораллов. В ходе работы исследователи разработали особый состав "детского питания" для коралловых личинок. В него вошли масла, богатые омега-3 жирными кислотами, а также важные стерины, необходимые для формирования клеточных мембран. Личинки, получавшие эти добавки, развивались быстрее, становились крепче и демонстрировали более высокую устойчивость к стрессовым факторам. Особое внимание ученые уделили липидам. Анализ показал, что личинки активно усваивают эти вещества, что напрямую влияет на их жизнеспособность. Стерины, содержащиеся в корме, повышают устойчи ...>>

Случайная новость из Архива

Полноцветный микродисплей разрешением OLED WUXGA 07.11.2021

Компания eMagin, специализирующаяся на разработке, проектировании и производстве активноматричных микродисплеев OLED высокого разрешения для гарнитур AR и VR и других применений, когда дисплей расположен близко к глазам, представила прототип разрешением WUXGA (1920 х 1200 пикселей). В нем используется технология Direct Patterning Display (dPd), позволившая получить рекордно высокую яркость 10 000 кд/м2. По словам производителя, это самый яркий в мире полноцветный микродисплей OLED высокого разрешения.

"Это исторический момент для eMagin и отрасли, и это наше самое большое достижение на сегодняшний день в развитии нашей собственной технологии dPd, - так охарактеризовал прототип генеральный директор eMagin Эндрю Г. Скалли (Andrew G. Sculley). - Применяя прямое формирование структур к дисплеям WUXGA, мы достигли максимальной яркости более 10 000 кд/м2 и насыщенные цвета RGB. Это 20-кратное улучшение по сравнению с нашими стандартными микродисплеями XL на белых OLED с цветным фильтром и с в три-четыре раза больше, чем у наших новых микродисплеев XLE, и мы считаем, что это самый яркий полноцветный микродисплей OLED высокого разрешения в мире. Мы работаем с компанией-заказчиком первого эшелона над этой разработкой, включая поиск путей производства в промышленных масштабах.

На иллюстрации слева показано строение микродисплея на белых OLED с цветным фильтром, справа - строение микродисплея, в котором используется технология dPd.

"Яркость полноцветного изображения 10 000 кд/м2 - важная веха на нашем пути к созданию полноцветных дисплеев с яркостью более 28 000 кд/м2 к середине 2023 года, - добавил Скалли. - Для сравнения: типичный монитор ноутбука обеспечивает яркость 250 кд/м2, а качественный смартфон - всего 1000 кд/м2. Кроме того, наши дисплеи dPd содержат более 2500 индивидуально адресуемых пикселей на дюйм (ppi), что обеспечивает замечательную четкость и разрешение по сравнению с типичными экранами ноутбуков с разрешением 330 пикселей на дюйм и экранами OLED-смартфонов с разрешением 600 пикселей на дюйм".

Другие интересные новости:

▪ Индийцы летят на Марс

▪ Квантовый алгоритм защиты данных

▪ Спутниковый чип для мобильных телефонов

▪ Измерено время без использования часов

▪ Бактерии найдут взрывчатку

Лента новостей науки и техники, новинок электроники

Интересные материалы Бесплатной технической библиотеки:

▪ раздел сайта Музыканту. Подборка статей

▪ статья Драпироваться в байроновский плащ. Крылатое выражение

▪ статья В какой части человеческого тела имеются водопровод, клюв, червь и пальцы ног морского конька? Подробный ответ

▪ статья Грохотник. Типовая инструкция по охране труда

▪ статья Почему IrDA не годится для приема команд ИК дистанционного управления. Энциклопедия радиоэлектроники и электротехники

▪ статья Транзисторы. Мощные СВЧ-транзисторы Philips Semiconductors. Энциклопедия радиоэлектроники и электротехники

Оставьте свой комментарий к этой статье:

Имя:


E-mail (не обязательно):


Комментарий:





Главная страница | Библиотека | Статьи | Карта сайта | Отзывы о сайте

www.diagram.com.ua

www.diagram.com.ua
2000-2025