Menu Home

Бесплатная техническая библиотека для любителей и профессионалов Бесплатная техническая библиотека


Зигзагообразные активные антенны ДМВ. Энциклопедия радиоэлектроники и электротехники

Бесплатная техническая библиотека

Энциклопедия радиоэлектроники и электротехники / Антенны телевизионные

Комментарии к статье Комментарии к статье

Для приема телевизионных сигналов в диапазоне ДМВ, особенно в неблагоприятных условиях, необходимо использовать хорошие антенны с антенными усилителями, т. е. активные антенны. Об опыте постройки таких антенн и рассказывает автор публикуемой статьи.

В диапазоне ДМВ применение эффективных антенно-фидерных систем (АФС) для приема сигналов в сложных условиях не потеряло своей актуальности. Относительно малая длина λ этих волн позволяет создавать высокоэффективные антенны при сравнительно небольших размерах.

После длительных экспериментов с разными антеннами за основу была взята известная зигзагообразная антенна [1], показанная на рис. 1. Конструктивно в классическом виде полотно антенны состоит из двух одинаковых ромбовидных частей, повернутых одна относительно другой на 180°. Следовательно, такая антенна симметрична. Эта особенность допускает применение антенных усилителей (АУ) с симметричным входом и большим усилением, например, пластинчатых усилителей (ПАУ) SWA и др. [2, 3].

Зигзагообразные активные антенны ДМВ

Усиление зигзагообразной антенны зависит от отношения l/λ, а ее входное сопротивление - от отношений l/d и l/λ. Максимальное усиление достигается при длине l = 0,375λ, но при этом оно сильно зависит от диаметра провода.

При l = 0,25λ усиление получается, конечно, меньше, но и зависимость от диаметра провода уменьшается.

При изменении угла α изменяются габариты полотна. Так, если α = 90°, то SH = 2√2l = 2,83l; SE = l√2= 1,41l, а если α = 120°, то SH = 2l; SE = 1,73l. Это необходимо учитывать при создании сложных АФС (об этом дальше). Основные размеры полотна антенны, например, для 29-го канала сведены в табл. 1. Следует также иметь в виду и то, что с уменьшением диаметра провода и увеличением периметра полотна усиление растет. Кроме того, при выборе более тонкого провода уменьшается парусность антенны.

Различные конструктивные исполнения антенны имеют разные входные сопротивления (табл. 1). Следовательно, необходимы и разные способы согласования симметричного входа полотна с симметричным входом АУ, имеющим входное сопротивление 300 Ом. Они показаны на рис. 2 [4].

Зигзагообразные активные антенны ДМВ

При входном сопротивлении полотна 300 Ом АУ, конечно, можно подключить непосредственно к точкам а - а. Однако для увеличения усиления и направленного действия антенны полотно обычно используют вместе с рефлектором (о нем будет рассказано ниже). Поэтому АУ лучше установить за рефлектором, соединив с полотном симметричной линией с волновым сопротивлением 300 Ом так, как показано на рис. 2,а - для воздушной линии, на рис. 2,6 - для кабеля КАТВ или на рис. 2,в - для кабеля РК-150. В последнем случае оплетки двух отрезков кабеля спаивают одну с другой на концах.

Во всех случаях необходимо учитывать коэффициент укорочения линии К. Для воздушной линии из проводов (рис. 2,а) - К=0,975, для КАТВ (рис. 2,6) - К = 0,8, для кабеля РК-150 (рис. 2,в) - К = 0,75...0,86 в зависимости от типа кабеля.

Наиболее удобно (по мнению автора) использовать полотно с входным сопротивлением 75 Ом. В этом случае для согласования можно применить четвертьволновый согласующий трансформатор из линии с волновым сопротивлением 150 Ом так, как изображено на рис. 2, г. Он образован двумя отрезками кабеля РК-75 длиной 0,25λKn, где n - нечетное число. Коэффициент К равен 0,65789 для кабеля с полиэтиленовой изоляцией. Размеры трансформатора даны по спаянным на концах оплеткам.

Формула для расчета трансформатора известна:

Zтр = √Zвх · Zвых,

поэтому и получается

Zтр = √75 · 300 = 150 Ом.

Разомкнутый согласующий шлейф, показанный на рис. 2,д, и четвертьволновый трансформатор (рис. 2,е) позволяют согласовать АУ и антенну с входным сопротивлением, равным менее 300 Ом. Для изготовления шлейфа используют графики в [4]. Ориентировочные коэффициенты для расчета шлейфа и параметры четвертьволнового трансформатора указаны в табл. 2. Основное требование для шлейфа - Zл = Zш = 300 Ом. Размеры шлейфа и соединительной линии связаны соотношением А = В + С.

Зигзагообразные активные антенны ДМВ

На рис. 2,д представлен способ подключения полотна с Rвх = 100 Ом к АУ с Rвх = 300 Ом, причем В = 0,13λК, а С = 0,09λК. Для подключения используют симметричный кабель КАТВ (SLX-300) или воздушную линию с волновым сопротивлением 300 Ом. Для второго случая отношение (D/d) = 6,11. При использовании провода диаметром 3,569 мм расстояние между осями проводов равно D = 21,8 мм. Для сохранения фиксированного расстояния между проводами вдоль линии размещают несколько поперечных распорок из высококачественных изоляционных материалов, не ухудшающих свойств при воздействии окружающей среды (фторопласт, полиэтилен, органическое стекло). Следует иметь в виду, что, перемещая шлейф в точках в - в и изменяя тем самым размер С, можно добиться более четкого изображения на экране телевизора.

Четвертьволновый трансформатор можно изготовить из трубок диаметром более 10 мм, как на рис. 2,е. При меньшем диаметре зазор между трубками будет очень мал, что затруднит изготовление трансформатора.

Приведем пример расчета полотна для 29-го канала. При Fиз = 535,25 МГц найдем λиз = 300 000/Fиз = 560,48 мм. Если Rвх = 75 Ом и α = 90°, размер стороны ромбовидной части (см. табл. 1) равен l = 0,29λ = 162,5 мм, α (l/d) = 32...75. Следовательно, диаметр провода полотна равен 2,1...5,1 мм. Можно применить полоски шириной 2d, т. е. 4,2...10,2 мм, из меди или дюралюминия.

Зигзагообразные активные антенны ДМВ

Отметим, что на всех последующих рисунках размеры даны для 29-го канала. Пересчет на другие каналы не сложен: зная отношение частоты 29-го канала к частоте определяемого канала, известные размеры умножают на это отношение.

Конечно, полотно антенны, кроме ромбовидных частей, может представлять собой и другие формы, например, зигзагокольцеобразную со сплошными металлическими секторами, как показано на рис. 3.

Зигзагообразные активные антенны ДМВ

В зависимости от угла β полотно имеет различное входное сопротивление. Например, при β = 90° оно равно Rвх = 100 Ом, а при β = 140° - Rвх = 75 Ом. Это определяет и разные способы согласования полотна с АУ. Так, полотно при β = 90° более широкополосно и согласуется шлейфом в соответстви и с рис. 2, д. При β = 140° антенна будет более узкополосной из-за необходимости применения четвертьволнового согласующего трансформатора по рис. 2, г.

Для изготовления такого полотна используют пластины из латуни толщиной 0,3 мм. С целью уменьшения парусности полотна в каждом секторе сверлят по 15-20 отверстий диаметром 5 мм с равномерным распределением по площади.

Размеры шлейфа для согласования по рис. 2, д следующие: В=60 мм, С=40 мм, отрезки в - с кабеля КАТВ могут быть длиной 224n мм, где n=1,2,3.... Четвертьволновый трансформатор из кабеля РК-75 при согласовании по рис. 2, г может иметь длину 92,18n мм, где n = 1,3,5,7....

По табл. 1 можно выбрать любое полотно из 25 предложенных исходя из наличия материалов или других характеристик.

Диаграмма направленности полотна антенны (без рефлектора) - двухлепестковая вида "восьмерки", поэтому применение рефлектора во всех случаях целесообразно и эффективно, так как улучшает направленные свойства и повышает усиление антенны примерно на 3 дБ при конструктивном исполнении рефлектора, аналогичном полотну. Однако более эффективный способ увеличения усиления антенны примерно на 7 дБ - установка рефлекторной решетки или сетки с мелкими ячейками. Решетка/сетка должна быть сварной и иметь антикоррозионное покрытие. Размеры решетки/сетки должны быть на 5...10 % больше вертикального (Sн) и горизонтального (SE) размеров полотна.

Решетку/сетку располагают на расстоянии h=100...50 мм позади полотна в зависимости от принимаемого канала (21-69). Значение h влияет на входное сопротивление полотна и может служить дополнительным способом улучшения согласования всей АФС. Изменяя h при размещении решетки на резьбовых шпильках, добиваются более четкого изображения с наименьшим уровнем шумов ("снега") на экране телевизора.

Использование рефлекторной решетки/сетки изменяет диаграмму направленности антенны, превращая ее в узкую однолепестковую. В результате прием со стороны рефлектора значительно ослаблен, что повышает помехозащищенность АФС.

Еще большего увеличения направленного действия и усиления антенны можно добиться, если применить синфазное включение двух и более полотен - синфазные решетки. Это позволяет принимать передачи на значительном расстоянии и в сложных условиях. Такие антенны представляют собой несколько параллельно включенных полотен, разнесенных по горизонтали или (и) по вертикали в одной плоскости.

Для примера на рис. 4 представлено синфазное включение двух полотен с входным сопротивлением 150 Ом, разнесенных по вертикали. Изображенное на рисунке полотно можно считать модификацией зигзагокольцеобразной антенны с углом β = 0 или разновидностью кольцевой. Антенна хорошо работает в диапазоне ДМВ при диаметре провода всего 1,5 мм.

Зигзагообразные активные антенны ДМВ

Способы согласования такой антенны с АУ могут быть различными. Так, на рис. 4 показан вариант включения двух полотен, расположенных на оптимальном расстоянии 0,7λ по вертикали, с линией питания, подключенной к нижнему полотну (зтажу). Для связи между этажами использована двухпроводная линия длиной λК. Линия образована двумя отрезками кабеля РК-75 (К=0,65789). Она симметрична и имеет волновое сопротивление 150 Ом, что обеспечивает хорошее согласование с полотном.

В результате такого параллельного соединения двух одинаковых полотен входное сопротивление всей АФС в точках а - а1 получается равным 75 Ом. Согласование с АУ сделано четвертьволновым согласующим трансформатором по рис. 2,г. образованным двумя отрезками кабеля РК-75.

Однако более предпочтителен (по мнению автора) другой вариант - центрального питания. Он имеет более широкую полосу пропускания. Причем полотна можно разнести как по вертикали, так и по горизонтали на (0,7...0,75)Х между их центрами.

Для объединения полотен при центральном питании между ними включают две последовательно соединенные симметричные линии по рис. 2,в длиной 0.5ХК (184,4 мм по спаянным оплеткам на концах), но образованных отрезками кабеля РК-75. При этом в центральных точках в - в получается входное сопротивление антенны 75 Ом. К ним и подключают тот же четвертьволновый согласующий трансформатор, что и на рис. 4.

Аналогично используют полотна по рис. 1 с углом α = 120°. Если применены такие полотна с углом α = 90°, то лучше их разнести по горизонтали.

Синфазное включение трех одинаковых полотен по рис. 1 с центральным питанием изображено на рис. 5. Решетка снабжена рефлекторной сеткой. Входное сопротивление каждого полотна равно около 100 Ом и слабо зависит от диаметра провода. Для проверки были использованы провода диаметром 1,2 [(l/d) = 117] и 2,76 [(l/d) = 51] мм. Размеры соединительных линий λК останутся те же, если использовать и другие полотна с Rвх = 100 Ом (по рис. 1 при α = 120° или по рис. 3 при β = 90°).

Зигзагообразные активные антенны ДМВ
(нажмите для увеличения)

Полотна соединяют между собой параллельно симметричными линиями с волновым сопротивлением 100 Ом, образованными отрезками кабеля РК-50 длиной (по спаянным оплеткам), равной λК (это условие - обязательное!). В точках в - в общее входное сопротивление антенны равно 33,3 Ом. Согласование с АУ обеспечивается четвертьволновым трансформатором из отрезков кабеля РК-50 (по рис. 2,г) длиной 277 мм.

Все полотна закрепляют на планке из органического стекла толщиной 5 мм. К рефлектору и мачте планка закреплена четырьмя резьбовыми шпильками в точках 0. Рефлекторную сетку (ячейки с размерами 18x18 мм) удаляют от полотна антенны на расстояние h = 105 мм, изменяемое на ±15 мм.

Как уже было выше сказано, АУ устанавливают за рефлектором на мачте и подключают к полотну в точках с - с. Блок питания (БП) АУ размещают рядом с телевизором или на его задней стенке так, как показано на рис. 6.

Зигзагообразные активные антенны ДМВ

Постоянное напряжение 12 В с БП поступает по кабелю снижения РК-75 через развязывающее устройство (РУ), включенное в соответствии с рис. 7. РУ состоит из дросселя L1 и конденсатора С2.

Зигзагообразные активные антенны ДМВ

Обычно ПАУ типов SWA, GPS и др. питают от маломощных БП, которые имеют различные схемные решения, но чаще всего не защищены от короткого замыкания в нагрузке. А такая защита необходима. Кроме того, если прием телевизионных сигналов происходит с разных направлений, например, на две антенны, то переключение кабелей от антенн на входе телевизора вносит ряд неудобств, причем быстро изнашиваются разъемы. Поэтому желательно предусмотреть их автоматическое переключение.

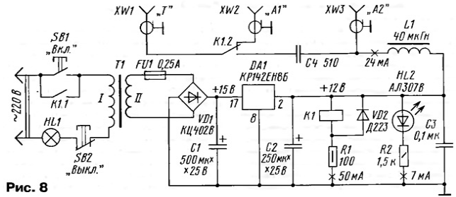
Для устранения указанных недостатков были разработаны различные БП АУ. Принципиальная схема одного из вариантов БП с применением реле для автоматического переключения антенн представлена на рис. 8. Прием сильных сигналов ДМВ обеспечивает антенна А1 без АУ, подключенная к гнезду XW2, причем БП в этом случае выключен. Для приема слабых сигналов подключается антенна А2 (XW3) с АУ, что происходит при включении БП.

Зигзагообразные активные антенны ДМВ
(нажмите для увеличения)

БП включается при нажатии на кнопку SB1. При этом срабатывает реле К1 и его контакты К1.1 блокируют кнопку SB1, удерживая БП включенным. Контакты К1.2 отключают антенну А1 и подключают антенну А2 к телевизору. Выпрямленное напряжение, индицируемое светодиодом HL2, с выхода БП проходит на АУ.

При коротком замыкании в АУ или фидере напряжение на выходе БП и ток через обмотку К1 реле упадут. Реле отпустит контакты К1.1, которые выключат БП. Светодиод HL2 и лампа HL1 погаснут.

Резистор R1 подбирают так, чтобы при стабилизированном напряжении 12В обеспечить четкое срабатывание реле при минимальном токе через его обмотку. Реле может быть любое, например, РЭС47 (паспорт РФ4.500.409). Лампа HL1 (6,3 В х 0,28 А) индицирует включение БП по сети и одновременно служит предохранителем в первичной цепи трансформатора Т1. Трансформатор - любой с напряжением на обмотке II - 9...11 В. Дроссель L1 - также любой, например, ДМ-0,6. Микросхема КР142ЕН8Б обеспечивает максимальный ток 1,5 А и имеет защиту от перегрузок по току. Однако БП потребляет не более 0,1 А, поэтому можно применить менее мощную микросхему, например, 78L12.

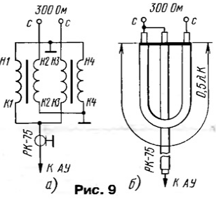
Для приема сигналов в диапазоне ДМВ в журнале рассмотрено несколько АУ, например, [5]. Все они имеют входное сопротивление 75 Ом. Их тоже можно использовать с описанными антеннами с симметричным входом. Для этого нужно применить известное согласующее симметрирующее устройство (ССУ) на ферритовом кольце, включаемое по схеме на рис, 9,а. Но можно установить ССУ в виде U-петли по рис. 9,б. Кабель, идущий к АУ, должен быть коротким и лучше длиной 0.5λК.

Зигзагообразные активные антенны ДМВ

Выбирая место установки антенны, необходимо помнить, что каждый лишний метр кабеля снижения ослабит сигнал в диапазоне ДМВ на 0,16...0,4 дБ. Чем тоньше кабель, тем больше потери. При окончательном монтаже АФС желательно устанавливать новый кабель, так как к концу его срока хранения (он определен в 12 лет) коэффициент затухания увеличивается на 30...60%. Кабель лучше выбирать более высокочастотный, с большим диаметром центрального проводника. Следует также обеспечить надежную гидроизоляцию в местах пайки.

Литература

  1. Харченко К. Зигзагообразная антенна. - Радио, 1961, № 3; 1999, № 8.
  2. Пахомов А. Антенные усилители SWA. - Радио, 1999, № 1, с. 10-12.
  3. Пахомов А. Новые антенные усилители. - Радио, 2000, № 7.
  4. Ротхаммвль К. Антенны. - М.: Энергия, 1969.
  5. Нечаев И. Антенный усилитель ДМВ на микросхеме. - Радио, 1999, № 4, с. 8.

Автор: Ю.Филичев, г.Вильнюс, Литва

Смотрите другие статьи раздела Антенны телевизионные.

Читайте и пишите полезные комментарии к этой статье.

<< Назад

Последние новости науки и техники, новинки электроники:

Рыжий ген и ускоренная эволюция 30.04.2026

Вопрос о том, как и насколько быстро меняется человеческий вид, давно занимает биологов и генетиков. Долгое время считалось, что эволюционные процессы происходят крайне медленно, однако новые данные заставляют пересматривать эти представления. Особенно интересные результаты связаны с изменением частоты редких генетических признаков, включая рыжий цвет волос. Рыжеволосость сегодня остается редкой чертой: ее носители составляют менее 2 процентов мирового населения. Однако анализ древней и современной ДНК показывает, что ген, связанный с этим признаком, за последние примерно 10 тысяч лет стал заметно более распространенным, особенно среди популяций Европы. Более того, вместе с ним исследователи фиксируют и другие изменения в генетическом профиле человека, затрагивающие внешность и физиологические особенности. Среди сопутствующих тенденций, выявленных в генетических данных, отмечается увеличение частоты светлой кожи, снижение вероятности мужского облысения, а также некоторые физиолог ...>>

Нейтринный лазер 30.04.2026

Нейтринный лазер - это гипотетическое устройство, способное управлять потоками одних из самых трудноуловимых частиц во Вселенной. Такая разработка открывает новые горизонты в изучении фундаментальных законов природы и может изменить представления о космосе. Идею нового типа излучателя представили физики из Massachusetts Institute of Technology, предложив лазер, который вместо света генерирует поток нейтрино. Эти частицы, почти не взаимодействующие с материей, настолько слабо проявляют себя, что их часто называют "частицами-призраками". Тем не менее они пронизывают все вокруг: по оценкам, триллионы нейтрино ежесекундно проходят через человеческое тело, не оставляя следа. Несмотря на их колоссальную распространенность во Вселенной, нейтрино остаются одними из наименее изученных частиц. Их крайне сложно регистрировать, а еще сложнее контролировать, поэтому традиционно их получают в крупных установках вроде ядерных реакторов или ускорителей частиц. Такие комплексы требуют огромных за ...>>

Мороженое не такое вредное, как принято считать 29.04.2026

В питании часто встречаются продукты, которые одновременно вызывают удовольствие и сомнения с точки зрения здоровья. К таким относится и мороженое: оно воспринимается как типичный десерт с высоким содержанием сахара и жиров, однако современные научные данные постепенно усложняют это привычное представление. Долгое время считалось, что мороженое не может быть частью рационального питания, однако исследования последних лет показывают более неоднозначную картину. Ученые подчеркивают, что влияние этого продукта на организм зависит не только от его сладости или калорийности, но и от состава, качества ингредиентов и общего образа жизни человека. Одни из наиболее масштабных данных были получены в рамках долгосрочных наблюдений в США, включавших проекты Nurses Health Study, Nurses Health Study II и Health Professionals Follow-Up Study. В этих исследованиях на протяжении 20-40 лет наблюдали примерно 190 тысяч взрослых участников, регулярно собирая данные об их питании, физической активнос ...>>

Случайная новость из Архива

Искусственный интеллект услышит болезни людей 05.09.2024

Современные технологии открывают новые горизонты в медицинской диагностике. Одним из ярких примеров является разработка Google, которая использует искусственный интеллект (ИИ) для анализа звуковых сигналов тела с целью выявления ранних признаков заболеваний. Эта инновационная система может работать на смартфонах, что делает ее доступной в самых отдаленных уголках мира, где использование традиционного медицинского оборудования, такого как рентген, затруднено.

Микрофон обычного телефона способен заменить дорогостоящее диагностическое оборудование, превращая повседневное устройство в мощный инструмент для раннего обнаружения заболеваний. Такая система уже показывает свою эффективность в борьбе с туберкулезом в Индии, где ежегодно от этой болезни умирает почти 250 000 человек. Хотя туберкулез поддается лечению, миллионы остаются недиагностированными, что способствует его распространению. Раннее выявление заболевания с помощью ИИ может существенно изменить эту ситуацию.

Google разработала свою модель ИИ на основе анализа 300 миллионов звуковых фрагментов, включающих кашель, чихание и дыхание. Эти данные были собраны из открытых источников, таких как видео на YouTube, а также из записей кашля пациентов в больнице в Замбии. Исследования показали, что звуки, издаваемые телом, содержат важную информацию о состоянии здоровья, что позволяет ИИ эффективно диагностировать различные заболевания.

Одним из практических применений этой технологии стало приложение Swaasa, разработанное индийской компанией Salcit Technologies. В это приложение была интегрирована модель Google для улучшения точности диагностики туберкулеза и оценки состояния легких. Пользователи могут записать 10-секундный образец кашля и получить результат с точностью до 94%. Такое решение особенно полезно в условиях, где доступ к традиционным медицинским услугам ограничен.

Однако внедрение таких передовых технологий в повседневную медицинскую практику сталкивается с рядом вызовов. Необходимо обеспечить понимание и принятие этих технологий медицинским сообществом, а также обучить пользователей в сельских районах, где техническая грамотность может быть низкой. Это требует усилий как от разработчиков, так и от медицинских специалистов для обеспечения правильного и эффективного использования таких приложений.

Помимо диагностики туберкулеза, Google разрабатывает и другие проекты в области биоакустики. Один из них связан с использованием ультразвука для раннего выявления рака молочной железы в Тайване. ИИ помогает обнаруживать опухоли на ранних стадиях, что значительно увеличивает шансы на успешное лечение. В будущем Google планирует внедрить эту технологию на глобальном уровне, что может существенно улучшить показатели раннего обнаружения и лечения рака по всему миру.

Развитие технологий ИИ в медицинской диагностике открывает новые перспективы для раннего выявления заболеваний и спасения миллионов жизней. Инновационные решения, такие как анализ звуковых сигналов тела, имеют потенциал изменить подход к медицинской помощи, делая ее более доступной и эффективной, особенно в отдаленных и недостаточно оснащенных регионах.

Другие интересные новости:

▪ Доказано существование девятой планеты

▪ Прототип видеокамеры с поддержкой 8K

▪ Электронная бумага с оптимальной цветопередачей

▪ Шумозащитная маска для конфиденциальных разговоров

▪ Бетон с наночастицами сделает воздух чистым

Лента новостей науки и техники, новинок электроники

 

Интересные материалы Бесплатной технической библиотеки:

▪ раздел сайта Антенны. Подборка статей

▪ статья Пуля - дура, штык - молодец. Крылатое выражение

▪ статья Почему тигры иногда рождаются с белым мехом? Подробный ответ

▪ статья Бер. Легенды, выращивание, способы применения

▪ статья Цемент для фарфора и фаянса. Простые рецепты и советы

▪ статья Блок питания для домашней лаборатории, 0-30 вольт 4 ампера. Энциклопедия радиоэлектроники и электротехники

[an error occurred while processing this directive] Оставьте свой комментарий к этой статье:

Имя:


E-mail (не обязательно):


Комментарий:




Комментарии к статье:

Павел
Хорошая подборка, мне понравилось.

paro2350
Добри и точни изчисления.


Главная страница | Библиотека | Статьи | Карта сайта | Отзывы о сайте

www.diagram.com.ua

www.diagram.com.ua
2000-2026