Menu Home

Бесплатная техническая библиотека для любителей и профессионалов Бесплатная техническая библиотека


Пятиэлементная YAGI на 20 метров. Энциклопедия радиоэлектроники и электротехники

Бесплатная техническая библиотека

Энциклопедия радиоэлектроники и электротехники / Антенны КВ

Комментарии к статье Комментарии к статье

Самостоятельное изготовление антенны - непростая задача для радиолюбителей. Зачастую авторы различных антенн не уделяют внимания описанию технологии изготовления антенн, а это очень важно для тех, кто будет пытаться их повторить. Не зная технологии изготовления, трудно в полной мере оценить собственные возможности. Их переоценка зачастую приводит к тому, что хорошие конструкции, несмотря на уже затраченные материалы, так и остаются недоделанными. В предлагаемой статье подробно описана конструкция антенны на диапазон 20 метров. Некоторые приемы изготовления могут помочь в изготовлении антенн других диапазонов.

Проблема выбора антенны стала перед коллективом Интинского радиоклуба (RK9XXS) еще в самом начале его деятельности. Уже тогда было решено: делать только серьезные антенны. Хорошо понимая, что антенну быстро не сделаешь, решили для начала собрать материалы, а уже исходя из их количества, решать, какую антенну строить. В течение месяца удалось найти 10 дюралевых планок для прыжков в высоту длиной по 3,6 м, 10 отрезков 30-миллиметровой трубы длиной по 1,5 м, две трубы от медицинских носилок диаметром 36 мм, две шестиметровых дюралевых трубы диаметром 60 и 70 мм и одну трехметровую трубу диаметром 60 мм. Этого материала было достаточно для строительства 5-элементной антенны YAGI.

Имея опыт расчета антенных систем с помощью компьютера и изготовления рассчитанных антенн, приступили к предварительному проектированию антенны. Первые же прикидки показали, что выгоднее всего строить антенну на удлиненной траверсе: выше коэффициент усиления, лучше отношение фронт/тыл. Основным требованием к клубной антенне, по нашему мнению, является возможность с минимальным КСВ работать в полосе частот 14...14,35 МГц. Это обусловлено, прежде всего, разносторонними интересами членов клуба: один любит телеграфный участок, другой - SSTV, третий - поклонник островных экспедиций, четвертый - любит МТ-63.

Когда впоследствии была смоделирована антенна с максимальным усилением в направлении главного лепестка, оказалось, что наша энтенна проигрывает всего 0,5...0,7 дБ. Это нас вполне устраивало. Расчеты провели программой YAGIOPTIMIZER, а проверили - программой NEC4WIN95. Справедливости ради, надо отметить, что обе программы весьма близки по конечному результату, хотя и имеются некоторые расхождения.

Размеры элементов антенны: рефлектор - 10,7 м, вибратор - 10,3 м; директор 1 - 9,88 м, директор 2 - 9,58 м; директор 3 - 8,9 м. Характеристики антенны: усиление - 11,6 дБ; отношение фронт/тыл - 24 дБ; отношение фронт/бок - 35 дБ, входное сопротивление - 50 Ом.

Итак, основные размеры были определены, пришло время технологических решений.

Технология изготовления антенны была выбрана такой, чтобы минимизировать объем "платных" работ и основную часть деталей можно было выполнить самостоятельно с помощью нехитрого инструмента. Для работ понадобились электродрель, ножницы по металлу, ножовка по металлу, молотки, плоскогубцы, метчики, плашки, гаечные ключи, отвертки и другие мелочи. Сварочных работ немного - всего шесть несложных узлов. Токарные работы - 10 дюралевых втулок. Все остальное выполнено самостоятельно, без применения специального оборудования.

Наиболее просто решили вопрос с траверсой: в середине расположили трубу диаметром 70 мм, с двух сторон в нее вставили трубы диаметром 60 мм. Зазор между трубами ликвидировали полосой стальной ленты толщиной 1,5 мм, плотно обернув ею тонкие трубы. Места стыка зафиксировали от проворачивания болтами М 10x80. На расстоянии 1500 мм от концов просверлили два отверстия и закрепили болтами М 10x100 по две стальные петли размерами 30x120x5 мм для крепления верхней и боковых растяжек (рис. 1).

Пятиэлементная YAGI на 20 метров

На размеченных местах установили площадки крепления элементов (рис. 2). Эти площадки полностью изолируют элементы от траверсы при минимальной емкости между ними. Площадки крепления элементов состоят из стальной пластины толщиной 3 мм и текстолитовой пластины размерами 100x250x15 мм. В стальной и текстолитовой пластинах просверлено 16 соосных отверстий диаметром 6 мм, после этого в стальной пластине восемь отверстий рассверлены до диаметра 25 мм. Это нужно для того, чтобы стремянки крепления элементов не имели контакта со стальной пластиной. Затем в стальной пластине просверлено еще четыре отверстия диаметром 8 мм для крепления площадки к траверсе и приварена труба диаметром 17 мм и длиной 500 мм для верхних растяжек элемента (стойка). Пластины скреплены между собой через не рассверленные отверстия восемью болтами М6х25.

Пятиэлементная YAGI на 20 метров

Стремянки изготовлены из стального неотожженного прутка диаметром 8 мм. Для крепления элементов были сделаны стремянки диаметром 6 мм (использовались строительные гвозди). Сначала необходимо отрезать пруток нужной длины, потом на концах нарезать резьбу на длину 30 мм, а затем изогнуть стремянку на наковальне до нужной формы. Рассчитать длину прутка несложно по формуле

L = 1,57*(D+d) + D + 2*М + 40,

где L - необходимая длина прутка; D - диаметр трубы, которую крепит стремянка; d -диаметр прутка, из которого изготовлена стремянка; М - толщина детали, к которой крепится труба; 40 мм - запас для гаек крепления.

Простой способ изгибания стремянки показан на рис. 3. В процессе изгибания один молоток наставляется на стремянку вторым наносятся несильные удары. Профиль стремянки контролируют по шаблону или закрепляемой трубе.

Пятиэлементная YAGI на 20 метров

Элементы антенны (рис. 4) составлены из отрезка трубы диаметром 36 мм (в центре), двух планок для прыжков в высоту и двух отрезков 30-миллиметровой трубы (на концах). Планки для прыжков плотно вставлены в трубу диаметром 36 мм и зафиксированы стандартными хомутами, а отрезки трубок стыкуются с планкой специально выточенными втулками из дюралюминия и заклепками из алюминиевой проволоки диаметром 5 мм. В месте стыка установлена петля для крепления верхних и внешних растяжек элементов. Петля изготовлена из прутка диаметром 6 и длиной 90 мм (можно использовать строительные гвозди). С одного конца на длину 20 мм нарезана резьба М6х1, второй конец изогнут в кольцо на оправке диаметром 15 мм.

Пятиэлементная YAGI на 20 метров

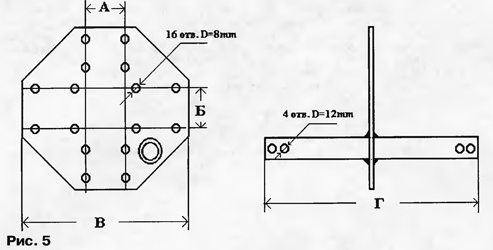
Узел крепления траверсы (рис. 5) принимает на себя основную нагрузку статического и динамического характера и должен обеспечивать высокую прочность. Он представляет собой стальную пластину толщиной 4 мм. Размер пластины определяется длиной траверсы и весом антенны, минимальный размер "В" для данной антенны - 500 мм. В пластине просверлены отверстия для хомутов крепления траверсы и для хомутов крепления пластины к мачте.

Пятиэлементная YAGI на 20 метров

Разметка отверстий производится следующим образом. Расстояние "А" должно быть равно сумме диаметров мачты и стремянок, крепящих пластину к мачте. В нашем случае диаметр мачты равен 52 мм, а стремянки выполнены из прутка диаметром 8 мм, поэтому расстояние между центрами отверстий - 60 мм. Расстояние "Б" должно быть равно сумме диаметров траверсы и стремянок, крепящих траверсу к пластине. В нашем случае диаметр траверсы равен 70 мм, а диаметр прутка, из которого выполнены стремянки, - 8 мм. Расстояние между центрами отверстий - 78 мм.

Число стремянок крепления траверсы для такой тяжелой антенны - не менее 6. Это определяет надежность крепления траверсы. Число стремянок крепления пластины к мачте для длинных антенн должно быть 6-8. Оно определяет прочность удержания траверсы на мачте. Мы выбрали шесть стремянок.

После разметки и сверления этих отверстий в нижнем углу сделано отверстие для кронштейна боковых растяжек. Диаметр этого отверстия должен быть равен диаметру трубы, выбранной для кронштейна. Труба кронштейна выбрана диаметром 1,5 дюйма, т.е. 37 мм. Длину трубы кронштейна (размер "Г") мы выбрали примерно 1000 мм. В трубе кронштейна на концах просверлено по два отверстия диаметром 12 мм, в которые будут вставляться натяжные болты боковых растяжек.

Труба кронштейна вставлена в отверстие в стальной пластине так, чтобы длина концов была одинаковой. После этого трубу надо тщательно обварить дуговой сваркой с двух сторон. Узел крепления тщательно зашкурен и окрашен масляной краской для наружных работ.

Натяжные болты верхних и боковых растяжек изготовлены из стального прутка диаметром 12 мм и имеют длину 250 мм. Один конец прутка изогнут в кольцо на оправке диаметром 15 мм, с другого конца на всю оставшуюся длину нарезана резьба М12х1,5.

Боковые и верхние растяжки траверсы изготавливать лучше всего в процессе сборки антенны, поскольку их длина определяется центром тяжести антенной системы. Крепление растяжек траверсы показано на рис. 6.

Пятиэлементная YAGI на 20 метров

Сборка антенны. Вначале собирают траверсу антенны, как указано выше. Траверсу укладывают на чистой, ровной горизонтальной площадке размерами 12x16 м. На траверсу с помощью стремянок устанавливают площадки крепления элементов, а на них (также с помощью стремянок) - собранные элементы антенны. При этом нужно обращать внимание на горизонтальность всех элементов антенны.

Расстояние между элементами показано в таблице.

Пятиэлементная YAGI на 20 метров

При установке элементов петли крепления верхних и внешних растяжек должны находиться сверху. Вид на антенну сверху показан на рис. 7.

Пятиэлементная YAGI на 20 метров
(нажмите для увеличения)

Затем производят разметку верхних растяжек элементов и установку на них изоляторов. Чем больше будет установлено изоляторов, тем меньшее влияние на параметры антенны будут оказывать верхние растяжки. В случае применения диэлектрических (капроновых, пеньковых) верхних растяжек изоляторы можно не устанавливать. Растяжки крепят одним концом за петли на элементах, другим - за поддерживающие стойки, пропустив растяжки в просверленные в стойках отверстия (рис. 8).

Пятиэлементная YAGI на 20 метров
(нажмите для увеличения)

Для всех узлов крепления растяжек обязательно должны применяться коуши. Внешние растяжки крепят к петлям на элементах. Эти растяжки в местах крепления желательно обернуть полосками оцинкованной жести, тогда они прослужат долго. Внешние растяжки должны быть по возможности сильно, но равномерно натянуты. Самое важное - обеспечить правильное положение элементов антенны. В нашей конструкции использовались стальные тросики для верхних растяжек и пеньковый шнур для внешних растяжек.

После крепления всех растяжек устанавливают согласующее устройство (рис. 9). Оно крепится с помощью хомутов или стремянок. Кабель питания подключают, закрепляют и прокладывают к центру мачты сразу. Корпус согласующего устройства должен обеспечивать защиту конденсаторов от дождя и снегопада.

Пятиэлементная YAGI на 20 метров
(нажмите для увеличения)

Теперь антенна собрана и можно определить ее центр тяжести. Для этого приподнимают траверсу между первым и вторым директорами и, передвигая точку опоры, находят положение равновесия антенны. В этом месте устанавливают центр узла крепления траверсы таким образом, чтобы кронштейн боковых растяжек находился снизу. Крепление траверсы на мачте показано на рис. 10.

Пятиэлементная YAGI на 20 метров
(нажмите для увеличения)

После этого измеряют расстояние между отверстиями кронштейна и стальными петлями на траверсе. По этим размерам изготавливают боковые растяжки, сделав запас для натяжения.

Перед подъемом антенны обязательно нужно проверить все крепления, подтянуть все гайки. Поддерживая траверсу в двух местах, поднимают собранную антенну на станок УНЖИ. на котором закреплен редуктор с несущей трубой. Прижав узел крепления к несущей трубе, закрепляют его с помощью стремянок.

Выровняв траверсу с помощью подставок, измеряют расстояние между верхней частью несущей трубы и петлями крепления верхних растяжек. По этим размерам изготавливают и устанавливают верхние растяжки. Сразу же нужно обеспечить натяжение верхних и боковых растяжек траверсы, контролируя отсутствие вертикального и бокового прогиба. Это единственная сборочная работа, проводимая на высоте 3 м. Теперь антенна полностью собрана и, подняв секции на высоту, при которой еще можно работать с согласующим устройством, производят настройку омега-согласователя.

Настройка. Две построенные по компьютерным расчетам антенны потребовали только настройки согласующего устройства. Каких-либо удлинений или укорочений элементов и перемещений их на траверсе в процессе настройки не производилось. Настройка согласующего устройства сводится к установке движков конденсаторов в положение, соответствующее максимальной отдаче мощности при минимуме КСВ в середине диапазона.

В случае налаживания согласующего устройства на высоте 3...4 м от земли настройку производят на частоте 14100 кГц, при этом необходимо проверить КСВ на частотах 14 и 14,35 МГц, где он не должен превышать 1,1. У настроенной антенны КСВ должен быть не более 1,1 во всем диапазоне 20 метров.

В проектировании и строительстве антенны приняли участие Ю. Погребан (UA9XEX), А. Кищин (UA9XJK), А. Колпаков (UA9XKT), А. Богомолов (UA9XBL), М. Грибак (UA9XEQ). Генеральный конструктор и прораб строительства Н. Филенко (UA9XBI).

Автор: Н.Филенко (UA9XBI)

Смотрите другие статьи раздела Антенны КВ.

Читайте и пишите полезные комментарии к этой статье.

<< Назад

Последние новости науки и техники, новинки электроники:

Рыжий ген и ускоренная эволюция 30.04.2026

Вопрос о том, как и насколько быстро меняется человеческий вид, давно занимает биологов и генетиков. Долгое время считалось, что эволюционные процессы происходят крайне медленно, однако новые данные заставляют пересматривать эти представления. Особенно интересные результаты связаны с изменением частоты редких генетических признаков, включая рыжий цвет волос. Рыжеволосость сегодня остается редкой чертой: ее носители составляют менее 2 процентов мирового населения. Однако анализ древней и современной ДНК показывает, что ген, связанный с этим признаком, за последние примерно 10 тысяч лет стал заметно более распространенным, особенно среди популяций Европы. Более того, вместе с ним исследователи фиксируют и другие изменения в генетическом профиле человека, затрагивающие внешность и физиологические особенности. Среди сопутствующих тенденций, выявленных в генетических данных, отмечается увеличение частоты светлой кожи, снижение вероятности мужского облысения, а также некоторые физиолог ...>>

Нейтринный лазер 30.04.2026

Нейтринный лазер - это гипотетическое устройство, способное управлять потоками одних из самых трудноуловимых частиц во Вселенной. Такая разработка открывает новые горизонты в изучении фундаментальных законов природы и может изменить представления о космосе. Идею нового типа излучателя представили физики из Massachusetts Institute of Technology, предложив лазер, который вместо света генерирует поток нейтрино. Эти частицы, почти не взаимодействующие с материей, настолько слабо проявляют себя, что их часто называют "частицами-призраками". Тем не менее они пронизывают все вокруг: по оценкам, триллионы нейтрино ежесекундно проходят через человеческое тело, не оставляя следа. Несмотря на их колоссальную распространенность во Вселенной, нейтрино остаются одними из наименее изученных частиц. Их крайне сложно регистрировать, а еще сложнее контролировать, поэтому традиционно их получают в крупных установках вроде ядерных реакторов или ускорителей частиц. Такие комплексы требуют огромных за ...>>

Мороженое не такое вредное, как принято считать 29.04.2026

В питании часто встречаются продукты, которые одновременно вызывают удовольствие и сомнения с точки зрения здоровья. К таким относится и мороженое: оно воспринимается как типичный десерт с высоким содержанием сахара и жиров, однако современные научные данные постепенно усложняют это привычное представление. Долгое время считалось, что мороженое не может быть частью рационального питания, однако исследования последних лет показывают более неоднозначную картину. Ученые подчеркивают, что влияние этого продукта на организм зависит не только от его сладости или калорийности, но и от состава, качества ингредиентов и общего образа жизни человека. Одни из наиболее масштабных данных были получены в рамках долгосрочных наблюдений в США, включавших проекты Nurses Health Study, Nurses Health Study II и Health Professionals Follow-Up Study. В этих исследованиях на протяжении 20-40 лет наблюдали примерно 190 тысяч взрослых участников, регулярно собирая данные об их питании, физической активнос ...>>

Случайная новость из Архива

Принципиальная возможность путешествий во времени доказана математически 10.02.2026

Вопрос о путешествиях во времени остается одной из самых интригующих тем на стыке науки и фантастики. Несмотря на то, что большинство людей считают их невозможными из-за парадоксов и энергетических ограничений, теоретическая физика продолжает искать лазейки в законах природы, которые могли бы допустить такие сценарии хотя бы в математическом смысле.

Недавняя работа австралийских ученых из Квинслендского университета предлагает свежий взгляд на эту проблему, объединяя две известные концепции - варп-двигатель Алькубьерре и замкнутые временные кривые.

В 1994 году мексиканский физик Мигель Алькубьерре опубликовал знаменитую модель "варп-пузыря", в которой пространство-время сжимается впереди движущегося объекта и расширяется позади. Внутри такого пузыря корабль остается неподвижным относительно локального пространства, а сам пузырь перемещается быстрее света, не нарушая при этом принципа причинности внутри него. Эта идея, хоть и требует экзотической материи с отрицательной плотностью энергии, остается одной из самых серьезных теоретических конструкций для сверхсветовых перемещений.

Исследователи Тим С. Ральф и аспирант Ачинтья Саджендран пошли дальше и предложили стабилизировать внутри подобного варп-пузыря замкнутые временные кривые. Они ввели понятие "замкнутых временных геодезических кривых" (CTG), которые позволяют частице теоретически взаимодействовать с собственной прошлой или будущей версией. Такая конструкция дает возможность моделировать как классические, так и квантовые сценарии путешествий во времени, включая знаменитый "парадокс бильярдного шара", когда объект может столкнуться сам с собой, вернувшись из будущего.

Авторы подчеркивают, что их модель не претендует на практическую реализацию в ближайшие столетия - для создания варп-пузыря и стабилизации временных кривых потребовались бы колоссальные количества экзотической энергии. Однако математическая строгость подхода делает его чрезвычайно ценным инструментом для теоретической физики. Ограничивая переменные в гипотетических условиях, ученые могут гораздо точнее анализировать, какие именно законы природы приводят к парадоксам, и где находятся границы применимости общей теории относительности.

Работа позволяет по-новому взглянуть на классические мысленные эксперименты, такие как парадокс деда или парадокс бильярдного шара. В рамках предложенной модели исследователи показали, что определенные типы взаимодействий с прошлым могут быть согласованными и не приводить к логическим противоречиям, если учитывать квантовые эффекты и особенности пространства-времени внутри варп-пузыря.

Результаты исследования демонстрируют, насколько гибкой и мощной остается общая теория относительности Эйнштейна. Даже самые экзотические сценарии, которые кажутся чистой фантастикой, могут быть описаны математически строгим образом и использованы для проверки фундаментальных принципов физики.

Другие интересные новости:

▪ Создана уникальная холодная материя

▪ Перспективы генной терапии в борьбе с врожденной глухотой

▪ Индикаторы на полимерных светодиодах

▪ Гибрид мусорной урны с игровым автоматом

▪ 72-слойная флэш-память 3D-NAND

Лента новостей науки и техники, новинок электроники

 

Интересные материалы Бесплатной технической библиотеки:

▪ раздел сайта Микрофоны, радиомикрофоны. Подборка статей

▪ статья Ярмарка невест. Крылатое выражение

▪ статья Много ли воды в кактусе? Подробный ответ

▪ статья Калифорнийский узел. Советы туристу

▪ статья Регулятор мощности на микроконтроллере Z8. Энциклопедия радиоэлектроники и электротехники

▪ статья Микрофоны электретные. Энциклопедия радиоэлектроники и электротехники

[an error occurred while processing this directive] Оставьте свой комментарий к этой статье:

Имя:


E-mail (не обязательно):


Комментарий:





Главная страница | Библиотека | Статьи | Карта сайта | Отзывы о сайте

www.diagram.com.ua

www.diagram.com.ua
2000-2026