Menu Home

Бесплатная техническая библиотека для любителей и профессионалов Бесплатная техническая библиотека


Прибор для настройки аппаратуры НТВ. Энциклопедия радиоэлектроники и электротехники

Бесплатная техническая библиотека

Энциклопедия радиоэлектроники и электротехники / Антенны телевизионные

Комментарии к статье Комментарии к статье

Прием телевизионных программ через спутниковые ретрансляторы сегодня стал знамением дня. Увеличивается число спутников на геостационарной орбите и число программ на каждом из них. Приобрести приемную систему НТВ в магазине уже не стало проблемой, да и цены на нее снижаются. Купив аппаратуру заводского изготовления, многие радиолюбители экспериментируют с ней. Есть у нас и энтузиасты, которые изготовляют такую аппаратуру сами. Здесь мы публикуем описание несложного устройства для оптимальной настройки всех компонентов приемной системы НТВ.

Прием телевизионных программ через спутниковые ретрансляторы интересуют все больший круг читателей. С выведением на геостационарную орбиту спутников систем непосредственного телевещания (НТВ), например. "Галс" и "Ноt Bird", такой прием стал доступен многим жителям нашей страны (невысокая стоимость аппаратуры, малые габариты антенны). В то же время для радиолюбителей представляют интерес и другие спутники, сигнал с которых гораздо слабее, и для получения удовлетворительного качества приема приходится применять антенны больших размеров.

Прибор для настройки аппаратуры НТВ

Одна из проблем, которую приходится решать в этих экспериментах, - отладка антенной системы и настройка ее на требуемый спутник по максимуму сигнала. Для систем НТВ, использующих сравнительно мощные передающие устройства, эта проблема решается несложно, так как возможно применение антенн с небольшим диаметром параболического зеркала. У таких антенн ширина диаграммы направленности составляет несколько градусов, поэтому небольшие неточности при ее наведении вполне допустимы и даже не очень сильно скажутся на конечном результате. Другое дело, когда используется антенна больших размеров и принимаются слабые сигналы. В этом случае требуется очень аккуратная и тщательная настройка.

Значительно уменьшить трудоемкость этого процесса, упростить и сделать его визуально наглядным поможет описываемый ниже комбинированный прибор, который в сочетании с осциллографом может быть использован как панорамный индикатор спектра диапазона частот 0,8...2ГТц или индикатор АЧХ этого диапазона, а без осциллографа - как индикатор уровня сигнала на любом участке или сразу во всем диапазоне. С помощью прибора можно по уровню шумов быстро оценить исправность конвертера, проверить работоспособность тюнера, при необходимости (если он, например, самодельный или работает в течение длительного времени) подстроить АЧХ и диапазон перестройки. Прибор поможет быстро настроиться на сигналы спутника и подстроить антенную систему на максимум сигнала, уточнить размещение конвертера (облучателя), отрегулировать его поляризацию и т.д. Основное удобство заключается в том, что результаты проводимых манипуляций сразу отражаются на экране осциллографа или стрелочном индикаторе.

Схема устройства и его конструкция достаточно просты и доступны для изготовления радиолюбителями средней квалификации. Структурная схема приведена на рис.1. В его состав входят управляемый током генератор качающейся частоты (G1) -генератор сверхвысокой частоты с диапазоном перестройки 0,8...2 ГГц, буферный усилитель А 1, с выхода которого сигнал в масштабе 1; 1 поступает на выход "ГКЧ 1 :1", а через резистивный аттенюатор А2 - на выход "ГКЧ 1:10". Для управления генератором предназначены формирователь треугольного напряжения (G2) и преобразователь напряжение-ток - (U1). Установка верхней и нижней частот диапазона качания производится независимо друг от друга с помощью переменных резисторов, что удобно при эксплуатации. Усилитель АЗ служит для подачи сигнала на развертку осциллографа. Питаются эти узлы от сетевого блока питания (U2).

Прибор для настройки аппаратуры НТВ

Этими элементами вместе с детекторной головкой обеспечивается режим панорамной индикации АЧХ. Для этого на вход "Y" осциллографа подается сигнал с выхода детекторной головки, а на вход "X" - сигнал развертки с выхода усилителя АЗ. Для реализации режима анализатора спектра в приборе имеется смеситель (U3), на который с выхода "ГКЧ" через вход "ГКЧ" проступает сигнал генератора, а через вход "ПЧ" - сигнал с выхода СВЧ конвертера. Выходной сигнал смесителя усиливается видеоусилителями (А4 и А5), детектируется амплитудным детектором (U4), с выхода которого сигнал можно подавать либо на вход "Y" осциллографа, либо на стрелочный индикатор. В приборе предусмотрены гнезда для питания конвертера. Анализатор спектра работает с так называемой "нулевой ПЧ", что позволило при удовлетворительном качестве упростить построение прибора. Конструктивно прибор выполнен из четырех основных узлов: высокочастотного блока, формирователя управляющего напряжения и тока, видеоусилителя, а также блока питания. Каждый из блоков собран на отдельной печатной плате. Это позволило изготавливать и регулировать их отдельно друг от друга и только после этого устанавливать в корпус прибора.

Схема высокочастотного блока приведена на рис.2. На транзисторах VТ1 и VТ2 выполнен генератор СВЧ, частотой генерации которого можно управлять с помощью тока, а на VТЗ - буферный усилитель. Сигналы с выхода усилителя поступают на гнезда ХS1 "1:1" и ХS2 "1:10". Подробнее эти узлы были описаны ранее в [1].

Прибор для настройки аппаратуры НТВ

На транзисторе VT4 собран смеситель сигнала, работает в режиме анализатора спектра. На его базу через гнездо XS3 поступает сигнал от СВЧ конвертера, а на эмиттер через гнездо XS4 - сигнал генератора. Для этого гнезда ХS1 и ХS4 соединяют коаксиальным кабелем. Разностный сигнал снимается с коллектора транзистора VT4 и поступает затем на вход видеоусилителя, конденсатор С14 при этом подавляет высокочастотные составляющие разностного сигнала. Питание СВЧ конвертера осуществляется через фильтр нижних частот L2C3.

Схема формирователя управляющих напряжений и тока приведена на рис.3. На микросхемах DА1 - DАЗ и DD1 собран формирователь треугольного напряжения, который работает совместно с управляемым стабилизатором тока на микросхеме DА4 и транзисторе VT5, На DА5 собран усилитель сигнала развертки осциллографа. Амплитуду этого напряжения можно регулировать переменным резистором R27. Резисторами R17 и R20 устанавливают соответственно нижнюю и верхнюю частоты диапазона качания частоты генератора СВЧ. Этот узел выполнен по схеме [2] и поэтому здесь также подробно не описан.

Прибор для настройки аппаратуры НТВ

Схема видеоусилителя приведена на рис.4. Он - двухкаскадный; каждый из них выполнен на быстродействующем ОУ. Коэффициент усиления каждого каскада составляет 38...40 дБ, что обеспечивает требуемую чувствительность анализатора спектра. Регулировка коэффициента усиления осуществляется переменным резистором R32.

Прибор для настройки аппаратуры НТВ

На входе каждого каскада установлены фильтры высоких частот С19 R29 и С23 R33, которые предназначены для уменьшения влияния низкочастотных наводок и помех. Специального высокочастотного фильтра в видеоусилителе нет. его роль выполняют сами ОУ, которые обеспечивают сквозную полосу пропускания анализатора в несколько сот килогерц. На выходе второго каскада установлен детекторный диод VD2, который срезает отрицательные полуволны сигнала, и на вход "Y" или стрелочный индикатор поступают положительные полуволны переменного напряжения сигнала.

Блок питания собран по традиционной схеме (рис.5) и содержит понижающий трансформатор питания Т1, двухполупериодный выпрямитель на диодной матрице VDЗ и сглаживающих конденсаторах С27 и С28. Стабилизаторы напряжения выполнены по известной схеме и в комментариях не нуждаются.

Прибор для настройки аппаратуры НТВ

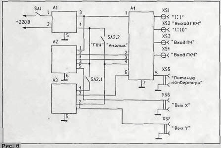
Схема межплатных соединений приведена на рис.6. Включение прибора осуществляется выключателем SА1, а переключение режимов работы - переключателем SА2. Эти переключатели, а также переменные резисторы R17, R20, R27, R32 располагают на передней панели прибора. А на рис. 7 приведена схема детекторной головки. Ее основное назначение - детектирование сигнала СВЧ.

Прибор для настройки аппаратуры НТВ

Как говорилось выше, прибор можно использовать как индикатор АЧХ, анализатор спектра или индикатор уровня сигнала. В первом случае прибор работает совместно с осциллографом, у которого имеется вход "X". На его вход подают сигнал с выхода ХS6 ("Вых. X") прибора и устанавливают развертку на весь экран. При этом на осциллографе появится светящаяся горизонтальная линия, называемая "нулевой", которую устанавливают на нижнюю линию сетки экрана.

На вход "Y" осилллографa подключают выход детекторной головки, а ее вход - к выходному гнезду ХS1 ("Выход ГКЧ 1:1"). При этом на экране появится наклонная или несколько изогнутая линия, высота которой по отношению к нулевой линии будет пропорциональна уровню сигнала генератора СВЧ, эта линия будет эталонной. Затем детекторную головку подключают на выход или в контрольную точку исследуемого устройства, а сигнал с гнезда ХS1 ("Выход ГКЧ" 1;1 или 1:10) подают на вход устройства. Сравнивая положение эталонной линии и линии, полученной в этом случае, можно судить о том, проходит сигнал СВЧ через это устройство или нет, усиливается в нем сигнал или ослабляется, а также какова его АЧХ. Так можно проверить исправность тюнеров, усилителей, разветвителей сигнала и т.д. Диапазон, в котором исследуются эти параметры, устанавливается резисторами R17 и R20 (блок формирователя, рис.7) и может составлять от нескольких десятков МГц до полного диапазона. В этом режиме смеситель и видеоусилитель не работают, так как питание на них не подается.

Прибор для настройки аппаратуры НТВ

В режиме анализатора спектра работают все узлы прибора, гнезда ХS1 иХS4 соединяют кабелем, а к гнезду ХS3 ("Вход ПЧ") подключают выход СВЧ конвертера. При этом на экране осциллографа должна наблюдаться размытая линия, так называемая "шумовая дорожка". После подачи питающего напряжения на конвертер (гнездо ХS5) уровень шумов должен значительно возрасти, его амплитуду можно регулировать резистором R32 (блок видеоусилителя).

При перемещении антенны в пространстве в момент настройки на спутник на экране осциллографа появятся всплески шумоподобного сигнала - на том месте развертки, которое соответствует частоте этого сигнала. С помощью переменных резисторов установки диапазона качания частоты этот сигнал можно "развернуть" на весь экран. После чего можно настраивать антенную систему, изменять поляризацию и углы установок до получения максимальной амплитуды принимаемого сигнала. Такая настройка позволяет "выжать" из системы максимум возможного. По распределению сигналов в диапазоне частот и их относительной мощности определяют на какой спутник настроена антенна. Если в этом режиме на "Выход Y" прибора подключить стрелочный измерительный индикатор, например, микроамперметр с током полного отклонения 100 мкА. то по отклонению стрелки можно судить об изменении уровня принимаемого сигнала, а значит, будет удобно настраивать антенную систему на максимум сигнала.

Эскиз печатной платы высокочастотной части приведен на рис. 8. Она выполнена из двустороннего фольгиро-ванного стеклотекстолита. Проводники расположены на одной ее стороне, а другая оставлена металлизированной (она служит экраном) и соединена по контуру с общей шиной питания первой стороны. Плата размещается на боковой стенке корпуса прибора и крепится к ней четырьмя выходными СВЧ гнездами. Таким образом обеспечивается минимальное расстояние между высокочастотными соединителями и элементами на плате.

Прибор для настройки аппаратуры НТВ

Эскизы печатных плат формирователя, видеоусилителя и блока питания приведены соответственно на рис. 9, 10 и 11. Для их изготовления можно использовать односторонний фольгированный материал. Эти платы затем размещают на дне корпуса прибора на металлической пластине (или из одностороннего фольгированного стеклотекстолита, гетинакса), которая выполняет роль общего провода и с которой соединены общие шины питания всех плат.

Прибор для настройки аппаратуры НТВ

Прибор для настройки аппаратуры НТВ

Прибор для настройки аппаратуры НТВ

В устройстве допустимо применить элементы следующих типов: микросхемы DA1 - DA5 - К140УД6, К140УД7, DA6.DA7 - К544УД2А, К544УД2Б, DD1 - К561ТМ1 или другие, содержащие RS-триггер. Транзисторы VT1 - VT4 - КТ3124А - 2, КТ3124Б - 2, КТ3124В - 2, КТ3132А - 2, КТ3132Б - 2, КТ3132В - 2; VT5 - КТ608А, КТ608Б, КТ603 с буквенными индексами от А до Г, КТ503(А - Е); VT6 - КТ603(А - Г), КТ608А, КТ608Б, КТ602А, КТ602Б; VT7 - КТ315(А - И), КТ312(А - В), КТ3102(А - Е); VT8 - КТ208(А - М), КТ209(А - М); VT9 - КТ208(А - М), КТ209(А - М), КТ203(А - В),КТ361(А - Е).

Диоды VD1 - КС156А; VD2 - Д9 с любым буквенным индексом, Д18, Д20, Д310, Д311А, Д311Б, Д312А, Д312Б; мост VD3 заменим четырьмя диодами типов КД102Б, КД103Б, КД105Б, КД106А, КД509А, КД510А; VD4, VD5 - Д814Г, КС211Ж, КС211Ц, КС510А; све-тодиод HL1 - АЛ307 с буквенными индексами от А до Г или АЛ341 (А - Д) - оксидные К50-6, К50 - 24, К53 - 1; в качестве С1 - С14 желательно использовать бескорпусные К10 - 42, К10 - 17 или аналогичные, при их отсутствии (как крайний случай) подойдут КМ, КД с минимально возможной длиной выводов; остальные - КЛС, КД, КТ, КМ.

Переменные резисторы - СПО, СП4, СП любой модификации, подстроечный (R6) - СПЗ - 19, остальные - МЛТ, С2-33. В высокочастотной части конструкции прибора желательно применение резисторов С2 - 10.

Дроссель L2 - ДМ - 0,1 с индуктивностью 20 - 100 мкГн. Понижающий трансформатор - любой малогабаритный, имеющий две вторичные обмотки на напряжение 12...15 В при токе до 70 мА.

В детекторной головке надо использовать СВЧ детекторные диоды, конденсаторы, как в высокочастотной части прибора, и резисторы С2 - 10.

Настройку прибора начинают с регулировки работы отдельных плат устройства. Блок питания в настройке, как правило, не нуждается. Следует только проверить его работоспособность - выходные напряжения должны быть в пределах 11...13 В. Если планируется питать конвертер от этого же блока питания, то необходимо несколько умощ-нить его - трансформатор должен обеспечивать ток до 200 мА; стабилизатор будет работать тот же, только транзистор VT6, если он начнет сильно греться, возможно, придется разместить на небольшом радиаторе.

Формирователь управляющих напряжений предварительно проверяют следующим образом. К плате подключают резисторы R16 - R21, которые размещены на передней панели. Выводы платы 2 и 4 временно замыкают, и между ними и общим проводом устанавливают дополнительный резистор сопротивлением 200 Ом, после чего подают питающие напряжения. При вращении резисторов R17 и R20 на дополнительном резисторе осциллографом проверяют колебания треугольной формы, максимальная амплитуда их должна быть не менее 1...1,5 В.

Затем проверяют плату видеоусилителя - он не должен возбуждаться в любом положении движка резистора RЗ2. Если это происходит, то, возможно, придется параллельно конденсаторам С20. С21, С25, С26 установить керамические конденсаторы емкостью 0,047 - 0,1 мкФ. Если же такое подключение не дает положительного эффекта, надо увеличить емкости конденсаторов С22, С24 в два - три раза. Коэффициент усиления видеоусилителя на частоте примерно 50 кГц должен составлять несколько тысяч раз.

Настройку высокочастотной платы проводят в следующей последовательности. На вывод 1 платы подают питающее напряжение (12 В), а на вывод 2 - напряжение от регулируемого стаби-лизированного блока питания. К гнезду XS1 подключают частотомер, работающий в диапазоне 0,7...2 ГГц. На вывод 2 подают напряжение 0,5 В и, плавно увеличивая его, добиваются момента возникновения генерации. Затем на выводе 3 контролируют постоянное напряжение и, изменяя напряжение на выводе 2, фиксируют напряжения на выводе 3, соответствующие нижней 0,7...0,9 ГГц и верхней 1,9...2,1 ГГц границам генерации. Именно в этих пределах должно изменяться напряжение на движках резисторов R17 и R20. Такие значения напряжения (с небольшим запасом) устанавливают затем подбором номиналов резисторов R16, R18 для резистора R17 и R19, R21 - для резистора R20. Следует учитывать, что при уменьшении напряжения генерируемая частота увеличивается.

После этого все платы размещают в корпусе, при этом, как было сказано ранее, высокочастотная плата крепится на боковой стенке корпуса, а остальные размещаются на металлическом или металлизированном основании размерами 90x120 мм и крепятся к нему клеем, а также пайкой толстым луженым проводом земляных площадок монтажных плат на основание. Кроме того, высокочастотную плату надо с помощью полоски луженой медной фольги соединить по нижнему краю с основанием. Само основание крепится на дне корпуса с помощью винтов, при этом лучше использовать металлический корпус, его габариты могут быть (примерно) 50x105x140 мм. Все органы управления размещают на передней крышке, а гнезда XS5 - XS7 - на задней боковой.

Закончив регулировку плат по отдельности, можно приступить к градуировке шкал переменных резисторов. Для этого прибор включают в режим "Анализ" и подключают к нему осциллограф. На экране должна наблюдаться неширокая шумовая дорожка, ее надо сделать по горизонтали чуть меньше размеров экрана. Затем на вход ПЧ (гнездо XS3) подают сигнал с частотой 1,2... 1,5 ГГц с уровнем -30...50 дБм от измерительного генератора (с диапазоном перестройки 0,8...2 ГГц). Прибор устанавливают в режим максимального обзора частоты. Примерно на середине экрана должен появится сигнал в виде всплеска амплитуды. При изменении частоты генератора он начнет перемещаться по экрану. Затем уменьшают уровень сигнала измерительного генератора до минимального, при котором еще наблюдается сигнал на экране, и подстроечным резистором R6 добиваются его максимального уровня.

Уровень сигнала генератора увеличивают в несколько раз и устанавливают частоту точно, например, 1,5 ГГц. Переменные резисторы R17, R20 снабжают указателями и, сместив резистором R17 сигнал на экране точно на левый край развертки, делают соответствующую отметку на шкале этого резистора. Аналогично, но уже резистором R20, смещают сигнал точно на правый край развертки и делают отметку на шкале этого резистора. Поочередно устанавливают другие значения частот на измерительном генераторе, и процесс градуировки повторяют.

Литература

  1. Нечаев И. Приставка ГКЧ для диапазонов 300...900 и 800...1950 МГц. - Радио. 1995, №1, c,33, 34.
  2. Нечаев И. Приставка для измерения частотных характеристик. - Радио, 1994. № 1, с.26, 27.

Автор: И.Нечаев, г.Курск

Смотрите другие статьи раздела Антенны телевизионные.

Читайте и пишите полезные комментарии к этой статье.

<< Назад

Последние новости науки и техники, новинки электроники:

Власть является ключевым фактором счастья в отношениях 11.03.2026

Исследования семейных и романтических отношений показывают, что длительное счастье пары зависит не только от привычных факторов, таких как доверие, уважение и преданность, но и от более тонких психологических аспектов. Современные ученые ищут закономерности, которые отличают действительно счастливые пары от остальных, чтобы понять, какие механизмы поддерживают гармонию в отношениях. Группа исследователей из Университета Мартина Лютера в Галле-Виттенберге и Бамбергского университета провела опрос среди 181 пары, которые состояли в совместных отношениях более восьми лет и прожили вместе хотя бы месяц. Участники заполняли анкету, описывая различные аспекты своих отношений, включая распределение обязанностей, эмоциональную поддержку и степень вовлеченности в совместные решения. Анализ данных показал интересный паттерн: пары, где оба партнера ощущали высокий уровень личной власти, оказывались наиболее счастливыми и удовлетворенными. В данном контексте под властью понимается способност ...>>

Защищенная колонка-повербанк Anker Soundcore Boom Go 3i 11.03.2026

Компания Anker представила новую модель линейки Soundcore - колонку Soundcore Boom Go 3i, ориентированную на активное использование на улице. Новинка отличается высокой степенью защиты: корпус соответствует стандарту IP68, что обеспечивает водо- и пыленепроницаемость, а ударопрочный дизайн выдерживает падение с высоты до одного метра. За качество звука отвечает 15-ваттный драйвер, обеспечивающий пик громкости до 92 дБ, а технология BassUp 2.0 усиливает низкие частоты, делая звучание более насыщенным. Колонка обладает автономностью до 24 часов, а LED-индикатор позволяет контролировать уровень заряда батареи. Кроме того, Soundcore Boom Go 3i может выполнять функцию павербанка: согласно внутренним тестам, устройство способно зарядить iPhone 17 с нуля до 40% за один час, что делает его полезным аксессуаром в походах и поездках. Среди функциональных особенностей модели стоит выделить технологию Auracast, которая улучшает подключение и позволяет создавать стереопару из двух колонок ...>>

Раннее воздержание от алкоголя перестраивает мозг и иммунитет 10.03.2026

Алкогольная зависимость - хроническое расстройство с компульсивным употреблением спиртного, которое влияет не только на поведение, но и на функционирование мозга и иммунной системы. Недавние исследования показали, что даже на ранних этапах воздержания организм начинает перестраиваться, открывая новые возможности для терапии зависимости. Ученые сосредоточились на пациентах, находящихся в первые недели абстиненции, и зафиксировали значительные изменения в мозговой активности. С помощью функциональной магнитно-резонансной томографии они выявили перестройку сетей нейронных связей, отвечающих за контроль импульсов и принятие решений. Эти изменения могут быть ключевыми для восстановления самоконтроля и снижения риска рецидива. Одновременно с нейронной перестройкой исследователи наблюдали колебания иммунной системы. В крови повышался уровень цитокинов - сигнальных белков, регулирующих воспалительные процессы. Эти данные свидетельствуют о существовании нейроиммунного взаимодействия, при ...>>

Случайная новость из Архива

Универсальная платформа xDC 14.01.2025

Южнокорейская компания LG в сотрудничестве с американской Qualcomm представит инновационную платформу Cross Domain Controller (xDC), которая обещает перевернуть представление о возможностях автомобильных систем. Построенная на базе системы-на-чипе Qualcomm Snapdragon Ride Flex, xDC объединяет в себе технологии систем помощи водителю (ADAS) и информационно-развлекательных функций (IVI), создавая универсальное решение для управления современными автомобилями.

Ключевая особенность платформы xDC - ее способность обрабатывать данные от ADAS и IVI в единой централизованной системе. Такой подход решает проблему сложности архитектуры современных автомобилей, которым необходимо эффективно управлять множеством задач одновременно. В основе лежит мощная система Snapdragon Ride Flex SoC, обеспечивающая высокую производительность и адаптивность.

Интеграция функций ADAS и IVI в рамках одной платформы позволяет автомобилю реагировать быстрее и точнее, что положительно сказывается на безопасности и комфорте. Важная инновация платформы - функция ADAS Confidence View, которая использует сочетание 3D- и 2D-графики для предоставления водителю понятных визуальных подсказок. Эта технология помогает лучше сосредотачиваться на дорожной обстановке, повышая уверенность и скорость реакции.

Универсальность xDC проявляется и в ее мультимедийных возможностях. Водители и пассажиры смогут получать уведомления о дорожной ситуации, рекомендации на основе их предпочтений и предупреждения от систем ADAS в интегрированном формате. Это позволяет сочетать развлекательные функции с важной информацией, не отвлекаясь от управления.

Среди преимуществ платформы разработчики выделяют экономичность, так как объединение систем ADAS и IVI сокращает количество необходимых компонентов, и оптимизацию дизайна, что позволяет адаптировать решения под запросы различных автопроизводителей. Важным аспектом является и повышение безопасности: благодаря единой системе обработки данных автомобиль реагирует на критические ситуации быстрее, чем при использовании разрозненных систем.

xDC также открывает новые горизонты для автомобилестроения, упрощая разработку и интеграцию технологий в транспортные средства будущего. Эта платформа становится не только шагом к созданию более интеллектуальных автомобилей, но и примером эффективного использования ресурсов для повышения удобства и надежности транспортных систем.

Сотрудничество LG и Qualcomm подтверждает стремление лидеров индустрии к созданию решений, которые сделают автомобили более функциональными, безопасными и комфортными, адаптируя их к требованиям современного мира.

Другие интересные новости:

▪ Мобильный телефон для навигационных систем

▪ Смех матери и здоровье ребенка

▪ Кошки понимают людей

▪ Океан превращается в пластик

▪ Новая экстримальная батарейка

Лента новостей науки и техники, новинок электроники

 

Интересные материалы Бесплатной технической библиотеки:

▪ раздел сайта Телевидение. Подборка статей

▪ статья Гроза. Основы безопасной жизнедеятельности

▪ статья Как колыбельные и стишки спасли жителей острова Симелуэ от цунами? Подробный ответ

▪ статья Водитель мусоровоза. Типовая инструкция по охране труда

▪ статья Направленные приемные антенны низкочастотных диапазонов. Энциклопедия радиоэлектроники и электротехники

▪ статья Трехстворчатая ширмочка. Секрет фокуса

Оставьте свой комментарий к этой статье:

Имя:


E-mail (не обязательно):


Комментарий:





Главная страница | Библиотека | Статьи | Карта сайта | Отзывы о сайте

www.diagram.com.ua

www.diagram.com.ua
2000-2026