Menu Home

Бесплатная техническая библиотека для любителей и профессионалов Бесплатная техническая библиотека


Универсальная панорамная SDR-приставка для КВ трансивера. Энциклопедия радиоэлектроники и электротехники

Бесплатная техническая библиотека

Энциклопедия радиоэлектроники и электротехники / Антенны. Измерения, настройка, согласование

Комментарии к статье Комментарии к статье

Сегодня, наверное, уже нет радиолюбителя, не знающего, хотя бы в общих чертах, что такое SDR (Software-Defined Radio). На эту тему написано уже много, и в рамках этой статьи нет необходимости подробно рассказывать, что это такое и как это работает. Будем считать, что некоторое представление и некоторый опыт в данной области у читателя имеются.

Такая сравнительно новая технология обработки сигнала все сильнее проникает в нашу радиолюбительскую жизнь, и в эфире уже работают много радиостанций с использованием SDR-тран-сиверов. Некоторые радиолюбители слушают эфир и визуально наблюдают обстановку на SDR-приемниках, но свой сигнал передают в эфир по-прежнему с помощью обычного "классического" трансивера. Ведь помимо отличного качества приема сигнала радиолюбителей в технике SDR привлекает наличие красивой и информативной панорамы эфира на экране компьютера. А вот работа на передачу с обычного трансивера предполагает и свои преимущества. Например, большинство импортных трансиверов, как правило, имеют на выходе "стандартные" 100 Вт, а многие модели еще и встроенный автоматический тюнер. Большинство же предлагаемых для покупки или повторения SDR-трансиверов обеспечивают небольшую выходную мощность передатчика (не более 20 Вт) и не имеют встроенного антенного тюнера. Следовательно, в дальнейшем придется позаботиться еще и о дополнительном линейном усилителе мощности, и о выходных ФНЧ. В целом SDR-трансивер может обойтись совсем не дешево.

Для многих любителей существует еще и некоторый психологический барьер - виртуальный. Трансивер на экране компьютера не всех устраивает, и человек предпочитает иметь на столе не невзрачную коробку с парой светодиодов и разъемов, а реальный трансивер с красивыми кнопками и ручками, которые можно потрогать и покрутить. Иметь и то и другое также могут далеко не все желающие, и при выборе большинство предпочитают все-таки "классику". Так что же делать в случае, если имеется неплохой обычный трансивер, денег на приобретение отдельного SDR-трансивера нет, а пользоваться "благами" SDR и модно, и хочется?

Существуют два основных пути со своими достоинствами и недостатками. Рассмотрим их отдельно.

Путь первый - приобрести или изготовить отдельный полноценный SDR-приемник, а на передачу работать по старинке, с обычного трансивера. В этом случае необходимо позаботиться как минимум о двух вещах - коммутации антенны, которая должна подключаться к SDR-приемнику в режиме приема и к выходу трансивера при передаче, и о синхронизации частоты настройки и режимов работы трансивера и отдельного SDR-приемника. Если вмешательство в трансивер не планируется и не приемлемо для его владельца, то это очень удобный вариант реализации SDR-приема. Правда, не самый дешевый и простой.

Как удачный пример, можно привести приемник "Hanter" (цена около 200 долл. США), имеющий встроенный блок коммутации антенны. Схема этого приемника доступна на сайте производителя [1]. Там можно почерпнуть для себя многие интересные схемотехнические решения (блок коммутации в частности) в случае, если вы имеете желание сделать подобную систему SDR-приема самостоятельно.

Что касается синхронизации настройки SDR-приемника и трансивера, то не все так просто при самостоятельном изготовлении. Приемник должен уметь обмениваться информацией о частоте и режимах работы с SDR-программой, которая, в свою очередь, также должна уметь общаться с другими программами. И выбор тут, в принципе, невелик. В основном для управления приемником все используют USB-интерфейс компьютера и пользуются синтезатором частоты на основе микросхемы Si570 (по причине доступности программного обеспечения для микроконтроллера управления синтезатором и приемником). Этот синтезатор применяется во многих SDR-приемниках и трансиверах серии "SoftRock", а также его можно приобрести как отдельное от приемника устройство [2].

Информации по изготовлению, а также о возможностях приобретения различных SDR-наборов в Интернете очень много, и при желании не составит никакого труда найти ее в любой поисковой системе. Достаточно ввести ключевые слова "sdr softrock" или подобные. Для примера, можно начать обзор с очень информативного и интересного сайта RV3APM [3]. Как раз на одной из страниц этого сайта [4] вкратце рассказывается о синхронизации отдельного приемника и трансивера.

Второй путь реализации SDR-приема - подключение простейшего SDR-приемника (панорамной приставки) на одну фиксированную частоту к тракту ПЧ трансивера. Этот способ подробно описан на сайте WU2X - автора специальной программы POWERSDR/IF STAGE [5]. В качестве примера там же приводится описание подключения такого SDR-приемника к выходу ПЧ трансивера TS-940S.

Единственный недостаток такой схемы подключения в том, что не каждый трансивер имеет буферизированный выход ПЧ, да еще и широкополосный, т. е. отведенный от тракта приема до фильтра основной селекции. И если такого выхода ПЧ нет, его придется делать самому или же отказаться от этого способа и вернуться к первому - отдельному приемнику. Если же вы достаточно квалифицированный радиолюбитель, то без труда сможете найти на схеме своего трансивера первый смеситель приемника и подключить к нему буферный каскад, с выхода которого можно вывести сигнал ПЧ приемника на заднюю панель трансивера. Для примера, на рис. 1 приведен фрагмент схемы трансивера IC-735 с встроенным буферным усилителем.

Универсальная панорамная SDR-приставка для КВ трансивера
Рис. 1 (нажмите для увеличения)

Итак, предположим, что выход ПЧ у нас есть. Теперь необходимо выбрать приемник. На этом этапе также произойдет некоторое разделение вариантов, в зависимости от частоты ПЧ трансивера.

Если частота ПЧ "низкая" - меньше 40 МГц, да еще и "круглая", например, 9 МГц, то вам повезло. Самый простой вариант - купить, например, здесь [6], недорогой (21 долл. США) набор одно-диапазонного SDR-приемника "Softrock 6.2" или подобный, рассчитанный на прием диапазона 40 или 30 метров, и кварцевый резонатор на 12 МГц. Схема гетеродина приемника позволяет возбудить этот резонатор на третьей гармонике, т. е. на частоте 36 МГц. Атак как сигнал гетеродина в приемнике делится на четыре перед подачей на смеситель, то получим частоту SDR-приема около 9 МГц. Это самый дешевый и, можно сказать, идеальный вариант.

Но можно собрать подобный приемник с фиксированной ПЧ и самостоятельно. В сети Интернет предложено немало вариантов простых приемников на различных комплектующих. И здесь нельзя не упомянуть известного и уважаемого радиолюбителя Таsа (YU1LM), который разработал и опубликовал множество разновидностей SDR-приемников и трансиверов. Очень полезно посетить его сайт [7], где можно найти схемы и подробные описания работы его конструкций, рисунки печатных плат (правда, все это на английском языке).

Все хорошо и понятно, если есть в наличии кварцевый резонатор на необходимую частоту. А если его нет? Что делать? Выбор невелик. Или отказаться от этой затеи, или сделать синтезатор частоты, о котором пойдет речь чуть ниже.

Теперь рассмотрим самый сложный (и, к сожалению, самый распространенный) вариант - трансивер с "высокой" ПЧ и, соответственно, преобразованием "вверх". По этой структуре выполнено подавляющее большинство фирменных трансиверов, но далеко не все цифровые микросхемы, обычно применяемые в SDR-приемниках, способны работать на частотах порядка 80 МГц. Также необходимо иметь кварцевый резонатор на нужную частоту. Есть и другие сложности.

В этом случае авторы некоторых конструкций применяют двойное преобразование частоты. Сигнал первой ПЧ трансивера (45...80 МГц в большинстве случаев) переносится на вторую ПЧ, на частоту, на которой способен работать SDR-приемник. Это не самый лучший путь, так как двойное преобразование снижает достижимые динамические параметры приемника и может создать дополнительные внутренние помехи приему при неудачном выборе частот преобразования.

К динамическому диапазону панорамной приставки нужно относиться серьезно, даже если вы продолжаете вести прием на трансивере, а на панораму просто смотрите. Любые перегрузки, как первого смесителя трансивера, так и смесителя SDR-приемника, а также входа звуковой карты компьютера, приведут к появлению на картине панорамы ложных, несуществующих реально сигналов. Любые продукты ограничения по амплитуде и интермодуляционные составляющие будут прекрасно видны на панораме.

Поэтому нужно хорошо согласовывать весь тракт SDR-приема по уровням сигналов. Не допускать перегрузок. Простой критерий - на самом "тихом" диапазоне шумовая дорожка панорамы должна лишь немного приподниматься вверх при подключении антенны к трансиверу, т. е. необходим небольшой запас по чувствительности, но не более. Не следует допускать ситуаций, когда шум эфира при подключении антенны поднимает шумовую дорожку панорамы на полэкрана, т. е. на десятки децибелл. Вы просто потеряете сигнал в шумах, ограничив при этом динамический диапазон всей системы. Пользуйтесь аттенюаторами трансивера или отдельным аттенюатором на входе панорамной приставки.

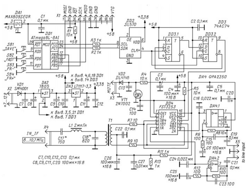
Также не пренебрегайте хорошим полосовым фильтром на частоту принимаемой ПЧ на входе вашего SDR-приемника. На выходе первого смесителя трансивера присутствует широкий спектр всевозможных комбинационных частот, а SDR-приемник имеет и побочные каналы приема (на гармониках гетеродина, например), и возможна ситуация появления помех приему по этой причине. И если в обычном трансивере мы слышим помехи, только когда они попадают в полосу пропускания фильтра основной селекции, то при SDR-приеме мы видим на панораме все. Это общие рекомендации. Далее перейдем к рассмотрению предлагаемой для повторения панорамной приставки, схема которой показана на рис. 2.

Универсальная панорамная SDR-приставка для КВ трансивера
Рис. 2 (нажмите для увеличения)

Устройство представляет собой приемник прямого преобразования на фиксированную частоту и очень близко по схемотехническим решениям "SoftRock 6.2". Этот вариант имеет отличные динамические параметры и очень хорошее соотношение простота/цена/качество.

Основное отличие от оригинального "SoftRock" - это применение вместо кварцевого генератора синтезатора частоты на микросхеме Si570 CAC000141G (DD2). Такое решение позволяет настроить панорамную приставку на частоту приема сигнала первой ПЧ любого трансивера, и необходимость в поиске нужного кварцевого резонатора отпадает. Это не дешевое решение (микросхема Si570 стоит примерно 30...40 долл. США), но наиболее качественное и простое схемотехнически. С таким синтезатором можно принимать сигналы от 1 до 80 МГц и даже выше. Микросхема Si570 (КМОП версии) способна генерировать сигнал с максимальной частотой до 160 МГц, но максимальная частота приема будет ограничена быстродействием примененных в смесителе аналоговых ключей - микросхемы FST3253 (DD4). Реально проверена работа приставки на частоте ПЧ трансивера ICOM - 70,4515 МГц.

Схему приемника можно выбрать в одном из двух вариантов. Приемная часть и синтезатор одинаковы для обеих версий панорамной приставки, отличие только в фазовращателях. Какой вариант выбрать - решать вам. Печатная плата также разработана для двух вариантов.

Первый вариант - с применением фазовращателя на делителе на четыре, т. е. самый распространенный, обеспечивающий в нашем случае максимальную частоту приема 40 МГц (160 МГц/4) и не требующий настройки фазовращателя. Этот вариант удобен для трансиверов с низкой ПЧ.

Универсальная панорамная SDR-приставка для КВ трансивера
Рис. 3

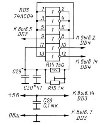
Второй вариант - применение в качестве фазовращателя интегрирующей RC-цепи, задерживающей сигнал одного из каналов фазовращателя относительно другого канала на 90о по фазе (рис. 3). Этот вариант требует подбора емкости конденсаторов фазовращателя и точной настройки подстроечным резистором.

Такой фазовращатель вместо делителя частоты на четыре позволяет сформировать два сигнала непосредственно на рабочей частоте синтезатора, без ее деления. В случае с синтезатором на Si570 возможно получение выходной частоты фазовращателя вплоть до 160 МГц. Эта максимальная частота будет определяться быстродействием примененных инверторов и влиянием на высоких частотах емкости монтажа.

Аналогичный вариант применен в приемнике YU1LM "Monoband SDR HF receiver DR2C". На его сайте можно найти полную схему приемника с подробным описанием работы этого фазовращателя. Также на схеме YU1LM приведены ориентировочные значения емкости конденсатора фазовращателя, в зависимости от принимаемой частоты (частоты первой ПЧ вашего трансивера).

Входной полосовой фильтр 2-го порядка - C17L1C18 - достаточно широкополосный. На схеме указаны номиналы для частоты ПЧ в полосе 8.10,7 МГц. Для другого значения ПЧ необходимо пересчитать номиналы элементов фильтра. Это очень просто и удобно делать с помощью программы RFSim99 [8].

Для управления синтезатором частоты Si570 применен популярный и дешевый микроконтроллер Atmega8 (DD1) с записанными в его EEPROM-па-мять кодами программы из файла SOFT_UNIPAN.hex.

Катушка L1 содержит 24 витка, намотанных проводом ПЭВ-2 0,35 на кольцевом магнитопроводе Т30-6 фирмы Amidon. Трансформатор T1 смесителя намотан на аналогичном магнитопроводе и таким же проводом. Число витков первичной обмотки - 9, вторичной - 2x3.

Микросхему 0PA2350 (DA4) можно заменить другим малошумящим сдвоенным ОУ. Усиление корректируют подбором резисторов R8 и R10.

Универсальная панорамная SDR-приставка для КВ трансивера
Рис. 4

Все устройство собрано на печатной плате размерами 60x65 мм (рис. 4) из двустороннего фольгированного стеклотекстолита, а на рис. 5 показано расположение на ней деталей (все для варианта приемника с делителем на четыре). Практически все резисторы и конденсаторы типоразмера 0805.

Универсальная панорамная SDR-приставка для КВ трансивера
Рис. 5

Для программирования контроллера удобно использовать программатор USBasp. Он относительно недорог и удобен тем, что используется USB подключение к компьютеру. Информации по этим программаторам и программам для него в Интернете множество. К панорамной приставке программатор подключают стандартным (идущим в комплекте с большинством продаваемых программаторов) ISP-кабелем для программирования.

Универсальная панорамная SDR-приставка для КВ трансивера
Рис. 6

Конфигурацию микроконтроллера задают в соответствии с рис. 6 в окне программы, обслуживающей программатор, т. е. программируют только разряды конфигурации, необходимые для работы с внутренним генератором 8 МГц (CKSEL=0100 и SUT=10). Также нужно установить разряды EESAVE=0, BODEN=0, BODLEVEL=1 (2,7 В).

Управление синтезатором предельно простое. После записи программы, по умолчанию, устанавливается частота генерации 35,32 МГц, что в случае применения делителя на четыре дает частоту 8,83 МГц, соответствующую частоте ПЧ трансивера TS-940S.

Частоту генерации можно изменять в широких пределах кнопками "FR-" (SB3) и "FR+" (SB4). Скорость перестройки увеличивают, нажав и удерживая кнопку "FAST" (SB2). Установив нужную частоту, следует нажать на кнопку "SAVE" (SB1), и новое значение запишется в энергонезависимую память микроконтроллера - EEPROM. Эта частота будет устанавливаться при каждом включении панорамной приставки. Частоту генерации синтезатора можно контролировать измерительными приборами или прослушивать на трансивере или другом приемнике.

Разъем Х3 "MUTЕ" может быть полезен для блокировки SDR-приема в момент передачи, для чего следует замкнуть контакты этого разъема. Микросхема DA1 - детектор понижения напряжения (супервизор). При его отсутствии бывали случаи потери данных в энергонезависимой памяти в других конструкциях.

Приемник практически не нуждается в настройке и при правильном монтаже начинает работать сразу.

Универсальная панорамная SDR-приставка для КВ трансивера
Рис. 7

На фотографии рис. 7 представлен вид готовой панорамной приставки. Она несколько отличается от предлагаемых вариантов, так как на ней отрабатывались и испытывались оба варианта - с делителем на четыре и RC-фазовращателем. Малые габариты во многих случаях позволяют разместить эту приставку непосредственно внутри трансивера, а уже с трансивера выводить готовый I/Q сигнал для подключения к линейному входу звуковой карты компьютера. Ну а далее на компьютере нужно установить программу POWERSDR IF STAGE и внимательно изучить всю информацию на сайте WU2X [5].

В заключение хотелось бы отметить некоторые преимущества использования панорамной приставки перед применением отдельного SDR-приемника. Это и относительная простота, и дешевизна самой приставки, и простота подключения к трансиверу. Если нет необходимости управления трансивером со стороны SDR-программы, т. е. вас устраивает управление и перестройка частоты трансивером, то можно применять для просмотра панорамы и SDR-приема практически любую SDR-программу (нет необходимости в синхронизации частот отдельного приемника и трансивера). Недостаток - нужен выход ПЧ в трансивере.

В настоящее время панорамная приставка эксплуатируется с трансивером Kenwood TS-940S.

Программу микроконтроллера и чертежи второго варианта печатной платы приемника можно скачать с ftp://ftp.radio.ru/pub/2013/07/SDR4z5ky.zip.

Литература

  1. Hunter - SDR Receiver/Panadapter. - radio-kits.co.uk/hunter/.
  2. QRP2000 USB-Controlled Synthesizer. - sdr-kits.net/QRP2000_ Description.html.
  3. SDR-SOFTWARE DEFINE RADIO - программа определяет функции радио. - rv3apm.com/rxdx.html.
  4. Как использовать SDR-панораму с любым трансивером-приемником. - rv3apm.com/sdrtrx.html.
  5. POWERSDR/IF STAGE. -  wu2x.com/sdr.html.
  6. Five Dash Inc/Your Source for SoftRock. - fivedash.com/.
  7. Amateur Radio Site Devoted to Homebrew, QRP and Low Power Contesting. - yu1lm.qrpradio.com/.
  8. RFSim99 на русском. - dl2kq.de/soft/6-1.

Автор: Сергей Столяров

Смотрите другие статьи раздела Антенны. Измерения, настройка, согласование.

Читайте и пишите полезные комментарии к этой статье.

<< Назад

Последние новости науки и техники, новинки электроники:

Власть является ключевым фактором счастья в отношениях 11.03.2026

Исследования семейных и романтических отношений показывают, что длительное счастье пары зависит не только от привычных факторов, таких как доверие, уважение и преданность, но и от более тонких психологических аспектов. Современные ученые ищут закономерности, которые отличают действительно счастливые пары от остальных, чтобы понять, какие механизмы поддерживают гармонию в отношениях. Группа исследователей из Университета Мартина Лютера в Галле-Виттенберге и Бамбергского университета провела опрос среди 181 пары, которые состояли в совместных отношениях более восьми лет и прожили вместе хотя бы месяц. Участники заполняли анкету, описывая различные аспекты своих отношений, включая распределение обязанностей, эмоциональную поддержку и степень вовлеченности в совместные решения. Анализ данных показал интересный паттерн: пары, где оба партнера ощущали высокий уровень личной власти, оказывались наиболее счастливыми и удовлетворенными. В данном контексте под властью понимается способност ...>>

Защищенная колонка-повербанк Anker Soundcore Boom Go 3i 11.03.2026

Компания Anker представила новую модель линейки Soundcore - колонку Soundcore Boom Go 3i, ориентированную на активное использование на улице. Новинка отличается высокой степенью защиты: корпус соответствует стандарту IP68, что обеспечивает водо- и пыленепроницаемость, а ударопрочный дизайн выдерживает падение с высоты до одного метра. За качество звука отвечает 15-ваттный драйвер, обеспечивающий пик громкости до 92 дБ, а технология BassUp 2.0 усиливает низкие частоты, делая звучание более насыщенным. Колонка обладает автономностью до 24 часов, а LED-индикатор позволяет контролировать уровень заряда батареи. Кроме того, Soundcore Boom Go 3i может выполнять функцию павербанка: согласно внутренним тестам, устройство способно зарядить iPhone 17 с нуля до 40% за один час, что делает его полезным аксессуаром в походах и поездках. Среди функциональных особенностей модели стоит выделить технологию Auracast, которая улучшает подключение и позволяет создавать стереопару из двух колонок ...>>

Раннее воздержание от алкоголя перестраивает мозг и иммунитет 10.03.2026

Алкогольная зависимость - хроническое расстройство с компульсивным употреблением спиртного, которое влияет не только на поведение, но и на функционирование мозга и иммунной системы. Недавние исследования показали, что даже на ранних этапах воздержания организм начинает перестраиваться, открывая новые возможности для терапии зависимости. Ученые сосредоточились на пациентах, находящихся в первые недели абстиненции, и зафиксировали значительные изменения в мозговой активности. С помощью функциональной магнитно-резонансной томографии они выявили перестройку сетей нейронных связей, отвечающих за контроль импульсов и принятие решений. Эти изменения могут быть ключевыми для восстановления самоконтроля и снижения риска рецидива. Одновременно с нейронной перестройкой исследователи наблюдали колебания иммунной системы. В крови повышался уровень цитокинов - сигнальных белков, регулирующих воспалительные процессы. Эти данные свидетельствуют о существовании нейроиммунного взаимодействия, при ...>>

Случайная новость из Архива

Фотонная камера отслеживает эндоскоп в теле человека 10.09.2017

Верное отслеживание зонда при проведении различных медицинских анализов и диагностики, часто зависит от квалификации врача, выполняющего процедуру, или требует дорогостоящих методов визуализации. Группа ученых из Эдинбургского университета разработала фотонную камеру, которая может обнаружить следы света от наконечника эндоскопа через 20 сантиметров тканей.

Большинство фотонов рассеиваются, отражаясь от тканей. Но ученые обнаружили, что два вида фотонов проходят через ткани организма с низким уровнем рассеяния. Их можно изолировать с помощью специальных чувствительных однофотонных детекторов. Сосредоточив внимание на этих фотонах и игнорируя другие, исследователи создали прототип камеры, которая может идентифицировать медицинский прибор с точностью в пределах 1 сантиметра.

Камера сначала успешно прошла испытания при обнаружении эндоскопа внутри легких овец, после чего исследователи приступили к тестированию новой технологии на человеке. Камере потребовалось 17 секунд, чтобы создать точную экспозицию изображения.

Разработчики уверены, что в дальнейшем у них получится уменьшить время, необходимое для создания экспозиции, а также повысить точность определения местоположения эндоскопа, и в будущем камера сможет визуализировать расположение медицинского устройства в режиме реального времени. Но даже с текущим временем задержки и небольшой точностью устройство уже подходит для проведения различных видов эндоскопических исследований сегментов легких.

Другие интересные новости:

▪ Мусорная почта дорогого стоит

▪ Робот-канатоходец

▪ Смартфон HTC Legend

▪ Твердотельные накопители SanDisk X210 со скоростью чтения 505 МБ/с

▪ Строительство в космосе

Лента новостей науки и техники, новинок электроники

 

Интересные материалы Бесплатной технической библиотеки:

▪ раздел сайта Молниезащита. Подборка статей

▪ статья Нам не страшен серый волк! Крылатое выражение

▪ статья На какую глубину способна погружаться морская черепаха? Подробный ответ

▪ статья Сливщик-разливщик нефтепродуктов. Типовая инструкция по охране труда

▪ статья Альтернативы альтернативе нет. Энциклопедия радиоэлектроники и электротехники

▪ статья Индикатор точной настройки. Энциклопедия радиоэлектроники и электротехники

Оставьте свой комментарий к этой статье:

Имя:


E-mail (не обязательно):


Комментарий:





Главная страница | Библиотека | Статьи | Карта сайта | Отзывы о сайте

www.diagram.com.ua

www.diagram.com.ua
2000-2026