Menu Home

Бесплатная техническая библиотека для любителей и профессионалов Бесплатная техническая библиотека


Трехканальный мультимедийный УМЗЧ. Энциклопедия радиоэлектроники и электротехники

Бесплатная техническая библиотека

Энциклопедия радиоэлектроники и электротехники / Усилители мощности транзисторные

Комментарии к статье Комментарии к статье

Несмотря на множество моделей мультимедийных АС промышленного производства, интерес радиолюбителей к самостоятельному изготовлению подобных конструкций не снижается. Особый интерес вызывают системы с общим низкочастотным каналом. Низкочастотный громкоговоритель - сабвуфер - при этом размещают в отдельном корпусе, что позволяет значительно уменьшить габариты АС левого и правого каналов. Для подобного рода конструкций и предназначен описываемый здесь усилитель с общей номинальной мощностью около 20 Вт.

К особенностям мультимедийного комплекса можно отнести относительно небольшие размеры видеомонитора и соответствующие им габариты акустической системы, размещаемой, как правило, в непосредственной близости от слушателя. В связи с этим максимальная мощность усилителей для такой АС обычно не превышает 10...20 Вт. Близость расположения мультимедийной акустической системы нередко ограничивает ее допустимые размеры, поэтому здесь распространено размещение низкочастотной головки в одном общем корпусе - сабвуфере, а стереофонические громкоговорители выступают здесь в роли "сателлитов".

Для формирования сигнала канала НЧ (сабвуфера) обычно используются сумматор и активный фильтр. В качестве примера на рис. 1 приведена схема этого узла.

Трехканальный мультимедийный УМЗЧ. Формирователь сигнала НЧ (сабвуфера)
Рис. 1. Формирователь сигнала НЧ (сабвуфера)

На ОУ DA1.1 выполнен инвертирующий сумматор, совмещенный с фильтром первого порядка, на ОУ DA1.2 - активный фильтр Баттерворта второго порядка. Частота среза получившегося в итоге фильтра третьего порядка составляет примерно 180 Гц. Делитель R1R2 задает режим ОУ по постоянному току. Полоса частот громкоговорителей СЧ-ВЧ (сателлитов) ограничена фильтрами первого порядка на входе стереофонического УМЗЧ.

Однако для выделения полосы частот сабвуфера вовсе не обязательно использовать активные фильтры. На страницах журнала были опубликованы два варианта УМЗЧ для компьютера [1], в которых применен оригинальный способ формирования сигнала для сабвуфера, не требующий отдельного фильтра. К сожалению, в первом варианте конструкции использованы две разные версии микросхемы TDA1519, не всегда имеющиеся в продаже. Во втором варианте - безнадежно устаревшие TDA2005, по уровню искажений и шумов не отвечающие современным требованиям; этой микросхеме требуется немало внешних элементов. Применив современные микросхемы УМЗЧ, предназначенные для автомобильной радиоаппаратуры, можно несколько упростить схему и значительно повысить эксплуатационные характеристики УМЗЧ.

Усилитель мощности удобно выполнить на основе распространенной микросхемы TDA1554Q (Philips). В нее входят два инвертирующих и два неинвертирующих усилителя с усилением по 20 дБ, их входное сопротивление - 60 кОм. Возможны два варианта их включения. Первый - стандартный, как четырехканальный УМЗЧ с максимальной выходной мощностью 4x6 Вт (4x11 Вт) на нагрузке 4(2) Ом. Второй вариант - как двухканальный УМЗЧ в мостовом включении с максимальной выходной мощностью 2x22 Вт на нагрузке 4 Ом.

В предлагаемой конструкции два инвертирующих канала использованы в обычном включении, а два неинвертирующих, благодаря оригинальному решению, - в мостовом включении.

Параметры усилителя
Чувствительность, мВ 500
Номинальное сопротивление нагрузки, Ом 4
Номинальная выходная мощность, Вт,
    каналов СЧ-ВЧ
    канала НЧ

2x3,5
12
Максимальная выходная мощность, Вт,
    каналов СЧ-ВЧ
    канала НЧ

2x6
22
Максимальный потребляемый ток, А 3,5
Частота среза каналов СЧ-ВЧ, Гц 180
Частота среза канала НЧ, Гц 50...170

Напряжение питания усилителя может быть в пределах +10... 16 В. Ток, потребляемый устройством при отсутствии сигнала, - не более 0,1 А. В дежурном режиме "Standby" (режим дистанционного выключения) - 0,1 мА. Номинальная мощность указана при напряжении питания, равном 15 В, и гармонических искажениях около 0,5 %. Максимальная мощность, как принято, определяется при искажениях 10%.

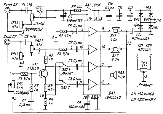
Схема усилителя приведена на рис. 2. Устройство максимально упрощено, а номиналы большинства элементов унифицированы.

Трехканальный мультимедийный УМЗЧ. Принципиальная схема усилителя
Рис. 2. Принципиальная схема усилителя

Громкость и тембр регулируются сдвоенными переменными резисторами VR1 и VR2 соответственно. Во избежание перегрузки усилителя глубина регулировки тембра зависит от положения движка регулятора громкости. При максимальной громкости подъем ВЧ не превышает 2...3 дБ (и то - за счет завала НЧ и СЧ), но возрастает до 5...6 дБ при малой громкости [2]. Регулировка тембра ВЧ на "завал" не предусмотрена, поскольку, как показывает практика, в ней нет необходимости. Кроме того, большинство звуковых плат ПК имеют программно управляемые регуляторы тембра и баланса. В случае необходимости диапазон регулировки тембра в усилителе можно довести до 12...14 дБ, установив переменный резистор VR2 сопротивлением 10 кОм. Предусмотрена также возможность установки регулятора стереобаланса (VR4), хотя его необходимость еще более сомнительна.

По соображениям монтажа для сателлитов использованы инвертирующие каналы усиления, поэтому для сохранения исходной фазы сигнала динамические головки ВА1, ВА2 подключены в обратной полярности. Суммарный сигнал для сабвуфера формируется на общем для двух каналов разделительном кон-денсатореС13, каки в [1]. Частота среза этого фильтра составляет 170... 180 Гц. Емкость конденсатора С13 указана для динамических головок с полным сопротивлением 4 Ом. Для головок с полным сопротивлением 8 Ом его емкость нужно уменьшить до 220 мкФ.

По отношению к сигналам сателлитов сигнал сабвуфера образуется как дополнительная функция, поэтому при выполнении некоторых условий (об этом позже) на результирующей АЧХ возможно появление "горба" на частоте раздела величиной до 3 дБ. Для устранения этого недостатка в сабвуферный канал введен перестраиваемый пропорционально-интегрирующий фильтр VR3R1R2C3, частота среза которого изменяется в диапазоне 50... 150 Гц. При перестройке частоты одновременно изменяется и уровень сигнала, что позволяет отказаться от обычного регулятора уровня в канале сабвуфера. На рис. 3 приведены теоретические АЧХ фильтров по электрическому напряжению; семейство кривых канала НЧ для удобства смещено вниз на 6 дБ.

Трехканальный мультимедийный УМЗЧ. Теоретические АЧХ фильтров по напряжению
Рис. 3. Теоретические АЧХ фильтров по напряжению

Для обеспечения работы двух одинаковых усилителей в мостовом включении необходимо подать на их входы противофазные сигналы. В этой конструкции использован каскад с разделенной нагрузкой. С коллектора транзистора VT1 снимается инвертированный сигнал, а с части эмиттерной нагрузки - неинвертированный. Коэффициент передачи каскада по обоим выходам составляет около -16 дБ, поэтому напряжение на входе канала НЧ в режиме максимально широкой полосы приблизительно на 4 дБ выше, чем в каналах сателлитов. Это компенсирует разницу в чувствительности широкополосных и низкочастотных головок и обеспечивает запас регулировки уровня в канале сабвуфера.

Кроме того, эта мера автоматически исключает перегрузку каскада на транзисторе VT1 по входу: за счет разницы в усилении ограничение сигнала на выходе мостового усилителя начнется раньше, чем на обычных выходах (откуда и берется сигнал для VT1). Благодаря глубокой ООС через резисторы R4, R5 линейность каскада удовлетворительна и при больших сигналах. Режим каскада по постоянному току обеспечивается за счет подключения цепи VR3R1 к конденсатору С13. На этом конденсаторе присутствует постоянное напряжение, примерно равное половине напряжения питания.

Еще один, пока непривычный для подобных усилителей узел - переключатель фазы сигнала сабвуфера SA2. Однако в системах домашнего театра и автомобильных сабвуферах такой каскад обязательно есть. Необходимость его применения вызвана следующим: при пространственно разнесенной акустической системе результирующая АЧХ в точке прослушивания будет определяться соотношением фаз приходящих сигналов. Сдвиг фаз, в свою очередь, определяется расстоянием до динамических головок.

На рис. 4 показаны теоретические АЧХ в ближнем поле излучения для случаев синфазного и противофазного включения головок при их компактной установке. Реальные АЧХ по звуковому давлению в зависимости от расстояний и характеристик головок могут принимать еще более причудливые формы. Очевидно, что введение переключателя фазы позволяет более гибко управлять результирующей АЧХ.

Трехканальный мультимедийный УМЗЧ. Теоретические АЧХ в ближнем поле излучения
Рис. 4. Теоретические АЧХ в ближнем поле излучения

Выключатель питания SA1 управляет состоянием микросхемы, через него же подается напряжение питания на каскад фа-зорасщепителя. В выключенном состоянии выходы переведены в высокоимпеданс-ное состояние, а ток потребления не превышает 100 мкА. Назначение остальных деталей очевидно. Емкость фильтра разделена на две части, поскольку установить конденсатор большой емкости непосредственно возле выводов питания микросхемы затруднительно.

О деталях и конструкции. Оксидные конденсаторы К50-35 или аналогичные импортные, конденсаторы С1, С2, СЮ - керамические любого типа, остальные - К73-17. Все постоянные резисторы - МЛТ0.125. Переменный резистор регулировки громкости должен быть с показательной зависимостью сопротивления от угла поворота (типа В), остальные - с линейной (типа А). Транзистор КТ315В можно заменить любым транзистором структуры n-p-п с коэффициентом передачи тока базы не менее 50. Выбор остальных деталей не критичен.

Выпрямитель выполнен на импульсных диодах КД213А, это позволит при необходимости значительно увеличить емкость фильтра без риска возникновения мультипликативных помех. Сетевой трансформатор можно использовать любой с габаритной мощностью не менее 80 Вт (лучше больше), допустимым током вторичной обмотки не менее 5 Аи выходным напряжением 9... 11 В.

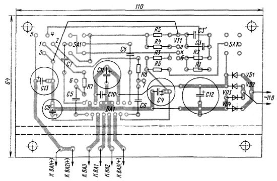
Ввиду относительной простоты усилитель вполне можно собрать на макетной плате (в таком варианте он работал у автора). Для журнальной публикации была разработана печатная плата (рис. 5), на которой размещается большинство деталей. Плата рассчитана на установку переключателей П2К на два направления и упомянутых выше деталей. Конденсатор C3 емкостью 0,15 мкФ в случае необходимости можно составить из конденсаторов емкостью 0,1 мкФ и 0,047 мкФ, для чего на плате предусмотрены дополнительные контактные площадки.

Трехканальный мультимедийный УМЗЧ. Печатная плата усилителя
Рис. 5. Печатная плата усилителя

Переменные резисторы, разъемы и сетевой трансформатор размещают вне платы. Перемычки в цепи сигнала выполнены тонким монтажным проводом, для монтажа цепей питания и акустических систем необходимо использовать провод сечением не менее 0,75 мм2. Теплоотвод можно изготовить из дюралевого уголка 30x50 мм или использовать готовый от автомагнитолы (именно такой применен в авторском варианте).

Правильно собранный усилитель налаживания не требует. При включении достаточно убедиться в наличии указанных на схеме напряжений (допустимое отклонение ±10%). В случае наводок от блока питания компьютера следует включить два керамических конденсатора емкостью 220...470 пФ на входе микросхемы (между точками 6, 7 платы и общим проводом). Их можно разместить со стороны печатных проводников.

Для воспроизведения низких частот нужно использовать специализированную низкочастотную динамическую головку в акустическом оформлении. Самый простой способ - использовать АС от отечественной бытовой аппаратуры, удалив лишние детали. Автор для испытаний применял AC S-30B ("Радиотехника"). Акустическое оформление сателлитов может быть простейшим, в том числе и открытым.

Литература

  1. Сапожников М. Два простых УМЗЧ для компьютера. - Радио, 2002, №4, с.15.
  2. Шихатов А. Пассивные регуляторы тембра. - Радио, 1999, №1, с. 14, 15.

Автор: А. Шихатов, Москва; Публикация: cxem.net

Смотрите другие статьи раздела Усилители мощности транзисторные.

Читайте и пишите полезные комментарии к этой статье.

<< Назад

Последние новости науки и техники, новинки электроники:

Оптимальная продолжительность сна 12.11.2025

Сон играет ключевую роль в поддержании здоровья, когнитивных функций и общего самочувствия. Несмотря на широко распространенный стереотип о восьмичасовом сне, последние исследования показывают, что оптимальная продолжительность сна для большинства здоровых взрослых ближе к семи часам. Эволюционный биолог из Гарварда, Дэниел Э. Либерман, утверждает, что традиционная норма восьми часов сна - это скорее культурное наследие индустриальной эпохи, чем биологическая необходимость. По его словам, полевые исследования, проведенные в сообществах, не использующих электричество, показывают, что средняя продолжительность сна составляет 6-7 часов, что значительно отличается от общепринятого стандарта. Современные эпидемиологические данные подтверждают этот взгляд. Исследования выявили так называемую "U-образную кривую" зависимости между продолжительностью сна и рисками для здоровья. Минимальные показатели заболеваемости и смертности наблюдаются именно у людей, спящих около семи часов в сутки. ...>>

Дефицит кислорода усиливает выброс закиси азота 12.11.2025

Парниковые газы играют ключевую роль в изменении климата, а закись азота (N2O) - один из наиболее опасных среди них. Этот газ не только втрое сильнее углекислого газа в удержании тепла, но и разрушает озоновый слой. Недавнее исследование американских ученых показало, что микробы в зонах с низким содержанием кислорода активно производят N2O, усиливая глобальные климатические риски. Команда из Университета Пенсильвании изучала прибрежные воды у Сан-Диего и провела наблюдения на глубинах от 40 до 120 метров в Восточной тропической северной части Тихого океана - одной из крупнейших зон дефицита кислорода. Исследователи сосредоточились на том, как морские микроорганизмы превращают нитраты в закись азота. В ходе работы выяснилось, что существует два пути образования N2O. Один путь начинается с нитрата, другой - с нитрита. На первый взгляд более короткий путь должен быть эффективнее, однако микробы, использующие нитрат, продуцируют больше газа, поскольку этот "сырьевой" источник более д ...>>

Омега-3 помогают молодым кораллам выживать 11.11.2025

Сохранение коралловых рифов становится все более актуальной задачей в условиях глобального изменения климата. Молодые кораллы особенно уязвимы на ранних стадиях развития, когда стрессовые условия и нехватка питательных веществ могут привести к высокой смертности. Недавнее исследование ученых из Технологического университета Сиднея показывает, что специальные пищевые добавки способны существенно повысить выживаемость личинок кораллов. В ходе работы исследователи разработали особый состав "детского питания" для коралловых личинок. В него вошли масла, богатые омега-3 жирными кислотами, а также важные стерины, необходимые для формирования клеточных мембран. Личинки, получавшие эти добавки, развивались быстрее, становились крепче и демонстрировали более высокую устойчивость к стрессовым факторам. Особое внимание ученые уделили липидам. Анализ показал, что личинки активно усваивают эти вещества, что напрямую влияет на их жизнеспособность. Стерины, содержащиеся в корме, повышают устойчи ...>>

Случайная новость из Архива

Физическая активность ускоряет обмен веществ 28.10.2025

Физические упражнения давно считаются ключом к поддержанию здоровья и контроля веса, но до недавнего времени ученые спорили о том, насколько организм увеличивает расход энергии во время тренировок. Новое исследование показало: движение действительно заставляет тело сжигать больше калорий, не экономя энергию на других жизненно важных функциях.

К такому выводу пришли специалисты Технологического университета Виргинии (Virginia Tech) совместно с коллегами из университетов Абердина (Великобритания) и Шэньчжэня (Китай). Они изучили, как физическая нагрузка влияет на общий "энергетический бюджет" организма, включая затраты на дыхание, циркуляцию крови, терморегуляцию и другие базовые процессы.

До этого существовали две гипотезы: либо организм перераспределяет фиксированный объем энергии, "забирая" ее у других функций ради движения, либо общий расход калорий увеличивается за счет дополнительной физической активности. Результаты исследования однозначно показали, что организм не экономит энергию на базовых процессах, компенсируя тренировку.

В исследовании приняли участие 75 человек в возрасте от 19 до 63 лет, от малоподвижных людей до ультрамарафонцев. Каждый участник носил сенсор на поясе, который фиксировал движения в разных направлениях, чтобы оценить уровень физической активности.

Для точного измерения дневного расхода энергии участники выпивали изотопы водорода и кислорода, а затем сдавали мочу на анализ в течение двух недель. Разница в выведении изотопов позволила определить объем выделяемого углекислого газа и, соответственно, общее количество сожженных калорий.

Результаты показали: с увеличением физической активности базовые функции организма - дыхание, терморегуляция, сердечный ритм - продолжали потреблять привычное количество энергии. Организм не пытался компенсировать расход энергии на движение за счет других процессов. "Наши данные подтверждают, что физическая активность ведет к увеличению суточного расхода калорий независимо от телосложения", - объясняет профессор Кевин Дэви, ведущий автор исследования.

Соавтор исследования Кристен Говард уточнила, что компенсация, о которой говорили ранее, может проявляться только при дефиците энергии, например, при строгих диетах. В условиях адекватного питания тело просто сжигает больше калорий без снижения других функций.

Кроме того, исследование подтвердило простую, но важную закономерность: чем активнее человек, тем меньше времени он проводит в состоянии малоподвижности. Это означает, что регулярные упражнения не только повышают расход энергии, но и снижают сидячий образ жизни, что дополнительно положительно влияет на здоровье.

Другие интересные новости:

▪ Микропластик расщепляет клетки легких человека

▪ Помада и красит губы, и массирует их

▪ Породистые собаки болеют не чаще, чем беспородные

▪ Деньги с микросхемой

▪ 12-рядная картофелесажалка GST PP 12

Лента новостей науки и техники, новинок электроники

 

Интересные материалы Бесплатной технической библиотеки:

▪ раздел сайта Зарядные устройства, аккумуляторы, батарейки. Подборка статей

▪ статья Позабыт, позаброшен. Крылатое выражение

▪ статья Где находится самая глубокая в мире станция метро? Подробный ответ

▪ статья Резчик по металлу. Типовая инструкция по охране труда

▪ статья Мастичный лак для масляных картин. Простые рецепты и советы

▪ статья Повышение частоты кварцев. Энциклопедия радиоэлектроники и электротехники

Оставьте свой комментарий к этой статье:

Имя:


E-mail (не обязательно):


Комментарий:





Главная страница | Библиотека | Статьи | Карта сайта | Отзывы о сайте

www.diagram.com.ua

www.diagram.com.ua
2000-2025