Menu Home

Бесплатная техническая библиотека для любителей и профессионалов Бесплатная техническая библиотека


Трансивер YES-93. Энциклопедия радиоэлектроники и электротехники

Бесплатная техническая библиотека

Энциклопедия радиоэлектроники и электротехники / Гражданская радиосвязь

Комментарии к статье Комментарии к статье

Высокие параметры, заявленные автором этого трансивера, могут быть восприняты некоторыми читателями со скептицизмом. Однако схемотехника трансивера дает основания надеется, что те, кто будет его повторять, смогут получить аппарат с весьма неплохими параметрами. В свое время проверка во время очных KB соревнований полутора десятков однотипных трансиверов типа UW3DI, изготовленных разными радиолюбителями, показала, что разброс по динамике у них достигает аж 30 дБ. Так что в конечном итоге многое зависит от опыта радиолюбителя и его возможностей.

Предлагаемым вниманию читателей трансивер предназначен для проведения связей телеграфом и телефоном с однополосной модуляцией и любительских диапазонах 1,9; 3,5; 7, 14, 21 и 28 МГц. При его разработке ставилась задача создать современный аппарат с высокими техническими характеристиками и в то же время относительно простой в схемотехническом отношении и допускающий применение широко распространенных радиодеталей. Были использованы лучшие, но мнению автора, радиолюбительские разработки совместно с оригинальными схемотехническими решениями.

В результате получился аппарат со следующими техническими характеристиками:

  • коэффициент шума (средний по диапазонам) - 1,4;
  • чувствительность при отношении сигнал/шум 10 дБ - не хуже 0,05 мкВ;
  • динамический диапазон по "забитию" - более 130 дБ;
  • реальная двухсигнальная избирательность (при расстройке ± 15 кГц) - не менее 100 дБ;
  • полоса пропускания в режиме SSB - 3, в режиме CW - 0,3 кГц;
  • диапазон регулирования АРУ (при изменении выходного напряжения на 6 дБ) - не менее 90 дБ;
  • уход частоты через 30 мин и диапазоне 28 МГц - не более 100 Гц;
  • подавленно несущей и боковой полосы частот - не менее 60 дБ;
  • выходная мощность передающего тракта - не менее 25 Вт;
  • импеданс антенного входа - 50 Ом.

Некоторые из приведенных характеристик, например, чувствительность, динамический диапазон, могут показаться завышенными, тем не менее они действительно таковы. Для измерений использовались генератор шума на лампе 2ДЗБ (1, 2] и прибор "Динамика" [1]. Последний был доработан с целью уменьшения спектральной плотности боковых шумов и исключения проникания выходного сигнала, минуя аттенюатор.

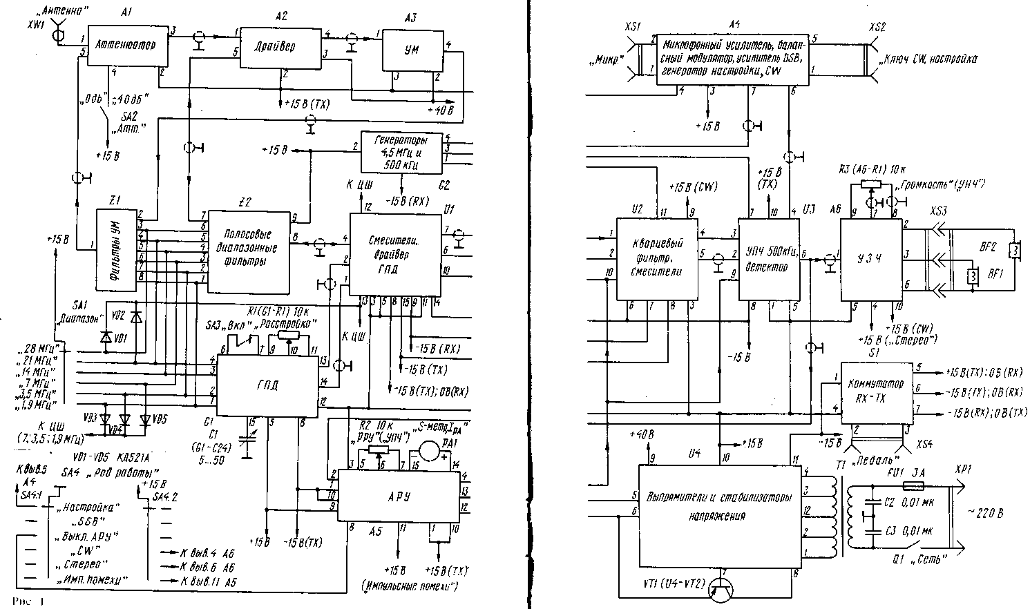
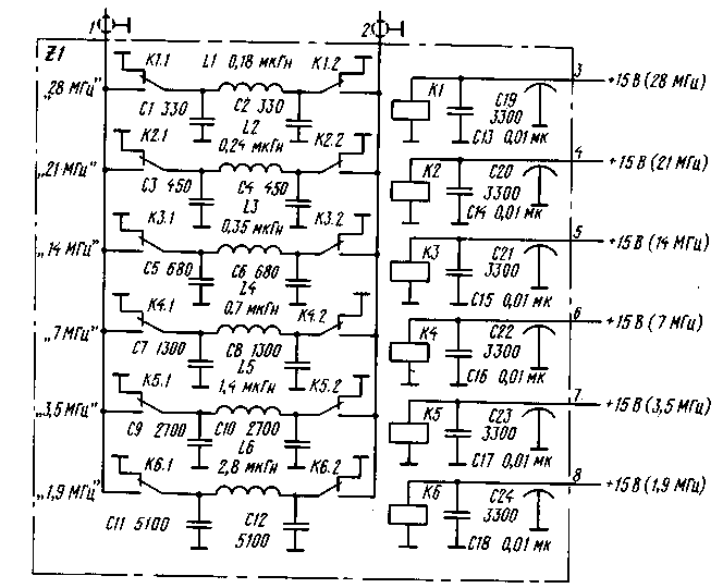
Трансивер выполнен но схеме с двумя преобразованиями частоты. Выбор промежуточных частот (5 МГц и 500 кГц) продиктован требованием простоты реализации селективных узлов, обеспечивающих в то же время достаточно высокую реальную избирательность. Тракты приема и передачи совмещены. Общими являются полосовые диапазонные фильтры (ПДФ), генератор плавного диапазона (ГПД), смесители, кварцевый и электромеханический фильтры и блок генераторов опорных частот.

Принципиальная схема трансивера изображена на рисунке 1, схемы его отдельных узлов - на рис. 2 - 16. В режиме приема сигнал с антенного входа (гнездо XW1) через аттенюатор А1 (см. рисунок 2) и трехконтурный ПДФ Z2 (рисунок 3) с коэффициентом передачи 6 дБ поступает на первый смеситель U1 (рисунок 4), выполненный на транзисторах U1-VT1, U1-VT7, U1-VT8 [4]. Такой смеситель имеет низкий уровень шумов, сравнительно большой коэффициент передачи и подавляет сигнал гетеродина на выходе примерно на 60 дБ, Дроссель U1-L5, обладающий большим сопротивлением на рабочих частотах, включен в истоковую цепь транзистора U1-VT1 и создает глубокую отрицательную обратную связь. По переменному току он зашунтирован сопротивлением канала транзистора U1-VT7 (VT8). Напряжение гетеродина, поступающее на первые затворы этих транзисторов, вызывает модуляцию глубины обратной связи, т. е. изменяет крутизну передаточной характеристики, не смещая рабочей точки транзистора U1-VT1.

В качестве ключей во всех смесителях трансивера применены транзисторы КП350А, имеющие хорошие линейные коммутационные характеристики, а также позволяющие через вторые затворы ввести АРУ, не ухудшающую динамические характеристики приемной части. Коэффициент передачи смесителя - около 1. Динамический диапазон по интермодуляции - на уровне 90...95 дБ - достигается при общей настройке трансивера Уровень 100 дБ и более достижим только очень тщательной настройкой контуров U1-L1C6C7 и U2-L1C2 (см. рисунок 5), причем без использования ферритовых подстрочников, а также тщательным подбором элементов цепи U1-R5VD1C1R3, обеспечивающей, невидимому, "балансировку" смесителя.

ГПД G1 (см. рисунок 6) выполнен на транзисторах G1-VT1, G1-VT2 и U1-VT5, U1-VT6 и генерирует колебания в интервалах частот, указанных в табл. 1.

Таблица 1
Диапазон частот, МГцИнтервал частот, МГц
1,83...1,956,83...6,95
3.5...3,658,5...8,65
7...7,112...12,1
14...14,359...9,35
21...21,458...8,23
28...29,511,5...12,25

С целью упрощения этого узла для коммутации диапазонов применено всего четыре реле, что, естественно привело к неоптимальной растяжке не которых диапазонов. Для нормальной работы смесителя частота ГПД в диапазонах 21 и 28 МГц должна быть в два раза выше. Эта задача решается включением в указанных диапазонах второго транзистора (L11-VT7), благодаря чему смеситель коммутируется вдвое чаще, что эквивалентно удвоению частоты ГПД. Более подробно об этом можно прочитать в [5].

Для обеспечения максимально возможного коэффициента передачи смесителя в диапазонах 21 и 28 МГц в ГПД введена система жесткой стабилизации амплитуды выходного напряжения (G1-VD4 и U1-VT5), а также предусмотрена возможность плавного изменения напряжения смещения транзисторов L11-VT7, U1-VT8 с помощью подстроечного резистора U1-R29.

С выхода смесителя на транзисторе U1-VT1 напряжение первой ПЧ (5 МГц) через согласующий П-контур U1-C6L1C7 поступает на усилитель, выполненный на транзисторе U1-VT2, усиливается им примерно на 6 дБ и выделяется на контуре U2-L1C2, включенном на входе кварцевого фильтра U2-Z01 - U2-Z04 (рисунок 5) с коэффициентом передачи около 4 дБ (за счет трансформации сопротивлений).

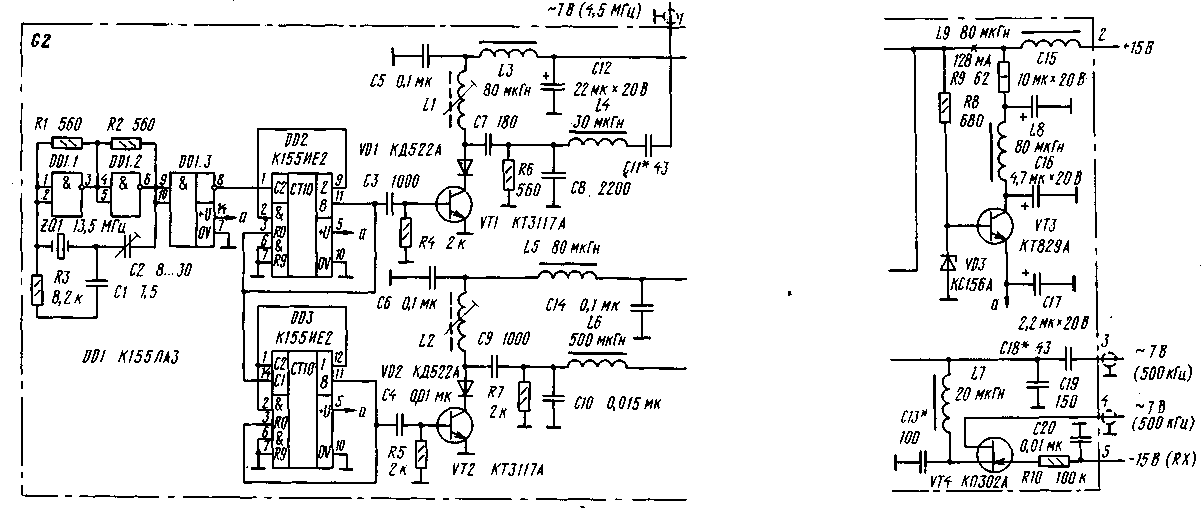
С выхода кварцевого фильтра сигнал первой ПЧ поступает на второй смеситель, собранный на транзисторах U2-VT1, U2-VT3 и по принципу работы аналогичный смесителю на транзисторах U1-VT1, U1-VT7, U1-VT8. Коэффициент передачи этого смесителя -15...20 дБ. Опорный сигнал амплитудой 5...7 В и частотой 4,5 МГц поступает на второй смеситель из блока генераторов G2 (рис. 7), выполненного на микросхемах G2-DD1 - G2-DD3 и транзисторах G2-VT1, G2-VT2 и вырабатывающего колебания частотой 4,5 МГц и 500 кГц. Последние получаются делением частоты задающего генератора на ИС DD1 (13,5 МГц) вначале на 3 (G2-DD2), а затем еще на 9 (G2-DD3).

Каскады на транзисторах G2-VT1 и G2-VT2 - резонансные усилители, формирующие сигналы хорошей синусоидальной формы. В коллекторные цепи этих транзисторов включены диоды G2-VD1, G2-VD2, позволяющие получить на контурах сигналы амплитудой 40...50 В. Благодаря этому на выходах каскадов оказалось возможным применить емкостные делители G2-C7C8 и G2-C9C10 с большим коэффициентом деления, позволившие совместно с выходными фильтрами G2-L4C11 и G2-L6C18C19L7C11 получить образцовые сигналы необходимой амплитуды и качества.

Сигнал второй ПЧ (500 кГц) проходит, ослабляясь на 6 дБ, через электромеханический фильтр (ЭМФ) U3-Z1 (рисунок 8) и поступает на вход каскодного усилителя, выполненного на транзисторах U3-VT2, U3-VT3. Усилитель отличается малым уровнем собственных шумов и обеспечивает (С входа ЭМФ) усиление сигнала на 60 дБ. На вторые затворы транзисторов как второго смесителя, так и усилителя второй ПЧ, подается напряжение АРУ из блока А5.

Цепь U3-VD1R4R3C11VT1 обеспечивает режим самопрослушивания при передаче и устраняет коммутационные щелчки.

С выхода усилителя второй ПЧ сигнал поступает на детектор однополосного сигнала, собранный на транзисторах U3-VT4, U3-VT5. От известных он отличается большим коэффициентом передачи (около 10 дБ), малым уровнем шума и фона, а также большой перегрузочной способностью. Опорный сигнал частотой 500 кГц поступает из блока G2. С выхода детектора сигнал подается на входы узла АРУ А5 (рисунок 9) и усилителя ЗЧ А6 (рисунок 10).

При приеме телеграфных сигналов в тракт ЗЧ включается фильтр CW A6-Z1 с полосой пропускания около 300 Гц, выполненный на ОУ DA2, DA3 по схеме, приведенной в [6]. По желанию оператора в тракт можно включить низкочастотный фазовращатель A6-L1R12C14C15 (режим, условно названный "Стерео"). Последний сдвигает фазу сигнала на 90° на частоте 900 Гц, что улучшает реальную избирательность за счет селективных свойств человеческого уха и, как минимум, снижает утомляемость оператора, особенно в режиме CW. Примененная коррекция и выбранный коэффициент усиления (около 30 дБ) микросхемы A6-DA1 позволили получить приятное "прозрачное" звучание сигнала.

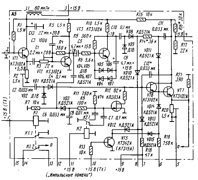
С выхода детектора (U3) сигнал, содержащий низкочастотную и высокочастотную (500 кГц) компоненты, поступает на вход эмиттерного повторителя A5-VT1 системы АРУ, после которого он разветвляется на два канала. Низкочастотный канал (A5-VT2, A5-VT3), содержащий в себе логарифмический усилитель (A5-VT3), обеспечивает работу АРУ и S-метра от 3 до 7 баллов шкалы S. Отсутствие на выходе детектора напряжения опорной частоты 500 кГц позволило использовать сигнал ПЧ для работы скоростного канала А5-VD1VD2VT6. Каскад на транзисторах A5-VT6, A5-VT7 представляет собой два совмещенных интегратора с времязада-ющими конденсаторами А5-С11, А5-С12. Введение транзистора А5 VT6 позволило существенно увеличить входное сопротивление интегратора, а следовательно, уменьшить емкость конденсатора А5-С12, что, в свою очередь, позволило ему быстро заряжаться.

С появлением сигнала за первый же период напряжения ПЧ заряжается конденсатор А5-С12, и напряжение на коллекторах транзисторов A5-VT6, A5-VT7 скачком понижается, что соответствует уменьшению напряжения АРУ и, следовательно, уменьшению общего усиления приемного тракта. С появлением сигнала ЗЧ (значительно позже) закрывается транзистор A5-VT4, увеличивая постоянную времени цепи АРУ, благодаря чему общее усиление приемника между отдельными звуками речи поддерживается постоянным (7). Если же сигнал ЗЧ пропадает на время, большее 100 мс, транзистор A5-VT4 открывается, и конденсатор А5-С12 быстро разряжается, восстанавливая чувствительность приемника за короткое время, практически незаметное для оператора.

Скоростной канал обеспечивает нормальную работу АРУ при входных сигналах до S9 + 80 дБ.

С целью ослабления импульсных помех вместо конденсатора А5-С7 с помощью реле А5-К2 включают А5-С8, в результате чего время восстановления АРУ уменьшается. Транзистор А5-VT5 отключает АРУ в режиме передачи. В целом описанная система АРУ обладает следующими характеристиками: постоянная времени зарядки цепи АРУ при скачкообразном изменении входного сигнала - не более 0,2 мс, постоянная времени разрядки - не менее 25 с, время восстановления чувствительности приемника при пропадании сигнала ЗЧ - не более 100 мс, без колебательного характера процесса установления и с малым последействием импульсной помехи.

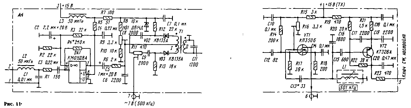
В режиме передачи исходный сигнал формируется в блоке А4 (см. рисунок 11), содержащем микрофонный усилитель на ОУ A4-DA1, балансный модулятор (A4-VD2, A4-VD3, А4-Т1), усилитель DSB (A4-VT1) и манипулируемый телеграфный генератор (A4-VT2). Микрофонный усилитель обладает входным сопротивлением, равным сопротивлению источника синала, что способствует снижению высоко- и низкочастотных наводок. Усиленный до уровня 3...5 В сигнал ЗЧ подается на балансный модулятор, выполненный на варикапах A4-VD2, A4-VD3. Такой модулятор отличается очень малыми нелинейными искажениями, большими допустимыми уровнями входных и выходных сигналов, а также простотой достижения большого подавления несущей. Сформированный двухполосный сигнал усиливается транзистором A4-VT1 и поступает на ЭМФ A4-Z1, где отфильтровывается нижняя боковая полоса. Однополосный сигнал смешивается в смесителе с напряжением частотой 4,5 МГц, поступающим из блока G2. Суммарный сигнал частотой 5 МГц и амплитудой около 7 В подводится к контуру U2-L3C6, где ограничивается диодами U2-VD1, U2-VD2 на уровне около 0,7 В, чем обеспечивается сжатие динамического диапазона сигнала SSB до 20 дБ.

Кварцевый фильтр U2-Z01 - U2-ZQ4 придает сигналу необходимые чистоту и качество после указанного ограничения. С выхода фильтра (точнее, с части контура U2-L1C2) отфильтрованный сигнал поступает на второй смеситель тракта передачи (U1-VT3, U1-VT4, U1-VT7, U1-VT8), где смешивается с сигналом ГПД G1. Каскад на транзисторах U1-VT3, U1-VT4 имеет большой стабильный коэффициент усиления (около 40 дБ) и в то же время не ухудшает динамического диапазона приемного тракта (в режиме приема).

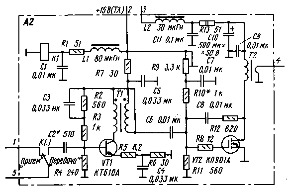
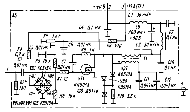
С выхода смесителя сигнал поступает в один из контуров ПДФ (Z2). Отфильтрованный сигнал усиливается широкополосным усилителем на транзисторах A2-VT1, A2-VT2 (см. рисунок 12) со 100 мВ до уровня 7...10 В, после чего поступает на вход усилителя мощности (УМ) A3 (рисунок 13), где усиливается по мощности до 25 Вт на нагрузке сопротивлением 50 Ом. Пройдя диапазонный фильтр УМ Z1 (рисунок 14), этот сигнал поступает в аттенюатор А1 (рисунок 2), а из него - в антенну.

Предусмотренные в УМ цепи защиты мощного транзистора A3-VT1 позволяют не только переключать диапазоны в режиме передачи, но и предотвращают его выход из строя в других экстремальных ситуациях.

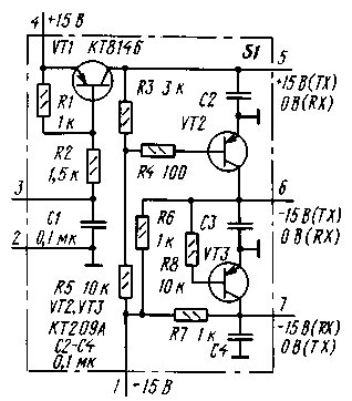
Перевод трансивера из режима передачи в режим приема, и наоборот, осуществляется с помощью транзисторных ключей коммутатора S1 (рисунок 15), управляемого контактами переключателя, смонтированного в педали.

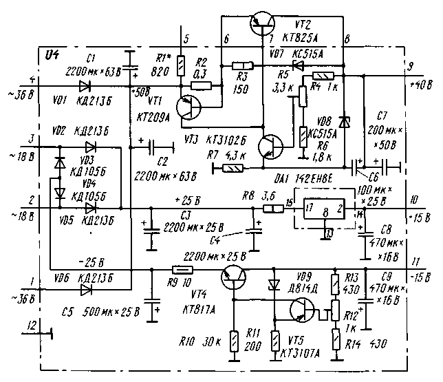
Блок питания трансивера U4 (см. рис 16) содержит сетевой трансформатор Т1, три двухполупериодных выпрямителя (U4-VD1, U4-VD6; U4-VD2, U4-VD5: U4-VD3, U4-VD4), стабилизатор напряжения +40 В на транзистоpax U4-VT1 - U4-VT3 и стабилизаторы напряжений + 15 и -15 В (первый - на ИС U4-DA1, второй - на транзисторах U4-VT4, U4-VT5). Все стабилизаторы защищены от перегрузок по току и короткого замыкания в нагрузке.

Конструкция трансивера - блочная. Детали узлов Z2, U1 - U3, G2 смонтированы на печатных платах из двустороннего фольгированного стеклотекстолита (см. рис. 17 - 21). фольга со стороны установки деталей использована в качестве общего провода-экрана. Вокруг отверстий под выводы деталей, не подлежащие соединению с общим проводом, она удалена путем зенковки сверлом примерно вдвое большего диаметра. Остальные узлы смонтированы на платах из одностороннего фольгированного стеклотекстолита (см. рис. 22 - 31).

Рисунок 17
Рисунок 18
Рисунок 19
Рисунок 20
Рисунок 21
Рисунок 22
Рисунок 23
Рисунок 24
Рисунок 25
Рисунок 26
Рисунок 27
Рисунок 28
Рисунок 29
Рисунок 30
Рисунок 31

Для фильтров УМ (Z1) необходимо изготовить две платы (на шасси трансивера их устанавливают одну над другой; в скобках на рис. 31 указаны позиционные обозначения элементов, установленных на второй плате). При повторении конструкции следует учесть, что контуры печатных проводников на чертежах всех плат, кроме узлов Z1 и Z2, изображены со стороны деталей, поэтому на заготовки плат их необходимо переносить в зеркальном отображении. Крестиками на концах выводов деталей обозначены места пайки их к фольге (отверстий в этих местах нет), зачерненными точками - соединения (пайкой) выводов деталей над платой. Штрих-пунктирными линиями на рис 19 и 20 показаны контуры площадок на стороне установки деталей, утолщенными штриховыми линиями на рис 21 - печатные проводники на стороне деталей, наконец, двойными штриховыми линиями на рис 18-21 - экранирующие перегородки (луженая жесть), припаянные к фольге общего провода. Конденсатор С9 на плате блока A3 (см. рис. 23) составлен из двух конденсаторов (С9' и С9") емкостью 0,047 мкФ, С10 - из трех (С10', С10" и С10'") емкостью 0,033 мкФ.

Смонтированные узлы Z2, U1 - U3, Gl, G2 и цифровая шкала помещены в экраны прямоугольной формы, изготовленные из луженой жести толщиной 0,5 мм. Каждый из них состоит из двух частей: обечайки по размерам платы и высотой 35 мм и крышки с отбортовкой. Плату устанавливают на расстоянии 8 мм от края обечайки, обращенного к шасси и по всему периметру припаивают фольгу общего провода (с обеих сторон) к ее стенкам. Напротив контактных площадок-выводов узлов в боковых стенках необходимо предусмотреть отверстия диаметром 4...5 мм под соединительные провода. Конструкция узла ПДФ Z2 практически полностью повторяет конструкцию соответствующего узла трансивера RA3AO ¦7].

Намоточные данные катушек всех узлов, кроме Z2, приведены в табл. 2, а катушек ПДФ - в табл. 3. Обмотки трансформатора А4-Т1 и катушки A4-L1, U1-L1, U2-L1 - U2-L3, U3-L1, U3-L2 намотаны на унифицированных трехсекционных каркасах (рис. 32). Катушки Z1-L1 - Z1-L6 - бескаркасные. Внутренний диаметр первых трех из них - 17, трех вторых - 21 мм, длина намотки - 35 мм. Катушка G1-L1 выполнена методом вжигания меди в спиральную канавку керамического каркаса диаметром и длиной по 20 мм, длина "намотки" - 14 мм.

Трансивер YES-93
Рис.32

Устройство трансформатора А2-Т2 показано на рис. 33. Магнитопроводом служат два набора 3 из пяти ферри-товых (2000НН) колец типоразмера К7х4х4 каждый. Кольца надеты (с клеем БФ-2) на отрезки 1 медной трубки внешним диаметром 4 мм, после чего на их выступающие концы надеты прямоугольные планки 2 и 4 из фольгированного стеклотектолита с отверстиями по диаметру трубок, фольга на планке 4 разделена на две части, на планке 2 оставлена сплошной. Вторичная обмотка этого трансформатора получается после пайки фольги планок к трубкам (к УМ подводят провода, припаянные к площадкам планки 4). Вторичную обмотку 5 выполняют проводом МГТФ, дважды пропустив его через трубки.

Трансивер YES-93
Рис.33

Обмотки трансформатора АЗ-Т1 содержат по девять витков жгута из трех проводов МГТФ (шестью срученными вместе проводами наматывают девять витков, а затем разделяют обмотку на две части - по три провода в каждой и соединяют их последовательно).

Обмотки трансформатора U1-T1 наматывают одновременно тремя проводами, причем у одного из них (того, который будет включен в коллекторную цепь транзистора U1-VT6) заранее делают отвод от середины.

Катушки Z2-L1 - Z2-L18 намотаны на каркасах из фторопласта-4 (см. рис. 34). Размер а между катушками Z2-L2 и Z2-L3, Z2-L14 и Z2-L15, Z2-L17 и Z2-L18 - 5...6 мм, между Z2-L5 и Z2-L6, Z2-L8 и Z2-L9, Z2-L11 и Z2-L12 - 6...7 мм.

Трансивер YES-93
Рис.34

Все дроссели - унифицированные, марки ДМ.

Трансформатор питания Т1 намотан на тороидальном магнитопроводе сечением 8,8 кв.см из трансформаторной стали. Обмотка I содержит 800 витков провода ПЭВ-2 0,65, обмотка II -72+72+72+72 витка ПЭВ-2 1,2.

Для коммутации цепей применены электромагнитные реле следующих типов: А1-К1 и Z1-K1 - Z1-K6 - РЭС48А (паспорт РС4.590.413); А1-К2 - РЭС52 (РС4.555.020); А2-К1 и G1-K2 - С1-К&<- РЭС55А (РС4.569.606); Z2-K1 - Z2-K12, G1-K1, A5-K2, A6-K1, A6-K2, U1-K1 и U2-K1 - РЭС49 (4.569.421-00-01); A5-K1 -РЭС60 (PC4.569.436). Переключатель диапазонов - малогабаритный ПМ-11П1Н, рода работы - ПМ-11П2Н.

В качестве основы конструкции использовано удобное шасси трансивера "Урал-84" [7]. Размещение в нем основных узлов трансивера поясняют рисунок 35 (вид сверху) и рисунок 36 (вид снизу).

Трансивер YES-93
Рис.35 (вид сверху)

Трансивер YES-93
Рис.36 (вид снизу)

Между боковинами шасси на высоте 65 мм от нижней крышки закреплено дюралюминиевое субшасси размерами 225х150 мм, а на высоте 25 мм - еще одно субшасси размерами 225х80 мм, на котором установлены плата узла A3 и трансформатор питания Т1. Транзисторы A3-VT1, U3-VT2 и микросхема U3-DA1 установлены на общем ребристом теплоотводе, являющемся одновременно и задней стенкой шасси.

Настройку; тансивера начинают с блока питания U4 (см. рис. 16). Вначале подстроечным резистором U4-R5 устанавливают на выходе напряжение 40 В и убеждаются в его стабильности при увеличении тока нагрузки до 3А (ток срабатывания защитного устройства при необходимости изменяют подбором резистора U4-R7). Затем проверяют работу стабилизатора напряжения +15 В (оно должно оставаться практически неизменным при увеличении тока нагрузки до 1 А), после чего подстроечным резистором U4-R12 устанавливают напряжение -15 В и проверяют его стабильность при возрастании тока нагрузки до 0,1 А.

Далее снимают АЧХ усилителя ЗЧ с фильтром CW (рис. 10). В режиме SSB она должна быть равномерной в полосе частот 300...3000 Гц. В режиме CW подстроечным резистором A6-R13 полосу пропускания сужают до 300 Гц при средней частоте 800 Гц, а резистором A6-R22 выравнивают общее усиление в обоих названных режимах, Звучание динамических головок стереотелефонов в режиме "Стерео" выравнивают подстроечным резистором A6-R12.

Усилитель ПЧ 500 кГц (рисунок 8) настраивают вместе с ЭМФ, подав напряжение АРУ +5 В. Подсоединив вход ЭМФ к ГСС и установив на выходе последнего напряжение РЧ частотой 500 кГц и амплитудой 5 мкВ, изменением емкости подстроечных конденсаторов U3-C20, U3-C2 и индуктивности катушек U3-L2, U3-L1 добиваются того, чтобы напряжение сигнала на выходе усилителя возросло примерно до 5 мВ. Далее подбором резистора U3-R4 устанавливают нужную громкость самопрослушивания в режиме ТХ, а конденсатора U3-C11 - задержку, необходимую для полного исключения щелчков в телефонах при переключении тран-сивера из режима ТХ в RX. Детектор в настройке не нуждается.

Налаживание блока генераторов G2 (рисунок 7) начинают с задающего генератора на элементах ИС G2-DD1. Подбором резистора G2-R3, конденсатора G2-C1 и изменением емкости G2-C2 добиваются того, чтобы генератор надежно запускался и устойчиво работал на частоте кварцевого резонатора G2-Z01. Затем подстройкой индуктивности катушки G2-L1 добиваются максимального напряжения частотой 4,5 МГц на конденсаторе G2-C8, а катушки G2-L2 - максимального напряжения частотой 500 кГц на конденсаторе G2-C10.

Далее подбором конденсаторов G2-C11 и U2-C10, U2-C11 (а при необходимости и дросселя U2-L4) добиваются получения на резисторе U2-R6 напряжения частотой 4,5 МГц в пределах 3...7 В. Подбирая конденсаторы G2-C18, G2-C19, добиваются такого же напряжения частотой 500 кГц на резисторе, U3-R21, а подбирая элементы G2-L7, G2-C13 (в режиме ТХ), - и на резисторе A4-R11.

Кварцевый фильтр блока U2 (рисунок 5) настраивают подгонкой частот резонаторов U2-Z01, U2-Z02, U2-Z03 и U2-ZQ5 до требуемых значений, понижая их резонансные частоты известным методом - натиранием кварцевых пластин припоем. Эту операцию следует выполнить очень тщательно. Равномерности АЧХ кварцевого фильтра в полосе частот 5000...5003 кГц добиваются подстройкой индуктивности катушек U2-L1 - U2-L3, а подавления "хвостов вне полосы пропускания не менее -40 дБ -подключением параллельно резонаторам U2-Z03, U2-Z04 конденсаторов небольшой емкости (на рис. 5 - изображенный штриховыми линиями конденсатор С4).

Настройку ПТД G1 (см. рисунок 6) начинают с укладки границ диапазонов в соответствии с табл. 1. Делают это подбором конденсаторов G1-C6, G1-C8, G1-C9, G1-C11, G1-C12, G1-C14, G1-С15, G1-C17, G1-C21, G1-C22 (с учетом необходимого ТКЕ) и изменением емкости подстроечных конденсаторов G1-С7, G1-C10, G1-C13, G1-C16, G1-C23. Первыми укладывают диапазоны 7 и 28 МГц. Далее изменением напряжения на базе и подбором резистора G1-R14 устанавливают ток через транзистор, при котором сигнал ГПД не искажается.

В драйвере ГПД (рисунок 4) подбором элементов U1-C23,U1-C20, U1-R20 добиваются получения на вторичной обмотке трансформатора Т1 стабильного по диапазонам и внутри каждого из них (при перестройке конденсатором G1-C24) напряжения РЧ амплитудой 3...5 В, а подбором конденсатора G1-С18 в самом ГПД - необходимого диапазона расстройки его частоты.

Узел ПДФ Z2 (рисунок 3) настраивают, начиная с диапазона 1,9 МГц. Подсоединив ко входу узла 50-омный выход измерителя АЧХ (например, Х1-48), а к выходу - резистор сопротивлением 10 кОм с подключенными параллельно конденсатором емкостью 20 пФ и детекторной головкой измерителе,АЧХ, изменением;

емкости подстроечных конденсаторов, а если необходимо и подбором включенных параллельно им конденсаторов постоянной емкости, а также незначительным изменением; расстояний между катушками добиваются равномерной АЧХ в каждом диапазоне.

После этого включают трансивер на прием (RX) и еще, раз уточняют Настройку всех контуров приемного тракта. При максимальное усилении чувствительность со входа трансивера при отношении сигнал/шум 10 дБ должна быть около 0,05 мкВ. Чтобы исключить возможные ошибки, при измерениях желательно использовать генератор шума на лампе 2ДЗБ или ей подобной. В диапазонах 21 и 28 МГц максимальной чувствительности добиваются перемещением движка подстроечного резистора U1-R29. Максимальный динамический диапазон по интермодуляции (100 дБ) достигается подстройкой контуров U1-L1C6C7 и U2-L1C2, а также тщательным подбором элементов U1-R5, U1-VD1, U1-R3, U1-C1.

Узел АРУ А5 (рисунок 9) налаживают в такой последовательности. Подавая на вход трансивера сигнал с уровнем от S3 до S9 баллов, изменением сопротивления подстроенного резистора А5-R3 "укладывают" показания S-метра в первую половину шкалы. Затем уровень сигнала постепенно повышают от S9 до S9 + 80 дБ и с помощью подстроенного резистора A5-R2 делают то же самое во второй половине шкалы. В процессе этих регулировок подбирают сопротивление резистора A5-R20 в эмиттерной цепи транзистора A5-VT7. Если необходимо изменить соотношение показаний S-метра в первой и второй половинах шкалы, подбирают резистор A5-R14.

Далее измеряют скоростные характеристики системы АРУ. Выпаяв из платы один из выводов резистора А5-R12 и подключив к выходу узла (вывод 4) осциллограф, подают на вход трансивера (скачкообразно) сигнал с уровнем S9 + 80 дБ Напряжение АРУ должно понизиться с максимального значения (+ 5 В) до минимального (+0,1...0,3 В) за время не более 0,2...0,5 мс. При снятии входного сигнала оно должно вернуться к исходному уровню (+5 В) примерно за 25 с. С установленным на место резистором A5-R12 время возврата к исходному уровню должно уменьшиться до 100 мс. Дальнейшего уменьшения этого времени (до оптимального значения) добиваются подбором конденсатора А5-С8 при воздействии на вход трансивера импульсных помех.

Таблица 2
Обозначение по схемеЧисло витковПроводМагнитопровод, подстроечник
А2-Т1М600НН-13 К10х8х12
I9ПЭЛ 0,31
II9ПЭЛ 0,31
А2-Т210 колец М2000НН-5 К7х4х4 (см. рис 3)
I2МГТФ 0,14 кв.мм
II1-
А3-Т1М400НН К32х16х8
I9МГГФ 0,14 кв.мм
II9МГТФ 0,14 кв.мм
А4-Т1М600НН-5 СС2,8х12
I2х70ПЭАО,12
II100ПЭЛ 0,12
A4-L180ПЭЛ 0,21
Z1-L14ПЭЛ 2,0
Z1-L25ПЭЛ 2,0
Z1-L37ПЭЛ 2,0
Z1-L48ПЭЛ 2,0
Z1-L512ПЭЛ 2,0
Z1-L617ПЭЛ 2,0
U1-L140ПЭЛ 0,21Латунный диаметром 3 и длиной 10 мм
U1-T1М100НН-6 K10x6x3
I8+8ПЭЛ 0,27
II2х16ПЭЛ 0,27
U2-L130+30ПЭЛ 0,21Латунный диаметром 3 и длиной 10 мм
U2-L22х25ПЭЛ 0,21М600НН-5 СС2,8х12
U2-L325+25ПЭЛ 0,21М600НН-5 СС2,8х12
U3-L1200ПЭЛ 0,2М600НН-5 СС2,8х12
U3-L2200ПЭЛ 0,2М600НН-5 СС2,8х12
G1-L12+5-
A6-L12х80ПЭЛ 0,35Пермаллой ОЛ8/20-5
G2-L118ПЭЛ 0,31СБ-12а
G2-L266ПЭЛ 0,21СБ-12а

В режиме передачи (ТХ) настройку начинают с балансного модулятора А4 (рисунок 11). В первую очередь подстроечными резисторами A4-R9 (грубо), А4-R11 (точно) и подстроечником трансформатора А4-Т1 добиваются подавления опорного сигнала не менее чем на 50...60 дБ.

Таблица 3
Обозначение по схемеЧисло витковПровод
Z2-L14+10ПЭЛ 1,0
Z2-L28ПЭЛ 1,0
Z2-L38ПЭЛ 1,0
Z2-L45+11ПЭЛ 0,85
Z2-L59ПЭЛ 0,85
Z2-L610ПЭЛ 0,85
Z2-L75+14ПЭЛ 0,64
Z2-L810ПЭЛ 0,64
Z2-L913ПЭЛ0.64
Z2-L108+21ПЭЛ 0,38
Z2-L1116ПЭЛ 0,38
Z2-L1221ПЭЛ 0,38
Z2-L1312+32ПЭЛ 0,21
Z2-L1430ПЭЛ 0,21
Z2-L1537ПЭЛ. 0,21
Z2-L1616+37ПЭЛ 0,21
Z2-L1730ПЭЛ 0,21
Z2-L1837ПЭЛ 0,21

Далее при произнесении перед микрофоном громкого звука "а" подстроечным резистором A4-R16 устанавливают на стоке транзистора A4-VT1 напряжения DSB около 8...10 В. При необходимости коэффициент усиления каскада на ОУ A4-DA1 изменяют подбором резистора A4-R4.

В режиме "Настройка" включается генератор CW на транзисторе A4-VT4, вырабатывающий колебания частотой 501 кГц. Подбором конденсатора А4-С13 и подстройкой индуктивности катушки A4-L1 устанавливают на -стоке транзистора A4-VT1 напряжение 6...8 В, ориентируясь впоследствии на номинальный выходной сигнал трансивера. Напряжение на контуре U2-L3C6 в этом режиме (при отключенных диодах U2-VD1, U2-VD2) должно быть около 6...8 В, среднее по диапазонам напряжение на входе первого смесителя (вывод 4 блока U1) - около 5...6 В, а на входе драйвера А2 (вывод 5) - 100... 150 мВ. Требуемый ток стока транзистора А2-VT2 (30 мА) устанавливают подстроечным резистором A2-R9. Выходное напряжение блока А2 (на выводе 4) должно быть в пределах 8...10 В.

Необходимый режим работы транзистора A3-VT1 (рис. 13) - ток стока 150 мА - устанавливают подстроечным резистором A3-R4. Среднее по диапазонам напряжение сигнала на подключенном к антенному гнезду трансивера эквиваленте нагрузки сопротивлением 50 Ом должно быть около 36 В, что соответствует выходной мощности 25 Вт. По диапазонам выходную мощность выравнивают подбором резистора А3-R2 и конденсатора А2-С2. При необходимости подбирают индуктивность (сдвигая или раздвигая витки) катушек Z1-L1 - Z1-L6.

В заключение подбором резистора U4-R1 калибруют прибор РА1 (см. рисунок 1) таким образом, чтобы при работе в эфире его стрелка отклонялась до последней отметки шкалы при токе 2 А. С целью исключения перегрузки усилительных каскадов передающий тракт трансивера желательно проверить с помощью двутонального сигнала.

Автор выражает благодарность за большую помощь в разработке трансивера Тулаеву И. В. (UA4HK) и Баранову В. A. (RZ4HN ex UA4HNZ).

Литература

1. Скрыпник В. А. Приборы для контроля и налаживания радиолюбительской аппаратуры. - М.: Патриот, 1990.
2. Казута И. Измерение коэффициента шума радиоприемника. - В сб. "В помощь радиолюбителю", Вып. 28. - М.: ДОСААФ, 1969.
3. Дроздов В. В. Любительский KB трансивер. - М.: Радио и связь, 1988.
4. Небалансный смеситель частоты. - Радио, 1984, № 1,с.23.
5. Поляков В. Т. Радиолюбителям о технике прямого преобразования. М.: Патриот. 1990.
6. Телеграфный фильтр. KB журнал, 1993, №2-3,с.49,50.
7. Першин А. Коротковолновый трансивер "Урал-84". В сб. "Лучшие конструкции 31-и к 32-й выставок творчества радиолюбителей". - М.: ДОСААФ, 1989

Автор: Геннадий Брагин (RZ4HK ex UA4HKB), г. Чапаевск Самарской обл.; Публикация: Н. Большаков, rf.atnn.ru

Смотрите другие статьи раздела Гражданская радиосвязь.

Читайте и пишите полезные комментарии к этой статье.

<< Назад

Последние новости науки и техники, новинки электроники:

Питомцы как стимулятор разума 06.10.2025

Помимо эмоциональной поддержки, домашние питомцы могут оказывать заметное воздействие на когнитивные процессы, особенно у пожилых людей. Новое масштабное исследование показало, что общение с кошками и собаками не просто улучшает настроение - оно действительно способствует замедлению возрастного снижения умственных способностей. Работа проводилась в рамках проекта Survey of Health, Ageing and Retirement in Europe (SHARE), охватывающего период с 2004 по 2022 год. В исследовании приняли участие тысячи европейцев старше 50 лет. Анализ показал, что владельцы домашних животных демонстрируют более устойчивые когнитивные функции по сравнению с теми, кто не держит питомцев. Особенно выражен эффект оказался у владельцев кошек и собак. Согласно данным ученых, владельцы собак дольше сохраняют хорошую память, в то время как хозяева кошек медленнее теряют способность к быстрому речевому взаимодействию. Исследователи связывают это с тем, что ежедневное взаимодействие с животными требует внимани ...>>

Мини-ПК ExpertCenter PN54-S1 06.10.2025

Компания ASUSTeK Computer презентовала новый мини-компьютер ASUS ExpertCenter PN54-S1. Устройство ориентировано на пользователей, которым важно сочетание производительности, энергоэффективности и универсальности - от офисных задач до мультимедийных проектов. В основе ExpertCenter PN54-S1 лежит современная аппаратная платформа AMD Hawk Point, использующая архитектуру Zen 4. Это поколение чипов отличается улучшенным управлением энергопотреблением и повышенной вычислительной мощностью. Новинка доступна в конфигурациях с процессорами Ryzen 7260, Ryzen 5220 и Ryzen 5210, представленных AMD в начале 2025 года. Таким образом, устройство охватывает широкий диапазон задач - от базовых офисных до ресурсоемких вычислений. Корпус мини-ПК выполнен из прочного алюминия и имеет размеры 130&#215;130&#215;34 мм, что делает его практически незаметным на рабочем столе или за монитором. Несмотря на компактность, внутренняя компоновка позволяет установить два модуля оперативной памяти SO-DIMM ...>>

Глазные капли, возвращающие молодость зрению 05.10.2025

С возрастом человеческий глаз постепенно теряет способность четко видеть на близком расстоянии - развивается пресбиопия, или возрастная дальнозоркость. Этот естественный процесс связан с утратой эластичности хрусталика и ослаблением цилиарной мышцы, отвечающей за фокусировку. Миллионы людей по всему миру сталкиваются с необходимостью носить очки для чтения или прибегают к хирургическим методам коррекции. Однако исследователи из Центра передовых исследований пресбиопии в Буэнос-Айресе представили решение, которое может стать удобной и неинвазивной альтернативой - специальные глазные капли, способные улучшать зрение на длительный срок. Разработку возглавила Джованна Беноцци, директор Центра. По ее словам, цель исследования состояла в том, чтобы предоставить пациентам с пресбиопией эффективный и безопасный способ коррекции зрения без хирургического вмешательства. Новые капли, созданные на основе пилокарпина и диклофенака, показали убедительные результаты: уже через час после первого пр ...>>

Случайная новость из Архива

Жаропрочный алюминиевый сплав для аэрокосмической отрасли 03.06.2024

Введение новых материалов, способных выдерживать высокие температуры, имеет решающее значение для прогресса в аэрокосмической промышленности. Недавно китайская группа ученых из Тяньцинского университета объявила о разработке инновационного метода, позволяющего значительно повысить жаропрочность алюминиевых сплавов. Новый материал способен выдерживать температуры до 500 градусов Цельсия, что на 100 градусов выше по сравнению с традиционными алюминиевыми сплавами, применяемыми в авиастроении и ракетостроении.

Алюминиевые сплавы известны своей низкой плотностью, высокой удельной прочностью и отличной коррозионной стойкостью. Однако их недостаток в том, что они теряют свои механические свойства при температурах выше 350 градусов Цельсия, что ограничивает их использование в аэрокосмической отрасли. При повышении температуры до 400 градусов и выше, прочностные характеристики этих материалов значительно ухудшаются.

Чтобы решить эту проблему, ученые и инженеры под руководством Хэ Чуньяня добавили к обычному алюминиевому сплаву стабильные наночастицы оксида магния. Этот новый усиленный сплав сохраняет свои характеристики даже при температурах до 500 градусов Цельсия. Прочность нового сплава при этой температуре превышает прочность традиционных алюминиевых сплавов более чем в шесть раз. Наночастицы оксида магния не только повышают прочность сплава, но и обеспечивают высокую теплопроводность и коррозионную стойкость, а также имеют точку плавления выше 1000 градусов Цельсия.

Технология укрепления оксидной дисперсией (ODS) уже успешно используется для улучшения характеристик таких металлов, как железо, молибден, никель и вольфрам. Однако ранее она не применялась для алюминия, титана и магния из-за их высокой химической активности с кислородом. Ученые из Тяньцинского университета преодолели эту проблему, используя наночастицы оксида магния и метод порошковой металлургии.

Ведущий исследователь Хэ Чуньян отметил: "Производственный процесс нового сплава прост, рентабелен и легко масштабируем до промышленного уровня, что делает его особенно привлекательным для практического использования. Наша команда активно сотрудничает с ведущими промышленными и исследовательскими организациями для дальнейшего развития жаропрочных алюминиевых сплавов, которые могут использоваться в аэрокосмических двигателях и других критически важных компонентах".

Разработка нового жаропрочного алюминиевого сплава представляет собой значительный шаг вперед в аэрокосмической индустрии. Благодаря усилиям ученых из Тяньцинского университета теперь возможно использование алюминиевых сплавов в условиях высоких температур, что ранее было недостижимо. Эти новые материалы не только улучшат характеристики аэрокосмических двигателей и компонентов, но и откроют новые горизонты для технологического прогресса в этой области.

Другие интересные новости:

▪ Новое семейство многоканальных ЦАП

▪ Гигантский дисплей для офиса Microsoft Surface Hub 2

▪ Рыбья чешуя ускорит самолеты

▪ Внеземные галактические хиральные молекулы

▪ Почему нельзя наесться, если много есть

Лента новостей науки и техники, новинок электроники

 

Интересные материалы Бесплатной технической библиотеки:

▪ раздел сайта Начинающему радиолюбителю. Подборка статей

▪ статья И он пришел, плебей безвестный! Крылатое выражение

▪ статья На сколько дней можно искусственно продлить беременность после смерти мозга матери? Подробный ответ

▪ статья Обработчик информационного материала. Должностная инструкция

▪ статья Генератор качающейся частоты. Энциклопедия радиоэлектроники и электротехники

▪ статья Антигравитация. Секрет фокуса

Оставьте свой комментарий к этой статье:

Имя:


E-mail (не обязательно):


Комментарий:





Главная страница | Библиотека | Статьи | Карта сайта | Отзывы о сайте

www.diagram.com.ua

www.diagram.com.ua
2000-2025