Menu Home

Бесплатная техническая библиотека для любителей и профессионалов Бесплатная техническая библиотека


Электронная лампа. История изобретения и производства

История техники, технологии, предметов вокруг нас

Справочник / История техники, технологии, предметов вокруг нас

Комментарии к статье Комментарии к статье

Электронная лампа, радиолампа - электровакуумный прибор (точнее, вакуумный электронный прибор), работающий за счет управления интенсивностью потока электронов, движущихся в вакууме или разреженном газе между электродами.

Радиолампы массово использовались в ХХ веке как активные элементы электронной аппаратуры (усилители, генераторы, детекторы, переключатели и т. п.). В настоящее время практически полностью вытеснены полупроводниковыми приборами. Иногда еще применяются в мощных высокочастотных передатчиках и аудиотехнике.

Электронная лампа
Электронная лампа

Изобретение электронной лампы напрямую связано с развитием техники освещения. В начале 80-х годов XIX века знаменитый американский изобретатель Эдисон занимался усовершенствованием лампы накаливания. Одним из ее недостатков было постепенное уменьшение световой отдачи из-за потускнения баллона вследствие появления темного пятна на внутренней стороне стекла. Исследуя в 1883 году причины этого эффекта, Эдисон заметил, что часто на потускневшем стекле баллона в плоскости петли нити оставалась светлая, почти незатемненная полоса, причем эта полоса всегда оказывалась с той стороны лампы, где находился положительный ввод накальной цепи.

Дело выглядело так, будто часть угольной нити накала, примыкающая к отрицательному вводу, испускала из себя мельчайшие материальные частицы. Пролетая мимо положительной стороны нити, они покрывали внутреннюю сторону стеклянного баллона всюду, за исключением той линии на поверхности стекла, которая как бы заслонялась положительной стороной нити. Картина этого явления стала более очевидна, когда Эдисон ввел внутрь стеклянного баллона небольшую металлическую пластину, расположив ее между вводами нити накала. Соединив эту пластинку через гальванометр с положительным электродом нити, можно было наблюдать текущий через пространство внутри баллона электрический ток.

Электронная лампа
Опыт Эдисона

Эдисон предположил, что поток угольных частичек, испускаемых отрицательной стороной нити, делает часть пути между нитью и введенной им пластинкой проводящим, и установил, что поток этот пропорционален степени накала нити, или, другими словами, световой мощи самой лампы. На этом, собственно, и заканчивается исследование Эдисона. Американский изобретатель не мог тогда и представить, на пороге какого величайшего научного открытия он стоял. Прошло почти 20 лет, прежде чем наблюдавшееся Эдисоном явление получило свое правильное всестороннее объяснение.

Оказалось, что при сильном нагревании нити лампы, помещенной в вакуум, она начинает испускать в окружающее пространство электроны. Этот процесс получил название термоэлектронной эмиссии, и его можно рассматривать как испарение электронов из материала нити. Мысль о возможности практического использования "эффекта Эдисона" впервые пришла в голову английскому ученому Флемингу, который в 1904 году создал основанный на этом принципе детектор, получивший название "двухэлектродной трубки", или "диода" Флеминга.

Лампа Флеминга представляла собой обычный стеклянный баллон, заполненный разреженным газом. Внутри баллона помещалась нить накала вместе с охватывавшим ее металлическим цилиндром. Нагретый электрод лампы непрерывно испускал электроны, которые образовывали вокруг него "электронное облако". Чем выше была температура электрода, тем выше оказывалась плотность электронного облака. При подключении электродов лампы к источнику тока между ними возникало электрическое поле. Если положительный полюс источника соединяли с холодным электродом (анодом), а отрицательный - с нагретым (катодом), то под действием электрического поля электроны частично покидали электронное облако и устремлялись к холодному электроду. Таким образом между катодом и анодом устанавливался электрический ток. При противоположном включении источника отрицательно заряженный анод отталкивал от себя электроны, а положительно заряженный катод - притягивал. В этом случае электрического тока не возникало. То есть диод Флеминга обладал ярко выраженной односторонней проводимостью.

Электронная лампа
Двухэлектродная лампа Флеминга в приемной цепи: а - стеклянный баллон; b - угольная нить; с - алюминиевый цилиндр; d - впаянные платиновые проволочки для крепления цилиндра; ef - выводы; h - батарея; j - провода; к - вторичная обмотка; l - гальванометр; m - первичная обмотка; n - воздушные провода

Будучи включенной в приемную схему, лампа действовала подобно выпрямителю, пропуская ток в одном направлении и не пропуская в обратном, и могла служить таким образом волноуказателем - детектором. Для некоторого повышения чувствительности лампы подавался соответствующим образом подобранный положительный потенциал. В принципе приемная схема с лампой Флеминга почти ничем не отличалась от других радиосхем того времени. Она уступала в чувствительности схеме с детектором магнитного типа, но обладала несравненно большей надежностью.

Дальнейшим выдающимся достижением в области совершенствования и технического применения электронной лампы стало изобретение в 1907 году американским инженером Де Форестом лампы, содержащей дополнительный третий электрод. Этот третий электрод был назван изобретателем "сеткой", а сама лампа - "аудином", но в практике за ней закрепилось другое название - "триод". Третий электрод, как это видно уже из его названия, был не сплошным и мог пропускать электроны, летевшие от катода к аноду. Когда между сеткой и катодом включался источник напряжения, между этими электродами возникало электрическое поле, сильно влияющее на количество электронов, достигающих анода, то есть на силу тока, текущего через лампу (силу анодного тока). При уменьшении напряжения, подаваемого на сетку, сила анодного тока уменьшалась, при увеличении - возрастала. Если на сетку подавали отрицательное напряжение, анодный ток вообще прекращался - лампа оказывалась "запертой".

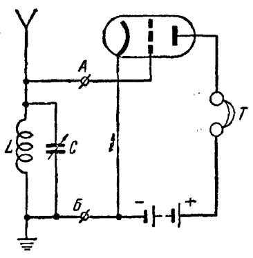
Замечательное свойство триода состояло в том, что управляющий ток мог быть во много раз меньше основного - ничтожные изменения напряжения между сеткой и катодом вызывали довольно значительные изменения анодного тока. Последнее обстоятельство позволяло использовать лампу для усиления малых переменных напряжений и открывало перед ней необычайно широкие возможности для практического применения. Появление трехэлектродной лампы повлекло за собой быструю эволюцию радиоприемных схем, так как возникла возможность в десятки и сотни раз усиливать принимаемый сигнал. Многократно возросла чувствительность приемников. Одна из ранних схем лампового приемника была предложена уже в 1907 году тем же Де Форестом.

Электронная лампа
Простейший ламповый радиотелеграф

Между антенной и заземлением здесь включен контур LC, на зажимах которого возникает переменное напряжение высокой частоты, образовавшееся под действием энергии, полученной из антенны. Это напряжение подавалось на сетку лампы и управляло колебаниями анодного тока. Таким образом, в анодной цепи получались усиленные колебания принимаемого сигнала, которые могли приводить в движение мембрану телефона, включенного в ту же цепь.

Первая трехэлектродная лампа-аудин Де Фореста имела множество недостатков. Расположение электродов в ней было таким, что большая часть электронного потока попадала не на анод, а на стеклянный баллон. Управляющее влияние сетки оказывалось недостаточным. Лампа была плохо откачана и содержала значительное число молекул газа. Они ионизировались и непрерывно бомбардировали нить накала, оказывая на нее разрушительное воздействие.

В 1910 году немецкий инженер Либен создал усовершенствованную электронную лампу-триод, в которой сетка была выполнена в форме перфорированного листа алюминия и помещалась в центре баллона, деля его на две части. В нижней части лампы находилась нить накала, в верхней - анод. Такое расположение сетки позволяло усиливать ее управляющее действие, так как через нее проходил весь электронный поток. Анод в этой лампе имел форму прутика или спирали из алюминиевой проволоки, а катодом служила платиновая нить. Особое внимание Либен обратил на увеличение эмиссионных свойств лампы. В этих целях впервые было предложено покрывать нить накала тонким слоем окисла кальция или бария. Кроме того, в баллон вводились ртутные пары, которые создавали дополнительную ионизацию и увеличивали тем самым катодный ток.

Электронная лампа
Лампа Либена: R - ламповый баллон; K - катод; A - анод; P - вспомогательный электрод, деливший баллон на две части и игравший роль сетки

Итак, электронная лампа сначала вошла в обиход в качестве детектора, потом - усилителя. Но ведущее место в радиотехнике она завоевала только после того, как была обнаружена возможность использовать ее для генерирования незатухающих электрических колебаний. Самый первый ламповый генератор создал в 1913 году замечательный немецкий радиотехник Мейсснер. На основе триода Либена он построил также первый в мире радиотелефонный передатчик и в июне 1913 года осуществил радиотелефонную связь между Науэном и Берлином на расстоянии 36 км.

Электронная лампа
Простейшая схема лампового генератора

Ламповый генератор содержал колебательный контур, состоящий из катушки индуктивности L и конденсатора C. Если такой конденсатор зарядить, то в контуре возникают затухающие колебания. Чтобы колебания не затухали, нужно компенсировать потери энергии за каждый период.

Следовательно, энергия от источника постоянного напряжения должна периодически поступать в контур. С этой целью в электрическую цепь колебательного контура включали ламповый триод, так что колебания с контура подавались на его сетку. В анодную цепь лампы включалась катушка Lc, индуктивно связанная с катушкой L колебательного контура. В момент включения схемы ток от батареи, постепенно нарастая, движется через триод и катушку Lc. При этом по закону электромагнитной индукции в катушке L будет находиться электрический ток, который заряжает конденсатор C. Напряжение с пластин конденсатора, как это видно из схемы, подается на катод и сетку. При включении положительно заряженная пластина конденсатора соединяется с сеткой, то есть заряжает ее положительно, что способствует росту тока, проходящего через катушку Lc. Это будет продолжаться до тех пор, пока анодный ток не достигнет максимума (ведь ток в лампе определяется количеством электронов, испаряемых с катода, а их число не может быть беспредельно - возрастая до какого-то максимума, этот ток уже больше не увеличивается при росте сеточного напряжения). Когда это произойдет, через катушку Lc потечет постоянный ток.

Поскольку индуктивная связь осуществляется только при переменном токе, в катушке L тока не будет. В связи с этим конденсатор начнет разряжаться. Положительный заряд сетки, следовательно, будет уменьшаться, а это немедленно скажется на величине анодного тока - он тоже будет уменьшаться. Следовательно, и ток через катушку Lc будет убывающим, что создаст в катушке L ток противоположного направления. Поэтому, когда конденсатор C окажется разряженным, уменьшающийся ток через Lc будет по-прежнему индуктировать ток в катушке L, вследствие чего пластины конденсатора будут заряжаться, но в противоположном направлении, так что на пластине, связанной с сеткой, будет накапливаться отрицательный заряд. Это вызовет в конце концов полное прекращение анодного тока - протекание тока через катушку L вновь прекратится, и конденсатор начнет разряжаться. Вследствие этого отрицательный заряд на сетке будет все меньше и меньше, снова появится анодный ток, который будет возрастать. Так весь процесс повторится сначала. Из этого описания видно, что через сетку лампы будет протекать переменный ток, частота которого равна собственной частоте колебательного контура LC. Но эти колебания будут не затухающими, а постоянными, поскольку они поддерживаются путем постоянного добавления энергии батареи через катушку Lc, индуктивно связанную с катушкой L.

Изобретение лампового генератора позволило сделать важный шаг в технике радиосвязи - кроме передачи телеграфных сигналов, состоявших из коротких и более продолжительных импульсов, стала возможна надежная и высококачественная радиотелефонная связь - то есть передача с помощью электромагнитных волн человеческой речи и музыки. Может показаться, что радиотелефонная связь не имеет в себе ничего сложного. В самом дела, звуковые колебания с помощью микрофона легко преобразуются в электрические. Почему бы, усилив их и подав в антенну, не передавать на расстояние речь и музыку точно так же, как передавался до этого код Морзе?

Однако в действительности такой способ передачи неосуществим, так как через антенну хорошо излучаются только мощные колебания высокой частоты. А медленные колебания звуковой частоты возбуждают в пространстве настолько слабые электромагнитные волны, что принять их нет никакой возможности. Поэтому до создания ламповых генераторов, вырабатывающих колебания высокой частоты, радиотелефонная связь представлялась чрезвычайно сложным делом. Для передачи звука эти колебания изменяют или, как говорят, модулируют с помощью колебаний низкой (звуковой) частоты. Суть модуляции заключается в том, что высокочастотные колебания генератора и низкочастотные от микрофона накладываются друг на друга и таким образом подаются в антенну.

Электронная лампа
Модуляция сигнала в радиотелефоне: сверху - высокочастотные сигналы генератора, посередине - низкочастотные колебания от микрофона, внизу - модулированные колебания

Модуляция может происходить разными способами. Например, микрофон включается в цепь антенны. Так как сопротивление микрофона меняется под действием звуковых волн, ток в антенне будет в свою очередь меняться; иначе говоря, вместо колебаний с постоянной амплитудой, мы будем иметь колебания с изменяющейся амплитудой - модулированный ток высокой частоты.

Принятый приемником модулированный высокочастотный сигнал даже после усиления не способен вызвать колебания мембраны телефона или рупора громкоговорителя со звуковой частотой. Он может вызвать только высокочастотные колебания, не воспринимаемые нашим ухом. Поэтому в приемнике необходимо произвести обратный процесс - из высокочастотных модулированных колебаний выделить сигнал звуковой частоты - или, говоря другими словами, произвести детектирование сигнала.

Детектирование осуществлялось с помощью вакуумного диода. Диод, как уже говорилось, пропускал ток только в одном направлении, превращая переменный ток в пульсирующий. Этот пульсирующий ток сглаживался с помощью фильтра. Простейшим фильтром мог быть конденсатор, подключенный параллельно с телефонной трубкой.

Электронная лампа
Простейший радиопередатчик, состоящий из лампового генератора и микрофона (М - микрофон)

Электронная лампа
Простейшая схема радиоприемника

Работа фильтра происходила так. В тот момент времени, когда диод пропускал ток, часть его ответвлялась в конденсатор и заряжала его. В промежутках между импульсами, когда диод оказывался заперт, конденсатор разряжался на трубку. Поэтому в интервале между импульсами ток протекал через трубку в ту же сторону, что и сам импульс. Каждый следующий импульс подзаряжал конденсатор. Благодаря этому через трубку протекал ток звуковой частоты, форма которого почти полностью воспроизводила форму низкочастотного сигнала на передающей станции. После усиления электрические колебания низкой частоты превращались в звук; Простейший детекторный приемник состоит из колебательного контура, связанного с антенной, и присоединенной к контуру цепи, состоящей из детектора и телефона.

Первые электронные лампы были еще очень несовершенны. Но в 1915 году Лэнгмюр и Гедэ предложили эффективный способ откачки ламп до очень малых давлений, благодаря чему на смену ионным лампам пришли вакуумные. Это подняло электронную технику на значительно более высокий уровень.

Автор: Рыжов К.В.

 Рекомендуем интересные статьи раздела История техники, технологии, предметов вокруг нас:

▪ Колесо и повозка

▪ Лазер

▪ Швейная машина

Смотрите другие статьи раздела История техники, технологии, предметов вокруг нас.

Читайте и пишите полезные комментарии к этой статье.

<< Назад

Последние новости науки и техники, новинки электроники:

Оптимальная продолжительность сна 12.11.2025

Сон играет ключевую роль в поддержании здоровья, когнитивных функций и общего самочувствия. Несмотря на широко распространенный стереотип о восьмичасовом сне, последние исследования показывают, что оптимальная продолжительность сна для большинства здоровых взрослых ближе к семи часам. Эволюционный биолог из Гарварда, Дэниел Э. Либерман, утверждает, что традиционная норма восьми часов сна - это скорее культурное наследие индустриальной эпохи, чем биологическая необходимость. По его словам, полевые исследования, проведенные в сообществах, не использующих электричество, показывают, что средняя продолжительность сна составляет 6-7 часов, что значительно отличается от общепринятого стандарта. Современные эпидемиологические данные подтверждают этот взгляд. Исследования выявили так называемую "U-образную кривую" зависимости между продолжительностью сна и рисками для здоровья. Минимальные показатели заболеваемости и смертности наблюдаются именно у людей, спящих около семи часов в сутки. ...>>

Дефицит кислорода усиливает выброс закиси азота 12.11.2025

Парниковые газы играют ключевую роль в изменении климата, а закись азота (N2O) - один из наиболее опасных среди них. Этот газ не только втрое сильнее углекислого газа в удержании тепла, но и разрушает озоновый слой. Недавнее исследование американских ученых показало, что микробы в зонах с низким содержанием кислорода активно производят N2O, усиливая глобальные климатические риски. Команда из Университета Пенсильвании изучала прибрежные воды у Сан-Диего и провела наблюдения на глубинах от 40 до 120 метров в Восточной тропической северной части Тихого океана - одной из крупнейших зон дефицита кислорода. Исследователи сосредоточились на том, как морские микроорганизмы превращают нитраты в закись азота. В ходе работы выяснилось, что существует два пути образования N2O. Один путь начинается с нитрата, другой - с нитрита. На первый взгляд более короткий путь должен быть эффективнее, однако микробы, использующие нитрат, продуцируют больше газа, поскольку этот "сырьевой" источник более д ...>>

Омега-3 помогают молодым кораллам выживать 11.11.2025

Сохранение коралловых рифов становится все более актуальной задачей в условиях глобального изменения климата. Молодые кораллы особенно уязвимы на ранних стадиях развития, когда стрессовые условия и нехватка питательных веществ могут привести к высокой смертности. Недавнее исследование ученых из Технологического университета Сиднея показывает, что специальные пищевые добавки способны существенно повысить выживаемость личинок кораллов. В ходе работы исследователи разработали особый состав "детского питания" для коралловых личинок. В него вошли масла, богатые омега-3 жирными кислотами, а также важные стерины, необходимые для формирования клеточных мембран. Личинки, получавшие эти добавки, развивались быстрее, становились крепче и демонстрировали более высокую устойчивость к стрессовым факторам. Особое внимание ученые уделили липидам. Анализ показал, что личинки активно усваивают эти вещества, что напрямую влияет на их жизнеспособность. Стерины, содержащиеся в корме, повышают устойчи ...>>

Случайная новость из Архива

Создана смола с уникальными свойствами 12.07.2025

Ученые из Техасского университета в Остине разработали уникальную жидкую смолу, способную менять свои свойства под воздействием разных цветов света.

Новая технология была вдохновлена природой: строением человеческого тела, где твердые кости идеально сочетаются с эластичными связками, образуя надежную и при этом гибкую систему без слабых мест. Исследователи перенесли эту идею в мир 3D-печати, создав жидкий фотополимер, который по-разному реагирует на фиолетовый и ультрафиолетовый свет.

Под воздействием фиолетового света смола становится мягкой и эластичной, напоминающей резину, а при ультрафиолетовом излучении она быстро затвердевает, превращаясь в прочный пластик. Такой способ позволяет создавать изделия с плавным переходом от гибких к жестким участкам, что исключает риск разрыва на стыках.

Для демонстрации возможностей материала команда напечатала прототип коленного сустава с жесткими "костями" и эластичными "связками". Кроме того, они создали гибкое электронное устройство, внутри которого проложена тонкая золотая проволока, способная выдерживать сильные деформации без повреждений. Ученые были впечатлены, что мягкие части легко растягиваются и возвращаются в исходную форму, а жесткие сегменты не уступают по прочности традиционным пластикам бытового назначения.

Новый метод позволяет производить изделия быстрее и с более высоким разрешением по сравнению с предыдущими технологиями. При этом стоимость материалов и оборудования остается доступной, что делает технологию привлекательной для применения в медицинских учреждениях, научных лабораториях и учебных заведениях.

Исследователи уверены, что новая смола и технология печати откроют перспективы для создания медицинских имплантов, носимых устройств и других продуктов, которые смогут взаимодействовать с человеческим телом столь же органично, как природные ткани и органы.

Другие интересные новости:

▪ Полнокадровый автофокусный объектив Meike 85mm F/1.8

▪ Солнечных панелей в Токио станет больше

▪ Лампочка для компьютера

▪ Открытие пентакварка

▪ Солнечные подсолнухи для освещения городов

Лента новостей науки и техники, новинок электроники

 

Интересные материалы Бесплатной технической библиотеки:

▪ раздел сайта Применение микросхем. Подборка статей

▪ статья Химическое загрязнение атмосферы. Основы безопасной жизнедеятельности

▪ статья Почему в Венеции так много каналов? Подробный ответ

▪ статья Обслуживание водогрейных котлов ЗИО-60, Е/1-0-9г на газообразном топливе. Типовая инструкция по охране труда

▪ статья Чистка позолоты. Простые рецепты и советы

▪ статья Нужное слово. Секрет фокуса

Оставьте свой комментарий к этой статье:

Имя:


E-mail (не обязательно):


Комментарий:





Главная страница | Библиотека | Статьи | Карта сайта | Отзывы о сайте

www.diagram.com.ua

www.diagram.com.ua
2000-2025