Menu Home

Бесплатная техническая библиотека для любителей и профессионалов Бесплатная техническая библиотека


Абиссинский колодец. Советы домашнему мастеру

Строителю, домашнему мастеру

Справочник / Строителю, домашнему мастеру

Комментарии к статье Комментарии к статье

Еще не во всех деревнях и поселках существует водопровод, а на дачных и садовых участках его часто нет вообще - воду приходится брать из колодцев. Как правило, это шахтные водоемы, и далеко не всегда они находятся вблизи дома. А что если колодец соорудить прямо на участке? Однако копать шахту - дело весьма трудоемкое, придется перекидать немало земли. Более доступен трубчатый колодец. Хватит ли в нем воды? Дебит колодца обычно мало зависит от размеров его поперечного сечения. Поэтому трубчатый источник, если он правильно построен и грамотно обслуживается, обеспечит потребность приусадебного участка не хуже шахтного и не уступит ему в долговечности. К тому же он не пропускает поверхностные загрязнения и благодаря этому наиболее безопасен в санитарно-гигиеническом отношении.

Приступая к строительству колодца, надо собрать по возможности более полные сведения о характере горных пород до водоносного горизонта. При этом следует учитывать, что твердые каменные слои и валунно-галечные отложения пройти с помощью самодельного инструмента трудно. Если же водоносный пласт состоит из рыхлых зернистых пород (песок, смесь песка с галькой), проще всего сделать так называемый абиссинский забивной колодец.

Весьма полезные сведения о нем содержатся в старинной литературе.

В России источники подобного типа испытывались в 1869 году в нескольких местах возле Царского Села. Несмотря на содержание в поверхностных слоях известнякового камня, удалось получить свежую и холодную воду. За 10 минут колодец был вбит на глубину около 3 м и через полчаса насос, навинченный на конец трубы, давал довольно чистую воду - одно ведро в минуту.

Устройство абиссинского колодца несложно. По описанию К. И. Маслянникова, относящемуся к 1889 году, конструкция состоит из трубы с отверстиями, снабженной на конце копьевидным наконечником. Внутри - клапан в виде шарика. Следующие принадлежности - копер (легкий металлический треножник) и бабка. Для получения воды устанавливают треножник, навинчивают наконечник на газовую трубу и бабкой заколачивают ее в землю.

Абиссинский колодец
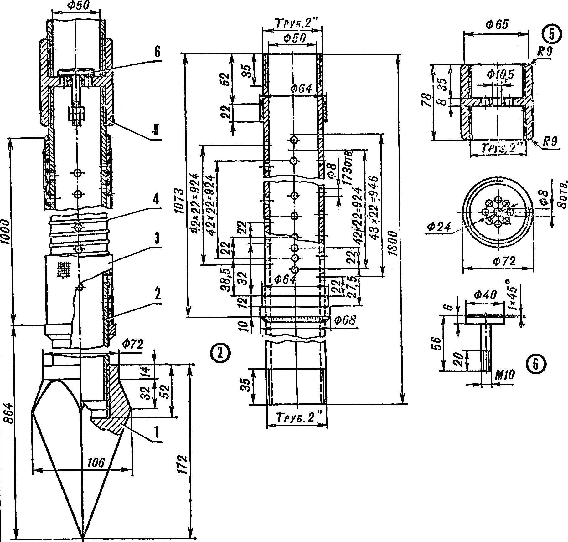
Рис. 1 (нажмите для увеличения). Абиссинский забивной колодец: 1 - копьевидный наконечник, 2 - водоприемная груба с отстойником, 3 - сетка, 4 - проволока, 5 - муфта, 6 - клапан

Абиссинский колодец
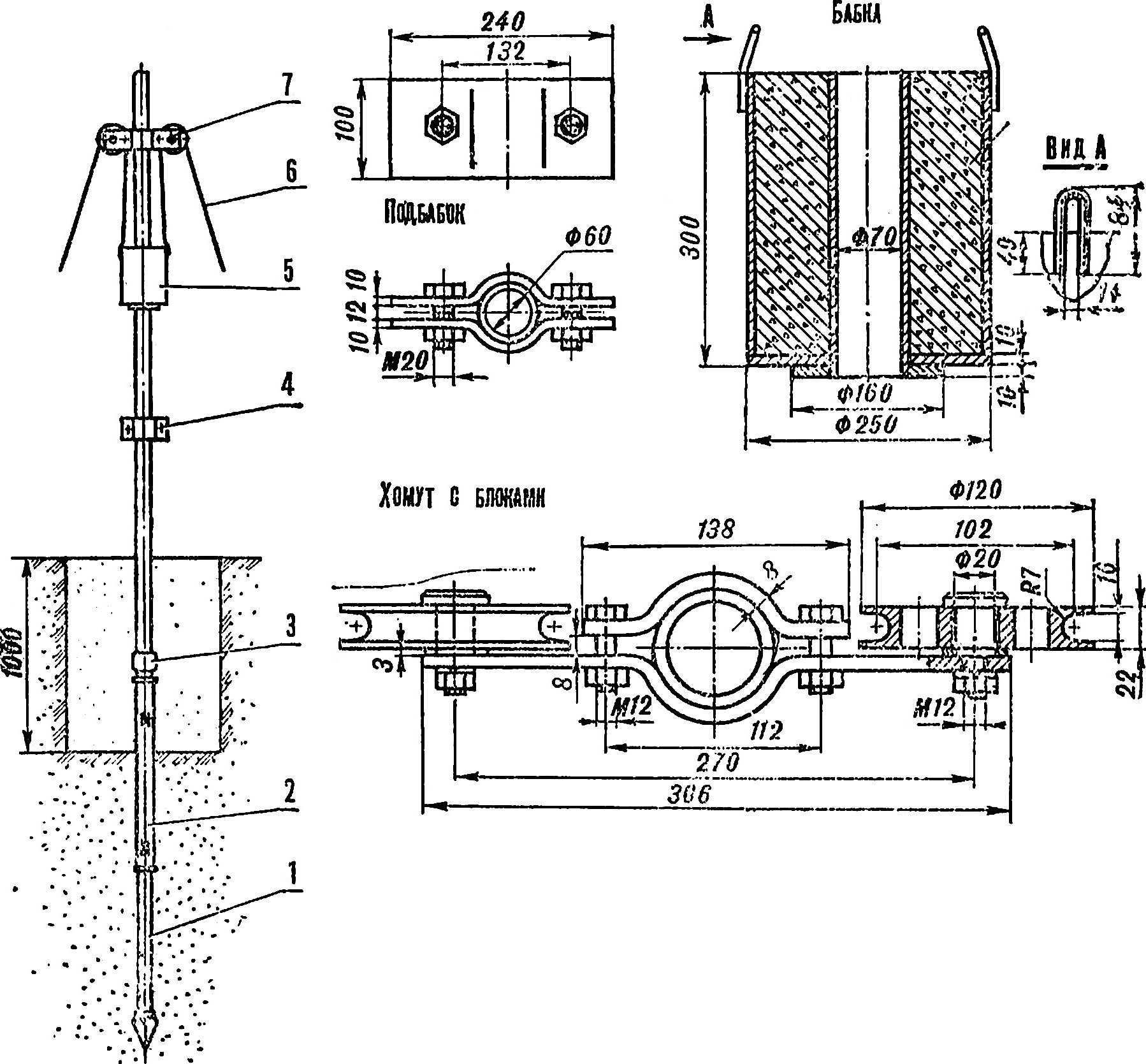
Рис. 2 (нажмите для увеличения). Забивка абиссинского колодца: 1 - отстойник, 2 - сетчатый фильтр, 3 - муфта с клапаном, 4 - подбабок, 5 - бабка, 6 - шнур подъема бабки, 7 - хомут с блоками

В том виде, в котором этот источник водоснабжения описан К. И. Маслянниковым, он имеет ряд недостатков, но их в настоящее время сравнительно легко устранить. Примитивный фильтр - просто перфорированная труба. Наибольшая глубина подъема воды 7 м. Последнее объясняется применением всасывающего насоса, действующего за счет атмосферного давления. Устройство можно модернизировать - фильтр сделать сетчатым, а воду поднимать с помощью малогабаритного погружного насоса.

Водозаборная часть такого колодца представляет собой трубу с отверстиями для прохода воды, снабженную сетчатым фильтром, тарельчатым клапаном и копьевидным наконечником. Плотность посадки клапана обеспечивается резиновой прокладкой.

Копьевидный наконечник выполняют из твердой стали. Проволока (нержавеющая сталь, медь или ее сплавы, нихром) нужна для того, чтобы отодвинуть сетку от отверстий трубы, увеличивая этим "скважность" - пропускную способность фильтра для воды. Поэтому проволоку наматывают с зазором между витками, закрепляя ее в нескольких местах по длине трубы сваркой или пайкой медью. Поверх спирали располагается сетчатый фильтр. Сетка (латунь или нержавеющая сталь) может быть галунного или простого квадратного плетения. Предпочтительнее первая - в ней проволока основы более толстая и расположена на некотором расстоянии одна от другой, а проволока утка тонкая и прилегает вплотную друг к другу. Отверстия в галунной сетке имеют щелевидную форму и поэтому меньше засоряются, чем в обычной.

Сетку крепят к трубе сваркой, пайкой или сшивкой. При применении сварки или пайки сначала прихватывают один край, затем, натягивая на трубу, закрепляют второй. Сшивку ведут так. Перед обтяжкой измеряют окружность трубы. Исходя из полученной величины отрезают сетку, оставив припуск для заправки концов. Их загибают внутрь, в места изгиба вставляют проволочные стержни 0 2,5-3,0 мм и сшивают проволокой. Верхнюю и нижние кромки приваривают или припаивают к трубе. Водоприемная часть, находящаяся ниже фильтра, должна иметь глухой резервуар: он будет служить сборником песка и ила, проникнувших через фильтр. Стремиться к тому, чтобы фильтр задерживал мельчайшие фракции песка, не следует - они, пройдя через сетку, либо вынесутся потоком воды на поверхность при откачке, либо осядут в отстойнике. Вокруг трубы в водоносном слое при этом образуется окружение из более крупных частиц песка или гравия, которые впоследствии сами будут играть роль естественного фильтра.

Перед забивкой колодца роют яму 800х800х1000 мм. Затем, присоединив к фильтру удлинительную трубу, на ней на расстоянии 1000-1500 мм от конца закрепляют подбабок. Надев на трубу бабку, в верхней части закрепляют хомут с двумя блоками так, чтобы свободный ход бабки составлял 1000-1300 мм. Трубу устанавливают в центре ямы, засыпают грунтом и утрамбовывают. Теперь можно забивать колодец. Для этого бабку поднимают за веревки в предельно верхнее положение и отпускают. Падая, она ударяет по нижнему хомуту. По мере заглубления навинчивают последующие трубы. Чтобы определить в процессе забивки, не появилась ли в колодце вода, в него периодически опускают на шнуре тонкую трубку небольшой длины. При ее соприкосновении с водой раздается характерный хлопок. Колодец заглубляют до тех пор, пока фильтр не погрузится в водоносный слой и уровень жидкости в трубе не поднимется над верхним краем фильтра на 500-1000 мм. После этого забивку прекращают, а воду откачивают до полного ее осветления.

Если вода в колодце залегает не глубже 7 м, ее можно поднимать на поверхность всасывающим насосом, действующим за счет атмосферного давления. Его устанавливают непосредственно на трубе, выходящей из земли, обеспечивая с ней надежное соединение. При большей глубине потребуется погружной насос. Его нетрудно сделать, взяв за основу глубинный бытовой насос НГ-1, выпускаемый Бийским машиностроительным заводом. Насос имеет наружный Ø 57 мм, поэтому в комплекте он может быть использован для подъема воды из абиссинского колодца с внутренним диаметром не менее 70 мм. Для самостоятельного изготовления рекомендуется диаметр не более 50 мм, что позволяет использовать поршень насоса НГ-1, поскольку диаметр цилиндра насоса как раз 50 мм. Если же абиссинский колодец выполняется из труб меньшего диаметра, размеры поршня надо соответственно изменить.

В заключение напомним, что для строительства колодца необходимо получить разрешение в местном Совете народных депутатов, региональной гидрогеологической (гидрорежимной) партии и санэпидемстанции.

Автор: В.Долин

 Рекомендуем интересные статьи раздела Строителю, домашнему мастеру:

▪ Загородная мебель

▪ Рыбалка без воды

▪ Домашняя наковальня

Смотрите другие статьи раздела Строителю, домашнему мастеру.

Читайте и пишите полезные комментарии к этой статье.

<< Назад

Последние новости науки и техники, новинки электроники:

Питомцы как стимулятор разума 06.10.2025

Помимо эмоциональной поддержки, домашние питомцы могут оказывать заметное воздействие на когнитивные процессы, особенно у пожилых людей. Новое масштабное исследование показало, что общение с кошками и собаками не просто улучшает настроение - оно действительно способствует замедлению возрастного снижения умственных способностей. Работа проводилась в рамках проекта Survey of Health, Ageing and Retirement in Europe (SHARE), охватывающего период с 2004 по 2022 год. В исследовании приняли участие тысячи европейцев старше 50 лет. Анализ показал, что владельцы домашних животных демонстрируют более устойчивые когнитивные функции по сравнению с теми, кто не держит питомцев. Особенно выражен эффект оказался у владельцев кошек и собак. Согласно данным ученых, владельцы собак дольше сохраняют хорошую память, в то время как хозяева кошек медленнее теряют способность к быстрому речевому взаимодействию. Исследователи связывают это с тем, что ежедневное взаимодействие с животными требует внимани ...>>

Мини-ПК ExpertCenter PN54-S1 06.10.2025

Компания ASUSTeK Computer презентовала новый мини-компьютер ASUS ExpertCenter PN54-S1. Устройство ориентировано на пользователей, которым важно сочетание производительности, энергоэффективности и универсальности - от офисных задач до мультимедийных проектов. В основе ExpertCenter PN54-S1 лежит современная аппаратная платформа AMD Hawk Point, использующая архитектуру Zen 4. Это поколение чипов отличается улучшенным управлением энергопотреблением и повышенной вычислительной мощностью. Новинка доступна в конфигурациях с процессорами Ryzen 7260, Ryzen 5220 и Ryzen 5210, представленных AMD в начале 2025 года. Таким образом, устройство охватывает широкий диапазон задач - от базовых офисных до ресурсоемких вычислений. Корпус мини-ПК выполнен из прочного алюминия и имеет размеры 130&#215;130&#215;34 мм, что делает его практически незаметным на рабочем столе или за монитором. Несмотря на компактность, внутренняя компоновка позволяет установить два модуля оперативной памяти SO-DIMM ...>>

Глазные капли, возвращающие молодость зрению 05.10.2025

С возрастом человеческий глаз постепенно теряет способность четко видеть на близком расстоянии - развивается пресбиопия, или возрастная дальнозоркость. Этот естественный процесс связан с утратой эластичности хрусталика и ослаблением цилиарной мышцы, отвечающей за фокусировку. Миллионы людей по всему миру сталкиваются с необходимостью носить очки для чтения или прибегают к хирургическим методам коррекции. Однако исследователи из Центра передовых исследований пресбиопии в Буэнос-Айресе представили решение, которое может стать удобной и неинвазивной альтернативой - специальные глазные капли, способные улучшать зрение на длительный срок. Разработку возглавила Джованна Беноцци, директор Центра. По ее словам, цель исследования состояла в том, чтобы предоставить пациентам с пресбиопией эффективный и безопасный способ коррекции зрения без хирургического вмешательства. Новые капли, созданные на основе пилокарпина и диклофенака, показали убедительные результаты: уже через час после первого пр ...>>

Случайная новость из Архива

Двухроторная вертикальная турбина 19.02.2025

Разработка эффективных и компактных ветрогенераторов для городской среды является актуальной задачей в условиях стремления к устойчивой энергетике. Команда ученых из Индии, Италии и Сингапура представила инновационную конструкцию ветряной турбины с вертикальной осью, которая, по их мнению, идеально подходит для установки на крышах жилых домов. Результаты исследования были опубликованы в журнале Nature.

Ключевой особенностью новой турбины является использование двух наборов лопастей, вращающихся одновременно в противоположных направлениях. Такая конструкция, благодаря синергетическому эффекту, обеспечивает значительно более высокую выходную мощность по сравнению с традиционными вертикальными турбинами.

Согласно результатам оптимизации, представленным учеными, новая турбина демонстрирует увеличение мощности на 14%. Лопасти турбины имеют аэродинамический профиль NACA 0018, длину хорды 0,12 метра и длину самой лопасти 2 метра. Важным преимуществом данной конструкции является отсутствие необходимости в дополнительных механизмах для борьбы с крутящим моментом.

Для проведения испытаний ученые использовали ветроулавливающее устройство на основе турбины, которое было поднято в воздух с помощью аэростата. Компьютерный анализ потоков воздуха показал, что такой подход позволяет увеличить выходную мощность на 32% и мгновенный крутящий момент на 40% при динамической остановке. Кроме того, устройство улучшает перенаправление потока в плоскость ротора, обеспечивая прирост мощности на 58% при угле перекоса 10°. Уменьшение вихреобразования на концах лопастей также способствует снижению уровня шума, что особенно важно в городских условиях.

Компактность и эффективность новой турбины делают ее идеальной для установки на крышах с ограниченным пространством. Это позволяет снизить количество необходимых турбин для обеспечения энергопотребления, а также уменьшить уровень шума и улучшить эстетический вид. Конструкция турбины также предусматривает возможность ее интеграции с другими источниками возобновляемой энергии, такими как солнечные панели, для обеспечения более стабильного электроснабжения.

Развитие маломасштабной ветроэнергетики играет важную роль в переходе к устойчивым источникам энергии. В городских условиях, где традиционные горизонтальные ветряные турбины сталкиваются с ограничениями, вертикальные ветрогенераторы становятся все более привлекательной альтернативой.

Вертикальные турбины обладают рядом преимуществ, включая способность улавливать ветер с любого направления и работать в условиях турбулентных потоков. Они также отличаются простотой обслуживания и производства.

Среди вертикальных турбин наибольшее распространение получили турбины с прямыми лопастями, благодаря их простой конструкции и высокой эффективности. Однако, сложная динамика воздушных потоков ограничивает их производительность. Новая разработка ученых направлена на преодоление этих ограничений и повышение эффективности вертикальных ветрогенераторов для использования в городской черте.

Другие интересные новости:

▪ Самодвижущиеся умные кресла

▪ Небесная рыба

▪ Домашний очиститель воздуха Xiaomi Mi Air Purifier Maх

▪ Нанопровода для кремниевой фотоники

▪ Кевлар для аккумулятора

Лента новостей науки и техники, новинок электроники

 

Интересные материалы Бесплатной технической библиотеки:

▪ раздел сайта Заземление и зануление. Подборка статей

▪ статья Новая буква в алфавите. Искусство аудио

▪ статья Какое животное самое длинное? Подробный ответ

▪ статья Роликовый узел. Советы туристу

▪ статья Параметрические датчики. Энциклопедия радиоэлектроники и электротехники

▪ статья Стабилизатор частоты вращения электродвигателя постоянного тока. Энциклопедия радиоэлектроники и электротехники

Оставьте свой комментарий к этой статье:

Имя:


E-mail (не обязательно):


Комментарий:





Главная страница | Библиотека | Статьи | Карта сайта | Отзывы о сайте

www.diagram.com.ua

www.diagram.com.ua
2000-2025