Menu Home

Бесплатная техническая библиотека для любителей и профессионалов Бесплатная техническая библиотека


Трансивер YES-98. Энциклопедия радиоэлектроники и электротехники

Бесплатная техническая библиотека

Энциклопедия радиоэлектроники и электротехники / Гражданская радиосвязь

Комментарии к статье Комментарии к статье

Публикуется с сокращениями

Трансивер YES-98 в начале задумывался как конструкция выходного дня, но в процессе работы над ним были найдены достаточно оригинальные схемотехнические решения, позволяющие создать относительно простой, переносной, малогабаритный трансивер со следующими основными параметрами:

  • Чувствительность при С/Ш 10 дБ - не хуже 0.15 мкВ;
  • Динамический диапазон по интермодуляции - не менее 90 дБ;
  • Полоса пропускания - 2,4 кГц.
  • Подавление несущей и боковой полосы - более 50 дБ;
  • Выходная мощность - более 50 Вт;
  • Напряжение питания - 13 вольт, ток потребления до 9 А.

Трансивер работает в режиме SSB на диапазонах 1,9; 3,5; 7; 14; 21; 28 МГц как от автомобильного так и от сетевого блока питания. В нем используется одно преобразование с промежуточной частотой 8,82 МГц, определяемой выбранным кварцевым фильтром. Блок-схема трансивера приводится на рис.1.

Трансивер YES-98
(нажмите для увеличения)

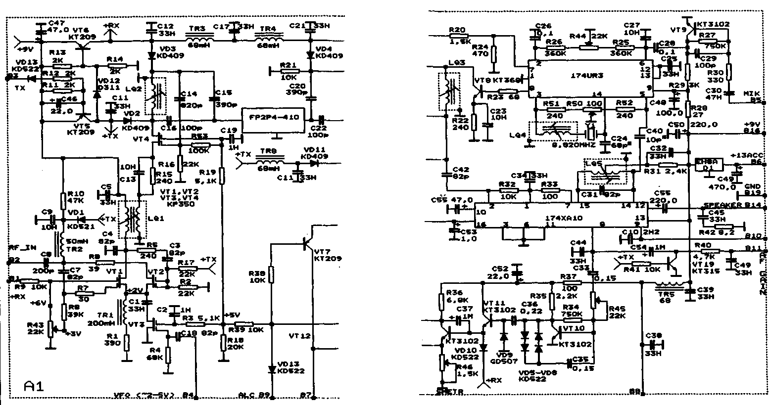
Трансивер состоит из 7 блоков с минимально необходимым количеством органов управления. В режиме приема сигнал с антенного входа через аттенюатор (А5) и трехконтурный ДПФ (А6, рис.3), переключаемый диодами, поступает на смеситель приемника (VT1) в блоке (А1, рис.2). Работа подобного смесителя подробно описан а в [I].

Сигнал ПЧ, выделенный контуром L1, C4, поступает на реверсивный усилитель ПЧ (VT4) и далее на кварцевый фильтр типа ФП2П4-410 (из набора "Кварц-35"). При помощи L2, С15, С16 и L3, С20, С22 достигается неравномерность в полосе пропускания фильтра менее 1 дБ. Коммутация контуров осуществляется диодами VD2 ... 4, VD11 типа КД409. Далее, отфильтрованный сигнал ПЧ, через С42 проходит на вход усилителя ПЧ в микросхеме К174ХА10. Усиленный сигнал выделяется контуром L8, С31 и далее вместе с сигналом опорного генератора 8,82 МГц подается на вход SSB детектора - на 14 ножку микросхемы УПЧ.

С выхода детектора низкочастотный сигнал через регулятор громкости подается на вход (9 ножка) усилителя низкой частоты и далее на телефоны или на динамик.

Одновременно сигнал с детектора подается на усилитель АРУ (VT10 ... 12), чувствительность которого регулируется резистором R45. Для увеличения глубины АРУ введен транзистор VT7. К эмиттеру VT12 подключен прибор S-метра, на котором с достаточной точностью отображаются принимаемые сигналы с уровнями от S3 до S9 +20 дБ. Напряжение АРУ воздействует на затворы транзистора VT4 реверсивного усилителя (VT4). а также на второй затвор транзистора (VT3), который используется в качестве ключа смесителей RX / ТХ. На первый затвор (VT3) подается сигнал с ГПД (блок А 2, рис.4).

ГПД собран по классической схеме на полевом транзисторе VT1 (блок А 2), где в качестве емкостного делителя исток-затвор используется варикап КВС111 (VD3). Перестройка по частоте осуществляется 20-ти оборотным переменным резистором (R-VAR). Вместо реле, которые нарушают тепловой баланс ГПД, для коммутации диапазонов применяются диоды КД409.

ГПД генерирует сигналы с частотой от 15,82 МГц до 25,2 МГц с последующим делением. Коэффициент деления для каждого диапазона указан в таблице на рис.4 (блок А2). Сигнал ГПД через развязывающий каскад (VT2) приходит на цифровой коммутатор-делитель частоты.

Необходимые частоты ГПД со стабильной амплитудой усиливаются транзисторами VT4, VT5 до уровня 4 - 5 В и подаются на смесители RX - ТХ, а также на входной формирователь ЦАПЧ на транзисторах VT1, 2 (блок А7, рис.3).

Для формирования сигналов "счет, сброс и запись" в блоке А7 используются сигналы с частотой 1 и 2 Гц от микросхемы DD4, которая является кварцованным генератором-делителем частоты. С выходов делителя на 16 (блок А7. микросхема DD1) сигнал в коде 1-2-4-8, в конце счета переписывается в микросхему памяти DD2, откуда в том же коде цифровые сигналы с помощью матрицы R-2R формируют 16 ступенек постоянного напряжения, которое через сглаживающий фильтр R15, С3, R17 воздействует на варикап VD13, осуществляя подстройку частоты с целью ее стабилизации. Шаг перестройки ГПД, таким образом, равен 64 Гц. Это значит, что неточность настройки на корреспондента в среднем будет равна 32 Гц.

В режиме передачи сигнал с микрофона, усиленный транзистором VT9 (блок А1), подается на вход балансного модулятора, собранного на микросхеме К174УРЗ, рис.2. На этой же микросхеме собраны кварцевый опорный генератор и предварительный усилитель DSB.

В режиме ТХ напряжение на конт. 7 микросхемы К174УРЗ равно нулю, что приводит к появлению на конт. 8 сигнала DSB, который с помощью VT8 усиливается и выделяется контуром 1.3, С20, С22. После кварцевого фильтра SSB сигнал подается на первый затвор VT4, где усиливается по мощности и с помощью катушки связи выделяется в контуре LI, C4, откуда подается на затвор VT2 который образует совместно с VT3 смеситель ТХ. В это время VT1 надежно закрыт напряжением -2В между затворами и истоком.

Сформированный диапазонный сигнал выделяется соответствующими контурами ДПФ (блок А6, рис.3) и с уровнем 150 ... 200 мВ подается на предусилитель VT2 (блок А5, рис.5), с выхода которого усиленный сигнал поступает на двухтактный драйвер, собранный по классической схеме на транзисторах VТ VT2 (блок A3, рис.5). Далее сигнал усиливается по мощности двухтактным широкополосным усилителем на VT5 и VT6, обеспечивающим хорошую линейность усиления сигналов SSB. Подробно с этим усилителем можно познакомиться и [2]

Рис.2. Блок А1 - Основная плата трансивера "Yes-98" (49 Кб)

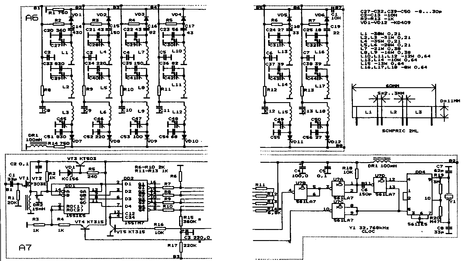
Рис.3. Блоки А6 - Диапазонные полосовые фильтры и А7 - ДПКД (48 Кб)

Рис.4. Блок А2 - ГПД 44 Кб)

Рис.5. Блоки A3 - PA, А4 - КСВ-метр, А5 - драйвер ТХ и аттенюатор (40 Кб)

В виду малых габаритных размеров трансивера и теплоотвода (радиатора) усилителя мощности (УМ), а также во избежание перегрева, максимальная выходная мощность ограничена и не превышает 50 Вт на нагрузке 50 Ом. Ограничение мощности производится резистором R5 (блок A3, рис.5). С выхода УМ усиленный сигнал проходит через фильтр низких частот (ФНЧ) с частотой среза 33 МГц - Cl, L1, С2, C3 L2 (блок А4, рис.5) и далее через КСВ-метр и контакты реле RS1 подается в антенну (блок А5, рис.5). Одного ФНЧ на выходе УМ оказалось вполне достаточно, в силу того, что выходной сигнал имеет малый уровень гармоник. В процессе работы в эфире помехи телевидению не наблюдались.

В режиме ТХ измерительный прибор подключается к КСВ-метру для индикации проходящей мощности или КСВ. Транзистор VT 1 и диод VD3 (блок А4, рис.5) в режиме ТХ уменьшает напряжение на затворах транзисторов VT3 и VT4 (блок А1, рис.2) при повышенных значениях КСВ, образуя систему ALC. Ее эффективность настолько высока, что допускает обрыв или короткое замыкание в цепи антенны при максимальной отдаваемой мощности. Перевод трансивера из режима RX в ТХ и наоборот происходит с помощью ключей VT5, VT6 (блок А1), которые формируют управляющие напряжения +RX и +ТХ. Детали и конструкция трансивера

Трансивер "Yes-98" - довольно сложное устройство и для его сборки желательно иметь полную конструкторскую документацию и чертежи печатных плат. Из-за ограниченного пространства сборника не приводятся. Комплект чертежей можно получить у автора, его адрес - в конце статьи, прим. R W3A V.

Конструкция трансивера блочная, шасси изготовлено из листового дюралюминия толщиной 4-5 мм. Элементы блоков Al, A2, A3 смонтированы на печатных платах из двухстороннего стеклотекстолита, а блоков А4, А5, А6 и А7 - из одностороннего стеклотекстолита. При самостоятельном конструировании следует учесть, что контуры печатных проводников плат A2, А4, А5, А7, A3 (контуры дорожек с плавными изгибами) изображены со стороны деталей, поэтому на заготовки плат их необходимо переносить в зеркальном отображении. На плате A2 фольга со стороны деталей оставлена в отсеке, где установлены микросхемы DD1 ... DD3 и транзисторы VT4, VT5 (блок A2, рис.8). Плата ГПД - (блок A2) запаяна в коробочку из жести со съемными крышками. На плате А6 (ДПФ) все конденсаторы контуров фильтров установлены со стороны дорожек.

Каркасы для катушек ДПФ изготовлены из одноразовых шприцов на 2 мл. Каркас для катушки ГПД L1 - керамический. Все каркасы катушек блока Al гладкие длиной 15 мм и диаметром 6,5 мм. На каркасы (с латунными сердечниками) L1 и L2 намотано по 45 витков провода ПЭВ-0,2. Катушка связи контура L1, С4 имеет 4 витка ПЭВ-0,31. Катушка L5 намотана в два провода и содержит 15 витков ПЭВ-0,31. Все дроссели используются типа ДМ.

Трансформатор Т1 (блок А5, рис.1) намотан проводом ПЭВ-0,31 на кольце марки 1000НН К12х5х5 и содержит 2х8 витков. Трансформатор Т1 драйвера (блок A3, рис.5) намотан проводом ПЭВ-0,31 на кольце 1000НН К12х8х6 и содержит 3х9 витков. Дроссели L1 и L2 представляют собой ферритовые трубочки от дросселей ДМ длиной 10 мм, надетые на провода, идущие к R4. Трансформатор Т2 изготовлен в виде "бинокля" из 4-х колец 1000НН К 12х5х5 и содержит 3 витка провода МГТФ с отводом от середины. Трансформатор Т3 намотан на двух кольцах 1000НН К12х5х5 и содержит 2х8 витков провода ПЭВ-0,67. Выходной трансформатор Т4 также "бинокль" и набран из 6-ти колец 1000НН К 12х5х5, выходная обмотка содержит 3 витка провода МГТФ толщиной 1мм.

Дроссель DR2 содержит 20 витков провода ПЭВ-0,67, намотанных на кольце 1000НН К 12х5х5. Трансформатор КСВ-метра Т1 намотан на кольце 1000НН К12х5х5 и содержит 28 витков ПЭЛШО-0,31, равномерно намотанных по всей окружности кольца.

Настройка трансивера

Для настройки трансивера потребуются некоторые электронные измерительные приборы. Как минимум понадобится высокочастотный осциллограф, измеритель амплитудно-частотных характеристик и самодельный прибор для определения линейности радиочастотного тракта - "Динамика".

Настройку трансивера начинают с блока ГПД (блок A2). Подбирая конденсаторы, входящие в колебательный контур, укладывают генерируемые частоты в нужный диапазон, не забывая, при этом, про термостабильность с учетом ТКЕ используемых конденсаторов. Изменяя в некоторых пределах С22 и R22, добиваются выходного напряжения около 5 В на всех диапазонах. Затем, с помощью измерителя АЧХ (Х1-48), настраивают ДПФ (блок Аб), подключив к его выходу резистор 10 кОм и конденсатор 15 пФ и, естественно, детекторную головку XI-48. Подбором контурных конденсаторов, и изменением расстояния между катушками, добиваемся нужной АЧХ с неравномерностью 1 дБ.

Настройку основной платы (блок A1, рис.2) надо начать с установки частоты опорного генератора на нижний скат кварцевого фильтра с помощью L4 и С24. Затем, подав сигнал ГПД на контакт В4 и сигнал от ГСС на контакт В2, следует настроить контура УПЧ на частоту кварцевого фильтра. Подключив блок Al к блоку А6, уточняется настройка всех резонансных контуров.

Чувствительность с антенного входа должна быть около 0,15 мкВ. Подав на вход трансивера сигнал с прибора "Динамика", регулировкой режима смесителя RX с помощью резистора R43 и подстройкой сердечниками контуров L1, С4 и L2, С 15, С 16 добиваются динамического диапазона по интермодуляции на уровне 90 дБ. Регулировкой R46 и R45 (блок Al) калибруются S-метр трансивера.

В режиме передачи резисторами R44 и R50 (блок Al. рис.2) балансируется модулятор до уровня подавления несущей не менее -50 дБ, контролируя уровень ее остатка на контуре L1, С4. При произнесении громкого "ААА" перед микрофоном, на выходе ДПФ на нагрузке 50 Ом на всех диапазонах напряжение должно бьпъ не менее 0,15 ... 0,2 В. Затем подключается питание к УМ (блок A3) и резистором R3 устанавливаются токи покоя в драйвере - около 80 мА и резисторами RIO, R15, R16 в выходном усилителе - около 200 мА.

Разбалансировав модулятор, подбором R10, С4 (блок А5); R4, С4, Сб, С 14, С 15 (блок A3), следует добиться одинаковой выходной мощности на нагрузке 50 Ом (не менее 50 Вт) на всех диапазонах (нонсенс. RW3AY).

Далее в режиме ТХ производится балансировка КСВ-метра и калибровка измерительного прибора (S-метра), который показывает при передаче проходящую мощность или величину КСВ. Отключая и закорачивая антенну, резистором R3 (блок А4) следует довести выходную мощность до безопасного режима. Подключив на вход предусилителя широкополосного УМ прибор "Динамика", осциллографом контролируется линейность огибающей двухчастотного сигнала на соответствующей на нагрузке.

Блок ЦАПЧ (блок А7) настраивается подбором резисторов R15 и R17, изменяя при этом, соответственно, скорость реагирования на изменение частоты ГПД и степень влияния ЦАПЧ на стабильность частоты.

Настроенный трансивер по качеству приема станций на перегруженных вечерних диапазонах 40 и 80 м не уступает более солидным "собратьям", как самодельным, так и импортным. Красноречивым примером является следующее обстоятельство. Трансивер с антенной "треугольник 80-метрового диапазона", находящийся на расстоянии 200 м от хорошо отлаженного передатчика коллективной радиостанции мощностью около 1 кВт, работающего на 40 м с диапазонной антенной "треугольник", при отстройке на 5 - 10 кГц и выключенном аттенюаторе, позволяет спокойно работать в эфире. Естественно, ощущается присутствие мощной станции по небольшому "сплеттеру".

Литература

1. "KB - журнал" №3 1994, стр. 19-26.
2. "Радио-дизайн" № 2 1998, стр. 3-5

Автор: Г.Брагин, Самарская обл. г. Чапаевск; Публикация: Н. Большаков, rf.atnn.ru

Смотрите другие статьи раздела Гражданская радиосвязь.

Читайте и пишите полезные комментарии к этой статье.

<< Назад

Последние новости науки и техники, новинки электроники:

Хорошо управляемые луга могут компенсировать выбросы от скота 15.02.2026

Животноводство, особенно разведение крупного рогатого скота, часто обвиняют в значительном вкладе в глобальное потепление из-за мощного парникового газа - метана, который выделяется при пищеварении у жвачных животных. Это вызывает острые политические споры и призывы к сокращению потребления мяса. Однако ученые напоминают, что полная картина климатического воздействия отрасли не ограничивается только выбросами от животных: огромную роль играет окружающая экосистема - пастбища, почва и растительность, которые способны активно поглощать углекислый газ из атмосферы. Исследователи из Университета Небраски-Линкольна решили глубже изучить этот баланс. Группа под руководством профессора Галена Эриксона сосредоточилась на том, как правильно организованные пастбища накапливают углерод в растениях и грунте благодаря естественным процессам, стимулируемым выпасом скота. Ученые подчеркивают, что при достаточном уровне осадков и грамотном управлении такие луга превращаются в мощные природные погло ...>>

NASA тестирует инновационную технологию крыла 15.02.2026

Коммерческая авиация ежегодно расходует колоссальные объемы керосина, что сказывается не только на бюджете авиакомпаний, но и на состоянии окружающей среды. В 2024 году глобальные затраты на авиационное топливо достигли 291 миллиарда долларов, и эта сумма продолжает расти. Чтобы справиться с этими вызовами, NASA активно работает над технологиями, способными заметно повысить аэродинамическую эффективность самолетов. Одним из самых перспективных направлений стало создание специальной конструкции крыла, которая максимизирует естественный ламинарный поток воздуха и минимизирует сопротивление. В январе 2026 года специалисты NASA Armstrong Flight Research Center успешно провели важный этап наземных испытаний концепции Crossflow Attenuated Natural Laminar Flow (CATNLF). Для эксперимента под фюзеляж исследовательского самолета F-15B закрепили вертикально ориентированную масштабную модель высотой около 0,9 м (3 фута), напоминающую узкий киль. Такая компоновка позволила подвергнуть прототип р ...>>

Забота о внуках очень полезна для здоровья мозга 14.02.2026

Общение между поколениями приносит радость всей семье, но мало кто задумывается, насколько активно бабушки и дедушки, заботящиеся о внуках, поддерживают свою умственную форму. Регулярное взаимодействие с детьми стимулирует мозг пожилых людей, помогая сохранять память, скорость мышления и общую когнитивную активность. Новые научные данные подтверждают, что такая добровольная помощь не только важна для общества, но и может замедлять возрастные изменения в мозге. Исследователи из Тилбургского университета в Нидерландах провели анализ, чтобы понять, приносит ли уход за внуками реальную пользу здоровью пожилых людей. Ведущий автор работы Флавия Черечес отметила, что многие бабушки и дедушки регулярно присматривают за детьми, и оставался открытым вопрос, насколько это положительно сказывается на их собственном благополучии, особенно в плане когнитивных функций. Ученые поставили цель выяснить, способен ли регулярный уход за внуками замедлить снижение памяти и других умственных способ ...>>

Случайная новость из Архива

Открыт молекулярный механизм спячки у млекопитающих 25.02.2024

Международный коллектив ученых разгадал молекулярные процессы, лежащие в основе спячки у различных видов животных, включая как мелких, так и крупных млекопитающих. Исследование выявило, что белок миозин, ответственный за сокращение мышц, играет ключевую роль в процессе термогенеза во время спячки, когда тепло генерируется независимо от мышечной активности. У мелких млекопитающих потребление энергии клетками повышается в ответ на холод, что позволяет им поддерживать внутреннюю температуру тела без дрожания. В отличие от этого, у крупных млекопитающих такие изменения не наблюдаются.

Исследование молекулярных механизмов спячки у животных позволяет лучше понять, как они адаптируются к переменам температуры и обеспечивают жизненные функции в периоды пониженной активности. Полученные результаты открывают новые горизонты для биологических исследований, направленных на изучение адаптации животных к изменяющимся условиям окружающей среды.

Маленькие животные, впадающие в спячку, переживают долгие периоды низкого обмена веществ, известные как оцепенение. Они способны увеличивать температуру тела в периоды пробуждения, восстанавливая физиологические функции. У крупных млекопитающих ситуация иная: температура тела во время спячки остается постоянной. Скелетные мышцы, составляющие большую часть массы крупных млекопитающих, играют важную роль в регуляции тепловыделения и энергетического обмена, но механизмы спячки пока не до конца изучены.

Ученые обнаружили, что изменения в состоянии миозина могут быть связаны с пониженным энергопотреблением во время спячки. Исследование проводилось на мышцах мелких и крупных млекопитающих, выявив значительные различия в реакции на холод и активность. Вместе с тем, анализ фосфорилирования белка Myh2 показал, что изменения связаны с оцепенением у мелких млекопитающих, в то время как у крупных млекопитающих такие процессы не наблюдаются, вероятно, из-за стабильной температуры тела во время спячки.

Эти открытия подчеркивают сложность адаптации животных к переменам температуры и потребностям организма во время спячки, что открывает новые перспективы для изучения молекулярных основ данного феномена.

Другие интересные новости:

▪ Обязательная биометрическая регистрация

▪ Домашняя камера наблюдения D-Link DCS-8200LH HD

▪ Металлическое вещество, не проводящий тепло при прохождении электрического тока

▪ Чехол для изоляции смартфона от хозяина

▪ Самая большая активно-матричная панель

Лента новостей науки и техники, новинок электроники

 

Интересные материалы Бесплатной технической библиотеки:

▪ раздел сайта Радиоуправление. Подборка статей

▪ статья История нового времени. Шпаргалка

▪ статья Кто первым придумал алфавит? Подробный ответ

▪ статья Мята колосистая. Легенды, выращивание, способы применения

▪ статья Установки для сжигания биотоплива. Котлы с кипящим слоем. Энциклопедия радиоэлектроники и электротехники

▪ статья Предварительный УЗЧ на микросхеме К174. Энциклопедия радиоэлектроники и электротехники

Оставьте свой комментарий к этой статье:

Имя:


E-mail (не обязательно):


Комментарий:





Главная страница | Библиотека | Статьи | Карта сайта | Отзывы о сайте

www.diagram.com.ua

www.diagram.com.ua
2000-2026