Menu Home

Бесплатная техническая библиотека для любителей и профессионалов Бесплатная техническая библиотека


Телевизоры на ЖК панелях. ЖК панели (LCD). Энциклопедия радиоэлектроники и электротехники

Бесплатная техническая библиотека

Энциклопедия радиоэлектроники и электротехники / Телевидение

Комментарии к статье Комментарии к статье

Мечта о "плоских" телевизорах и мониторах, имеющих очень небольшой размер в глубину, возникла, не одно десятилетие назад. Но только в последние годы она воплотилась в реальность: появились серийные модели на плоских отображающих панелях.

Электронно-лучевые трубки (кинескопы), служащие основой любого телевизора, существуют уже многие десятилетия и постоянно совершенствуются. Однако они имеют и недостатки: наличие высокого напряжения, большие объемные габариты (особенно а глубину при больших размерах изображения) и др. Поэтому разработчики всегда стремились к новым идеям при создании отображающих устройств. Одна из них - использование жидкокристаллического вещества в качестве клапана для пропускания световых потоков. Окончательно эта идея воплотилась в виде ЖК дисплеев (панелей) - LCD (Liquid Crystal Display). Быстрый рост их производства за рубежом привел к появлению как большого числа моделей "плоских" телевизоров, так и компьютерных мониторов.

Рассмотрим принцип работы и варианты конструкции таких дисплеев [1,2]. В общем известно, что ЖК вещество (материал) модулирует внешний световой поток под действием электрического поля или тока. Конкретная работа ЖК дисплеев основана на использовании эффекта вращения плоскости поляризации светового потока слоем нематического ЖК вещества (так называемого твист-эффекта).

Конструкция ЖК панели показана на рис. 1.

Телевизоры на ЖК панелях. ЖК панели (LCD)

Панель содержит две плоскопараллельные подложки из прозрачного материала (обычно стекла толщиной около 1 мм), расположенные одна относительно другой с фиксированным зазором, в который введен ЖК материал. На внутренних сторонах подложек нанесены электроды адресации в виде определенного рисунка. В качестве прозрачного проводящего слоя электродов используют пленку оксида индия.

Слои ориентирующих покрытий, нанесенные на электроды адресации, предназначены для задания определенной ориентации ЖК молекул в рабочем материале. Зазор между подложками задают калиброванные шарообразные или цилиндрические распорные элементы (спейсеры), диаметр которых может быть в пределах 3...25 мкм. После сборки (склеивания) панель герметизируют по всему периметру, причем слой герметика также имеет спейсеры. На внешние стороны подложек наклеены поляроиды с определенной ориентацией плоскости поляризации.

Принцип работы ЖК ячейки (пиксела) панели с использованием твист-эффекта иллюстрирует рис. 2.

Телевизоры на ЖК панелях. ЖК панели (LCD)

Молекулы ЖК материала обладают дипольным моментом. В результате взаимодействия электрических полей диполей образуется спиралеаидная структура из молекул ЖК вещества. Слои ориентирующих покрытий на верхней и нижней подложках совместно с дипольной структурой ЖК материала в отсутствие электрического поля обеспечивают поворот плоскости поляризации светового потока на 90°. Ориентированный так слой нематического ЖК вещества обладает свойством поляризации проходящего через него светового потока. Плоскости поляризации верхнего и нижнего поляризационных фильтров повернуты один относительно другого на 90°.

Как видно на рис. 2,а, световой поток сначала проходит через верхний поляризационный фильтр. При этом его половина, не имеющая азимутальной поляризации, теряется. Остальная часть уже поляризованного света, проходя через слои ЖК материала, поворачивает плоскость поляризации на 90°. В результате ориентация плоскости поляризации светового потока будет совпадать с плоскостью поляризации нижнего фильтра и поток будет проходить через него практически без потерь.

Если ЖК вещество поместить в электрическое поле, подав на электроды адресации напряжение так, как показано на рис. 2,6, спиралевидная молекулярная структура в нем разрушается. Проходящий через ЖК материал световой поток уже не изменяет плоскость поляризации и почти полностью поглощается нижним поляризационным фильтром. Следовательно, ЖК вещество имеет два оптических состояния: прозрачное и непрозрачное. Отношение коэффициентов пропускания в обоих состояниях определяет контрастность изображения.

Для обеспечения управления оптическим состоянием ячеек-пикселов (элементов изображения) панели требуется сформировать такие напряжения на электродах адресации, чтобы состояние каждого пиксела изменялось без изменения состояния других. Исходя из этого топология электродов адресации ЖК панели представляет собой матрицу, образованную системой строчных и столбцовых электродов, расположенных конструктивно на двух параллельных прозрачных подложках. Элементы (пикселы) телевизионного изображения в ЖК панели образуются на пересечении строчных и столбцовых электродов. Для реализации управления большим числом элементов изображения (а в телевизорах это практически всегда так) применяют мультиплексирование сигналов.

Несколько вариантов топологии матриц, используемых в ЖК панелях, представлено на рис. 3.

Телевизоры на ЖК панелях. ЖК панели (LCD)

Вариант на рис. 3,а - самый простой и наиболее популярный. Вариант на рис. 3,6 позволяет получить более широкий шаг выводов для подачи столбцовых управляющих сигналов. Варианты на рис. 3,в иг - разновидности архитектуры Dual Scan (или Dauble Scan), при которой обеспечивается уменьшение числа мультиплексируемых строк, что позволяет еще больше увеличить контрастность изображения. Фактически в этих случаях формируются два отдельных экранных поля, зазор между которыми незаметен. Адресация сигналов для обоих полей происходит одновременно.

Различают два способа адресации в ЖК панелях: пассивный и активный. При пассивной адресации используют временное мультиплексирование строк без применения каких-нибудь ключевых элементов. Недостатками такого способа можно назвать низкий коэффициент мультиплексирования при малой контрастности, сильное проявление кросс-эффекта и сложная система формирования управляющих сигналов.

При активной адресации для каждого пиксела на пересечении строки и столбца создают ключевой элемент по схеме, изображенной на рис. 4.

Телевизоры на ЖК панелях. ЖК панели (LCD)

Такие элементы позволяют использовать более низкий коэффициент мультиплексирования. Контрастность изображения при этом получается значительно выше. Однако ЖК панели с активной адресацией гораздо дороже панелей с пассивной адресацией, что удорожает и построенные на них аппараты. Активными ключевыми элементами чаще всего служат тонкопленочные полевые транзисторы TFT (Thin Film Transistor). На рис. 5,а показан вариант топологии, а на рис. 5,б - принципиальная схема ключевого элемента активной адресации на таком транзисторе.

Телевизоры на ЖК панелях. ЖК панели (LCD)

Цветные фильтры размещают на внутренней стороне ближней к зрителю подложки ЖК панели. Материалами для изготовления фильтров служат тонкие пленки различных красителей. Их наносят по различным технологиям: осаждением из растворов или из газовых сред, печатным способом и др. Варианты топологии цветных фильтров иллюстрирует рис. 6 (R - для красного цвета, G - зеленого, В - синего).

Телевизоры на ЖК панелях. ЖК панели (LCD)

Число строк ЖК панелей определяет коэффициент мультиплексирования. Чаще всего применяют низкомультиплексированные панели со значениями коэффициента 1:2, 1:3 и 1:4. В зависимости от этого в конкретных устройствах управления создается несколько уровней постоянного напряжения, из которых формируются напряжения управления строками и столбцами необходимой формы.

На рис. 7 изображены диаграммы напряжений адресации в ЖК панелях с коэффициентом мультиплексирования 1:3. На нем ВР0-ВР2 обозначают сигналы строчных выходов; Sn-Sn+2 - сигналы столбцовых выходов; UDD - напряжение питания контроллера управления панелью; Ulcd - напряжение смещения, питающее выходные формирователи сигналов; Uoбp, равное Udd - Ulcd. - образцовое напряжение; Тк - период кадровой развертки.

Телевизоры на ЖК панелях. ЖК панели (LCD)

Для создания светового потока в ЖК панелях применяют устройство задней подсветки, которое содержит источник излучения, светораспределители (световоды) и один или два отражателя. Источником излучения служат лампы накаливания, светодиоды, электролюминесцентные панели, чаще всего, люминесцентные лампы.

На рис. 8 представлены типовые конструкции устройств задней подсветки с фронтальным (рис. 8,а) и торцевым (рис. 8,6) расположением люминесцентной лампы.

Телевизоры на ЖК панелях. ЖК панели (LCD)

Использование ЖК панелей рассмотрим на примере одной из популярных моделей LC-20C2E фирмы SHARP. Фирма начала изготовление "плоских" телевизоров одной из первых - еще в 1996, 1997гг., возглавив до этого список разработчиков и изготовителей ЖК панелей. Сейчас список моделей на этих панелях у фирмы SHARP превышает десяток, а размер экрана по диагонали уже перешагнул 40 дюймов (около 92 см).

TFT ЖК панель (LCD) описываемой модели имеет размер экрана по диагонали 20 дюймов и характеризуется значительным углом обозрения (160° как по горизонтали, так и по вертикали). Модель обладает существенно более низким по сравнению с обычными телевизорами энергопотреблением (не более 45 Вт).

Телевизор рассчитан на прием сигналов в радиочастотных стандартах В/G/L/D/K/l/M/N и по системам цветности PAL/SECAM/NTSC. Селектор каналов (тюнер) телевизора позволяет настроить и запомнить 197 телевизионных каналов, в том числе и в интервалах кабельного телевидения (CATV). Усилитель 3Ч телевизора обеспечивает мощность по 2,5 Вт в двух каналах воспроизведения звука.

Усовершенствованная матричная ЖК панель имеет разрешение 921x600 пикселей. Яркость свечения экрана - не хуже 430 кд/м2. Срок службы используемых для подсветки LCD люминесцентных ламп - 60000 ч.

Телевизор питается от источника постоянного напряжения 13 В Пр и пользовании специального сетевого адаптера, входящего в комплект поставки, телевизор может питаться и от сети переменного напряжения 110...240 В частотой 50/60 Гц. Габариты телевизора (ширина, высота, глубина) - 476,6x556,4x229,4 мм. Масса аппарата - 8 кг.

Для обеспечения комфортности просмотра плоскость экрана телевизора можно наклонить относительно перпендикулярной к подставке плоскости на 5° вперед или на 10° назад, а также повернуть на 40° вправо или влево относительно среднего положения. Внешний вид телевизора показан на рис. 9.

Телевизоры на ЖК панелях. ЖК панели (LCD)

Схема соединений плат и устройств телевизора представлена на рис. 10.

Телевизоры на ЖК панелях. ЖК панели (LCD)

В каждом соединительном разъеме указаны число контактов и условно способ их соединения с контактами разъема другого блока: "1 в 1" или "вперекрест". В основном контакты соединены первым способом контакт 1 - с контактом 1,2 - с контактом 2 и т. д. Лишь разъемы МТ и МА между платой тюнера и основной платой соединены "вперекрест". Например, контакты разъемов МТ распаяны так: контакт 1 - к контакту 20, контакт 2 -к контакту 19 и т. д. То же относится и к разъемам МА, только в них - 30 контактов. Это необходимо помнить при изучении принципиальных схем блоков и ремонте Телевизор, кроме ЖК панели, на рисунке не показанной, и двух динамических головок, содержит семь плат: тюнера (Tuner PWB), основной (Main PWB) и видео (Video PWB), звуковой выходной (S-Out PWB), переключателей (Switch PWB) и двух инверторов (Inverter A PWB и Inverter В PWB), а также устройство задней подсветки (Back Light) ЖК панели. Через разъемы LS и LG на ЖК панель с основной платы поступают исходные управляющие (Source) и стробирующие (или сканирующие) сигналы (Gate).

На плате тюнера находится непосредственно сам тюнер, а также расположены микроконтроллер управления с телетекстом и устройством OSD (On Screen Display - отображение на экране служебной или дополнительной информации), микросхемы ПЗУ, программируемого ЗУ и сброса микроконтроллера, переключатели аналоговых сигналов R, G, В (как внешних, так и сформированных микроконтроллером), стабилизаторы напряжений 5; 9 и 10,1 В, а также разъемы для подачи внешних видеосигналов и сигналов звука, в том числе разъем SCART.

На основной плате размещено большинство устройств телевизора, в том числе процессор обработки мультимедийных сигналов звука (в нем же находится канал обработки сигналов ПЧ звука), буферный усилитель, предварительный усилитель сигналов 3Ч, синхроселектор, переключатель выбора режимов TV/AV. Кроме того, она содержит микроконтроллер управления (отличающийся от установленного на плате тюнера), микросхемы ЭПЗУ и сброса микроконтроллера, видеопроцессор с АЦП, контроллер ЖК панели с устройством внешней памяти (FIFO), аналоговый мультиплексор, детектор ошибок ламп подсветки, устройства градуировки образцовых напряжений и общего управления панелью, ЦАП и импульсный источник питания, формирующий все необходимые для работы узлов телевизора напряжения: 3,3; 5; 8; - 8; 14; 28 и 31 В.

Небольшая видеоплата включает в себя элементы согласования входного гнезда J5001 (через него подают внешний полный видеосигнал AV3) и специального гнезда SC5001 (предназначено для подачи внешнего сигнала S-VHS, т. е. отдельно компонентов яркости Y и цветности С) с последующими цепями телевизора.

Звуковая выходная плата содержит усилитель мощности сигналов ЗЧ, стабилизатор напряжения питания усилителя, каскады блокировки звука, а также детекторы ошибок люминесцентных ламп подсветки.

На плате переключателей расположены кнопки клавиатуры управления, приемник ИК излучения системы ДУ гнездо подключения головных телефонов и ключ переключения напряжения дежурного режима.

Платы инверторов А и В необходимы для преобразования постоянного напряжения 13 В, подаваемого извне через разъем J3702 платы тюнера, в переменные напряжения 200...300 В частотой 400 Гц, которые через разъемы Р6751 и Р6551 поступают на люминесцентные лампы устройства задней подсветки ЖК панели.

Конкретная конструкция ЖК панели (TFT LCD) рассматриваемой модели телевизора изображена на рис. 11.

Телевизоры на ЖК панелях. ЖК панели (LCD)

Она выполнена в виде так называемого "бутерброда". На экранирующей плате помещены одна за другой две отражающие пластины, входящие в состав устройства задней подсветки Устройство включает в себя также шесть люминесцентных ламп (на рисунке показаны только две из них). В качестве светораспределителя служа световоды имеющие дифракционную структуру призматического сечения О назначении спейсеров уже было сказано в первой статье цикла Далее расположены диффузионная и призматическая пластины

Цель применения всех перечисленных приспособлений - максимально использовать световой поток и обеспечить равномерное его распределение в рабочей зоне подсветки.

Пластина цветного фильтра о которой также раньше было рассказано находится непосредственно за панелью Сама ЖК панель имеет контакт ные разъемы для подачи исходных управляющих сигналов (LSD Source) и стробирующих (сканирующих) сигналов (LSD Gate). На рисунке показаны фрагменты ленточных кабелей, по которым направляются эти сигналы.

Весь рассмотренный "бутерброд" стянут восемью винтами два из них изображены на рисунке).

Структурная схема платы тюнера показана на рис. 12.

Телевизоры на ЖК панелях. ЖК панели (LCD)
(нажмите для увеличения)

Схема остальных узлов телевизора "Sharp - LC-20C2E представлена на рис. 13.

Телевизоры на ЖК панелях. ЖК панели (LCD)
(нажмите для увеличения)

Принципиальная схема платы тюнера представлена на рис. 14.

Телевизоры на ЖК панелях. ЖК панели (LCD)
(нажмите для увеличения)

Радиочастотный сигнал RF поступает непосредственно на антенный вход самого тюнера (см. рис. 12), находящегося на плате тюнера. На его выходах формируются следующие сигналы: SSIF - сигнал ПЧ звука, который через контакт SIF разъема SC902/SC901 проходит на основную плату (см. рис. 13), а именно - на процессор обработки мультимедийных сигналов звука IC901 (1X3371 СЕ); CCVS (см. рис. 12) - полный цветовой телевизионный видеосигнал, который через контакт TV V того же разъема приходит на микросхему коммутатора видеосигналов (см. рис. 13) основной платы IC402 (NJM2235M); AUDIO MONO (см. рис. 12) - монофонический сигнал 3Ч, который через контакт MONOS того же разъема подан также на микросхему IC901 основной платы (см. рис. 13).

Кроме того, сигнал CCVS (см. рис. 12) через змиттерные повторители (на транзисторах Q33, Q13, Q14) поступает на контакт VIDEO OUTPUT разъема для подключения внешних устройств SC903 (SCART).

На плате тюнера находятся также два гнезда J902, J903, необходимых для подключения левого (L) и правого (R) внешних громкоговорителей. На эти гнезда через усилительные каскады (на транзисторах Q8, Q9, Q11, Q12) проходят сигналы SOUND L/R с соответствующих контактов (SC2 OUT L/R) разъема SC902/SC901, на который они поступают с микросхемы IC901 основной платы (см. рис. 13).

Через соответствующие контакты (см. рис. 12) разъема SC903 (SCART) на телевизор подают сигналы 34 AV SOUND L/R и изображения AV PICTURE. Эти сигналы через контакты SC2 IN L/R и V2 IN разъема SC902/SC901 приходят на основную плату (см. рис. 13), причем звуковые сигналы - на процессор IC901, а видеосигналы - на видеопроцессор IC801 (VPC3230D).

С основной платы на плату тюнера через контакты разъема SC901/SC902 поступают звуковые сигналы SC1 OUT L/R и видеосигналы V2 OUT. Причем первые - со звукового процессора IC901 через буферный усилитель IC902 (NJM4560M), а вторые - с видеопроцессора IC801 (выход VO). И те, и другие сигналы в конечном итоге попадают на выходные контакты соединителя SCART (AV SOUND OUT IVR и AV PICTURE OUT) для записи на видеомагнитофон (см. рис. 12).

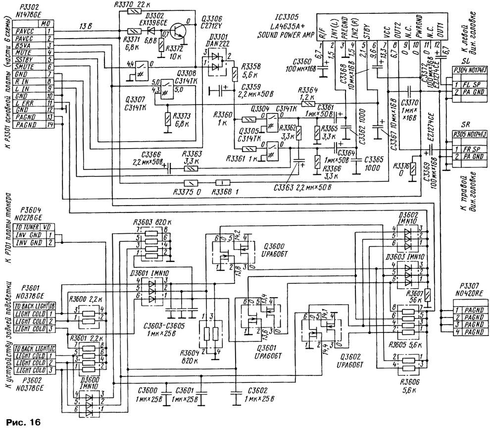
Сформированные процессором обработки сигналов звука IC901 (см. рис. 13) сигналы 3Ч проступают на предварительный усилитель на микросхеме IC304 (BH3543F+), а с него через контакты разъема Р2003/Р4004 - на находящееся на плате переключателей гнездо подключения головных телефонов J4001. Принципиальная схема платы переключателей представлена на рис. 15.

Телевизоры на ЖК панелях. ЖК панели (LCD)
(нажмите для увеличения)

Процессор обработки сигналов звука IC901 формирует также звуковые сигналы левого и правого каналов DACM L/R (см. рис. 13 в предыдущей части), которые сначала проходят ФНЧ на микросхеме IC903 (NJM4560M), а затем переключатель каналов IC303 (NJM2283F). Переключатель управляется командой L/R, подаваемой с микроконтроллера управления основной платы IC2001 (IX3565CE).

Сигналы 3Ч левого и правого каналов через контакты разъема Р3301/Р3302 попадают на звуковую выходную плату, принципиальная схема которой показана на рис. 16. Они приходят на входы усилителя мощности 3Ч на микросхеме IC3305 (L44635A+). Усиленные сигналы через контакты разъемов Р304 и Р305 поступают на динамические головки левого L и правого R каналов. Микросхема питается от источника PA VCC (см. рис. 13) напряжением 13 В. Как уже указано, оно сначала проходит с платы тюнера на основную плату, а затем на звуковую выходную плату через контакты разъема Р3301/Р3302.

Телевизоры на ЖК панелях. ЖК панели (LCD)
(нажмите для увеличения)

Как уже было перечислено в предыдущих частях цикла, на плате тюнера (см. рис. 12) расположен микроконтроллер управления 19 (ST92R195), совмещенный с устройствами OSD, телетекста и выделения из сигнала необходимой информации. С микроконтроллером непосредственно связаны микросхемы ЭППЗУ (EEPROM) 13 (TMS27C2001 - 10), статического ОЗУ (SRAM) I6 (W24257 - AS - 35), ЗУ 12 (24C32) и сброса (RESET) И (TS831 - 4IDT).

На выходах микроконтроллера формируются сигналы основных цветов R, G, В (VPC - TEXT на принципиальной схеме), соответствующие выбранному режиму его работы: либо сигналы телетекста, либо сигналы OSD (номера программ, настройки на программы, регулировки параметров и т. п.). Эти сигналы поступают на входы выполненного на микросхеме 14 (ТЕА5114А) переключателя аналоговых сигналов R, G, В. На его другие входы приходят сигналы основных цветов R, G, В с другого подобного переключателя на микросхеме ИЗ. На нее поданы сигналы R, G, В через контакты внешнего соединителя SC903 (SCART). Переключателями управляет микроконтроллер по цепям FB.OSD (переключатель I4) и RGB CONT (переключатель I13). В результате на выходах переключателя I4 появляются сигналы основных цветов, которые через контакты разъема SC802/SC801 (см. рис. 13) проходят на микросхему видеопроцессора и АЦП IC801 основной платы.

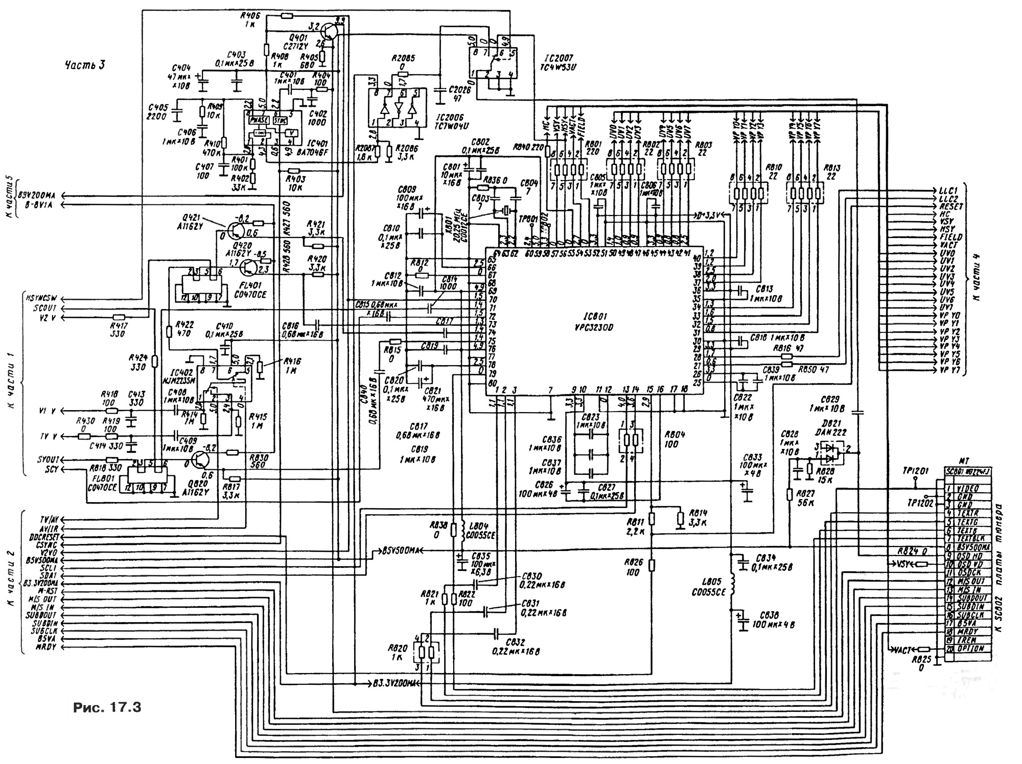
Принципиальная схема основной платы состоит из шести частей. Три из них представлены на рис. 17.1 - 17.3.

Телевизоры на ЖК панелях. ЖК панели (LCD)
(нажмите для увеличения)

Телевизоры на ЖК панелях. ЖК панели (LCD)
(нажмите для увеличения)

Телевизоры на ЖК панелях. ЖК панели (LCD)
(нажмите для увеличения)

Микроконтроллер управления платы тюнера I9 (см. рис. 12 в предыдущих частях) формирует также строчные Н и кадровые V синхронизирующие импульсы, поступающие через контакты разъема SC802/SC801 сначала (см. рис. 13 в предыдущих частях) на видеопроцессор IC801 и контроллер управления ЖК панелью IС 1201 (IX3378CE), а с последнего - на микроконтроллер управления основной платы IC2001. Между микроконтроллерами платы тюнера и основной платы происходит обмен информацией посредством показанных на рис. 12 и 13 синхронизирующих и управляющих сигналов SUB CLK, SUB IN, SUB OUT, M/S IN, M/S OUT, H (HSY) и V (VSY).

На плате тюнера (см. рис. 12) находятся также входное гнездо J3702 для подключения источника постоянного напряжения 13 В и окружающие его предохранители. Это напряжение через контакты разъема Р904/Р901 подано на основную плату, а через контакты разъемов Р702/Р6555 и Р703/Р6755 - на платы инверторов В и А соответственно.

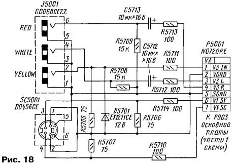
На видеопроцессор IC801 (см. рис. 13) поступают следующие аналоговые видеосигналы: AV1 - с коммутатора видеосигналов TV/AV (с микросхемы IC402 по команде с микроконтроллера управления IC2001); AV2 - с разъема SCART платы тюнера; AV3 - через контакт разъема Р903/Р5001, на который приходит внешний видеосигнал V3 IN с одного из гнезд разъема J5001 видеоплаты, и сигнал цветности V1 SC - через контакт того же разъема Р903/Р5001, на который с гнезда разъема SC5001 видеоплаты проходит сигнал цветности SC (S-VHS). Принципиальная схема видеоплаты изображена на рис. 18.

Телевизоры на ЖК панелях. ЖК панели (LCD)

Через контакты разъема Р903/Р5001 (см. рис. 13) поданы также звуковые сигналы V3 IN L и V3 IN R (с двух других гнезд разъема J5001 видеоплаты), которые поступают на процессор обработки сигналов звука IC901. Сигнал яркости V1 SY (S-VHS) с гнезда разъема SC5001 видеоплаты попадает на коммутатор видеосигналов TV/AV (микросхема IC402).

Микросхема IC801 преобразует приходящие на нее аналоговые видеосигналы в цифровые: восьмибитовые сигналы яркости VPYO-VPY7 и цветности UVO-UV7, а также строчные HSY, кадровые VSY и другие (LLC1, LLC2, FIELD) сигналы синхронизации и управления. С выхода микросхемы IC801 аналоговый полный видеосигнал VO, помимо разъема SC901/SC902, приходит на синхроселектор на микросхеме IC401 (BA7046F). Выделенные ей синхроимпульсы CSYNC проходят на микроконтроллер управления IC2001, а импульсы HD - на аналоговый переключатель, выполненный на микросхеме IC2007 (TC4W53U). На последний поданы и синхронизирующие импульсы HSYc видеопроцессора IC801. В зависимости от состояния этого переключателя, управляемого сигналом HSYNC SW, поступающим с микроконтроллера управления 19 платы тюнеpa, на его выходе формируется сигнал OSD HD высокого или низкого уровня. Он попадает на тот же микроконтроллер 19 платы тюнера и управляет в нем работой устройств OSD и телетекста.

На микроконтроллер управления основной платы IC2001 с платы переключателей через контакты разъема Р4004/Р2003 проходят управляющие сигналы с клавиатуры передней панели SW4002-SW4004, SW4006-SW4008 и приемника ИК излучения RMC4002 (см. рис. 15 в предыдущих частях).

С микроконтроллером управления IC2001 (см. рис. 13) связаны микросхемы ЭППЗУ (EEPROM) IC2004 (BR24C08F) и сброса (RESET) IC2002 (PST529DM).

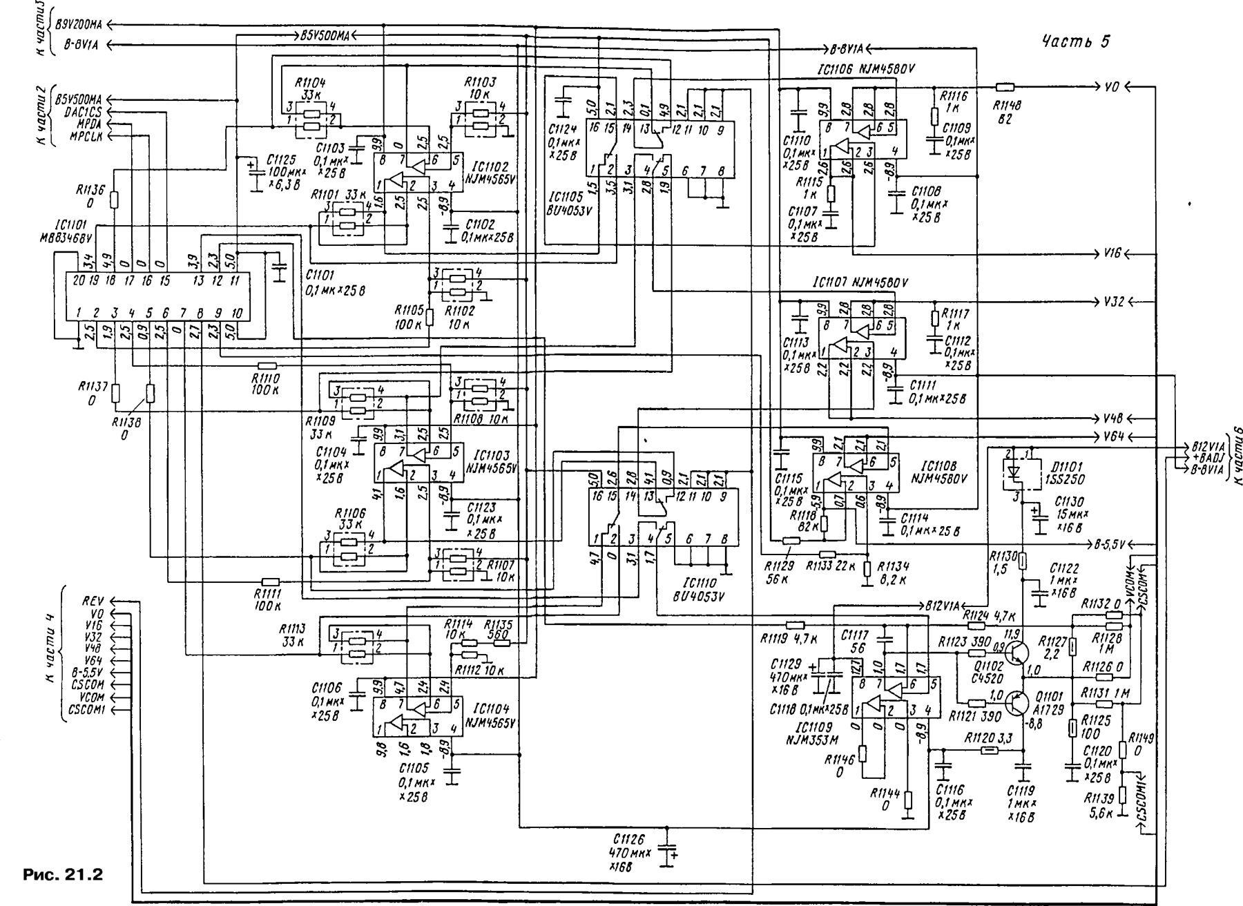
Сформированные видеопроцессором IC801 цифровые сигналы яркости, цветности и синхронизации поступают на большую (160 выводов) микросхему-контроллер IC1201 (IX3378CE), которой в основном и формируются цифровые сигналы управления ЖК панелью: R0- R5 - красного, GO-G5 - зеленого, ВО В5 - синего цвета и СК - синхронизации. Все они проходят на панель через контакты разъема SC1201 (LCD Source). Совместно с контроллером IC1201 работают микросхемы внешней памяти (FIFO) IC1202 (PD485505) и аналогового мультиплексора 1С 1205 (TC4052BF) Мультиплексированные сигналы GCK приходят на ЖК панель через контакт разъема SC1202 (LCD Gate).

Образцовое напряжение REV с контроллера IC1201 подано на устройство градуировки образцовых напряжений ЖК панели, выполненное на микросхемах IC1102-IC1104 (NJM4565V), 1С 1106- IC1108 (NJM4580V) и IC1105, IC1110 (BU4053V). На выходе устройства формируется пять постоянных образцовых напряжении (V0 V16 V32 V48 V64) по ступающих на ЖК панель через контакты разъема SC1201 и используемых для формирования уровней напряжений строк и столбцов панели.

Микросхема ЦАП IC1101 (MB8346BV) создает десять постоянных уровней А01-А08, А010, А012, управляющих устройством градуировки образцовых напряжений, а сама микросхема IC1101, в свою очередь, управляется цифровыми сигналами DAC1 SC, MPDA и MPCLK, подаваемыми на нее с микроконтроллера IC2001. Последний формирует также сигнал CONTROL, управляющий контроллером ЖК панели IC1201.

На микросхеме 1С 1109 (NJM353M) выполнено устройство общего управления строками и столбцами ЖК панели. Оно создает управляющие сигналы VCOM, CS СОМ и CS СОМ1, подаваемые через контакты разъемов SC1201 и SC1202 на панель. Постоянное напряжение А011 на одном из выходов ЦАП IC1101 обеспечивает режим по постоянному току (BIAS) устройства общего управления ЖК панелью.

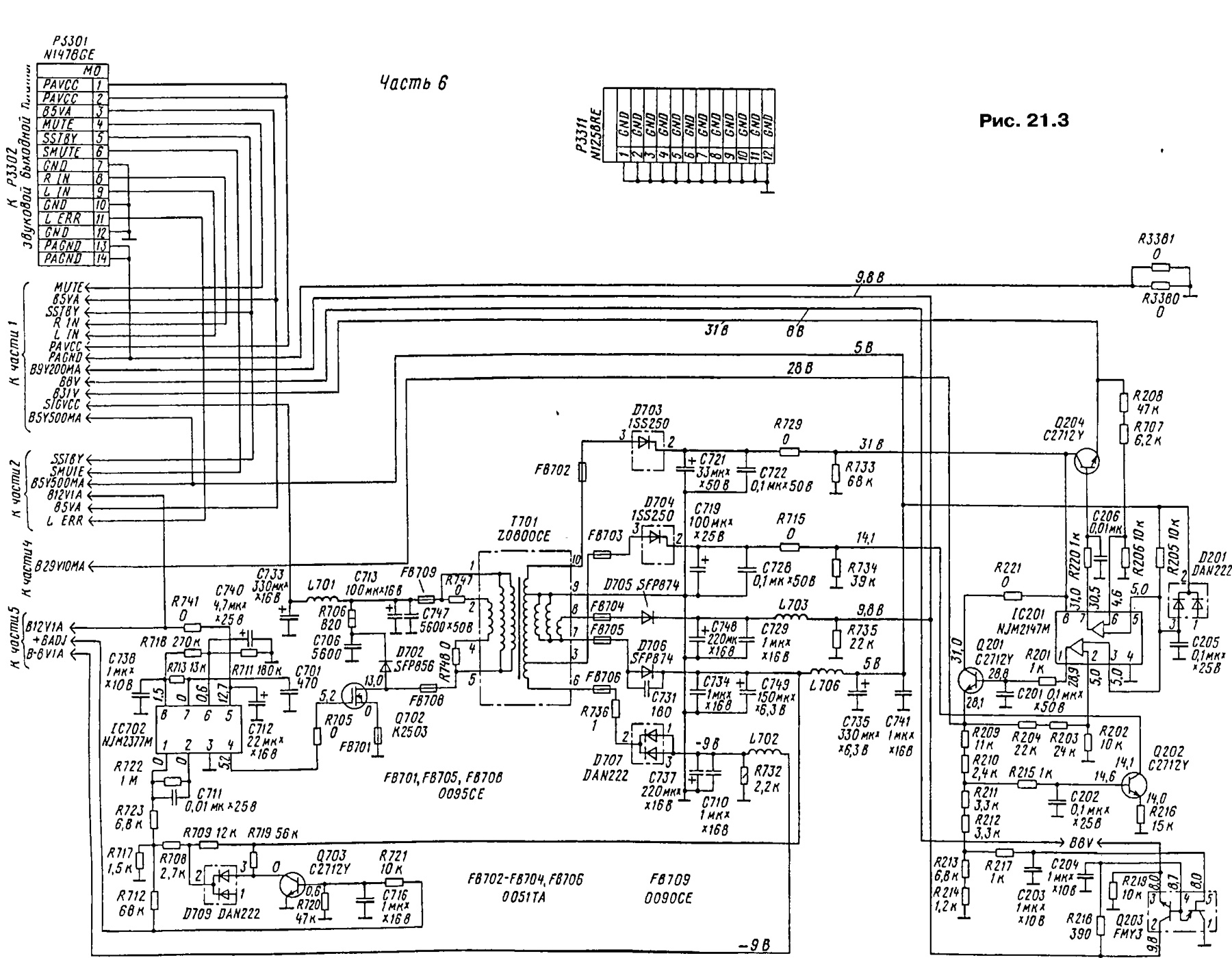
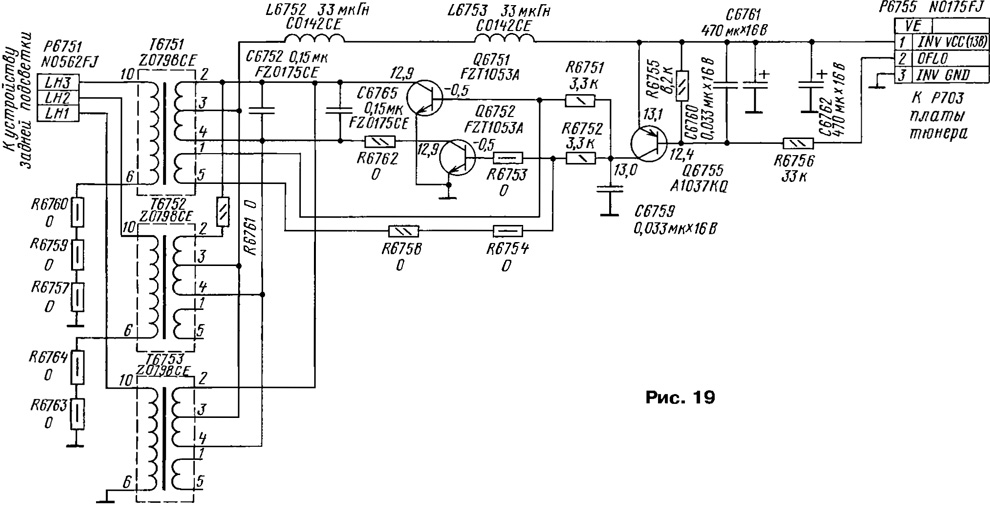
Для получения переменных напряжений питания люминесцентных ламп устройства задней подсветки в ЖК панели телевизор имеет две одинаковые платы инверторов А и В. На них собраны преобразователи постоянного напряжения в переменное по схеме, показанной на рис. 19 для инвертора А (обозначения элементов инвертора В отличаются только второй цифрой) Они представ ляют собой автогенераторы, работающие на частотах 30.. .65 кГц. Автогенераторы включают в себя по три (с параллельно соединенными первичными обмотками) импульсных трансформатора Т6751-Т6753 в инверторе А и Т6555- Т6557 в инверторе В (по числу используемых ламп) и по два высокочастотных транзистора Q6751, Q6752 на плате А и Q6551, Q6552 на плате В.

Телевизоры на ЖК панелях. ЖК панели (LCD)
(нажмите для увеличения)

В момент подачи напряжения питания 13 В на повышающих (вторичных) обмотках всех трансформаторов появляются высоковольтные (свыше 1 кВ) импульсы, что обеспечивает начальную ионизацию разрядных промежутков ламп и лавинный пробой в них. После перехода автогенераторов в рабочий режим на вторичных обмотках трансформаторов создается переменное напряжение амплитудой не менее 300 В, которое поступает на так называемые "горячие" (LIGHT НОТ) выводы всех ламп через контакты LH1 -LH3 разъемов Р6751 и Р6551. "Холодные" (LIGHT COLD) выводы ламп (контакты LC1-LC3) подключены к звуковой плате (см. рис. 16 в предыдущем номере). На ней имеются детекторы ошибок ламп, выполненные на сборках полевых транзисторов Q3600-G3602. Упрощенная схема подключения трех люминесцентных ламп HL1- HL3 к инвертору А и цепей на звуковой выходной плате изображена на рис. 20. Сигнал ошибки L ERR через контакт разъема Р3302/Р3301 (см. рис. 13) попадает на микроконтроллер управления IC2001, что обеспечивает кратковременный перевод телевизора в дежурный режим STBY. После пяти циклов включения/выключения ламп, если ошибка не устранилась, телевизор выключается.

Телевизоры на ЖК панелях. ЖК панели (LCD)

Постоянное (DC) напряжение питания 13 В через контакты разъема Р904/Р901 (см. рис. 12 и 13) с платы тюнера проходит на основную плату, где находится источник питания - преобразователь постоянного напряжения в другие постоянные (DC/DC преобразователь), выполненный на ключевом полевом транзисторе Q702 (К2503), импульсном трансформаторе Т701 и микросхеме ШИМ-контроллера IC702 (NJM2377M)

Источник питания формирует хорошо стабилизированные напряжения 3,3 В - микросхемой-стабилизатором IC752 (BA033FP), 5 В - микросхемой-стабилизатором IC751 (AN8005M) и транзисторами Q751, Q753, 31 В - транзистором Q204 с ОУ микросхемы IC201, 28 В - транзисторами Q201, Q202 со вторым ОУ микросхемы IC201 и 8 В - сдвоенными транзисторами разной структуры Q203, а также стабилизированные только за счет обратной связи на ШИМ-контроллер IC702 напряжения 5 и -8 В. Для выключения источника питания в дежурном режиме на DC/DC преобразователь приходит команда STBYc микроконтроллера управления IC2001.

Управление большинством устройств телевизора обеспечивается микроконтроллером управления IC2001 по цифровой шине I2С (сигналы данных SDA и синхронизации SCL).

Остальные три части принципиальной схемы основной платы представлены на рис. 21.

Телевизоры на ЖК панелях. ЖК панели (LCD)
(нажмите для увеличения)

Телевизоры на ЖК панелях. ЖК панели (LCD)
(нажмите для увеличения)

Телевизоры на ЖК панелях. ЖК панели (LCD)
(нажмите для увеличения)

В телевизоре "Sharp - LC-20C2E" возможны три способа вхождения в режим регулировки микроконтроллера основной платы. Для их пояснения на рис. 22 и 23 изображены вид панели управления телевизора, расположенной под ЖК дисплеем, и вид ПДУ соответственно, а также указано назначение кнопок и других элементов.

Телевизоры на ЖК панелях. ЖК панели (LCD)

Телевизоры на ЖК панелях. ЖК панели (LCD)

В первом способе включают питание телевизора и нажимают на кнопку М ПДУ.

Во втором способе предусмотрено сначала одновременное нажатие на кнопки MENU и TV/VIDEO на панели управления телевизора и включение питания, а затем - одновременное нажатие на кнопки уменьшения громкости (-) и номера канала (CHv).

Третий способ связан с соединением вывода 81 или 82 микроконтроллера управления IC2001 основной платы (контрольные точки ТР2001 или ТР2002 соответственно) с общим проводом и дальнейшим включением питания аппарата. В этом случае будет инициализирована память, т. е. такой способ применим при замене микросхем IC2004 или IC2001 в процессе ремонта.

После вхождения в режим, перемещая курсор вверх или вниз кнопками Δ и Δ ПДУ, выбирают необходимый параметр регулировки:

  • напряжение питания +B5V (5,00+0,05 В);
  • установка модели (С2Е);
  • установка размера экрана по диагонали (20 дюймов);
  • регулировка общего режима (напряжения смещения COM BIAS) ЖК панели (до получения наилучшей контрастности);
  • установка уровня черного в каналах сигналов R и В (до получения оптимального баланса белого).

В каждом случае, нажимая на кнопки VOLUME+ и VOLUME- на ПДУ, устанавливают необходимое значение.

Для вхождения в режим регулировки микроконтроллера платы тюнера сначала нажимают на кнопку MENU на панели управления телевизора. Затем, нажимая на кнопку Δ ПДУ, добиваются изображения, показанного на рис. 24, и в течение 1 с нажимают на кнопку М ПДУ. Далее, перемещая курсор вверх или вниз кнопками Д и V ПДУ, выбирают необходимый параметр регулировки.

  • установка размера по горизонтали;
  • установка значений параметров видеотракта (задержка сигнала яркости, контрастность, насыщенность, цветовой тон, задержка АРУ) в соответствии с указанными в таблице.

Телевизоры на ЖК панелях. ЖК панели (LCD)

Значения устанавливают теми же кнопками VOLUME+ и VOLUME- на ПДУ.

При ремонте таких телевизоров необходимо соблюдать не меньшую осторожность, чем при ремонте обычных телевизоров. Весьма желательно работать в антистатическом браслете и на электропроводящем коврике, так как все панели "боятся" электростатических зарядов.

Прежде чем приступить к ремонту, необходимо убедиться в правильности установки параметров так, как это описано выше. Для ориентирования при ремонте на рис. 25 представлено размещение плат и других устройств в телевизоре, а также расположение разъемов. Широкими черными стрелками на нем показаны направления поиска разъемов для облегчения снятия и установки плат.

Телевизоры на ЖК панелях. ЖК панели (LCD)

Рассмотрим возможные неисправности телевизора на конкретных примерах.

1. Нет изображения и звука.

Прежде всего проверяют целостность предохранителей F2-F4 на плате тюнера (см. рис. 14). Если какой-нибудь из них (или несколько) имеет обрыв, то проверяют цепи нагрузки на отсутствие короткого замыкания. При его обнаружении прежде всего проверяют исправность трансформатора T701 источника питания и транзисторов Q702, Q751, Q753 и ключевого элемента Q752 основной платы (см. рис. 21, часть 6).

Если короткого замыкания нет, проверяют наличие постоянных напряжений на выходах выпрямителей и стабилизаторов источника питания. При отсутствии всех напряжений питания проверяют исправность микросхемы IC702, транзисторов Q702, Q703, а также отсутствие обрыва предохранителей FB701, FB708, FB709 и первичных обмоток трансформатора Т701.

При отсутствии какого-нибудь одного питающего напряжения проверяют исправность соответствующего выпрямителя во вторичных цепях трансформатора Т701 и стабилизатора напряжения.

2. Нет изображения.

Проверяют наличие цифровых видеосигналов на соответствующих выводах микросхем IC801 (см. рис. 17, часть 3) и IC1201 (см. рис. 21, часть 4) основной платы. Если обнаружено их отсутствие на выходах той или иной микросхемы, то прежде, чем их заменять (это делают в самую последнюю очередь), проверяют режим микросхемы по постоянному току. Он не должен отличаться от указанного на принципиальной схеме более чем на ±10 %. Лишь после этого принимают решение о замене микросхемы или какого-нибудь из окружающих ее элементов.

Если же на выходах микросхемы IC1201 присутствуют необходимые видеосигналы и они поступают на ЖК панель, то вначале проверяют поступление сигналов и напряжений на микросхему IC1205, а затем - исправность ее самой, а также поступление мультиплексированных сигналов на панель.

Проверяют также поступление образцового напряжения REF с микросхемы IC1201 (см. рис. 21, часть 4) на устройство градуированных напряжений (см. рис. 21, часть 5), исправность входящих в него микросхем IC1102- IC1108, IC1110 и наличие градуированных напряжений на контактах разъемов панели (см. рис. 21, часть 4).

В заключение обследования делают вывод о неисправности самой панели.

3. Нет изображения при подаче сигнала на антенный вход.

Сначала проверяют наличие напряжений 5, 9, 12 и 31 В на соответствующих контактах разъемов тюнера (см. рис. 14). Необходимо иметь в виду, что если напряжения 5,12 и 31 В поступают с источника питания, находящегося на основной плате, то напряжение 9 В стабилизируется микросхемой 15 платы тюнера, которая может выйти из строя. Проверяют также другие стабилизаторы - микросхемы НО, И1 и транзисторы Q18 и Q28, находящиеся на плате тюнера.

Затем проверяют наличие видеосигнала CCVS на выходе тюнера. Его отсутствие указывает на неисправность тюнера. Если сигнал имеется, необходимо проследить (цепь TV V), поступает ли он на вход (вывод 3) микросхемы IC402 (см. рис. 17, части 1 и 3) и на ее выход (вывод 7). Если на выходе микросхемы сигнала нет, то либо микросхема неисправна, либо на ее управляющие входы (выводы 2 и 4) не приходят соответствующие сигналы команд (TV/AV и AV/IR) с микроконтроллера управления IC2001 (см. рис. 17, части 2 и 3).

Если сигнал на выходе микросхемы IC402 есть, проверяют исправность транзистора Q420 основной платы (см. рис. 17, часть 3) и поступление сигнала на вывод 73 микросхемы IC801. Если сигнал имеется, то микросхема вышла из строя.

4. Нет изображения при подаче сигнала на один из видеовходов.

При такой неисправности возможны три случая.

Если нет изображения при подаче сигнала S-VHS (первый случай) на гнездо SC5001 видеоплаты (см. рис. 18), проверяют прохождение сигнала яркости V1 SY - V1 V через видеоплату, контакты разъема Р5001/Р903, микросхему IC402 (выводы 1 и 7) и транзистор Q420 основной платы (см. рис. 17, части 1 и 3) на вывод 73 микросхемы IC801 при соответствующих командах с микроконтроллера управления IC2001 (см. выше). Как и в предыдущей неисправности, если сигнал имеется, микросхема дефектна.

Возможно отсутствие изображения при подаче видеосигнала на контакт 20 разъема SCART (второй случай). Проверяют прохождение сигнала V2 V через плату тюнера (см. рис. 14), контакты разъемов SC902/SC901, транзистор Q421 основной платы (см. рис. 17, часть 3) на вывод 74 микросхемы IC801. Если сигнал приходит, микросхема неисправна.

И наконец, если нет изображения при подаче видеосигнала на гнездо J5001 (третий случай) видеоплаты (см. рис. 18), проверяют прохождение сигнала V3 IN - SY OUT через видеоплату, контакты разъема Р5001/Р903 (см. рис. 17, часть 1), транзистор Q820 основной платы (см. рис. 17, часть 3) на вывод 75 микросхемы IC801. Если сигнал присутствует, микросхема также неисправна.

5. Нет звука в динамических головках.

Проверяют наличие сигналов 34 на выходах (выводы 12 и 8) микросхемы IC3305 звуковой выходной платы (см. рис. 16) и их поступление через контакты разъемов Р304 и Р305 на динамические головки. Если сигналов нет, проверяют режим микросхемы по постоянному току и, прежде всего, наличие напряжения питания 13 В на ее выводе 7. Если режим соответствует указанному на схеме, проверяют поступление на микросхему входных сигналов 3Ч через контакты 8 и 9 разъемов Р3302/Р3301 с основной платы (см. рис. 21, часть 6). На ней проверяют исправность микросхем IC303, IC903 (см. рис. 17, часть 1) и окружающих их элементов а также поступление на них сиг налов DACM R и DACM L с процессора IC901 (выводы 27 и 28 соответственно).

И наконец, проверяют исправность самого процессора IC901, окружающих его элементов и поступление на его входы звуковых сигналов MONOS (на вывод 60) и SIF (на вывод 67) с платы тюнера (см. рис. 14). Может быть, конечно, неисправен и сам тюнер, если оба эти сигнала отсутствуют.

Дополнительно проверяют уровень напряжения блокировки на выводе 53 микросхемыIC2001 (см рис 17,часть2) который должен быть низким. В ином случае звук будет блокирован

6. Нет звука в головных телефонах.

Поиск причины неисправности начинают с проверки наличия звуковых сигналов на выводах 24 и 25 процессора IC901 на основной плате (см. рис. 17, часть 1). Если их нет, проверяют исправность процессора и окружающих его элементов.

Если сигналы присутствуют, сначала проверяют исправность ми кросхемы IC304 и окружающих ее элементов, а затем прохождение сигналов HR и HL (см. рис. 17, части 1 и 2) через контакты разъема Р2003/Р4004 на гнездо подключения головных телефонов J4001. Оно находится на плате переключателей (см. рис. 15).

7. Нет звуковых сигналов на линейном выходе.

Проверяют наличие сигналов 3Ч на выводах 36 и 37 процессора IC901 (см. рис. 17, часть 1). Если их нет, обследуют процессор и окружающие его элементы.

Если сигналы есть, проверяют исправность микросхемы IC902 и, если она и окружающие ее элементы исправны, дальнейшее прохождение сигналов V2R0, V2LO через контакты разъема SC901/SC902 на разъем SCART платы тюнера (см. рис. 14).

8. Нет баланса белого цвета.

В зависимости от цветового оттенка изображения проверяют размахи сигналов RO-R5 на контактах 18-23 разъема SC1201 (см. рис. 21, часть 4) ЖК панели, сигналов GO-G5 на контактах 25-30 и сигналов ВО-В5 на контактах 32-37. Если отсутствуют сигналы R или их размах значительно уменьшен, проверяют исправность резисторов в сборках R1202, R1203, если сигналы G - в сборках R1204, R1205, а если сигналы В - в сборках R1206, R1207.

В случае, когда все резисторы исправны, но каких-нибудь из названных сигналов нет или они малы, обращают внимание на режим контроллера IC1201 и затем принимают решение о его неисправности.

9. Не светятся лампы устройства задней подсветки.

Если не светятся все лампы, го, скорее всего, на контакты 2 разъемов R703/P6755 и R702/P6555 плат инверторов (см. рис. 14 платы тюнера) подана команда блокировки OFLO через разъемы SC902/SC901 с вывода 34 контроллера IC1201 (см. рис. 17, часть 1 и рис. 21, часть 4), останавливающая работу обоих преобразователей. В нормальном рабочем режиме на указанном выводе контроллера должен быть высокий уровень напряжения. Неисправным в этом случае может быть и ключевой элемент Q3603, расположенный на основной плате.

Но наиболее вероятна неисправность, при которой не светятся три лампы подсветки. В таком случае сначала проверяют целостность предохранителей F1 и F5 на плате тюнера (см. рис. 14), через которые проходит напряжение питания 13 В на платы инверторов. Если предохранители целы, проверяют работоспособность соответствующего преобразователя напряжения (см. рис. 19), т. е. исправность его элементов, в первую очередь - транзисторов и трансформаторов.

Если же не светится только одна лампа, то либо она неисправна, либо оборвана одна из обмоток соответствующего трансформатора в преобразователях.

Литература

  1. Самарин А. В. Жидкокристаллические дисплеи. Библиотека инженера. - М.: Солон-Р, 2002.
  2. Крылов Е. Подсветка LCD-дисплеев. - Компоненты и технологии, 2001, № 6, с. 18-20.

Автор: А.Пескин, г.Москва

Смотрите другие статьи раздела Телевидение.

Читайте и пишите полезные комментарии к этой статье.

<< Назад

Последние новости науки и техники, новинки электроники:

Глазные капли, возвращающие молодость зрению 05.10.2025

С возрастом человеческий глаз постепенно теряет способность четко видеть на близком расстоянии - развивается пресбиопия, или возрастная дальнозоркость. Этот естественный процесс связан с утратой эластичности хрусталика и ослаблением цилиарной мышцы, отвечающей за фокусировку. Миллионы людей по всему миру сталкиваются с необходимостью носить очки для чтения или прибегают к хирургическим методам коррекции. Однако исследователи из Центра передовых исследований пресбиопии в Буэнос-Айресе представили решение, которое может стать удобной и неинвазивной альтернативой - специальные глазные капли, способные улучшать зрение на длительный срок. Разработку возглавила Джованна Беноцци, директор Центра. По ее словам, цель исследования состояла в том, чтобы предоставить пациентам с пресбиопией эффективный и безопасный способ коррекции зрения без хирургического вмешательства. Новые капли, созданные на основе пилокарпина и диклофенака, показали убедительные результаты: уже через час после первого пр ...>>

Цифровая рация Xiaomi Digital Walkie Talkie 05.10.2025

Компания Xiaomi представила современное устройство, объединившее классические принципы радиосвязи с возможностями цифровых технологий. Новинка под названием Xiaomi Digital Walkie Talkie демонстрирует, как привычные рации могут быть переосмыслены в духе времени. Устройство оснащено цветным дисплеем диагональю 1,57 дюйма, который отображает список контактов, параметры соединения и даже примерное местоположение собеседника. Такой подход превращает стандартную рацию в компактное средство связи, сочетающее функциональность смартфона и устойчивость профессиональной техники. Одним из ключевых преимуществ стала высокая автономность. Встроенный аккумулятор емкостью 2500 мА·ч обеспечивает до 100 часов работы в режиме ожидания и около 14 часов непрерывных разговоров, что особенно важно в экспедициях, на дальних маршрутах или в зонах, где подзарядка невозможна. Согласно данным портала unionrayo.com, такое время работы выгодно отличает устройство от большинства аналогов. По дальности дейст ...>>

Открыт обращаемый драйвер старения 04.10.2025

Недавняя работа ученых из Сямэньского университета в Китае показала, что в гипоталамусе, главном регуляторе внутренних функций организма, кроется один из ключей к продлению молодости. Команда под руководством Лиге Ленга обнаружила, что снижение уровня белка менина в гипоталамусе связано с ускорением процессов старения. Менин, как выяснилось, играет важную роль в предотвращении воспаления и поддержании нормальной работы нейронов. Когда его уровень снижается, в мозге возрастает активность воспалительных сигналов, что запускает цепную реакцию возрастных изменений во всем организме - от ослабления когнитивных функций до потери плотности костей и истончения кожи. Чтобы понять, как именно менин влияет на старение, ученые вывели генномодифицированных мышей, у которых этот белок можно было выборочно отключить. Даже у молодых животных такое вмешательство быстро привело к ухудшению памяти, снижению прочности костей и эластичности кожи, а также к укорочению жизни. Эти результаты убедительно ...>>

Случайная новость из Архива

Синтетическое топливо из углекислого газа 30.03.2025

Исследователи из Карлсруэрского технологического института (KIT) представили инновационный метод производства синтетического топлива, которое может стать важной частью углеродно-нейтрального будущего авиации и судоходства. Этот новый подход основан на использовании углекислого газа, воды и возобновляемой энергии, и может значительно снизить углеродный след в этих отраслях.

Синтетическое топливо, или "e-топливо", представляет собой углеводородное топливо, произведенное с применением экологически чистых технологий. Оно имитирует процесс образования ископаемых видов топлива, но в отличие от традиционного, не наносит вреда окружающей среде. Исследования ученых KIT, проведенные в партнерстве с немецкими компаниями Sunfire и Climeworks, продемонстрировали эффективность такого подхода и открыли новые горизонты для экологически чистого авиационного топлива.

На сегодняшний день электрификация различных отраслей активно развивается, однако авиация продолжает оставаться одной из самых сложных для этого сфер. Современные аккумуляторы обладают гораздо меньшей энергетической плотностью, чем традиционное топливо, что делает невозможным полное использование электрических самолетов для дальних полетов. В этом контексте синтетическое топливо, получаемое с использованием CO2, воды и зеленой электроэнергии, представляется наиболее подходящим вариантом для авиации.

Ключевым этапом процесса производства синтетического топлива является создание синтез-газа - смеси монооксида углерода и водорода. Для этого ученые KIT и компания Sunfire разработали метод коэлектролиза, который позволяет превращать водяной пар и углекислый газ в синтез-газ за один шаг. Этот метод значительно повышает эффективность производства, устраняя необходимость в отдельном производстве водорода, как это происходит в альтернативных процессах.

По словам Губертуса Рихтера из компании Sunfire, до 85% электрической энергии, используемой в процессе коэлектролиза, может быть преобразовано в химическую энергию синтез-газа. Кроме того, метод продемонстрировал высокий уровень надежности и готовности установки, что является важным фактором для коммерциализации технологии.

Дальнейшая обработка синтез-газа приводит к его превращению в длинноцепочечные углеводороды с использованием синтеза Фишера-Тропша. Этот процесс позволяет получить сырье, похожее на сырую нефть, которое затем перерабатывается в авиационный керосин для реактивных двигателей. Компания INERATEC, стартап, созданный на базе KIT, активно работает над коммерциализацией этой технологии, и уже в реальных условиях было произведено более 100 литров авиационного топлива в день.

Ученые не останавливаются на достигнутом и продолжают совершенствовать технологию. В частности, планируется использование выделяющегося в процессе синтеза тепла в виде пара для улучшения энергетического баланса производства. Также активно развивается установка Kopernikus P2X, которая в будущем должна быть способна производить до 300 литров керосина в день. В перспективе планируется увеличение производства до одной тонны в день, что является важным шагом на пути к масштабированию технологии.

На следующем этапе синтетическое топливо будет проходить тестирование у производителей авиационных двигателей, чтобы подтвердить его соответствие отраслевым стандартам. Успешное внедрение этой технологии поможет значительно снизить углеродные выбросы в авиационной отрасли, которая в настоящее время составляет 2-3% мировых выбросов углерода, и создать углеродно-нейтральное будущее для авиации.

Другие интересные новости:

▪ Социология пересадки органов

▪ Самые актуальные бренды современности

▪ Пилюля с хвостом

▪ Гибрид нанотрубки и золота

▪ Кулер Thermaltake ToughAir 510

Лента новостей науки и техники, новинок электроники

 

Интересные материалы Бесплатной технической библиотеки:

▪ раздел сайта Конспекты лекций, шпаргалки. Подборка статей

▪ статья Возлияние Бахусу. Крылатое выражение

▪ статья Отчего белое пьют охлажденным, а красное - комнатной температуры? Подробный ответ

▪ статья Чернушка посевная. Легенды, выращивание, способы применения

▪ статья Светодиодный фонарик и его доработка. Энциклопедия радиоэлектроники и электротехники

▪ статья Ручка-самописка. Секрет фокуса

Оставьте свой комментарий к этой статье:

Имя:


E-mail (не обязательно):


Комментарий:




Комментарии к статье:

Александр
Спасибо автору за прекрасное изложение, столь сложного материала. Желаю Вам дальнейшей, трудной творческой популяризации современного телевидения. [up]


Главная страница | Библиотека | Статьи | Карта сайта | Отзывы о сайте

www.diagram.com.ua

www.diagram.com.ua
2000-2025