Menu Home

Бесплатная техническая библиотека для любителей и профессионалов Бесплатная техническая библиотека


Многокомнатная видеоаудиосистема. Энциклопедия радиоэлектроники и электротехники

Бесплатная техническая библиотека

Энциклопедия радиоэлектроники и электротехники / Телевидение

Комментарии к статье Комментарии к статье

Разногласий в семье при пользовании одним видеоаудио-комплексом (видеомагнитофон, телевизор, CD-плейер, AV-pe-сивер и др.) можно избежать, если оборудовать квартиру радиочастотной распределительной сетью и системой дистанционного управления. Дополнительно, как минимум, потребуются еще один телевизор и акустическая система. Как это сделать и рассказано в публикуемой статье.

В последние годы за рубежом нашли распространение так называемые многокомнатные системы (MULTI-ROOM), обеспечивающие работу одного комплекта видеоаудиотехники на несколько жилых помещений. Например, имея в одной комнате телевизор (ТВ), видеомагнитофон (ВМ), AV-ресивер и проигрыватель компакт-дисков (CD-плейер), можно получить возможность просмотра футбольного матча главой семьи в этой комнате, фильма с взятой на прокат видеокассеты хозяйкой дома на кухне и прослушивание компакт-дисков молодежью в детской комнате. И все это одновременно. Необходимые требования для обеспечения комплекса - наличие второго ТВ на кухне (можно еще в детской третьего ТВ) и простой акустической системы (АС) в детской комнате.

О том, как организовать простой многокомнатный комплекс и пойдет речь. Один из вариантов размещения его компонентов показан на рис. 1. Комплекс состоит из системы распределения аудио- и видеосигналов и устройства дистанционного управления (ДУ).

Многокомнатная видеоаудиосистема

Наиболее просто реализуется подача звуковых сигналов от AV-ресивера (или УМЗЧ) на АС в комнате 3. Соединительным кабелем может служить обычный провод, используемый для электропроводки, с сечением жилы не менее 0,75 мм2 (разговор, конечно, не идет о системах Hi-Fi). Перед прокладкой провода необходимо пометить одну из жил каким-нибудь значком, например, "+", на обоих концах, потом сделать это будет затруднительно. Подключать колонки АС нужно обязательно с соблюдением полярности, иначе исказится стереопанорама. В тех случаях, когда AV-ресивер (или УМЗЧ) не имеет выходов "В" для второй пары колонок, потребуется установка внешнего переключателя, в качестве которого можно применить тумблеры для сильноточных (более 6 А) цепей. В них используют надежные контакты с серебряным покрытием.

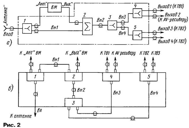
ТВ в комнатах 2 и 3 подключают по высокой частоте коаксиальным телевизионным кабелем. При его приобретении нужно обратить внимание на качество оплетки. Она должна быть плотной, без просветов, с медными, можно лужеными, проводниками. Схема соединений показана на рис. 2 а размещение ВЧ элементов - на рис. 2,б.

Многокомнатная видеоаудиосистема

Для реализации такой сети потребуются широкополосные разветвители 1, 3-5 и сумматор 2. Их можно купить на любом радиорынке или в магазинах, торгующих радиодеталями. Выполнены они на ферритовых кольцах и обладают малыми потерями. Конструктивно они собраны чаще всего в коробке с тремя стандартными телевизионными гнездами. При покупке необходимо выбирать изделия широкополосного (MB - ДМВ) исполнения. Самостоятельно потребуется изготовить четыре кабеля внутренних соединений (Вн), т. е. припаять штекеры к отрезкам кабеля необходимой длины. В продаже бывают такие же разветвители с отрезком кабеля и штекером на входе, которые можно использовать на позициях 3-5. В этом случае нужно самостоятельно сделать только кабель Вн1.

Конструкция устройства может быть самой различной, вплоть до размещения всех элементов внутри шкафа для аппаратуры или за ним. Наиболее удобно и просто использовать для этой цели пластмассовую коробку подходящих размеров. Нужно только приклеить к ее дну разветвители и сумматор, предварительно просверлив отверстия для разъемов. Все разъемы необходимо промаркировать.

Несколько слов об эксплуатации. Поскольку ВМ обычно имеют радиочастотный выход в диапазоне ДМВ, следует установить частоту его внутреннего генератора так, чтобы сигнал ВМ не мешал приему программ местных станций ДМВ. Обычно возможна перестройка в пределах от 36-го до 42-го каналов (процедура настройки описана в инструкциях к ВМ).

Телевизионные и УКВ ЧМ сигналы на вход устройства поступают с "антенны". В кавычках написано потому, что в каждом конкретном случае может быть или широкополосная антенна, или две-три и более антенн, или кабель от домовой сети в подъезде или др. Часто УКВ ЧМ сигналы на AV-ресивер или тюнер подают от отдельной антенны. При этом разветвитель 4 и кабель ВнЗ не нужны. А если ТВ всего два, не нужны и разветвитель 5, и кабель Вн4. Вариантов может быть много.

Перейдем к рассмотрению главной составляющей многокомнатного комплекса - устройства ДУ видеоаудио-компонентами (см. рис. 1), состоящего из фотоприемников в комнатах 2, 3 и передатчика в комнате 1. Принцип работы устройства весьма прост. Инфракрасные фотоприемники, расположенные в комнатах 2 и 3, реагируют на команды пультов ДУ и формируют импульсные сигналы, передаваемые по проводам на передатчик в комнате 1, который генерирует инфракрасные вспышки, управляющие всеми компонентами комплекса.

Чтобы пользоваться ВМ в комнате 2, необходимо только вставить в него нужную кассету и тогда пультом ДУ ВМ реализуют любые команды управления ВМ. Аналогично соответствующими пультами управляют компонентами в главной комнате и из комнаты 3.

Наиболее простой путь для практической реализации многокомнатного устройства ДУ - использование современных промышленных фотоприемников, представляющих собой интегральную микросхему небольших размеров стремя выводами. Такие фотоприемники надежно защищены от внешних засветок и помех, а это обстоятельство весьма важно, так как при самостоятельном изготовлении усилителя сигналов фотодиода обеспечить высокую помехозащиту непросто. Радиолюбителям средней квалификации в этом случае можно воспользоваться рекомендациями в книге И. А. Ремезанцева, А. В. Ацюковского "Пульты дистанционного управления для бытовой аппаратуры" (М.: Марк Принт&Паблишер, 1999, с. 108-116), где даны схемы фотоприемников и советы по их применению.

Зарубежные фирмы выпускают большое число интегральных фотоприемников. К сожалению, автор не располагает полной справочной информацией по ним, поэтому дальнейшее изложение основано на сведениях, полученных экспериментальным путем.

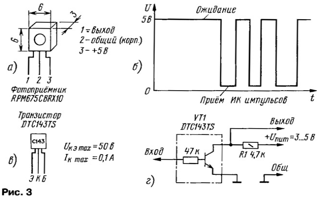
Фотоприемник RPM675CBRX10 применен во многих видеомагнитофонах фирмы MATSUSHITA (PANASONIC). Его внешний вид, цоколевка и осциллограмма выходного сигнала показаны на рис. 3, а и б. Этот миниатюрный фотоприемник не реагирует на различные помехи от источников видимого света довольно большой интенсивности (проверен в небольшой комнате с двумя лампами по 150 Вт). Поэтому установить его чрезвычайно просто, вплоть до приклейки липкой лентой к стене, плинтусу и т. п. Никаких других элементов не требуется. Подключение к передатчику возможно любым проводом длиной до 5 м. Для больших расстояний может потребоваться подача выходного сигнала витой парой.

Многокомнатная видеоаудиосистема

Важный вопрос, где приобрести подобное устройство. В настоящее время их можно купить на радиорынках, в специализированных магазинах и по почте через специализированные фирмы посылочной торговли. Цены на фотоприемники у посылочных агентств - в пределах 2... 10 долл. США.

Альтернативный вариант - использование фотоприемников, находящихся в самих телевизорах в комнатах 2 и 3. В этом случае потребуется провести небольшую "исследовательскую" работу, для чего нужен осциллограф. Цель работы - определение полярности выходных импульсов фотоприемника. Их нужно снимать через буферный каскад. Проще всего выполнить его на транзисторе DTC143TS. Его цоколевка, параметры и схема включения представлены на рис. 3,в и г. Транзистор (цена ≈ 0,25 долл. США) можно заменить на транзистор серии КТ315 и т. п. с внешним резистором в цепи базы сопротивлением 47 кОм. Причем резистор R1, показанный на рис. 3,г, можно разместить и вне телевизора.

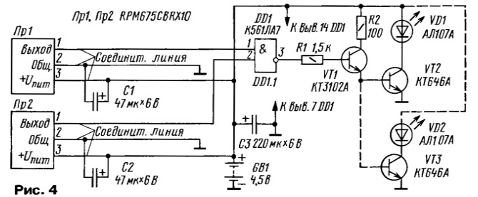
Принципиальная схема всего ДУ изображена на рис. 4. Фотоприемники Пр1, Пр2 находятся в комнатах 2 и 3 соответственно. Блокировочные конденсаторы С1 и С2 припаивают к выводам фотоприемников.

Многокомнатная видеоаудиосистема

Питание на фотоприемники поступает от батареи гальванических элементов, находящихся в передатчике (316, 343 и т. п.). Вместо батареи GB1 можно использовать и сетевой источник питания. Следует отметить, что все устройство в ждущем режиме (при отсутствии команд ДУ) практически не потребляет энергии, т. е. батарея будет служить долго.

При подаче команде пультов ДУ аппаратуры через фотоприемники и соединительные линии на входы микросхемы DD1 (выводы 1, 2) приходят импульсы размахом около 4,5 В, как показано на рис. 3,6. В микросхеме они инвертируются и через эмиттерный повторитель на транзисторе VT1 проходят на усилитель мощности на транзисторе VT2, нагрузкой которого служит ИК излучающий диод VD1. Его излучение управляет видеоаудиоаппаратурой в комнате 1. Следует заметить, что при одновременном нажатии кнопок на пультах в комнатах 2 и 3 устройство работать не будет. Однако такая ситуация маловероятна.

Необходимо остановиться на некоторых моментах практической реализации. Прежде всего, это касается выбора фотоприемников Пр1 и Пр2. Не каждый радиолюбитель сможет приобрести именно тот фотоприемник, который указан на рис. 3 и 4. Но большой проблемы в этом нет Можно использовать большинство других, более доступных. Они, как правило, выполнены в небольшой металлической коробке с тремя выводами и "глазком" для фототранзистора. Обычно продавцы на радиорынках ничего не могут сказать о параметрах фотоприемников.

Поэтому нужно будет самим разобраться с этим вопросом, для чего потребуются осциллограф, блок питания напряжением 5 В и любой пульт ДУ

В первую очередь нужно определить цоколевку приобретенного фотоприемника. Вывод общего провода (корпус) в нем обычно соединен с экраном. Подключив к нему минусовой проводник источника питания и корпус (общ.) осциллографа, подают напряжение +5 В на какой-нибудь из оставшихся выводов фотоприемника через резистор сопротивлением 1 кОм. К другому выводу подключают вход осциллографа и, направив излучатель пульта ДУ на "глазок" фотоприемника, подают любую команду. Если при этом появляются импульсы на экране осциллографа, цоколевка (выход и вывод питания) определена, если нет - проводники плюсового вывода источника питания и входа осциллографа меняют местами.

На практике, конечно, могут быть и другие ситуации, например, в случае построения выходного каскада фотоприемника по схеме с открытым коллектором (стоком). При этом делают то же самое, но подают на вход осциллографа напряжение +5 В через резистор сопротивлением 5-10 кОм.

В процессе работы наблюдают также полярность выходных импульсов фотоприемника. Если она не соответствует показанной на рис. 3,б, то в тракт передатчика по схеме на рис. 4 нужно добавить дополнительный инвертор из микросхемы DD1 (например, с входом из замкнутых выводов 5, 6 и выходом - вывод 4).

В ходе дальнейших "исследований" определяют чувствительность фотоприемника к внешним засветкам, а также чувствительность к сигналу при различных положениях пульта ДУ. На основании полученных результатов находят наиболее удобное расположение фотоприемников в комнатах. Подобные действия проводят и при размещении передатчика в комнате 1.

Перед монтажом системы проверяют работоспособность всего устройства с требуемой длиной соединительных линий. При наличии особо сильных внешних наводок необходимо применить экранированный провод для сигнальных цепей.

Для увеличения зоны ИК излучения возможно подключение второго ИК излучающего диода VD2 через транзистор VT3, как показано штриховой линией на рис. 4.

Транзистор КТ646А (VT2, VT3) можно заменить на 2SC1956Y 2SD1616, 2SD1781, 2SD1328, а диод АЛ 107А (VD1, VD2) - на ИК излучающий диод из серии АЛ 156 или EL-1L2, TS1Р7700, LN66A.

В заключение следует отметить возможность применения подобных систем для дистанционного управления многими другими бытовыми приборами, освещением и т. д.

Автор: Ю.Петропавловский, г.Таганрог

Смотрите другие статьи раздела Телевидение.

Читайте и пишите полезные комментарии к этой статье.

<< Назад

Последние новости науки и техники, новинки электроники:

Власть является ключевым фактором счастья в отношениях 11.03.2026

Исследования семейных и романтических отношений показывают, что длительное счастье пары зависит не только от привычных факторов, таких как доверие, уважение и преданность, но и от более тонких психологических аспектов. Современные ученые ищут закономерности, которые отличают действительно счастливые пары от остальных, чтобы понять, какие механизмы поддерживают гармонию в отношениях. Группа исследователей из Университета Мартина Лютера в Галле-Виттенберге и Бамбергского университета провела опрос среди 181 пары, которые состояли в совместных отношениях более восьми лет и прожили вместе хотя бы месяц. Участники заполняли анкету, описывая различные аспекты своих отношений, включая распределение обязанностей, эмоциональную поддержку и степень вовлеченности в совместные решения. Анализ данных показал интересный паттерн: пары, где оба партнера ощущали высокий уровень личной власти, оказывались наиболее счастливыми и удовлетворенными. В данном контексте под властью понимается способност ...>>

Защищенная колонка-повербанк Anker Soundcore Boom Go 3i 11.03.2026

Компания Anker представила новую модель линейки Soundcore - колонку Soundcore Boom Go 3i, ориентированную на активное использование на улице. Новинка отличается высокой степенью защиты: корпус соответствует стандарту IP68, что обеспечивает водо- и пыленепроницаемость, а ударопрочный дизайн выдерживает падение с высоты до одного метра. За качество звука отвечает 15-ваттный драйвер, обеспечивающий пик громкости до 92 дБ, а технология BassUp 2.0 усиливает низкие частоты, делая звучание более насыщенным. Колонка обладает автономностью до 24 часов, а LED-индикатор позволяет контролировать уровень заряда батареи. Кроме того, Soundcore Boom Go 3i может выполнять функцию павербанка: согласно внутренним тестам, устройство способно зарядить iPhone 17 с нуля до 40% за один час, что делает его полезным аксессуаром в походах и поездках. Среди функциональных особенностей модели стоит выделить технологию Auracast, которая улучшает подключение и позволяет создавать стереопару из двух колонок ...>>

Раннее воздержание от алкоголя перестраивает мозг и иммунитет 10.03.2026

Алкогольная зависимость - хроническое расстройство с компульсивным употреблением спиртного, которое влияет не только на поведение, но и на функционирование мозга и иммунной системы. Недавние исследования показали, что даже на ранних этапах воздержания организм начинает перестраиваться, открывая новые возможности для терапии зависимости. Ученые сосредоточились на пациентах, находящихся в первые недели абстиненции, и зафиксировали значительные изменения в мозговой активности. С помощью функциональной магнитно-резонансной томографии они выявили перестройку сетей нейронных связей, отвечающих за контроль импульсов и принятие решений. Эти изменения могут быть ключевыми для восстановления самоконтроля и снижения риска рецидива. Одновременно с нейронной перестройкой исследователи наблюдали колебания иммунной системы. В крови повышался уровень цитокинов - сигнальных белков, регулирующих воспалительные процессы. Эти данные свидетельствуют о существовании нейроиммунного взаимодействия, при ...>>

Случайная новость из Архива

Audi отказывается от электромобилей в пользу гибридов 27.07.2014

Компания Audi не планирует вступать в активную конкурентную борьбу на рынке полностью электрических машин. Наиболее высокие перспективы автопроизводитель видит в гибридных транспортных средствах, оснащенных аккумуляторами с возможностью их зарядки от электросети.

О планах Audi в отношении "зеленых" автомобилей рассказал председатель совета директоров немецкой марки Руперт Штадлер (Rupert Stadler) в интервью изданию What Car? "Мы протестировали электромобили, но для нас всегда было ясно то, что с потребительской точки зрения подзаряжаемые гибриды лучше", - отметил топ-менеджер в ответ на комментарий журналиста о том, насколько продвинулись Tesla и BMW на рынке электрокаров.

По словам Штадлера, гибриды типа plug-in, вобравшие в себя лучшие технологии от электрических и традиционных автомобилей, отличаются экономичным расходом топлива, высоким запасом хода и экологической безопасностью.

"Я разговаривал с владельцами Tesla, и они сказали, что отдали бы предпочтение подзаряжаемому Audi Q7, если бы этот автомобиль был доступен. Мы уверены в правильности выбранного пути. Электромобили лишь простаивают в дилерских шоу-румах и никак не участвуют в улучшении экологической обстановки. Мы хотим создавать автомобили, которые будут продаваться", - сообщил глава Audi.

Однако, несмотря на скептическое отношение производителя к автотранспорту, приводимому в движение только электрическим двигателем, такой автомобиль в ассортименте немецкой компании все же появится. Им станет суперкар Audi R8 e-tron, европейские продажи которого запланированы на 2015 г. На одном заряде батарей спортивное купе сможет проехать до 450 км, тогда как максимальный запас хода у флагманской версии Tesla Model S заявлен на уровне 502 км. Ранее Reuters сообщало, что Audi готовит несколько мощных электрических седанов и спортивных внедорожников. Слова Руперта Штадлера можно рассматривать как опровержение данных информагентства.

Как пояснил председатель совета директоров Audi, подключаемые к бытовой сети гибриды могут создаваться на базе традиционных серийных машин с ДВС с использованием действующих заводских мощностей. При этом "чистые" электромобили, использующие иные силовые агрегаты, требуют новых производственных линий.

Штадлер заявил, что в ближайшие годы на рынке появятся гибридные plug-in версии седанов Audi A6 и A8, а также кроссовера Q7. Аналогичную модификацию ранее получил внедорожник Porsche Cayenne. Также гибридным будет и Mercedes-Benz C-Class.

Другие интересные новости:

▪ Первый 5G-смартфон

▪ Новое семейство микроконтроллеров NXP с ядром ARM7T и ARM9T

▪ Основа для мобильника за $20

▪ Дельфины улавливают звуковые волны зубами

▪ Дрон для уборки собачьих экскрементов

Лента новостей науки и техники, новинок электроники

 

Интересные материалы Бесплатной технической библиотеки:

▪ раздел сайта Должностные инструкции. Подборка статей

▪ статья Любимый город может спать спокойно. Крылатое выражение

▪ статья Кто изобрел холодильник? Подробный ответ

▪ статья Нарушение правил охраны труда

▪ статья Свинцовая олифа. Простые рецепты и советы

▪ статья Квазирезонансный преобразователь напряжения. Энциклопедия радиоэлектроники и электротехники

Оставьте свой комментарий к этой статье:

Имя:


E-mail (не обязательно):


Комментарий:





Главная страница | Библиотека | Статьи | Карта сайта | Отзывы о сайте

www.diagram.com.ua

www.diagram.com.ua
2000-2026