Menu Home

Бесплатная техническая библиотека для любителей и профессионалов Бесплатная техническая библиотека


Управление питанием телевизора. Энциклопедия радиоэлектроники и электротехники

Бесплатная техническая библиотека

Энциклопедия радиоэлектроники и электротехники / Телевидение

Комментарии к статье Комментарии к статье

Режимы дежурной работы телевизора и его выключения при просмотре передач, которые обеспечивает рассматриваемое в статье устройство, отличаются от обычно используемых экономичностью, удобством, простотой и надежностью. Это не только продляет срок службы кинескопа и, следовательно, телевизора в целом, но и позволяет получить другие преимущества.

Система предназначена для увеличения срока службы телевизора, в основном, в результате сбережения наиболее дорогостоящей его детали - кинескопа. Она позволяет более удобно, приятно и безопасно обращаться с таким бытовым аппаратом.

Устройство обеспечивает включение режима дежурного подогрева накала кинескопа при обнаружении движущихся объектов в помещении ("автопрогрев") и периодически "опрашивает" зрителя о необходимости дальнейшей работы телевизора ("автосон"). Дополнительной функцией системы, реализуемой при выключенном телевизоре, может быть работа в качестве системы охранной сигнализации.

Критерием необходимости включения телевизора служит появление или перемещение человека в пределах комнаты. Работа системы основана на регистрации изменений, вносимых в интерференционное распределение ИК волн в помещении движущимися объектами. Обнаружив такие изменения, она включает дежурный подогрев накала кинескопа, переходит в режим ожидания длительностью около 30 с и затем, если не предпринимаются больше никакие действия, выключает его.

Режим "автопрогрева" имеет ряд преимуществ перед широко используемым способом непрерывного дежурного подогрева накала кинескопа телевизора. Во-первых, это на порядок меньшее среднее по времени потребление электроэнергии, во-вторых, отсутствие испарения материала катода кинескопа во время ожидания и, в-третьих, существенно большие электро- и пожаробезопасность при эксплуатации. Кроме того, система гарантированно снимает "синдром невыключенного телевизора".

Функция "автосон" из-за специфики системы реализуется очень просто. Через определенные промежутки времени она опрашивает телезрителей миганием светодиода на лицевой панели о необходимости дальнейшей работы телевизора. При этом вполне достаточно лишь махнуть рукой, т. е. вызвать срабатывание инфракрасного ИК датчика, и телевизор продолжит показ. Очевидно, это более удобно, чем предусматриваемые аналогичными системами действия вроде нажатия на кнопку, переключения каналов и др. Если система не получит ответной реакции, примерно через 10 мин телевизор будет отключен от сети и система перейдет в режим ожидания.

Такая система уже работает с телевизором "Рубин - Ц281" (ЗУСЦТ), но может быть установлена и в телевизоры других моделей.

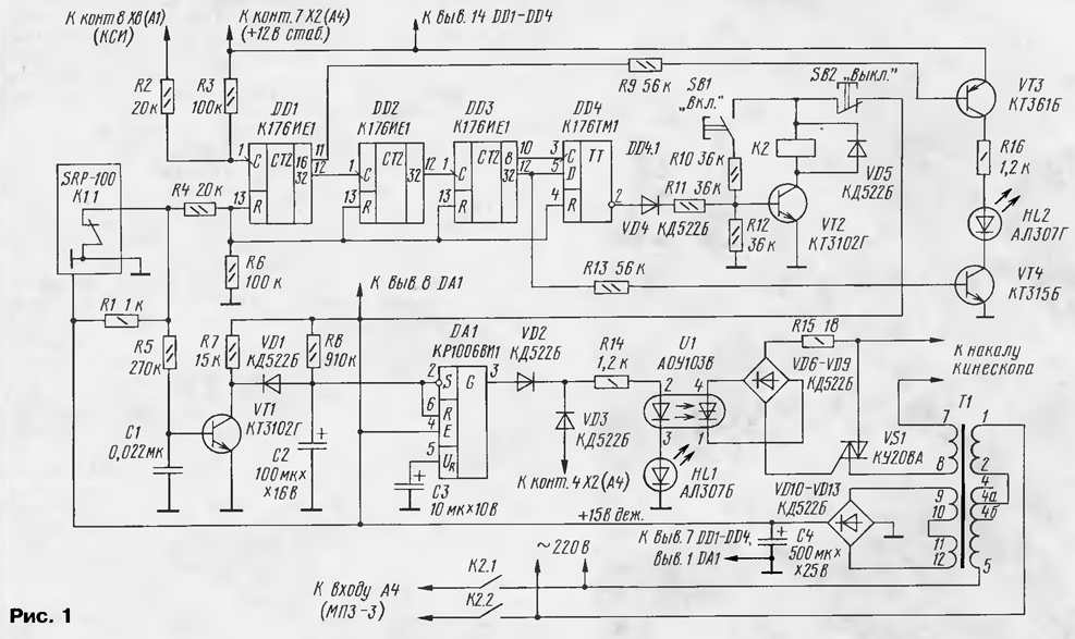
Принципиальная схема устройства представлена на рис. 1. В нем использован выносной ИК датчик SRP-100 с типовыми настройками, но можно использовать любой другой датчик, лишь бы обеспечивались необходимая чувствительность и способ включения в систему (замкнутые контакты реле в исходном состоянии).

Управление питанием телевизора
(нажмите для увеличения)

Датчик, узлы включения накала кинескопа и подачи питания на телевизор подключены к нестабилизированному источнику, собранному на трансформаторе Т1, диодах VD10 - VD13 и конденсаторе С4. Собственно цепь накала кинескопа подсоединена к обмотке 7 - 8 трансформатора Т1 через симистор VS1, включением которого через мост на диодах VD6 - VD9 управляет оптрон U1 узла включения накала кинескопа. Последний собран на транзисторе VT1 и таймере DA1 по схеме детектора подавления импульсов, описанного в книге Пухальского Г. И., Новосельцевой Т. Я. "Проектирование дискретных устройств на интегральных микросхемах" (М.: Радио и связь, 1990).

В исходном состоянии контакты реле ИК датчика К1.1 замкнуты, транзистор VT1 закрыт, конденсатор С2 заряжен до напряжения, превышающего порог переключения таймера DA1, и на его выходе присутствует уровень 0. Система находится в дежурном режиме.

При срабатывании ИК датчика контакты К1.1 его реле размыкаются, транзистор открывается, конденсатор С2 быстро разряжается через диод VD1 и транзистор VT1 и на выходе таймера DA1 будет уровень 1, пока конденсатор С2 вновь не зарядится до порога переключения таймера за время ожидания около 30 с. Появление уровня 1 на выходе таймера DA1 вызывает открывание оптрона U1, симистора VS1 и подключение цепи накала кинескопа к накальной обмотке трансформатора Т1. Светодиод HL1 сигнализирует о включении накала.

Если за время ожидания телевизор будет включен, на анод диода VD3 поступит напряжение +15 В с контакта 4 разъема Х2 модуля питания МПЗ-3 телевизора. Хотя диод VD2 закроется обратным напряжением, через диод VD3 и оптрон U1 по-прежнему будет течь управляющий ток и симистор VS1 останется в открытом состоянии. Дальнейшее переключение таймера не будет влиять на состояние системы.

За время ожидания при выключенном телевизоре может произойти повторное срабатывание датчика. В результате таймер DA1 вновь перезапустится, начав новый отсчет времени. Если же за время ожидания не будет предпринято никаких действий, таймер вернется в нулевое состояние, цепь накала обесточится и система перейдет в дежурный режим.

При включении телевизора начинает работать узел режима "автосон". Он содержит счетчик на микросхемах DD1-DD3, D-триггер DD4.1, узел управления питанием телевизора (VT2, К2) и узел сигнализации (VT3, VT4, HL2).

Телевизор включается при нажатии на кнопку SB1 (1...2 с). При этом транзистор VT2 открывается, срабатывает реле К2 и подключает своими контактами модуль питания телевизора к сети, появляется напряжение питания +12 В в телевизоре (контакт 7 разъема Х2 модуля питания), поступающее на счетчик и триггер. Счетчик и триггер DD4.1 устанавливаются в нулевое состояние по входам R из-за неизбежного срабатывания датчика и размыкания контактов К1.1 при манипуляциях в непосредственной близости от телевизора.

На выводе 2 триггера DD4.1 присутствует уровень 1, поэтому и после отпускания кнопки SB1 транзистор VT2 остается в открытом состоянии и контакты реле К2 замкнуты. На вход С (вывод 1) счетчика DD1 начинают поступать кадровые импульсы КСИ с амплитудой 10 В с контакта 8 разъема Х8 модуля радиоканала МРК2-5, которые используют в качестве счетных для счетчика.

При условии, что контакты датчика остаются замкнутыми, т. е. не происходит его срабатывания, примерно через 45 мин (точное значение несущественно) на выходе 32 (вывод 12) счетчика DD3 появится уровень 1, поступающий на вход D триггера DD4.1.

При этом открывается транзистор VT4 и светодиод HL2 начинает вспыхивать с частотой, определяемой появлением импульсов на выходе 16 (вывод 11) счетчика DD1 (около 1,5 Гц) и вызываемым ими открыванием транзистора VT3. Это сигнализирует о готовности устройства к выключению телевизора.

Еще примерно через 10 мин положительный перепад напряжения, возникший на выходе 8 (вывод 10) счетчика DD3, вызовет переключение триггера DD4.1, появление на его выходе уровня 0 и закрывание транзистора VT2. Телевизор выключится. Спад импульса на входе D (вывод 5) триггера DD4.1 имеет некоторую задержку относительно перепада напряжения на его входе С (вывод 3), поэтому триггер переключается устойчиво.

Если за время, предшествующее переключению, произойдет срабатывание ИК датчика, счетчик обнулится и отсчет времени начнется вновь. Следует отметить обязательность применения резисторов R2 и R4, ограничивающих ток через входы микросхем.

Налаживание устройства начинают с установки желаемого времени ожидания, т. е. поддержания катода кинескопа в нагретом состоянии, подбором времязадающего конденсатора С2 и резистора R8 (не более 1 МОм). Следует обратить внимание на то, чтобы сопротивление утечки конденсатора было как можно меньше.

Перед подключением к кинескопу необходимо убедиться в соответствии напряжения накала номинальному значению, поскольку вследствие фазового сдвига при включении симистора эффективное значение напряжения, поступающего на подогреватель, меньше напряжения, снимаемого с обмотки трансформатора. Включение обмоток в первичной цепи трансформатора Т1, показанное на схеме, сделано с учетом этого факта. Напряжение проверяют на эквиваленте нагрузки, например, на подогревателе электронной лампы с током накала, близким по значению току накала используемого кинескопа. При необходимости отклонение устраняют коммутацией выводов 4, 4а, 4б первичных обмоток трансформатора. Изменения напряжения дежурного питания устройства, возникающие при этом, находятся в допустимых пределах и заметного влияния на работу системы не оказывают.

Наиболее важной и ответственной частью системы можно назвать ИК датчик. Примененный в устройстве SRP-100 имеет следующие основные характеристики: регистрируемая скорость перемещения объекта - 0,15...3,6 м/с; период повторения импульсов - 50, 150, 300 мс (устанавливает производитель или пользователь, в зависимости от условий применения); угол обзора в горизонтальной плоскости - 105°; максимальная дальность действия - 20 м; напряжение питания - 7,8...16 В; потребляемый ток в режиме ожидания - 14 мА, в активном режиме с индикацией срабатывания - 8 мА; для подключения к внешним устройствам имеет нормально замкнутые контакты реле.

Датчик (производства Израиля) широко используют в пожарно-охранных системах (так называемый "датчик объема") как в Узбекистане, так и в России. Он может быть приобретен в любой организации, специализирующейся на таких системах, например, в ЦБР "Рахм-Шавкат" (700185, Узбекистан, г. Ташкент, Чиланзарский р-н, ул. Наккошлык,2).

Возможность применения аналогичного или другого датчика определяется его основными параметрами, желанием и возможностями пользователя.

В устройстве вместо D-триггера из микросхемы К176ТМ1 применим триггер из К561ТМ2, К176ТМ2. В счетчике можно использовать и другие микросхемы структуры КМОП, важно лишь получить необходимые сигналы для работы системы, причем временные интервалы могут быть изменены по желанию пользователя.

Кроме указанных на схеме, можно применить транзисторы из серий КТ3102, КТ361, КТ315 с любыми другими буквенными индексами или аналогичные с параметрами не хуже, чем у примененных.

Все резисторы - МЛТ. Конденсатор С2 - К53-1, остальные оксидные - К50-6, К50-16, С1 - любой малогабаритный керамический конденсатор емкостью 6800 пф...0,068 мкФ. Диоды - любые из серий КД503, КД509, КД521, КД522, мосты - из серий КЦ402, КЦ405 или собранные на диодах, перечисленных выше. Оптрон и симистор - из серий АОУ103 и КУ208 соответственно с любым другим буквенным индексом. Реле К2 - РЭС22 паспортов РФ4.523.023-01, РФ4.523.023-05. Светодиод HL1 - АЛ307А(М), АЛ307Б(М), HL2 - из серии АЛ307 желтого, оранжевого или зеленого цвета свечения. Трансформатор Т1 - ТН36 -127/220-50.

Конструктивно трансформатор дежурного питания Т1 лучше всего установить на боковой стенке телевизора над блоком управления. Рядом с ним закрепляют монтажные платы отдельных модулей с узлами дежурного подогрева ("автопрогрева"), "автосна" и выпрямителем. Иное расположение не рекомендуется, поскольку довольно массивный трансформатор, размещенный в другом месте, будет влиять на чистоту цвета изображения, а микросхемы структуры КМОП счетчика окажутся ближе к блоку строчной развертки, что нежелательно. Кроме того, так удобнее подключить силовые цепи и снять сигнал с модуля радиоканала (КСИ).

Светодиоды располагают в отверстиях в правом верхнем углу лицевой панели, кнопки - на этой же панели возле штатного выключателя.

ИК датчик, как уже сказано, представляет собой отдельный выносной блок, соединенный с системой тремя свитыми проводами (питания, общий и сигнальный) длиной 120 см. Конкретное место его размещения возле телевизора и выбор направления его главной оси определяют экспериментально, поскольку в значительной степени это зависит от примененной в нем линзы, диаграммы направленности в обеих плоскостях, взаимного расположения телевизора, мебели, поглощающих поверхностей и дверных проемов в помещении, а также наличия в доме животных. Общими рекомендациями следует считать размещение датчика на высоте человеческого роста, на вертикальной поверхности, так чтобы главная ось была направлена на дверной проем.

Следует отметить, что хотя описанная система надежно работает уже около двух лет, она имеет известный недостаток, заключающийся в скачкообразной коммутации номинального напряжения в цепи накала кинескопа, особенно неблагоприятной при включении. Для устранения указанного недостатка предлагается модуль питания накала кинескопа, принципиальная схема которого изображена на рис. 2. При этом симистор VS1 из устройства удаляют, а тот же управляющий оптрон U1, мост на диодах VD6 - VD9 (другой серии) и резистор R15 (с измененным номиналом) используют в модуле питания. Позиционные обозначения новых элементов продолжают нумерацию деталей основного устройства.

Управление питанием телевизора

В модуле применено оптронное управление с целью обеспечения электрической развязки цепи накала, а также некоторой унификации включения возможных вариантов таких модулей.

Модуль питания накала кинескопа обеспечивает плавное возрастание напряжения накала и его стабилизацию, что способствует дополнительному увеличению ресурса работы кинескопа. Модуль имеет следующие основные характеристики: номинальное напряжение накала - 6,3 В (постоянного тока), номинальный ток - 0,7 А, максимальный ток - 1,2 А, время нарастания напряжения накала до уровня 0,9 номинального значения - 3 с.

Модуль собран по схеме стабилизатора на ОУ (DA2) с измененным способом включения. В нем применено прямое управление ОУ с ООС, т. е. цепь формирования образцового напряжения VT5R15R16 подключена к входу стабилизатора. Это позволило наиболее просто реализовать плавное возрастание выходного напряжения добавлением конденсатора С6 при некотором уменьшении коэффициента стабилизации, однако вполне достаточного для питания цепи накала.

Образцовый уровень формируется на обратно смещенном эмиттерном переходе транзистора VT5, работающем при малых токах.

При поступлении управляющего сигнала с выхода таймера DA1 основного устройства и открывании оптрона U1 конденсатор С6 начинает заряжаться до образцового напряжения. Выходное напряжение возрастает по мере зарядки конденсатора, по окончании которой стабилизатор входит в рабочий режим.

Резистор R17 служит для линеаризации выходной характеристики в области малых напряжений. При налаживании его подбором устанавливают начальный ток накала кинескопа (в отсутствие управляющего сигнала таймера) в пределах 20...50 мА. Подстроечным резистором R19 устанавливают точное значение выходного напряжения 6,3 В.

При выборе транзистора VT5 из серии КТ315 следует учесть, что напряжение обратимого пробоя его эмиттерно-го перехода не должно превышать 6,7 В, что позволяет добиться оптимальной характеристики регулирования с учетом падения напряжения на эмиттерном переходе транзистора VT6. Если это условие выполнить не удается, можно подобрать транзистор из серии КТ316 с любым буквенным индексом (их напряжение обратимого пробоя заведомо лежит в нужном интервале).

Напряжение +9 В на входе стабилизатора при необходимости устанавливают, как и в варианте с симистором напряжение накала, коммутацией отводов 4, 4а, 46 первичной обмотки трансформатора Т1 дежурного питания.

Транзистор VT6 нужно обязательно установить на теплоотвод.

Диодами VD6 - VD9, кроме указанных, можно использовать другие из серий КД213, КД202 с любым буквенным индексом. Транзистор КТ972А (VT6) заменим на КТ972Б.

ОУ К538УН1 можно заменить на К548УН1 - один канал, например, цепь формирования образцового напряжения подключить к выводу 1, движок резистора R19 - к выводу 2; выходом будет служить вывод 7; положительный проводник питания соединяют с выводом 9, отрицательный - с выводом 4; корректирующий конденсатор С7 включают между выводами 5 и 6.

Автор: Д.Панкратьев, г.Ташкент, Узбекистан

Смотрите другие статьи раздела Телевидение.

Читайте и пишите полезные комментарии к этой статье.

<< Назад

Последние новости науки и техники, новинки электроники:

Глазные капли, возвращающие молодость зрению 05.10.2025

С возрастом человеческий глаз постепенно теряет способность четко видеть на близком расстоянии - развивается пресбиопия, или возрастная дальнозоркость. Этот естественный процесс связан с утратой эластичности хрусталика и ослаблением цилиарной мышцы, отвечающей за фокусировку. Миллионы людей по всему миру сталкиваются с необходимостью носить очки для чтения или прибегают к хирургическим методам коррекции. Однако исследователи из Центра передовых исследований пресбиопии в Буэнос-Айресе представили решение, которое может стать удобной и неинвазивной альтернативой - специальные глазные капли, способные улучшать зрение на длительный срок. Разработку возглавила Джованна Беноцци, директор Центра. По ее словам, цель исследования состояла в том, чтобы предоставить пациентам с пресбиопией эффективный и безопасный способ коррекции зрения без хирургического вмешательства. Новые капли, созданные на основе пилокарпина и диклофенака, показали убедительные результаты: уже через час после первого пр ...>>

Цифровая рация Xiaomi Digital Walkie Talkie 05.10.2025

Компания Xiaomi представила современное устройство, объединившее классические принципы радиосвязи с возможностями цифровых технологий. Новинка под названием Xiaomi Digital Walkie Talkie демонстрирует, как привычные рации могут быть переосмыслены в духе времени. Устройство оснащено цветным дисплеем диагональю 1,57 дюйма, который отображает список контактов, параметры соединения и даже примерное местоположение собеседника. Такой подход превращает стандартную рацию в компактное средство связи, сочетающее функциональность смартфона и устойчивость профессиональной техники. Одним из ключевых преимуществ стала высокая автономность. Встроенный аккумулятор емкостью 2500 мА·ч обеспечивает до 100 часов работы в режиме ожидания и около 14 часов непрерывных разговоров, что особенно важно в экспедициях, на дальних маршрутах или в зонах, где подзарядка невозможна. Согласно данным портала unionrayo.com, такое время работы выгодно отличает устройство от большинства аналогов. По дальности дейст ...>>

Открыт обращаемый драйвер старения 04.10.2025

Недавняя работа ученых из Сямэньского университета в Китае показала, что в гипоталамусе, главном регуляторе внутренних функций организма, кроется один из ключей к продлению молодости. Команда под руководством Лиге Ленга обнаружила, что снижение уровня белка менина в гипоталамусе связано с ускорением процессов старения. Менин, как выяснилось, играет важную роль в предотвращении воспаления и поддержании нормальной работы нейронов. Когда его уровень снижается, в мозге возрастает активность воспалительных сигналов, что запускает цепную реакцию возрастных изменений во всем организме - от ослабления когнитивных функций до потери плотности костей и истончения кожи. Чтобы понять, как именно менин влияет на старение, ученые вывели генномодифицированных мышей, у которых этот белок можно было выборочно отключить. Даже у молодых животных такое вмешательство быстро привело к ухудшению памяти, снижению прочности костей и эластичности кожи, а также к укорочению жизни. Эти результаты убедительно ...>>

Случайная новость из Архива

Лазерный диск объемом до 1 Тб 24.03.2014

Sony и Panasonic планируют в июле 2015 г. выпустить лазерные диски емкостью 300 Гбайт. В будущем емкость должна увеличится до 1 Тбайт. Диски нового формата предназначаются для дата-центров и поставщиков контента. При помощи Archival Disc компании смогут в течение длительного времени надежно хранить информацию.

Предвидя возрастающие потребности в хранении информации, разработчики стандарта считают, что Archival Disc позволит их удовлетворить, предложив доступную стоимость и высокую надежность.

Выбор оптических носителей для этих целей неслучаен: они отличаются превосходной устойчивостью к влаге, пыли и температурному воздействию. Помимо этого, использование лазерного диска позволит добиться обратной совместимости с предыдущими поколениями устройств для чтения: предполагается, что дисководы для чтения Archival Disc смогут воспроизводить, в том числе, диски устаревших форматов.

Стандарт Archival Disc будет развиваться в 3 этапа. На первом этапе Panasonic и Sony рассчитывают к лету следующего года выпустить диски емкостью 300 Гбайт и оборудование, поддерживающее запись и чтение данных с новых носителей.

При этом диск емкостью 300 Гбайт будет двусторонним, а каждая его сторона будет включать 3 слоя. Таким образом, на одном слое будет помещаться 50 Гбайт. Для сравнения, емкость одного слоя в диске Blu-ray составляет 25 Гбайт.

В ходе второго этапа планируется создать диски емкостью 500 Гбайт. На третьем этапе емкость Archival Disc достигнет значения в 1 Тбайт. Пока что партнеры не сообщают сроки осуществления второго и третьего этапов, и не говорят о своих планах после окончания последнего этапа.

Другие интересные новости:

▪ Новые ЦАП от TI - высокая точность и низкое потребление

▪ Химики против глобального потепления

▪ Мужчины и женщины видят разные сны

▪ Туман убивает деревья

▪ Прослушивание музыки во время работы снижает усталость

Лента новостей науки и техники, новинок электроники

 

Интересные материалы Бесплатной технической библиотеки:

▪ раздел сайта Блоки питания. Подборка статей

▪ статья Не по чину берешь! Крылатое выражение

▪ Как складывались международные отношения накануне Второй мировой войны? Подробный ответ

▪ статья Пожарная безопасность при работе в деревообделочных цехах и расходных складах лесоматериалов. Типовая инструкция по охране труда

▪ статья Уточнение конфигурации окна сердечника трансформатора. Энциклопедия радиоэлектроники и электротехники

▪ статья Автоматический ограничитель переменного тока. Энциклопедия радиоэлектроники и электротехники

Оставьте свой комментарий к этой статье:

Имя:


E-mail (не обязательно):


Комментарий:





Главная страница | Библиотека | Статьи | Карта сайта | Отзывы о сайте

www.diagram.com.ua

www.diagram.com.ua
2000-2025