Menu Home

Бесплатная техническая библиотека для любителей и профессионалов Бесплатная техническая библиотека


Двухстандартный блок чистого звука. Энциклопедия радиоэлектроники и электротехники

Бесплатная техническая библиотека

Энциклопедия радиоэлектроники и электротехники / Телевидение

Комментарии к статье Комментарии к статье

В связи с существенным расширением парка моделей используемых телевизоров, наличием различных видеомагнитофонов и увеличением числа телеканалов в диапазонах MB и ДМВ, представляет интерес возможность доработки многих старых и некоторых новых аппаратов до уровня двухстандартного звукового сопровождения с заметным улучшением его качества. Об этом и пойдет речь в предлагаемой статье.

При попытке устранить недостатки блока "чистого" звука (БЧЗ) и двухстан-дартного УПЧ (подстройка штатного контура телевизора и необходимость ручного переключения), которые подробно описаны в [1], был разработан довольно простой и устойчивый конвертер второй ПЧ звука. Его принципиальная схема изображена на рис. 1 (об обозначениях в скобках будет сказано дальше), а внешний вид представлен на рис. 2.

Двухстандартный блок чистого звука

Двухстандартный блок чистого звука

Основное назначение конвертера - преобразование второй ПЧ звука 6,5 МГц во вторую ПЧ 5,5 МГц. Однако он может преобразовывать и наоборот: 5,5 - в 6,5 МГц. При этом конвертер с равноценным качеством звукового сопровождения телепередач работает как на УПЧЗ с ПЧ 5,5 МГц, так и на УПЧЗ с ПЧ 6,5 МГц. Нужно только заменить пьезокерамический фильтр Z3 на соответствующую частоту или исключить его при наличии фильтра на входе самого УПЧЗ. Возможность работы конвертера в обоих вариантах обусловлена выбором частоты кварцевого резонатора, подключенного к выводам 11 и 13 микросхемы DA1.

Для обеспечения требуемых функций в конвертере применен двойной балансный смеситель на микросхеме К174ПС1 (DA1). Сигнал второй ПЧ звука через параллельно включенные пьезокерамические фильтры на ПАВ Z1, Z2 и конденсатор С4 поступает на вывод 7 микросхемы. Так как образцовое напряжение имеет частоту 12 МГц (выводы 11 и 13 микросхемы), на выходе конвертера (вывод 2) получится разностная частота 5,5 МГц при входной частоте сигнала 6,5 МГц. Если же вторая ПЧ звука равна 5,5 МГц на входе конвертера, то появится разностная частота выходного сигнала 6,5 МГц, и он будет задержан пьезокерамическим фильтром Z3. Однако выход конвертера свободен для самого входного сигнала частотой 5,5 МГц.

Следовательно, в конвертере обеспечивается автоматический прием сигналов как стандарта D/K звукового телевизионного сопровождения, так и B/G.

Пьезокерамические фильтры Z1 и Z2 полностью подавляют сигналы изображения на входе конвертера и препятствуют попаданию сигналов второй ПЧ звука в тракт изображения.

Конденсатор C3 в конвертере - корректирующий. Конденсаторы С2 и С5 задают режим работы гетеродина. К ним предъявляются повышенные требования по стабильности емкости на рабочей частоте.

Монтаж конвертера выполнен на односторонне фольгированной печатной плате, чертеж которой и расположение деталей на ней показаны на рис. 3. Конденсаторы могут быть применены любые керамические, габариты которых обеспечивают возможность их установки на плате. Резисторы - МЛТ.

Двухстандартный блок чистого звука

При правильном монтаже конвертер не требует настройки. На выводах микросхемы устанавливаются постоянные напряжения, указанные на схеме. Потребляемый конвертером ток не превышает 2,5 мА.

Функционирование конвертера предполагалось только совместно с БЧЗ, однако возможно и самостоятельное применение конвертера при условии подачи на его вход сигнала второй ПЧ звука хорошей стабильности и защите его от воздействия составляющих видеосигнала.

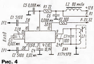
В результате конструктивного объединения конвертера с БЧЗ был получен двухстандартный блок "чистого" звука (ДБЧЗ), в котором отсутствуют недостатки, отмеченные в начале статьи. Принципиальная схема БЧЗ для такого использования изображена на рис. 4. К нему подключен конвертер, собранный по схеме на рис. 1, причем нумерация деталей в этом случае указана на схеме в скобках.

Двухстандартный блок чистого звука

Внешний вид ДБЧЗ представлен на фото рис. 5.

Двухстандартный блок чистого звука

Основное назначение блока - автоматическое обеспечение звукового сопровождения в видеоаппарате по двум стандартам D/K и B/G. Это оказалось возможным благодаря выполнению блоком функций выделения из ПЦТВ первой ПЧ звука 31,5 (32,5) МГц, ее преобразования во вторую ПЧ 6,5 (5,5) МГц и конвертирования второй ПЧ звука 6,5 МГц в 5,5 МГц. Кроме того, ДБЧЗ позволяет улучшить качество ("чистоту") звукового сопровождения телепередач вследствие выделения несущей звука 31,5 (32,5) МГц в режиме первой ПЧ полного уровня после селектора каналов. Это значительно повышает чувствительность и помехозащищенность радиоканала телеприемника. При установке блока не требуется никаких доработок или регулировок аппарата. Блок имеет минимальные габариты и питается от источника постоянного напряжения +12 В. Потребляемый им ток не превышает 35 мА.

С симметричного выхода IF1, IF2 селектора каналов сигналы первых ПЧ изображения и звукового сопровождения поступают на симметричный вход (выводы 1 и 16) микросхемы DA1 (см. рис. 4) и в ней обрабатываются. Следует отметить, что при несимметричном выходе селектора вход сигнала IF2 (вывод 16) микросхемы DA1 соединяют с общим проводом через конденсатор С1. При настроенном на нужную частоту контуре L1C7, подключенном к выводам 8 и 9 микросхемы DA1, выделенный сигнал второй ПЧ звука 6,5 или 5,5 МГц через пьезокерамический полосовой фильтр Z1 или Z2 (рис. 1) на ПАВ приходит на вход (вывод 7) микросхемы DA2 конвертера второй ПЧ звука и дальше обрабатывается в нем. Требования к деталям, креплению и монтажу ДБЧЗ аналогичны требованиям для БЧЗ [1]. Все элементы блока монтируют на печатной плате из односторонне фольгированного стеклотекстолита, чертеж которой и размещение деталей на ней показаны на рис. 6.

Двухстандартный блок чистого звука

Если в блоке не установлен пьезокерамический фильтр Z2 на 5,5 МГц, от УПЧЗ аппарата штатный провод не отключают, а выход ДБЧЗ подсоединяют к входу УПЧЗ без нарушения монтажа. В этом заключается универсальность применения блока и вариантность при его изготовлении.

Микросхема К174УР8 заменима аналогом TDA2545 [2] фирмы PHILIPS. Но можно использовать и микросхему КР1021УР1 со следующими особенностями включения. Выводы 4, 5, 7, 10 оставляют свободными, выводы 3, 6, 13 соединяют с общим проводом, а к выводу 14 микросхемы подключают RC-цепь по схеме, изображенной на рис. 7. Все остальные соединения такие же, как на схемах рис. 1 и 4. Микросхема КР1021УР1 также заменима аналогом TDA3541 [2] фирмы PHILIPS. Применение микросхемы К174УР8 обусловлено ее доступностью и малой стоимостью.

Двухстандартный блок чистого звука

Регулировка блока в аппарате состоит лишь в настройке контура L1C7 детектора микросхемы DA1. Его подстроечником добиваются наилучшего "чистого" звука и максимальной громкости. Настройку уточняют на всех работающих телеканалах до получения бесшумного звукового сопровождения.

С целью осознанного применения ДБЧЗ радиолюбителями в различных аппаратах (зарубежных и стран СНГ) рассмотрим некоторые варианты практического его подключения с учетом особенностей структуры радиоканалов [3]. На схемах рис. 8-10 представлены варианты включения ДБЧЗ в телевизорах моделей 1512, 4462, 4465 фирмы PHILIPS соответственно. Цифрами у блоков показаны соответствующие выводы устройств или элементов в них. Формирующие цепи узлов опущены. Места разрыва проводников указаны крестом.

Двухстандартный блок чистого звука

Если ДБЧЗ собран в полном соответствии со схемами на рис. 1 и 4, при его монтаже от нужного вывода микросхемы аппарата отключают штатный фильтр на ПАВ (рис. 8 и 9), а к выводу подсоединяют выход ДБЧЗ.

В случае изготовления ДБЧЗ без фильтра Z2 его выход подпаивают к показанным выводам микросхем без нарушения штатного монтажа аппарата. В этом случае получается в "чистом" виде так называемый квазипараллельный канал. По схеме на рис. 9 видно, что радиоканал модели 4462 содержит другие, чем на схеме на рис. 8, микросхемы. Причем УПЧЗ находится в процессоре первичной после селектора каналов обработки ПЦТВ. К тому же в радиоканале включено устройство коммутации (УК), которое подает на вход усилителя 3Ч сигнал или с видеомагнитофона, или с радиоканала. К рассматриваемому вопросу УК прямого отношения не имеет, ознакомиться с ним можно в [3].

Радиоканал телевизора 4465, как видно на рис. 10, включает в себя мультисистемное устройство (МСУ) звукового сопровождения, о котором расскажем более подробно. Знание сути его функционирования позволит уяснить смысл применения ДБЧЗ в этой модели.

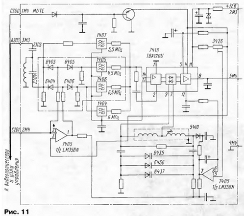
Упрощенная принципиальная схема МСУ изображена на рис. 11.

Двухстандартный блок чистого звука

Назначение устройства - обеспечение всестандартности звукового сопровождения. В тракт усиления и детектирования на микросхеме TBA120U (7410) сигнал ПЧ звука поступает по проводу А203 через конденсаторы 2303, 2304 и входной четырехчастотный фильтр. Составляющие его фильтры переключаются диодами 6403-6406 при воздействии сигнала выбора телевизионной системы, приходящего из узла управления телевизора на вывод 2 первого операционного усилителя микросхемы 7405.

Для того чтобы обеспечить всестандартность детектирования, в частотном детекторе микросхемы TBA120U применен контур с варикапами 6435- 6437, которые изменяют частоту его настройки. Перестройка происходит при работе второго операционного усилителя (выводы 5-7) микросхемы 7405 одновременно с переключением входных фильтров МСУ Режим перестройки устанавливают подстроечным резистором 3426. Через вывод 8 микросхемы 7410 звуковой сигнал проходит на УК (см. рис. 10) аппарата.

Зачем в таком всестандартном телевизоре нужен ДБЧЗ? Это необходимо, прежде всего, для улучшения технических характеристик радиоканала. Для такой цели (случай 1) из ДБЧЗ удаляют все фильтры на ПАВ и подключают его согласно схеме на рис. 10, отключив штатный провод от входа МСУ При этом конвертер тоже не используют.

Кроме того, при выходе из строя (случай 2) первого операционного усилителя микросхемы 7405 (при исправном втором ОУ) в МСУ невозможно переключение его входных фильтров на нужную частоту звукового сопровождения. В такой ситуации выход ДБЧЗ, выполненного в полном соответствии со схемами на рис. 1 и 4, подключают к выводу 14 микросхемы TBA120U при отключенном от него штатном проводе. Это обеспечивает высококачественное " двухстандартное звуковое сопровождение с поднесущими 31,5 и 32,5 МГц.

И, наконец (случай 3), если из строя вышли оба ОУ в микросхеме 7405 и нет возможности ее заменить, а микросхема ТВА120U остается работоспособной, ДБЧЗ подключают так же, как и в случае 2. Однако при этом от выводов 7 и 9 детектора микросхемы TBA120U отключают штатный контур и подключают к ним контур, аналогичный L1C7 в ДБЧЗ. Его настраивают подстроечником до получения максимально "чистого" звука на выходе радиоканала.

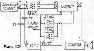
На рис. 12 показана структурная схема радиоканала телевизоров, в которых видеопроцессором служит микросхема TDA8362 (или ее модификации). Известно, что она имеет ряд недостатков в части звукового канала. Они связаны с применением в ней широкополосного усилителя разностной ПЧ звука, частотного демодулятора с системой ФАПЧ и неудачно близким конструктивным расположением входа УПЧЗ (вывод 5) и выхода ПЦТВ (вывод 7). Даже при незначительных помехах на входе УПЧЗ это приводит к срывам системы ФАПЧ и, как следствие, к появлению помех в громкоговорителях.

Двухстандартный блок чистого звука

Применение ДБЧЗ в таких телевизорах обеспечивает повышение помехоустойчивости УПЧЗ за счет получения на его входе (вывод 5) микросхемы максимально допустимого уровня сигнала. При этом входной сигнал блока не подвержен воздействию видеосоставляющих, так как он выделяется в режиме первой ПЧ полного уровня и детектируется в ДБЧЗ. Кроме того, улучшаются технические характеристики всего радиоканала.

Рассмотренные варианты позволят радиолюбителям свободно решать вопросы применения ДБЧЗ.

Литература

  1. Гайдель Э. Квазипараллельный канал - блок "чистого" звука. - Радио, 2000, № 5, с. 10, 11.
  2. Энциклопедия ремонта. Микросхемы для современных импортных телевизоров. Вып. 1. - М.: ДОДЭКА, 1998.
  3. Гайдель Э.3., Менса Н. Н. "Чистый" звук твоего телевизора. Справочное пособие. - Смоленск, СОГС, 2000.

Автор: Э.Гайдель

Смотрите другие статьи раздела Телевидение.

Читайте и пишите полезные комментарии к этой статье.

<< Назад

Последние новости науки и техники, новинки электроники:

Хорошо управляемые луга могут компенсировать выбросы от скота 15.02.2026

Животноводство, особенно разведение крупного рогатого скота, часто обвиняют в значительном вкладе в глобальное потепление из-за мощного парникового газа - метана, который выделяется при пищеварении у жвачных животных. Это вызывает острые политические споры и призывы к сокращению потребления мяса. Однако ученые напоминают, что полная картина климатического воздействия отрасли не ограничивается только выбросами от животных: огромную роль играет окружающая экосистема - пастбища, почва и растительность, которые способны активно поглощать углекислый газ из атмосферы. Исследователи из Университета Небраски-Линкольна решили глубже изучить этот баланс. Группа под руководством профессора Галена Эриксона сосредоточилась на том, как правильно организованные пастбища накапливают углерод в растениях и грунте благодаря естественным процессам, стимулируемым выпасом скота. Ученые подчеркивают, что при достаточном уровне осадков и грамотном управлении такие луга превращаются в мощные природные погло ...>>

NASA тестирует инновационную технологию крыла 15.02.2026

Коммерческая авиация ежегодно расходует колоссальные объемы керосина, что сказывается не только на бюджете авиакомпаний, но и на состоянии окружающей среды. В 2024 году глобальные затраты на авиационное топливо достигли 291 миллиарда долларов, и эта сумма продолжает расти. Чтобы справиться с этими вызовами, NASA активно работает над технологиями, способными заметно повысить аэродинамическую эффективность самолетов. Одним из самых перспективных направлений стало создание специальной конструкции крыла, которая максимизирует естественный ламинарный поток воздуха и минимизирует сопротивление. В январе 2026 года специалисты NASA Armstrong Flight Research Center успешно провели важный этап наземных испытаний концепции Crossflow Attenuated Natural Laminar Flow (CATNLF). Для эксперимента под фюзеляж исследовательского самолета F-15B закрепили вертикально ориентированную масштабную модель высотой около 0,9 м (3 фута), напоминающую узкий киль. Такая компоновка позволила подвергнуть прототип р ...>>

Забота о внуках очень полезна для здоровья мозга 14.02.2026

Общение между поколениями приносит радость всей семье, но мало кто задумывается, насколько активно бабушки и дедушки, заботящиеся о внуках, поддерживают свою умственную форму. Регулярное взаимодействие с детьми стимулирует мозг пожилых людей, помогая сохранять память, скорость мышления и общую когнитивную активность. Новые научные данные подтверждают, что такая добровольная помощь не только важна для общества, но и может замедлять возрастные изменения в мозге. Исследователи из Тилбургского университета в Нидерландах провели анализ, чтобы понять, приносит ли уход за внуками реальную пользу здоровью пожилых людей. Ведущий автор работы Флавия Черечес отметила, что многие бабушки и дедушки регулярно присматривают за детьми, и оставался открытым вопрос, насколько это положительно сказывается на их собственном благополучии, особенно в плане когнитивных функций. Ученые поставили цель выяснить, способен ли регулярный уход за внуками замедлить снижение памяти и других умственных способ ...>>

Случайная новость из Архива

Биотопливо из пищевого мусора 22.11.2017

По данным Организацией Объединенных Наций, люди отправляют на помойку около трети всех продуктов питания. Хотя в разных странах конкретные цифры отличаются (например, в Европе и Северной Америке объем выбрасываемых продуктов за год равен примерно 100 кг на одного человека, а в бедных регионах Африки и Азии - 10 кг), в результате все равно получается колоссальный объем в 1,3 млрд тонн в год. Конечно, возникает естественный вопрос, нельзя ли с этим пищевым мусором сделать что-то полезное, тем более, что его так много.

Один из вариантов - производить из него биотопливо. Идея сама по себе не новая, и здесь обычно используют ферментацию углеводов и переэтерификации жиров (при переэтерификации сложные молекулы жиров обмениваются своими структурными элементами, так что в результате у жиров снижается температура плавления, они лучше окисляются кислородом и т. д.). Однако с помощью ферментации углеводов и переэтерификации жиров в биотопливо можно перевести только часть мусорного сырья.

Исследователи из Сколковского института науки и технологий вместе с коллегами Обьединенного института высоких температур РАН предложили более эффективный подход к утилизации пищевых отходов. В своих экспериментах они применили метод гидротермального сжижения, который не только значительно более энергоэффективен, но и позволяет переводить в биотопливо все сырье с минимальным объемом отходов. Кроме того, метод гидротермального сжижения также позволяет получать биотопливо из влажной биомассы, исключая стадию сушки сырья с неизбежными затратами энергии на эту сушку.

Подвергнув гидротермальному сжижению сыр пармезан, ветчину и яблоки, исследователи обнаружили, что в результате получаются водорастворимая фракция и водонерастворимое масло (в случае яблок получалась только водорастворимая фракция). Молекулярный состав продуктов реакции очень разнообразен и больше напоминает не обычную нефть, а продукты пиролиза древесины (деготь).

В перспективе метод гидротермального сжижения можно оптимизировать так, чтобы с его помощью получать разные виды биотоплива - например, биотопливо, пригодное для автомобилей - но сначала нужно более подробно описать, какие именно молекулы получаются при таком способе переработки пищевых отходов.

Другие интересные новости:

▪ Модули памяти Transcend DDR4 для ПК и серверов

▪ Планшет Ingenic с Android 4.0 за $120

▪ Проведена квантовая телепортация

▪ Суперклей для сломанных костей

▪ Ветродвигатель без лопастей

Лента новостей науки и техники, новинок электроники

 

Интересные материалы Бесплатной технической библиотеки:

▪ раздел сайта Студенту на заметку. Подборка статей

▪ статья Слона-то я и не приметил. Крылатое выражение

▪ статья Каким было первое шоссе? Подробный ответ

▪ статья Электромеханик УП. Типовая инструкция по охране труда

▪ статья Прочные рисунки на деревянных фанерах. Простые рецепты и советы

▪ статья Передатчик для охоты на лис. Энциклопедия радиоэлектроники и электротехники

Оставьте свой комментарий к этой статье:

Имя:


E-mail (не обязательно):


Комментарий:





Главная страница | Библиотека | Статьи | Карта сайта | Отзывы о сайте

www.diagram.com.ua

www.diagram.com.ua
2000-2026