Menu Home

Бесплатная техническая библиотека для любителей и профессионалов Бесплатная техническая библиотека


Современные селекторы ТВ каналов с синтезом частоты. Энциклопедия радиоэлектроники и электротехники

Бесплатная техническая библиотека

Энциклопедия радиоэлектроники и электротехники / Телевидение

Комментарии к статье Комментарии к статье

Селекторы, принцип действия которых основан на синтезе частоты, называют селекторами PLL ("Phase Locked Loop", что в переводе с английского означает "замкнутая петля ФАПЧ"). Эти селекторы называют еще цифровыми, так как управляются они процессором телевизора по двухпроводной двунаправленной цифровой шине I2С.

Синтез частоты существенно повышает точность настройки на телестанцию, упрощает пользование телевизором, сохраняя возможность ручной подстройки для получения оптимального качества изображения [1 - 4].

Прежде чем перейти к описанию селекторов, поясним некоторые термины и условные обозначения, принятые для селекторов PLL.

Поток информации по цифровой шине I2С может передаваться в двух направлениях: от процессора и к процессору. Когда он направлен от процессора к селектору (например, команды установки), такой режим называют ЗАПИСЬ. Обратная передача потока информации (от селектора) соответствует режиму ЧТЕНИЕ, который устанавливается, когда селектор в некоторый момент сообщает процессору о своем состоянии или подтверждает ранее установленное (по запросу процессора). Этот режим имеют не все селекторы PLL.

Далее используются обозначения: AS (Adress Select) - шина адреса: SDA - последовательная шина данных; SCL (Select Clock) - шина синхронизации, тактовых импульсов; LW - напряжение питания синтезатора (+5 В); ADC - пятиуровневый АЦП, встроенный в синтезатор и позволяющий управлять каким-нибудь дополнительным устройством через селектор.

В табл. 1 - 3 указаны наиболее важные сведения о селекторах PLL производства АО "SELTEKA" (г. Каунас. Литва) [5] и их аналоги - доступные современные селекторы зарубежных фирм (отечественные модели, к сожалению, до сих пор не внедрены в серийное производство). Другие общие сведения о них и параметры были опубликованы в [1]. Напомним, что все они - всеволновые модели европейской унификации. Антенный вход - типа IEC (SNIR), выход ПЧ - симметричный. В табл. 2 и 3 Uн - напряжение настройки; вывод 1 - ближайший к антенному входу. У селекторов KS-H-132. KS-H-134 имеется только 11 выводов. В этих селекторах напряжение питания равно +5 В и специальный вывод для напряжения UPLL не предусмотрен, но имеется вывод для напряжения настройки (0,5...28 В) - выход UH который облегчает контроль работы селекторов и делает возможным ручную подстройку.

Современные селекторы ТВ каналов с синтезом частоты

Современные селекторы ТВ каналов с синтезом частоты Современные селекторы ТВ каналов с синтезом частоты

Наиболее простая модель - KS-Н-62. Скорость перестройки, начиная с частоты 132 МГц в поддиапазоне А, 356 МГц в поддиапазоне В и 678 МГц в поддиапазоне С, изменяется (программно) так. чтобы скомпенсировать нелинейность зависимости емкости варикапов от напряжения настройки.

В селекторе KS-H-64 скорость перестройки изменяется также программно. Сама программа "зашита" в процессоре.

KS-H-92 - более совершенный и сложный селектор. Скорость перестройки замедляется (slightly - слегка) вблизи телестанции для уменьшения остаточной расстройки. В таблицах даны параметры модернизированного (в конце 1998 г.) варианта селектора KS-H-92, в котором установлена микросхема TSA5522M фирмы PHILIPS вместо синтезатора фирмы MOTOROLA. Этот вариант стал аналогом селектора 3402РНС фирмы ТЕМIС.

Селектор KS-H-92L - вариант KS-H-92 с удлиненным антенным входом (32.2 мм). Аналогичными функциональными возможностями обладает селектор KS-H-132, но при низком напряжении питания.

Самым новым селектором на сегодняшний день можно назвать KS-H-134 (разработка 1998 г.). В нем изменены границы поддиапазонов принимаемых частот: А - с эфирного канала 1 по кабельный канал СК6 (47... 158 МГц). В - с СК7 no СК37 (158...438 МГц); С - с СК38 по 69-й канал (438...862 МГц). Введен режим тестирования, а изменение скорости перестройки происходит автоматически. При замыкании петли системы ФАПЧ (в полосе захвата канала) обеспечивается переключение скорости перестройки, а при отсутствии фиксации - обратное изменение скорости. Программное включение/выключение функции скорости перестройки позволяет перейти на ручную настройку.

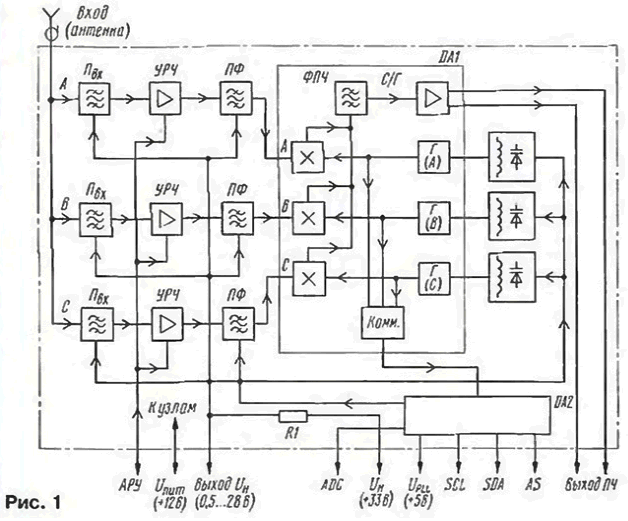
На рис. 1 представлена структурная схема селектора PLL (на примере KS-H-92). Он состоит из трех одинаковых каналов выделения, усиления и преобразования сигнала. Каждый канал рассчитан для работы только в одном поддиапазоне (А, В или С). Рассмотрим построение одного из каналов, например, для поддиапазона А.

Современные селекторы ТВ каналов с синтезом частоты

Радиосигнал с антенного входа выделяется входным контуром, выполняющим роль полосового фильтра (Пм). и проходит на усилитель радиочастоты (УРЧ). собранный на полевом транзисторе. Нагрузкой УРЧ служит полосовой фильтр (ПФ). Входной контур и полосовой фильтр перестраиваются варикапами. Усиленный сигнал поступает на микросхему DA1, содержащую три отдельных балансных смесителя-гетеродина (С/Г). Контуры гетеродинов также перестраиваются варикапами. Сигнал ПЧ выделяется полосовым фильтром (ФПЧ) и после согласующего каскада приходит на выходные выводы селектора (выход ПЧ).

Сигнал гетеродина через коммутатор (Комм) поступает на микросхему синтезатора частоты DA2. На рис. 2 показан фрагмент структурной схемы синтезатора, в который входит образцовый генератор (ОГ) частоты Fo, первый программируемый делитель (ПД1) с коэффициентом деления К и второй программируемый делитель (ПД2) с коэффициентом деления N, частотно-фазовый детектор (ФД) и активный фильтр нижних частот, в качестве которого применен интегратор (И). Последний не входит в состав микросхемы, однако он работает в петле системы ФАПЧ и peaлизует изменение скорости перестройки. Частота образцового сигнала стабилизирована кварцевым резонатором на 4 МГц.

Современные селекторы ТВ каналов с синтезом частоты

Делитель ПД1 выполнен так, что его коэффициент деления К задается процессором в строгом соответствии с установленным шагом перестройки по табл. 4.

Современные селекторы ТВ каналов с синтезом частоты

Как работает синтезатор в кольце импульсной системы ФАПЧ при переходе частоты гетеродина с Fг1 на частоту Fг2, причем Fг2>Fг1? Для того, чтобы на входах частотно-фазового детектора были сигналы одной частоты сравнения (Fcp). выходная частота гетеродина должна удовлетворять соотношению Fо/K=Fг/N. Изменение коэффициента деления N на единицу приводит к соответствующему изменению частоты F, на минимальный шаг частотной сетки гетеродина.

В первый момент после увеличения N частота сигнала на выходе программируемого делителя ПД2 станет меньше Fcp и частотно-фазовый детектор начнет вырабатывать корректирующие импульсы, которые преобразуются интегратором в повышенное напряжение управления (Uyпp). Это напряжение поступает на варикапы гетеродина (а также входного контура и полосового фильтра в каждом канале селектора). Частота гетеродина будет повышаться до тех пор, пока значения частоты на обоих входах частотно-фазового детектора не сравняются. В результате достигнутая разность фаз (остаточная расстройка) будет поддерживаться постоянной. Следовательно, изменением коэффициента деления N обеспечивается перестройка селектора по частоте. Причем каждому значению шага перестройки соответствует определенное значение частоты сравнения (табл. 4).

Нетрудно заметить, что скорость перестройки зависит от параметров интегратора. Так, увеличение входного тока интегратора в пять раз вызывает значительное увеличение скорости перестройки. Этот способ управления получил название НАКАЧКА (Charge Pump). Однако следует иметь в виду, что скорость перестройки ограничена условием устойчивости, как и в любой системе автоматического регулирования.

В табл. 4 даны также значения коэффициента D, необходимого для определения коэффициента деления N. Для вычисления его значений используют соотношение N=D(Fгн + Fпч, где Fгн - частота гетеродина для сигнала изображения, Fпч - ПЧ изображения. В двоичном исчислении для задания коэффициентов программирования число N имеет вид:

N=16384·N14+8192·N13+4096·N12+ 2048 ·N11+1024· N10+512· N9+256 · N8+ 128 · N7+64 · N6+32 · N5-4 6 · N4+8 · N3+ 4 · N2+2.N 1+N0, где N14 - N0 - биты информации, принимающие значение 0 или 1.

И наконец, следует рассказать о протоколе обмена сигналами между селектором PLL и микропроцессорной системой управления в различных режимах.

В режиме ЗАПИСЬ протокол обмена состоит из пяти байтов по восемь бит в каждом: один байт адреса, два байта программного делителя ПД2 и два байта управления. В конце каждого байта селектор должен посылать особый сигнал АСК (Acknowledge), подтверждающий правильность принятой информации. В общем виде протокол обмена в этом режиме представлен в табл. 5. Следует иметь в виду, что один и тот же бит в байтах управления для разных моделей селекторов имеет различные обозначения. Например, бит Р14 обозначают 5I для селектора KS-H-62, Т14 - для KS-H-64 и CP - для остальных. Поэтому в таблицах такие биты обозначены буквой Р (PORT) с порядковым цифровым номером, а в скобках могут быть указаны обозначения для конкретного селектора. Значения битов. отмеченные в таблицах знаком X, не используют для управления.

Современные селекторы ТВ каналов с синтезом частоты

Бит адреса R/W (Read/Write) переключает селектор в режим ЧТЕНИЕ или ЗАПИСЬ. При R/W=0 устанавливается режим ЗАПИСЬ. Для селекторов без режима ЧТЕНИЕ это - единственное состояние.

МА1 и МА0 - биты выбора необходимого адреса, если телевизор содержит несколько селекторов (например, второй селектор для устройства "Кадр в кадре"). Смена адреса достигается изменением напряжения на выводе AS в соответствии с табл. 6. При использовании в телевизоре одного селектора МА1=0 и МА0=1 или вывод AS оставляют свободным.

Современные селекторы ТВ каналов с синтезом частоты

Битами N14-N0 (см. табл. 5) задают коэффициент деления программируемого делителя ПД2, о чем уже было сказано выше.

Бит Р14, который уже упоминался, - бит накачки. Для селектора KS-H-62 при Р14(51), равном 1, увеличивается скорость перестройки с определенных частот в каждом поддиапазоне. Для остальных селекторов при том же значении бита Р14 (Т14, CP) обеспечивается ускоренная настройка.

В селекторе KS-H-134 биты Р13 - Р11 (Т2 - Т0) управляют включением и выключением режимов внутреннего тестирования и автоматической накачки в соответствии с табл. 7.

Современные селекторы ТВ каналов с синтезом частоты

В селекторе KS-H-64 биты Р11(Т11) и Р10(Т10) управляют программируемым делителем ПД1 так, как указано в табл. 8.

Современные селекторы ТВ каналов с синтезом частоты

В остальных селекторах для управления этим делителем использованы биты Р10 (RSA) и Р9 (RSB) по табл. 9, причем биты Р13 и Р12 должны иметь значение 0, а бит P11 - значение 1. Поскольку селектор KS-H-62 выполняют с единственным шагом перестройки (62,5 кГц), то для него биты P11, Р10 и Р9 равны 1.Бит Р8 равен 0 для всех селекторов без исключения.

Современные селекторы ТВ каналов с синтезом частоты

Переключение поддиапазонов сосредоточено в последнем байте управления. Причем число используемых битов может быть от трех до пяти (остальные биты не применяют). Для селектора KS-H-62 это - Р7 - РЗ в табл. 10, для KS-H-64 - РЗ (ВЗ) - Р0 (В0) в табл. 11.

Современные селекторы ТВ каналов с синтезом частоты Современные селекторы ТВ каналов с синтезом частоты

Для KS-H-134 (табл. 12) KS-H-92 и KS-H-132 (табл. 13) используют три младших разряда Р2 (BS2) - Р0 (BS0).

Современные селекторы ТВ каналов с синтезом частоты Современные селекторы ТВ каналов с синтезом частоты

В режиме ЧТЕНИЕ протокол обмена состоит из байга адреса и байта статуса. Бит R/w в байте адреса должен быть равен 1. Других изменений в этом байте нет (см. табл. 5, 14).

Современные селекторы ТВ каналов с синтезом частоты

Байт статуса для селекторов KS-H-92. KS-H-132. KS-H-134 представлен в табл. 14. Бит POR (Power On Reset) сигнализирует о включении питания селектора. Бит POR равен 1, когда питание подано. Бит FL (In lock Flag) - сигнал о действии системы ФАПЧ. Когда бит FL равен 1. кольцо системы ФАПЧ замкнуто. Бит ACPS (Automatic Charge Pump Switch flag) информирует о работе устройства автоматического переключения НАКАЧКИ в селекторе KS-H-134. Бит ACPS активен в состоянии 0. Биты А0-А2 - выходные сигналы пятишагового АЦП (ADC). Для селекторов с режимом ЧТЕНИЕ (см. табл. 14) параметры ADC и комбинации уровней А0-А2 одинаковы и указаны в табл. 15. АЦП позволяет, например, управлять селектором по трехпроводной шине (американский стандарт).

Современные селекторы ТВ каналов с синтезом частоты

Еще несколько слов о процессорах управления. Их довольно много. Отличаются они один от другого заполнением внутреннего ПЗУ ("прошивкой"). Для селекторов KS-H-92. KS-H-132 лучше всех подходит процессор РСА84С640-30 фирмы PHIUPS.

Литература

  1. Бурковский А. Современные селекторы телевизионных каналов. - Радио. 1999, № 6.7.
  2. Хохлов Б. Особенности радиоканала современного телевизора. - Радио, 1998. № 2.3.
  3. Малышев В., Никитин В. Микросхемы для цифрового синтезатора частоты. - Радио. 1997. № 11: 1998. № 2.
  4. Петропавловский Ю. Телевизоры с цифровой обработкой и управлением. Способы регулировки, ремонт. - Радио. 1998. № 12.
  5. Каталоги "SELTEKA TUNERS" за 1998 и 1999 гг.. рекламно-информационные материалы АО "SELTEKA".

Автор: А.Бурковский, г.Санкт-Петербург

Смотрите другие статьи раздела Телевидение.

Читайте и пишите полезные комментарии к этой статье.

<< Назад

Последние новости науки и техники, новинки электроники:

Кислотность океана разрушает зубы акул 03.10.2025

Мировые океаны выполняют важнейшую функцию - они поглощают около трети углекислого газа, выбрасываемого в атмосферу. Это помогает замедлять темпы глобального потепления, но имеет и обратную сторону. Растворяясь в воде, CO2 образует угольную кислоту, которая повышает концентрацию водородных ионов и приводит к снижению pH. Вода становится более кислой, а последствия этого процесса уже заметны для морских экосистем. Средний показатель кислотности океана сейчас равен примерно 8,1, тогда как еще недавно за условную норму брали значение 8,2. По прогнозам, к 2300 году уровень может упасть до 7,3 - это сделает океан почти в десять раз кислее нынешнего состояния. Для обитателей морей подобные изменения означают не просто сдвиг химического равновесия, а реальную угрозу физиологическим процессам, начиная от формирования раковин у моллюсков и заканчивая охотничьим поведением акул. Чтобы выяснить, как именно кислотная среда отражается на зубах акул, группа немецких исследователей провела эксп ...>>

Почтовый космический корабль Arc 03.10.2025

Космические технологии становятся частью инфраструктуры, способной повлиять на логистику, медицину и даже военную сферу. Идея использовать орбиту как глобальный склад для срочных поставок звучала еще недавно как научная фантастика, но стартап Inversion пытается превратить ее в практическое решение. Компания Inversion появилась в начале 2021 года благодаря Джастину Фиаскетти и Остину Бриггсу, которые на тот момент были студентами Бостонского университета. Их замысел состоял в том, чтобы сделать возможной доставку грузов не только через спутниковые сети данных, но и в буквальном смысле - физических предметов. В основе лежит простая мысль: если космос обеспечивает доступ к любой точке Земли, то и грузы должны перемещаться тем же маршрутом. Уже за три года работы команда из 25 специалистов успела построить демонстрационный аппарат "Ray". Его запуск состоялся в рамках миссии SpaceX Transporter-12. Устройство весом 90 килограммов проверяло ключевые технологии Inversion, включая двухком ...>>

Лазерное обогащение урана 02.10.2025

Ядерная энергия остается одним из ключевых источников стабильного электричества, особенно для стран с растущими потребностями в энергоснабжении. Однако обеспечение бесперебойных поставок топлива для атомных станций требует современных технологий обогащения урана, которые одновременно эффективны и безопасны. Американская компания Global Laser Enrichment (GLE) делает значительный шаг в этом направлении, завершив масштабное тестирование лазерной технологии обогащения урана. Демонстрационная программа была проведена на объекте в Уилмингтоне, Северная Каролина. Тестирование технологии SILEX (Separation of Isotopes by Laser EXcitation), разработанной австралийской Silex Systems, стартовало в мае 2025 года и продлится до конца года. В ходе экспериментов компания планирует получить сотни фунтов низкообогащенного урана (LEU), который может быть использован в качестве топлива для атомных электростанций. GLE была создана в 2007 году для коммерциализации лазерных методов обогащения урана в С ...>>

Случайная новость из Архива

Сибирская тундра под угрозой уничтожения 12.06.2022

Даже если удастся радикально ограничить глобальное потепление путем сокращения выбросов, выжить сможет только часть биома Севера России, включающая остров Таймыр и большую часть Палеарктики. Если к 2100 году сократятся нынешние выбросы парниковых газов вдвое, в 2500 останется только 5,7% сибирской тундры.

К такому выводу пришли два немецких ученых Штефан Крузе и Ульрике Герцшу из Института полярных и морских исследований им. Альфред Вегенер после разработки климатической модели (названной LAVESI), специально предназначенной для прогнозирования меняющейся взаимосвязи между сибирской тундрой и тайгой.

Тундра характеризуется вечной мерзлотой, скудным разнообразием животных и низкой растительностью, включая кустарники, мхи и лишайники. Очень холодная средняя температура не позволяет расти многим деревьям, за исключением ив и берез высотой не более пары метров. Тайга же является бореальным лесом, расположенным к югу от тундры и состоящее в основном из крупных хвойных деревьев, таких как лиственницы.

Повышение температуры, вызванное глобальным потеплением, позволяет таежным деревьям продвигаться на север, "съедая" ценную тундровую почву - основную среду обитания северных оленей. В тундре также обитают песцы, медведи, волки и лемминги, а также гнездится множество видов птиц.

Если они исчезнут, как предполагают немецкие исследователи, последствия будут катастрофическими не только для биоразнообразия, но и для коренного населения, живущего путем природных ресурсов этих земель, например ненцев.

Чем больше площадь лесов, тем больше тепла будет поглощаться деревьями, что приведет к потеплению в Арктике. Это спровоцирует большее количество катаклизмов по всему миру, приведет к гибели или миграции видов, а также усложнит доставку грузов морскими путями.

Но еще хуже то, что по мере таяния вечной мерзлоты тундра может выбросить в атмосферу большое количество накопленных парниковых газов - до 1400 гигатонн в глобальном масштабе, что усилит потепление во всем мире.

Ученые разработали климатическую модель, способную рассчитать судьбу всей сибирской тундры, простирающейся примерно на 4 000 км. Они прогнозируют, что если ничего не применить для ограничения выбросов парниковых газов, сибирская тундра исчезнет к 2500 году, полностью заменившись бореальным лесом. Но даже если нам удастся сократить выбросы углерода, тундра следующих нескольких столетий не будет такой, как сегодня.

Например, ликвидация выбросов к 2100 году сохранит лишь 32,7% биома, который будет разделен на два очень отдаленных региона - Чукотку и остров Таймыр. Это повлияет на дикую природу. С другой стороны, если к концу столетия нам удастся вдвое сократить выбросы, то в 2500 году на месте сибирской тундры останется чуть менее 6%.

Одна из главных проблем тундры состоит в том, что продвижение тайги практически невозможно остановить даже при дальнейшем похолодании климата. Исследователи считают, что людям необходимо уделить особое внимание экологии прямо сейчас, уменьшив выбросы парниковых газов и отказавшись от ископаемых видов топлива.

Другие интересные новости:

▪ Первая льняная ткань

▪ Стресс одного партнера приводит к лишнему весу у другого

▪ Белковый картофель

▪ Народный сейсмограф

▪ Сытая женщина становится романтичней

Лента новостей науки и техники, новинок электроники

 

Интересные материалы Бесплатной технической библиотеки:

▪ раздел сайта Регуляторы тока, напряжения, мощности. Подборка статей

▪ статья Политология. Шпаргалка

▪ статья Всегда ли бывает жарко в пустыне? Подробный ответ

▪ статья Хмель обыкновенный. Легенды, выращивание, способы применения

▪ статья Согласование антенны с фидером. Энциклопедия радиоэлектроники и электротехники

▪ статья Трансивер YES-97 (ГПД и ПИП). Энциклопедия радиоэлектроники и электротехники

Оставьте свой комментарий к этой статье:

Имя:


E-mail (не обязательно):


Комментарий:





Главная страница | Библиотека | Статьи | Карта сайта | Отзывы о сайте

www.diagram.com.ua

www.diagram.com.ua
2000-2025