Menu Home

Бесплатная техническая библиотека для любителей и профессионалов Бесплатная техническая библиотека


Два СВЧ входа у ресиверов НТВ-2000 и НТВ-1000. Энциклопедия радиоэлектроники и электротехники

Бесплатная техническая библиотека

Энциклопедия радиоэлектроники и электротехники / Телевидение

Комментарии к статье Комментарии к статье

Два СВЧ входа у ресиверов НТВ-2000 и НТВ-1000Если у вас есть аппаратура для приема программ "НТВ+", то ее возможности можно расширить и принимать программы, ретранслируемые другими спутниками, например, из группы "НОТ BIRD" (13° в. д.). Решению этой задачи и посвящается настоящая статья.

Для приема спутниковых телевизионных программ в нашей стране используют антенну диаметром 0,9 м и более. Однако немногие знают, что на большей части европейской территории России на нее можно принимать не только "НТВ+", но и программы со спутников "HOT BIRD". Для этого нужно лишь дополнительно установить конвертер диапазона 10,7...11,7 ГГц (или более широкополосный 10,7...12,7 ГГц). Для удобства пользования в этом случае необходим двухвходовый ресивер. К сожалению, в большинстве случаев в комплекты приема программ "НТВ+" входят ресиверы "НТВ-2000" или "НТВ-1000", которые имеют только один СВЧ вход. Делать же какие-либо механические переключатели для коммутации двух конвертеров вряд ли удобно. Желательно, чтобы это осуществлялось автоматически при переключении каналов ресивера. Описание именно такого коммутатора приведено ниже.

Схема коммутатора, который устанавливается на входе ресивера в виде приставки, позволяет автоматически переключать два конвертера, приведена на рис. 1. Устройство содержит сумматор, собранный на гибридном ответвителе (Т1 R1). К его входам через конденсаторы С1 и С2 подключены выходы первого и второго конвертеров соответственно. Сумматор обеспечивает развязку между выходами конвертеров и уменьшает тем самым влияние соединительных кабелей конвертеров друг на друга. Выход устройства подключают к входу ресивера, и от последнего поступает питающее напряжение на конвертеры. Однако питание подается только на один из них, поэтому и работать будет лишь один. А вот какой - это зависит от того, в каком положении находятся контакты К1.1 электромагнитного реле К1.

Два СВЧ входа у ресиверов НТВ-2000 и НТВ-1000

Когда реле обесточено (показано на схеме), напряжение с ресивера через трансформатор Т1, катушки индуктивности L2, L3 и контакты реле поступает на конвертер, подключенный к "Входу 2". Если на шину "Управление" подать постоянное напряжение более 1,5 В, транзистор VT1 откроется и реле, на которое поступает напряжение с ресивера, сработает. Своими контактами оно отключит питание с конвертера, подключенного к "Входу 2", и подаст его на конвертер, подключенный к "Входу 1".

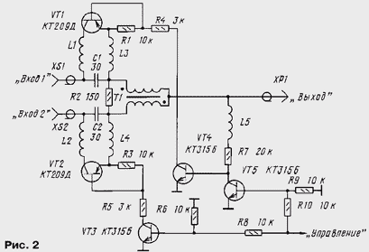
В устройстве, собранном по этой схеме, реле питается напряжением, поступающим на конвертеры. Поэтому реле должно быть экономичным, так как оно дополнительно нагружает источник питания конвертера. Если такое реле приобрести не удается или ток, потребляемый собственно устройством, нужно снизить до минимума, в качестве ключей следует использовать транзисторы, а собрать реле можно по схеме, приведенной на рис. 2. Здесь подача питания на конвертеры осуществляется также через трансформатор Т1, один из транзисторов VT1 или VT2 и соответствующие катушки индуктивности L1 - L4. На этих транзисторах падает часть (0,3...0,4 В) питающего напряжения. Когда на управляющей шине окажется напряжение более 1,5 В, транзисторы VT3, VT5 откроются, при этом откроется и транзистор VT2, а питающее напряжение поступит на конвертер, подключенный к "Входу 2". Когда на управляющей шине будет напряжение менее 1 В, то эти транзисторы закроются, а откроются VT4, VT1, и питающее напряжение поступит на конвертер, подключенный к "Входу 1". Собственно устройство станет потреблять ток, не превышающий 6...7 мА.

Два СВЧ входа у ресиверов НТВ-2000 и НТВ-1000

Сумматор на гибридном ответвителе обеспечивает не очень большую развязку между кабелями снижения конвертеров по СВЧ. Лучшую развязку можно получить, применив специальные СВЧ переключательные диоды, например КА517А. Схема коммутатора для этого случая показана на рис. 3. Она во многом схожа со схемой на рис. 1, и переключение напряжения осуществляется реле. Но в сигнальную шину включены переключательные диоды VD1, VD2, которые открываются только тогда, когда на них подается напряжение с реле. При этом и сигнал СВЧ и питающее напряжение на конвертер подаются через диод. Часть питающего напряжения (около 0,7 В) падает на диоде, но это, как правило, не сказывается на нормальной работе конвертера. Благодаря тому, что в закрытом состоянии диод КА517А обладает большим сопротивлением и малой емкостью (доли пФ), обеспечивается малое влияние кабеля снижения невключенного конвертера. Во включенном состоянии этот диод обладает малым сопротивлением потерь (1...2 Ом), поэтому потери мощности сигнала невелики.

Два СВЧ входа у ресиверов НТВ-2000 и НТВ-1000

Конструктивно большинство элементов любого из вариантов устройства размещается на печатной плате из двухстороннего фольгированного стеклотекстолита толщиной 1...1,5 мм. Одну из ее сторон оставляют металлизированной, при этом ширина проводников, по которым передается СВЧ сигнал, должна быть равна толщине платы - это обеспечит лучшее согласование устройства с конвертером.

Для устройства, выполненного по схеме на рис. 1, эскиз печатной платы приведен на рис. 4. К ее металлизированной стороне через отверстия припаяны выводы эмиттера транзистора и резистора R2. Кроме того, участок, к которому припаивают выходной кабель, соединен фольгой по краю платы с ее второй стороной.

Два СВЧ входа у ресиверов НТВ-2000 и НТВ-1000

Плату устанавливают в металлический корпус. На его стенке размещают входные гнезда XS1, XS2. Отдельный корпус можно не делать. В этом случае боковые стенки, которые следует изготовить из луженой медной или латунной полоски шириной около 20 мм (подойдет и фольгированный стеклотекстолит), припаивают к плате с четырех сторон и затем пропаивают их стыки между собой. Предварительно в одной из стенок делают посадочные отверстия для высокочастотных соединителей, а в другой - отверстия для кабеля и провода для подачи управляющего напряжения. После отладки и проверки устройства его можно закрыть съемной крышкой или запаять. Для устройства, собранного по схеме на рис. 2, эскиз печатной платы приведен на рис. 5.

Два СВЧ входа у ресиверов НТВ-2000 и НТВ-1000

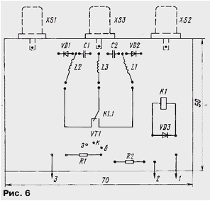
При желании изготовленный коммутатор можно встроить в корпус ресивера, благо там места достаточно. Эскиз печатной платы этого варианта и для схемы на рис. 3 показан на рис. 6. Здесь гнезда СВЧ соединителя типа "F" припаиваются непосредственно к плате: центральным проводником к сигнальному проводнику, а корпусом - к ее обратной стороне. Предварительно корпусы гнезд надо аккуратно залудить, не допуская перегрева во избежание их повреждения.

Два СВЧ входа у ресиверов НТВ-2000 и НТВ-1000

В устройстве по схеме рис. 1 и рис. 3 применимы детали: транзисторы КТ315А - КТ315Е, КТ3102А - КТ3102Д и аналогичные; диод - любой малогабаритный выпрямительный. Реле желательно использовать малогабаритное РЭС49, РЭС60, РЭК37 с сопротивлением обмотки не менее 0,8 кОм и напряжением срабатывания 12 В. Их надо предварительно проверить на уверенное срабатывание при выбранном питающем напряжении. Подойдет реле и с меньшим сопротивлением обмотки и меньшим напряжением срабатывания, но тогда последовательно с ним надо включить гасящий резистор. Правда, в этом случае реле будет дополнительно нагружать источник питания конвертера, что нежелательно.

Резистор R1 рекомендуется использовать высокочастотный - Р1-12 или С2-10, удалив у него выводы и припаяв непосредственно к печатным проводникам. Остальные резисторы - МЛТ, С2-33 или любые другие. Конденсаторы лучше применить бескорпусные - К10-17В, в крайнем случае подойдут КМ-5, КД, но придется укоротить их выводы до 1...2 мм.

Трансформатор Т1 выполнен следующим образом. Два провода ПЭВ-2 0,3 продевают через две ферритовые трубки длиной около 9 мм (от дросселей типа ДМ). Затем трубки складывают вместе, концы проводов облуживают и соединяют в соответствии со схемой. Выводы должны быть минимально возможной длины. Подробнее выполнение конструкции такого трансформатора описано в "Радио", 1996, № 11, с. 12. Катушки индуктивности намотаны проводом ПЭВ-2 0,2 на оправке диаметром 2,5 мм и содержат по 10-15 витков.

В устройстве по схеме рис. 2 можно применить аналогичные детали, только в качестве VT1, VT2 допускается применение транзисторов КТ209И, КТ209Е, КТ209К, КТ209М, КТ208Б, КТ208Д, КТ208И, КТ208М.

Немного о сигнале управления. Чтобы устройство переключало конвертеры автоматически при переключении каналов ресивера, можно использовать сигналы, которые применяются для управления отдельными узлами ресивера. Наиболее подходящими для этого являются сигналы переключения режимов работы декодирующих устройств (декодеров). С пульта ресивера "НТВ-2000" устанавливают (программируют) четыре таких режима: "nо" - без декодера и три режима работы декодера - "d1", "d2", "d3". В качестве управляющего сигнала выбран сигнал, устанавливающий режим работы без декодера "nо". Этот сигнал можно снять с перемычки J28, расположенной рядом с процессором (см. рис. 7). В режиме "nо" на этой перемычке низкий логический уровень (менее 0,4 В), а в остальных - логическая 1 (примерно 4,7 В).

Два СВЧ входа у ресиверов НТВ-2000 и НТВ-1000

Для подачи этого сигнала к устройству на задней стенке ресивера устанавливают любое малогабаритное гнездо, соединив его с перемычкой J28. При этом в режиме "nо", т. е. когда декодер отключен, питающее напряжение подается на конвертер, подключенный к "Входу 2". Поэтому конвертер, предназначенный для приема сигналов со спутника "НОТ BIRD", подключают к этому входу. В режиме работы с декодером на перемычке J28 будет напряжение, которое откроет транзистор VT1, включит реле К1 и подаст напряжение на конвертер, подключенный к "Входу 1". Именно к этому входу и следует подключать конвертер "НТВ+". Для схемы на рис. 2 конвертеры надо подключить наоборот. Так как режимы работы декодеров можно программировать с пульта управления для каждого канала отдельно, то это равносильно программированию подключения того или иного конвертера, т. е. их переключение будет производиться автоматически, в соответствии с номером канала.

Для установки коммутатора, собранного на плате, показанной на рис. 6, надо снять заднюю стенку ресивера, для чего выкручивают два винта и гайку крепления входного СВЧ гнезда. В панели сверлят отверстия для гнезд и закрепляют их на ней гайками. Затем панель с платой устанавливают на место - таким образом плата будет держаться на гнездах. Проводниками ее соединяют с платой ресивера, а питание на реле берут с шины питания +12 В (ближний к задней стенки вывод микросхемы стабилизатора напряжения U302). Гнездо "Выход" соединяют перемычкой с входом ресивера (рис. 8). Так он превращается в двухвходовый.

Два СВЧ входа у ресиверов НТВ-2000 и НТВ-1000

Если ресивер планируется использовать без декодера, то при переключении режимов работы декодера изображение и звук на ВЧ выходе и скарте "TV" в некоторых случаях могут пропадать. Чтобы этого не происходило, на скарте "DECODER" соединяют перемычками выводы 1 и 2, 5 и 6, 19 и 20.

Кроме того, для управления коммутатором, т.е. переключения конвертеров используют сигнал "DEV" (двухступенчатое изменение яркости изображения), но тогда одновременно с переключением конвертеров будет автоматически переключаться и яркость. Если это устраивает, сигнал на коммутатор снимают с перемычки J36, которая располагается рядом с тюнером (СВЧ блок) ресивера.

Автор: И.Нечаев, г.Курск

Смотрите другие статьи раздела Телевидение.

Читайте и пишите полезные комментарии к этой статье.

<< Назад

Последние новости науки и техники, новинки электроники:

Открыт обращаемый драйвер старения 04.10.2025

Недавняя работа ученых из Сямэньского университета в Китае показала, что в гипоталамусе, главном регуляторе внутренних функций организма, кроется один из ключей к продлению молодости. Команда под руководством Лиге Ленга обнаружила, что снижение уровня белка менина в гипоталамусе связано с ускорением процессов старения. Менин, как выяснилось, играет важную роль в предотвращении воспаления и поддержании нормальной работы нейронов. Когда его уровень снижается, в мозге возрастает активность воспалительных сигналов, что запускает цепную реакцию возрастных изменений во всем организме - от ослабления когнитивных функций до потери плотности костей и истончения кожи. Чтобы понять, как именно менин влияет на старение, ученые вывели генномодифицированных мышей, у которых этот белок можно было выборочно отключить. Даже у молодых животных такое вмешательство быстро привело к ухудшению памяти, снижению прочности костей и эластичности кожи, а также к укорочению жизни. Эти результаты убедительно ...>>

Твердотельные батареи Panasonic 04.10.2025

Твердотельные аккумуляторы считаются следующим шагом в эволюции энергосистем: в отличие от традиционных литиево-ионных, они не содержат жидкого электролита, что существенно снижает риск возгорания и утечки. Именно на это делает ставку Panasonic, намереваясь завершить подготовку первых образцов к марту 2027 года, то есть к концу 2027 финансового года. Как сообщил технический директор подразделения Panasonic Energy Сеичиро Ватанабе, после выпуска опытных моделей клиенты проведут тесты, которые могут занять около двух лет, прежде чем начнется полноценное серийное производство. Хотя основным направлением для компании по-прежнему остаются литиево-ионные аккумуляторы, Panasonic стремится использовать свой опыт в сфере электромобильных технологий, чтобы выйти на новые рынки - прежде всего в области роботов и промышленных систем. На этом направлении японская корпорация намерена соперничать с такими компаниями, как TDK, уже закрепившимися в сегменте твердотельных решений. Интерес к новой ...>>

Кислотность океана разрушает зубы акул 03.10.2025

Мировые океаны выполняют важнейшую функцию - они поглощают около трети углекислого газа, выбрасываемого в атмосферу. Это помогает замедлять темпы глобального потепления, но имеет и обратную сторону. Растворяясь в воде, CO2 образует угольную кислоту, которая повышает концентрацию водородных ионов и приводит к снижению pH. Вода становится более кислой, а последствия этого процесса уже заметны для морских экосистем. Средний показатель кислотности океана сейчас равен примерно 8,1, тогда как еще недавно за условную норму брали значение 8,2. По прогнозам, к 2300 году уровень может упасть до 7,3 - это сделает океан почти в десять раз кислее нынешнего состояния. Для обитателей морей подобные изменения означают не просто сдвиг химического равновесия, а реальную угрозу физиологическим процессам, начиная от формирования раковин у моллюсков и заканчивая охотничьим поведением акул. Чтобы выяснить, как именно кислотная среда отражается на зубах акул, группа немецких исследователей провела эксп ...>>

Случайная новость из Архива

SSD-накопители Toshiba на базе 15-нм флэш-памяти 08.04.2016

Департамент хранения данных европейского подразделения компании Toshiba представила внутренние SSD-накопители с габаритами 100 x 69,85 x 7 мм на основе новой высокопроизводительной 15-нм флэш-памяти. Переход от 19-нм к 15-нм технологическому процессу позволил не только увеличить производительность и снизить энергопотребление, но также расширить максимальную емкость накопителей линейки Toshiba Q300 Pro до 1024 ГБ, сообщили CNews в Toshiba.

Благодаря 15-нм TLC-памяти (3 бита на ячейку) накопители Toshiba Q300 оптимально подходят тем, кто решил заменить обычный жесткий диск на быстрый, энергоэффективный и ударопрочный SSD, считают в компании. Флагманские модели Q300 Pro с технологией 15-нм MLC-памяти (2 бита на ячейку) разработаны специально под высокопроизводительные рабочие станции для дизайнеров, геймеров и профессиональных пользователей.

В новых накопителях используется интерфейс SATA III с обратной совместимостью и максимальной скоростью передачи данных до 6 Гбит/с. Адаптивная технология SLC-кэширования Toshiba оптимизирует процесс обработки данных и позволяет добиться скорости последовательной записи до 530 МБ/с и чтения до 550 МБ/с. Для моделей Q300 Pro максимальные скорости произвольного чтения и записи достигают 92 тыс. и 63 тыс. IOPS соответственно, для Q300 - 87 тыс. и 83 тыс. IOPS.

Накопители Q300 Pro доступны в версиях емкостью 1024, 512 и 256 ГБ, Q300 - 960, 480, 240 и 120 ГБ. Все устройства поддерживают аппаратную установку очередности команд (NCQ), а также технологии S.M.A.R.T., zeroing TRIM и Patrol Read (последняя - только в Q300 Pro). Кроме того, модели серии Q300 Pro поддерживают технологию коррекции ошибок Toshiba QSBC, которая помогает защитить данные и повышает надежность накопителей, утверждают в Toshiba.

По данным компании, показатель наработки на отказ для всех дисков Q300 Pro и Q300 составляет 1,5 млн часов.

Новые накопители на основе 15-нм памяти появятся в продаже в апреле 2016 г. На устройства серии Q300 Pro распространяется стандартная гарантия сроком 5 лет, на Q300 - 3 года.

Другие интересные новости:

▪ Дождевые батареи

▪ Игровые мыши Elecom позволяют настраивать разрешение по двум осям независимо

▪ Электромобиль от BMW

▪ Самоконструирующиеся системы

▪ Металлические пузыри для защитной упаковки

Лента новостей науки и техники, новинок электроники

 

Интересные материалы Бесплатной технической библиотеки:

▪ раздел сайта Бытовые электроприборы. Подборка статей

▪ статья Мастера культуры. Крылатое выражение

▪ статья Почему дождь идет только в определенные дни, а не в другие? Подробный ответ

▪ статья Царица ночи. Легенды, выращивание, способы применения

▪ статья Экономичный светильник на мощных светодиодных лампах для монтажного стола радиолюбителя. Энциклопедия радиоэлектроники и электротехники

▪ статья Устройство защитного отключения нагрузки. Энциклопедия радиоэлектроники и электротехники

Оставьте свой комментарий к этой статье:

Имя:


E-mail (не обязательно):


Комментарий:





Главная страница | Библиотека | Статьи | Карта сайта | Отзывы о сайте

www.diagram.com.ua

www.diagram.com.ua
2000-2025