Menu Home

Бесплатная техническая библиотека для любителей и профессионалов Бесплатная техническая библиотека


SONY PLAYSTATION, или Особенности схемотехники 32-битных видеоприставок. Энциклопедия радиоэлектроники и электротехники

Бесплатная техническая библиотека

Энциклопедия радиоэлектроники и электротехники / Телевидение

Комментарии к статье Комментарии к статье

Для любителей видеоигр сегодня выпускается широкий ассортимент игровых видеоприставок (ИВП): от "Dendy" до "Nintendo Ultra-64". Продолжая серию статей о схемотехнике подобных устройств, автор рассказывает о "Sony PlayStation" - японской 32-битной ИВП, покорившей весь игровой мир. Представленные сведения не только облегчат ее грамотную эксплуатацию и самостоятельный ремонт, но и расширят технический кругозор читателей.

Несмотря на недолгую историю развития 32-битных ИВП, она уже ознаменовалась конкурентной борьбой транснациональных корпораций, производящих компьютерную технику. Сравнительные характеристики наиболее известных приставок данного класса приведены в табл. 1. Их можно условно разделить на "экзотические" и "стандартные" К первым относятся малораспространенные или узкопрофильные ИВП: "Sega32X" - оригинальная "приставка к приставке", расширяющая возможности 16-битной "Sega Mega Drive-2"; "Philips CD-i" - многофункциональная приставка к телевизору для воспроизведения информации с интерактивных оптических дисков формата CD-i; "Commodore CD32" или "CDTV" - проект, опередивший свое время, способствовал началу распространения игровых программ на CD-ROM, но фирме-разработчику не хватило упорства и средств для завоевания рынка.

SONY PLAYSTATION, или Особенности схемотехники 32-битных видеоприставок
(нажмите для увеличения)

"Стандартными" 32-битными ИВП можно считать "3DO" [1], "Sega Saturn", "Sony PlayStation" и их многочисленные клоны. Общие характеристики этих изделий: игровые программы хранятся на лазерных компакт-дисках (CD), телевизионное изображение формируется в стандартах NTSC или PAL со стереозвуком, предусмотрены разнообразные периферийные устройства (от "лазерного" пистолета до автомобильного руля с педалями), имеется возможность прослушивать обычные музыкальные CD, работать с дисками форматов Photo-CD и Video-CD. Приставка "3DO", имея довольно скромные технические характеристики, пользуется успехом, так как появилась на рынке немного раньше своих конкурентов. ИВП "Sega Saturn" мешают стать популярной неудачная ценовая политика и недостаточная программная поддержка. Тем не менее некоторое время она считалась основным конкурентом "Sony PlayStation" (в дальнейшем будем называть ее просто "PlayStation"), которую многие считают лучшей из 32битных ИВП. Это подтверждается большим числом (известно более 600) игровых программ для нее, создаваемых такими известными фирмами, как Electronic Arts, Mindscape, Capcom, Konami, Lucas Arts, Disney Software. Скоростные трехмерные игры с "живым" изображением и виртуальной камерой обзора близки по уровню к реализуемым на компьютерах с процессором Pentium младших моделей.

Первые модели "PlayStation", рассчитанные на японский, американский или европейский телевизионные стандарты, не были полностью совместимыми. Более поздние стали универсальными и работают с CD как фирменного, так и южноазиатского производства. Схемотехника и конструктивно-технологическое оформление "PlayStation" продуманы весьма тщательно. Относительно высокая цена окупается повышенным качеством и надежностью.

КАК УСТРОЕНА "PLAYSTATION"

Далее речь пойдет об одной из последних моделей "PlayStation" - SCPH5502. Рассматривая ее устройство, будем, по возможности, пользоваться позиционными обозначениями элементов, маркированными на печатных платах, хотя они не всегда соответствуют принятым у нас стандартам (например, транзисторы обозначаются буквой Q, а не VT, микросхемы - IC, а не DD или DA, разъемы - CN, а не X). Фирменная нумерация элементов - трехзначная, причем цифра в старшем разряде говорит о принадлежности к определенной подсистеме приставки. К сожалению, многие элементы не маркированы. Если их обозначения все же удалось установить по другим источникам, на схемах и в тексте они даны с апострофом (например, IC105') Остальные обозначены по ЕСКД с одно-двузначной порядковой нумерацией в пределах каждой из схем. Для удобства типы большинства транзисторов и диодов указаны согласно каталогу фирмы Siemens [2]. Реально в "PlayStation" во многих случаях установлены элементы азиатского производства, тип которых из-за отсутствия маркировки установить невозможно.

В стандартный комплект поставки "PlayStation" входят системный блок (консоль), джойстик, шнур питания, кабель для соединения с телевизором, демонстрационный CD. Схема соединений системного блока показана на рис. 1. Его сердце - процессорная плата, на которой находятся почти все основные узлы приставки и семь разъемов:

  • CN102 - розетка для соединения с коммутационной платой;
  • CN103, CN104 - вилки соответственно параллельного и последовательного портов;
  • CN502 - вилка для подключения телевизора (по низкой частоте);
  • CN602 - вилка для соединения с платой питания;
  • CN701, CN702 - вилка и розетка для подключения соответственно силовых и информационных цепей привода CDROM.

SONY PLAYSTATION, или Особенности схемотехники 32-битных видеоприставок

Упомянутый привод содержит электромеханические узлы систем вращения CD и перемещения считывающей головки с полупроводниковым лазером инфракрасного диапазона волн и приемной фотоматрицей. При нажатии кнопки "OPEN" открывается доступ к контейнеру диска для его установки или извлечения.

Коммутационная плата распределяет цепи разъема CN102 процессорной платы на четыре розетки. Две из них (девятиконтактные) предназначены для подключения к приставке основного ("1") и дополнительного ("2") джойстиков, а остальные (восьмиконтактные) - для другой периферии.

ИВП питается от сети 220 В через импульсный преобразователь напряжения, расположенный на плате питания. Назначение кнопок "POWER" и "RESET" стандартное: включение питания и установка процессорной системы в исходное состояние соответственно. Преобразователь работает все время, пока сетевая вилка вставлена в розетку. На холостом ходу потребляемая мощность не превышает 2,3 Вт. После включения приставки кнопкой "POWER" она возрастает до 6...11 Вт.

Межплатные соединения силовых цепей выполнены обычными проводами, а высокочастотных (информационных) - эластичным ленточным кабелем. При изготовлении приставки широко используется современная технология автоматизированного монтажа элементов на поверхность печатных плат. Практически все установленные на процессорной плате элементы - так называемые SMD (Surface Mounting Device - прибор, монтируемый на поверхность). В таком конструктивном оформлении сегодня выпускаются не только резисторы, конденсаторы, транзисторы и микросхемы, но и катушки индуктивности, плавкие вставки, разъемы и многое другое.

ПЛАТА ПИТАНИЯ

В отличие от 8- и 16-битных ИВП, имеющих линейные источники питания, в "PlayStation" применен импульсный. Его достоинства - экономичность, небольшое тепловыделение, высокая стабильность выходных напряжений при колебаниях сетевого и изменении токов нагрузки. В различных режимах работы приставка потребляет от источника ток 180...800 мА по цепи +7,6 В и 360...500 мА по цепи +3,3 В. Пульсации выходных напряжений при отключенной нагрузке не превышают 100 мВ. КПД источника - 53...75 %. Хорошие параметры достигнуты за счет повышенной частоты преобразования и применения квазирезонансной схемы [3, 4].

Принципиальная схема платы питания показана на рис. 2. Через помехоподавляющий фильтр C001L001C002 сетевое напряжение поступает на выпрямитель - диодный мост D001 - D004 и далее на преобразователь напряжения. Конденсатор C003 сглаживает пульсации. Конденсаторы C010, C011, для повышения надежности соединенные последовательно, связывают выпрямитель с общим проводом (цепью GND) приставки, что ослабляет влияние на нее помех, проникающих по сети. По правилам электробезопасности суммарная емкость этих конденсаторов не должна превышать 6600 пФ [5].

SONY PLAYSTATION, или Особенности схемотехники 32-битных видеоприставок
(нажмите для увеличения)

Однотактный преобразователь напряжения собран по схеме блокинг-генератора с обратным включением диода. Его работа основана на накоплении энергии в магнитном поле трансформатора T001 во время открытого состояния ключа и последующей передаче ее в нагрузку. "Cамозащищенный" ключ на транзисторах Q001 и Q002 устроен таким образом, что при перегрузках и переходных процессах ток, протекающий через него, ограничивается, не достигая опасных значений. Датчик тока состоит из резистора R009 и диода D008. Напряжение с него поступает на базу транзистора Q002, открывая его при резком нарастании тока эмиттера транзистора Q001. В результате базовая цепь последнего оказывается зашунтированной, что и приводит к ограничению тока.

При начальном запуске ключ открывается током, протекающим через резистор R003. Напряжение обратной связи, необходимое для работы генератора, подается на базу транзистора Q001 с обмотки II трансформатора T001. Конденсатор C004 вместе с емкостью коллекторного перехода транзистора Q001 и индуктивностью рассеивания трансформатора Т001 образуют последовательный колебательный контур, настроенный на частоту, близкую к частоте преобразования. В результате напряжение на коллекторе Q001 приобретает почти синусоидальную форму [3, 4]. Демпфирующая цепь C005R002D005 защищает транзистор Q001 от пробоя.

Напряжения вторичных обмоток III и IV трансформатора Т001 выпрямляются диодами с барьером Шоттки D101, D102, отличающимися малым прямым падением напряжения, что улучшает энергетические характеристики источника. Резисторы R101, R102 - балластные. Они создают нагрузку, необходимую для устойчивой работы преобразователя на холостом ходу. Стабилитрон D103 с напряжением стабилизации 10 В ограничивает возможные при переходных процессах всплески напряжения. Пройдя сглаживающие фильтры С101L101С103 и С102L102C104, выпрямленные напряжения через выключатель SW101 и разъем CN101 подаются на процессорную плату.

После замыкания контактов выключателя SW101 при наличии обоих питающих напряжений загорается зеленый светодиод PD101, включенный в коллекторную цепь "цифрового" транзистора (digital transistor) Q101. Этот относительно новый электронный прибор логически - элемент НЕ с открытым коллектором. Он состоит из обычного транзистора и резистивного делителя в цепи базы. Вход последнего можно соединять непосредственно с выходом цифровой ТТЛ- или КМОП-микросхемы. "Цифровые" транзисторы отличаются один от другого структурой (n-p-n или p-n-p) и номиналами резисторов (1...47 кОм).

Выходные напряжения преобразователя стабилизированы. Напряжение, пропорциональное выходному в цепи +3,3 В, поступает на вход усилителя рассогласования IC101 через делитель из резисторов R106, R107. Выход усилителя через резисторы R103, R104 и светодиод оптрона PC001 подключен к цепи +7,6 В. При повышении любого из выходных напряжений ток через светодиод увеличивается, и наоборот. В результате изменяется сопротивление участка коллектор-эмиттер фототранзистора оптрона, включенного в цепь обратной связи блокинг-генератора.

Этот процесс вызывает такое изменение частоты и длительности генерируемых импульсов, что выходные напряжения возвращаются к номинальным значениям. Например, при увеличении мощности нагрузки в 1,5 раза частота преобразования снижается со 160 до 120 кГц с одновременным увеличением относительной длительности открытого состояния транзистора Q001 (т. е. времени накопления энергии). Цепи R010C008 и R105C105 придают системе автоматического регулирования напряжения динамическую устойчивость. Коэффициент стабилизации довольно высок: напряжение в цепи +3,3 В изменяется всего на 0,5 % при увеличении тока нагрузки с 0,035 до 1 А. Для напряжения +7,6 В этот показатель хуже - 11 % при изменении тока нагрузки от 0,075 до 1 А. При коротком замыкании любого из выходов преобразователь переходит в режим стабилизации тока. После устранения замыкания нормальная работа восстанавливается автоматически.

Как уже говорилось, преобразователь работает все время, пока сетевая вилка вставлена в розетку, даже если контакты выключателя SW101 "POWER" разомкнуты. Поэтому не следует оставлять ИВП надолго в таком состоянии - неисправность платы питания может привести к пожару. Не забывайте о высоком напряжении на этой плате, вскрывая ИВП для ремонта.

На плате питания находится таймер IC102, формирующий подаваемый на процессорную плату сигнал сброса. В момент включения приставки кнопкой SW101, а также при нажатии и отпускании кнопки SW102 на его выходе появляется импульс низкого логического уровня длительностью 500 мс. Времязадающим элементом служит конденсатор C106. Цепь D105, R111, R112, D106 обеспечивает генерацию сигнала сброса при кратковременном уменьшении напряжения в цепи +7,6 В. В результате после так называемых "просадок" сетевого напряжения процессор ИВП автоматически перезапускается. Напряжение стабилизации D105 - 5,1 В.

Подбирая замену активных элементов платы питания, следует учитывать их параметры, приведенные в табл. 2.

SONY PLAYSTATION, или Особенности схемотехники 32-битных видеоприставок

"Цифровой" транзистор Q101 при необходимости можно заменить любым обычным маломощным структуры n-pn, включив последовательно в его базовую цепь резистор сопротивлением примерно 10 кОм. В качестве IC101 можно использовать TLP431CLP, TL1431 (Texas Instruments), HA174 (Hitachi), КР142ЕН19. В последнем случае нужно иметь в виду, что встречаются партии приборов с нестандартным расположением выводов. Оптрон TLP621 (PC001) можно заменить на TLP521 или NEC256.

Для повышения надежности платы питания и уменьшения помех другим электронным приборам, создаваемых ею в момент подключения к сети, рекомендуется включить в разрыв одного из сетевых проводов (например, последовательно с плавкой вставкой F001) резистор сопротивлением 10...100 Ом на номинальную мощность не менее 2 Вт.

КОММУТАЦИОННАЯ ПЛАТА

Схема коммутационной платы показана на рис. 3, расположение контактов ее внешних разъемов - на рис. 4.

SONY PLAYSTATION, или Особенности схемотехники 32-битных видеоприставок

SONY PLAYSTATION, или Особенности схемотехники 32-битных видеоприставок

Учтите, что цепи, называющиеся OUT с различными цифровыми индексами, для ИВП входные, а SYN и PE - выходные. Плата экранирована. Гибкий кабель длиной 80 мм соединяет ее с розеткой CN102 процессорной платы. Обратите внимание, что порядок следования контактов розетки XS3 обратный относительно CN102.

 К розеткам XS1 и XS4 подключают джойстики, пистолет, штурвал, руль и другие "орудия" игры. XS2 и XS5 предназначены для карт памяти ("Memory Card") SCPH-1020 - устройств размером с визитную карточку, содержащих энергонезависимую FLASH-память, в которой запоминаются текущие состояния прерванных игр. Это выгодно отличает "PlayStation" от других ИВП, поскольку, перенеся карту на любую однотипную приставку, можно продолжить игру. Емкость "Memory Card" составляет 1 Мбит (15 блоков памяти по 64 Кбит каждый, шестнадцатый используется в служебных целях). Выпускаются "Memory Card +" емкостью 8 Мбит (120 блоков).

ДЖОЙСТИК

Джойстики для "PlayStation" удобны и надежны в работе. Заметим, что, кроме стандартных, существуют более совершенные устройства с силовой обратной связью (force feedback), в которых с помощью, например, вибрации имитируется реакция объекта игры (самолета, автомобиля) на управляющее воздействие. Известны джойстики с беспроводной (на ИК лучах) связью с процессорным блоком, а также прецизионные аналого-цифровые, позволяющие с большой точностью маневрировать в играх класса файтингов, автои авиасимуляторов.

Рассмотрим устройство поставляемых в комплекте приставки джойстиков SCPH-1080. Их нередко называют "геймпэдами" или "джойпэдами" так как игрой (game) управляют не отклонением рычага (stick), а нажатием на упругие "подушки" (pads). По внутреннему устройству эти изделия можно условно разделить на обычные и улучшенные. Первые содержат одну бескорпусную микросхему, залитую компаундом, к которой подключены контакты всех кнопок. Тактовый генератор микросхемы работает на частоте около 200 кГц, номинал его внешнего частотозадающего резистора - 27...91 кОм. Иногда на плате установлен конденсатор емкостью от 200 пФ до 0,01 мкФ.

Улучшенный джойстик (его схема изображена на рис. 5) выполнен на базе микросхемы 23-0271A японской фирмы Mitsumi.

SONY PLAYSTATION, или Особенности схемотехники 32-битных видеоприставок

Опрос состояния кнопок процессор ИВП производит 50 раз в секунду во время обратного хода кадровой развертки телевизора. Для этого он формирует сигналы PE1, PE2, SYN1, SYN2, представляющие собой повторяющиеся с периодом 20 мс пачки импульсов. В ответ на выходе джойстика OUT2 с той же периодичностью появляются синхроимпульсы, форма которых не зависит от состояния кнопок, а на OUT1 - сигнал, подобный показанному на рис. 6.

SONY PLAYSTATION, или Особенности схемотехники 32-битных видеоприставок

Нажатым кнопкам соответствуют импульсы отрицательной полярности на определенных временных позициях. Наблюдая с помощью осциллографа этот сигнал на контакте 9 розетки Х4 коммутационной платы (см. рис. 3), можно судить об исправности джойстика, подключенного к розетке Х1.

Работа микросхемы DD1 тактируется внутренним генератором, частота которого (4 МГц) стабилизирована пьезокерамическим резонатором (ПКР) BQ1 из твердого раствора титаната-цирконата свинца. Типичные параметры ПКР германской фирмы Herbert C. Jauch [6] следующие: отклонение частоты от номинала при 25°C - не более +0,5 %, уход частоты в интервале температур -20...+80°С - не более +0,5 %, сопротивление на резонансной частоте - не более 30 Ом, коэффициент старения - не более +0,3 % за 10 лет. ПКР в 1,5...5 раз дешевле кварцевых на ту же частоту и отличаются высокой механической прочностью. Последнее особенно важно для джойстиков и других устройств, которыми пользуются дети. Недостатками можно считать пониженные стабильность частоты и добротность. При необходимости установленный в джойстике ПКР HCJ-4.0 можно заменить кварцевым резонатором РК169 на 4 МГц и двумя конденсаторами емкостью 33 пФ каждый.

Розетка разъема Х1 соединена семипроводным кабелем длиной 2 м с вилкой Х2, контакты 2 и 7 которой не используются. На расстоянии 10...30 мм от вилки имеется разборная пластмассовая насадка. Внутри нее находится надетая на кабель ферритовая втулка диаметром 16...20 и длиной 25...30 мм. Увеличивая индуктивность проходящих сквозь нее проводов и магнитную связь между ними, втулка подавляет синфазную составляющую протекающих по кабелю токов, чем уменьшает излучаемые радиопомехи. Если втулка "болтается" внутри насадки, ее можно закрепить клеем или резиновой прокладкой.

Описанный джойстик изготавливается по технологии поверхностного монтажа и отличается хорошей стабильностью частоты задающего генератора, защищенностью внешних цепей и ремонтопригодностью Благодаря разъему Х1 соединительный кабель можно отключить от печатной платы для ремонта или замены. Контактные площадки кнопок SB1-SB14 имеют не окисляющееся углеродистое покрытие черного цвета.

ПРОЦЕССОРНАЯ ПЛАТА

Структурная схема процессорной платы изображена на рис. 7. На ней выделено восемь блоков. Принадлежность того или иного элемента к одному из них определяют по первой цифре номера в его позиционном обозначении: вычислительная система - 1, видеографическая - 2, обработки цифровых данных - 3, канал звука - 4, видеокодер - 5, источник питания - 6, интерфейс CD-ROM - 7, блок адаптации - 8.

SONY PLAYSTATION, или Особенности схемотехники 32-битных видеоприставок
(нажмите для увеличения)

Высокое быстродействие "PlayStation" обеспечивает центральный процессор, имеющий структуру, называемую RISC (Reduced Instruction Set Computer - компьютер с сокращенным набором команд). О ее особенностях подробно рассказано в [7, 8]. Напомним основные: в системе команд предусмотрены только элементарные операции; все команды имеют одинаковую длину и структуру; микропрограммное управление заменено аппаратным; минимизировано число обращений к памяти.

В начале 90-х годов выпускалось более десятка типов 32-разрядных RISCпроцессоров, среди них Am29000 (AMD), 88000 (Motorola), Clipper (Fairchild). Для "PlayStation" был выбран R3000A, разработанный американской фирмой MIPS Computer Systems. Решение было не случайным. Еще в апреле 1991 г. фирмы Sony, Microsoft, NEC, DEC, Siemens, Compaq и несколько других образовали консорциум ACE, выработавший единый подход к разработке вычислительных средств. В качестве базовых были рекомендованы RISCпроцессоры MIPS и семейство процессоров Intel х86.

Архитектура MIPS была разработана в Стэнфордском университете (США) еще в начале 80-х годов как базовая для бортового компьютера системы противоракетной обороны [8]. О процессоре R3000 фирма MIPS объявила 28 марта 1988 г. Это прибор второго поколения, достойный наследник знаменитого R2000 - одного из первых RISC-процессоров, достигших стадии коммерческой реализации. Оригинальный R3000 в паре с сопроцессором R3010 работал на частоте 25 МГц с быстродействием 20 млн операций в секунду, расходуя на каждую в среднем 1,25 цикла. R3010 часто называют соинтерпретатором. Он анализирует и выполняет свои команды параллельно с центральным процессором, ускоряя в 5...10 раз операции сложения и умножения чисел с плавающей запятой.

В дальнейшем, благодаря совершенствованию технологии, появился процессор R3000A с повышенной до 45 МГц тактовой частотой. Хотелось бы заметить, что и он по нынешним меркам уже "старичок". Буквально через год после появления на рынке "PlayStation" фирма MIPS разработала 64-разрядный RISCпроцессор R10000, работающий на частоте 275 МГц.

R3000A имеет гарвардскую архитектуру, т. е. раздельные пространства памяти команд и данных. Он снабжен внутренним конвейером, благодаря которому может обрабатывать одновременно до пяти команд. Принцип работы конвейера R3000A показан на рис. 8.

SONY PLAYSTATION, или Особенности схемотехники 32-битных видеоприставок

Каждая команда выполняется за пять тактов. В первом из них (ВК) происходит выборка из памяти кода операции, которую предстоит выполнить. Во втором (ЧТ) процессор читает из своих регистров данные, необходимые для выполнения команды. В третьем (ОП) арифметико-логическо устройство выполняет заданную операцию. Далее происходят обмен данными с памятью (ПМ) и запись в регистры результата операции (ЗП). Так как команды располагаются на "нитках" конвейера со сдвигом, в каждом такте все узлы процессора заняты своим делом, а выполнение одной из команд обязательно завершается. На освободившуюся "нитку" немедленно ставится очередная из памяти программ.

К сожалению, подобная идеальная картина возможна только в том случае, если для выполнения команды не требуются результаты работы предыдущих, еще незавершенных и находящихся на конвейере. В подобных случаях приходится терять время, ожидая нужные данные. Для R3000A потери составляют в среднем 25 %. Простои конвейера бывают связаны и с обращениями к внешней памяти. Для их устранения применяют быструю кэш-память, служащую буфером между процессором и относительно медленным основным ОЗУ.

RISC-ЯДРО ЦЕНТРАЛЬНОГО ПРОЦЕССОРА

Компания MIPS, как ни парадоксально, никогда не имела собственного полупроводникового производства. Лицензии на право изготовления RISC-процессоров были проданы многим фирмам. Как уже было сказано, в первых моделях "PlayStation" использовалась микросхема R3000A американской фирмы LSI Logic Inc. В более поздних, в том числе и рассматриваемой, установлена специализированная 208-выводная СБИС CXD8606AQ фирмы Sony Computer Entertainment Inc. (SCEI), включающая в себя собственно процессор, подобный R3000A, сопроцессор R3010A, кэш-память программ, кэш-память данных, арбитр шин и интерфейсные узлы (рис. 9). Быстродействие CXD8606AQ при тактовой частоте 33,9 МГц составляет 30 млн операций в секунду. Частота тактовых импульсов CLK, поступающих от интегрального кварцевого генератора X101', в два раза выше указанной. Скорось обмена данными по системной шине достигает 132 Мбит/с.

SONY PLAYSTATION, или Особенности схемотехники 32-битных видеоприставок

Внешнее динамическое ОЗУ данных (IC106) емкостью 16 Мбит может состоять из одной 70-выводной микросхемы А65844 или А67871 (Toshiba), либо четырех 28-выводных КМ48V514DJ-6 (Samsung). Операционная система видеоприставки "зашита" в 32-выводном ПЗУ программ IC102 (М53403IE-04 или 3030 фирмы SCEI) объемом 4 Мбит. В нее входят программы формирования музыкальной и графической заставок и двух меню: проигрывателя музыкальных CD и обслуживания "Memory Card". Кстати, дизайн меню и заставок в американской и европейской версиях "PlayStation" различен.

РАЗЪЕМЫ ВЫЧИСЛИТЕЛЬНОЙ СИСТЕМЫ

Расположение разъемов на задней панели "PlayStation" показано на рис. 10 (номера контактов даны в соответствии с их маркировкой на печатной плате). К вычислительной системе относятся вилки CN103 "PARALLEL I/O" и CN104 "SERIAL I/O". Кроме того, на процессорной плате имеется розетка CN102 "JOYSTICK", соединенная гибким шлейфом с коммутационной платой внутри приставки.

SONY PLAYSTATION, или Особенности схемотехники 32-битных видеоприставок

На рис. 11 приведена схема цепей, связанных с розеткой CN102. Всего их семь: четыре выходных и три входных, причем последние через резисторы R1-R3 связаны с источником питания +3,3 В. Все они снабжены одинаковыми, различающимися лишь номиналами резисторов узлами защиты, которые подавляют высокочастотные помехи и опасные для процессора выбросы напряжения отрицательной полярности. Например, вход OUT3 (название не должно вводить в заблуждение, этот выходной сигнал джойстика - входной для процессора) защищен ферритовым фильтром FL1, диодом VD1, резистором R4 и конденсатором C1. Дроссели L104-L106 подавляют помехи, проникающие по цепям питания, они же нередко выполняют функции плавких вставок, сгорая при коротких замыканиях.

SONY PLAYSTATION, или Особенности схемотехники 32-битных видеоприставок

Малогабаритные ферритовые фильтры, аналогичные упомянутому FL1, оформленные в виде SMD-элементов, широко применяются в "PlayStation". Их АЧХ монотонна вплоть до частот 100...300 МГц, в переходных процессах отсутствуют колебания ("звон"). Эти изделия можно отличить от других подобных по черному цвету корпуса без надписей и маркировке на печатной плате, начинающейся с буквы F. Типичные параметры фильтров серии BLM11 фирмы Murata Mfg. Co.: типоразмер 0603, максимальный ток - 0,2...0,5 А, активное сопротивление - 0,1...0,7 Ом, полное сопротивление на частоте 100 МГц - 60...600 Ом.

Вилка параллельного порта CN103 предназначена для подключения быстродействующих периферийных устройств, требующих непосредственного доступа к системной шине процессора. Это может быть, например, модуль для просмотра видеофильмов с дисков формата Video-CD. Большинство из 68 контактов вилки соединены с различными выводами микросхем IC102, IC103, IC305, IC308, IC402, IC602 через резисторы номиналом 150 Ом. Контакты 1, 5, 16, 19, 34, 35, 39, 50, 53 и 68 - общий провод (GND). Питающие напряжения через дроссели L110 и L111 подведены к контактам 18, 52 (+7,6 В) и 17, 51 (+3,3 В). Контакты 31 и 65 свободны.

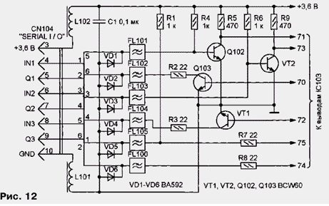
Схема цепей, связанных с вилкой последовательного порта CN104, показана на рис. 12. Все входы и выходы защищены диодами VD1-VD6 и фильтрами FL101-FL106, а цепи питания - дросселями L101 и L102. Входные сигналы (кроме IN1) поступают на микросхему процессора через инверторы на транзисторах Q102 и VT2. Выходные сигналы (кроме Q1) формируются инверторами с открытым коллектором на транзисторах VT1 и Q103.

SONY PLAYSTATION, или Особенности схемотехники 32-битных видеоприставок

Последовательный порт служит в основном для соединения двух приставок при игре в "сетевом" режиме, предусмотренном во многих программах ("Command & Conquer", "Duke Nukem"). Игроки сражаются друг против друга, управляя каждый своей приставкой. Длина семипроводного соединительного кабеля (link-cable) - до нескольких метров. При отсутствии фирменного его можно изготовить по схеме, показанной на рис. 13. Если нет подходящих кабельных розеток, воспользуйтесь обычными "магнитофонными" вилками ОНЦ-ВГ-11-7/16 (СШ-7). В этом случае потребуется оснастить каждую из соединяемых приставок розеткой СГ-7, которую следует подключить параллельно вилке CN104, например, как показано на рис. 14 (вид со стороны гнезд). К сожалению, в процессорном блоке трудно найти место для дополнительной розетки, и ее, скорее всего, придется оставить висеть на жгуте проводов, выведенном наружу.

SONY PLAYSTATION, или Особенности схемотехники 32-битных видеоприставок

SONY PLAYSTATION, или Особенности схемотехники 32-битных видеоприставок

ВИДЕОГРАФИЧЕСКАЯ СИСТЕМА

Быстродействие видеографической системы "PlayStation" - 66 млн операций в секунду. На 208-выводную микросхему IC203 CXD8561 фирмы SCEI возложены функции рисования многоугольников, перемещения пиксельных спрайтов с индивидуальным вращением и масштабированием, закрашивания определенным цветом контуров изображения. За секунду обрабатывается 1,5 млн равномерно оттененных (flatshaded), 500 тыс. текстурированных (texture-mapped) или светящихся (lightsourced) многоугольников.

В качестве видео-ОЗУ IC201 используется микросхема mPD481850GF-A12 фирмы NEC (рис. 15). Это динамическое синхронное графическое ОЗУ (SGRAM) емкостью 8 Мбит состоит из двух банков памяти по 131072 32-разрядных слова каждый. Имеется два 32-разрядных регистра цвета и маски. Регенерация памяти происходит автоматически за 1024 цикла в течение 16 мс. SGRAM позволяет максимально быстро изменять изображение на экране. Записывая определенные команды в регистр управления, можно выполнять страничную и слоговую запись/чтение данных, ускоренную очистку, маскированную обработку данных и обмен содержимым между банками памяти. Все операции производятся синхронно по нарастающему фронту сигнала CLK.

SONY PLAYSTATION, или Особенности схемотехники 32-битных видеоприставок

Длительность цикла запись/чтение у mPD481850GF-A12 - 12 нс, максимальная тактовая частота - 83 МГц (рабочая - 67,7376 МГц), напряжение питания - 3...3,6 В, потребляемый ток - 6...310 мА в зависимости от режима работы. В качестве IC201 могут быть установлены микросхемы KM4132G271BQ-10 (Samsung), mPD481850-A10 (NEC).

Микросхема IC202 TDA8771A (рис. 16) - трехканальный видео-ЦАП фирмы Philips, рассчитанный на 24-разрядное кодирование цвета, называемое в компьютерной графике TrueColor. Напряжение ее питания - 4,5...5,5 В, потребляемый ток - 10...45 мА.

SONY PLAYSTATION, или Особенности схемотехники 32-битных видеоприставок

Цветовым составляющим R, G, B отведено по восемь разрядов входного кода, что позволяет воспроизвести 16777216 цветовых оттенков. Выходное напряжение каждого из трех каналов на нагрузке сопротивлением 1 кОм изменяется от 0,26 (код 0H) до 3,2 В (код 0FFH). Частота тактовых импульсов на входе VCLK (вывод 31) равна 13,3 МГц - ровно в четыре раза меньше частоты GCLK, получаемой от кварцевого генератора X201. У исправной микросхемы напряжение на выводе 33 (VREF) находится в пределах 1,2...1,3 В. Иногда в качестве IC202 применяют микросхему MC141685FT (Motorola).

СИСТЕМА ОБРАБОТКИ ЦИФРОВЫХ ДАННЫХ

Данные, считанные с CD, поступают на декодер IC305 (100-выводная микросхема CXD1815 фирмы Sony). Совместно с IC304' (SC430929PB фирмы Sierra Semiconductor Corp., 52 вывода) он принимает последовательный поток данных, выделяет из него сигналы кадровой и битовой синхронизации, проверяет правильность декодированной информации и исправляет ошибки. Считается, что принятый способ кодирования позволяет за счет избыточности автоматически восстанавливать потерянные данные при царапинах на поверхности CD длиной до 2,4 мм.

Для обслуживания декодера предназначено статическое буферное ОЗУ IC303 емкостью 256 Кбит (32К(8). Микросхему ОЗУ UM62256V-10 можно заменить на 62W256LTM8, KM62V256CL-10L со временем доступа не более 100 нс. Отечественные КР537РУ21 применять нельзя, так как они не рассчитаны на напряжение питания 3,6 В.

Общее быстродействие системы обработки - 80 млн операций в секунду, поддерживаются форматы JPEG (передача неподвижных изображений), MPEG1 (передача движущихся изображений), H.261 (видеосредства для конференц-связи).

Звуковым процессором служит IC308 (100-выводная микросхема CXD2925Q фирмы Sony), к которой подключено ОЗУ емкостью 4 Мбит (40-выводная микросхема M5M44260CJ фирмы Mitsubishi или MB814260-70 фирмы Fujitsu). Организация памяти - 256Кх16.

Музыкальные возможности "PlayStation" позволяют использовать ее как бытовой проигрыватель CD, подключив к стационарному УМЗЧ или прослушивая записи через стереонаушники. Качество звучания более чем устроит всех, кроме, может быть, поклонников аппаратуры класса High End. В меню обслуживания аудио-CD предусмотрены режимы перемотки, поиска записей, программирования порядка их воспроизведения. Можно даже прослушивать звуковые фрагменты игровых программ.

КАНАЛ ЗВУКА

Схема узла преобразования в аналоговую форму цифровых данных, поступающих от аудиопроцессора IC308, показана на рис. 17. Его основой служит микросхема IC402 АК4309AVM японской фирмы Asahi Kasei Microsystems Co. Ltd. - специализированный двухканальный 16-разрядный дельта-сигма ЦАП. По структуре он - последовательный однобитовый. Теоретически дельтасигма модуляция наиболее эффективна при обработке шумоподобных сигналов с равномерным спектром. Этим объясняется, почему недорогие бытовые CDпроигрыватели с подобными ЦАП не очень хорошо воспроизводят классическую музыку, однако показывают великолепные результаты при прослушивании экспрессивного рока.

SONY PLAYSTATION, или Особенности схемотехники 32-битных видеоприставок
(нажмите для увеличения)

Основные параметры АК4309AVM: частота дискретизации - 44,1 кГц, неравномерность АЧХ - %0,5 дБ в диапазоне частот 0...20 кГц, динамический диапазон - 85...91 дБ, переходное затухание между каналами - 80...90 дБ, максимальное выходное напряжение - 3,2...3,6 В, мощность потребления - 80...120 мВт при напряжении питания 4,5...5,5 В. АК4309AVM можно заменить микросхемами AK4309VM или АК4310 той же фирмы.

На вход ЦАП поступают три сигнала, временные диаграммы которых показаны на рис. 18 (LRCK - переключение данных левого и правого каналов, SDATA - последовательные данные, BICK - побитная синхронизация), а также MCLK - тактовые импульсы частотой CLK/4 (16,9344 МГц). Выходные сигналы левого (L-AUDIO) и правого (RAUDIO) каналов в игровых программах имеют среднюю амплитуду 1,5...2 В.

SONY PLAYSTATION, или Особенности схемотехники 32-битных видеоприставок

Транзисторные ключи Q403, Q404 блокируют звук при нажатии кнопки "RESET" (управляющее напряжение поступает через резистор R7, диод Q401 и "цифровой" транзистор VT2). Одновременно по цепи R9C1 на микросхему IC402 подается сигнал установки в исходное состояние. Звук блокируется и по сигналу с вывода 37 микросхемы IC308, поступающему через транзисторы VT1 и VT2. Делитель напряжения из резисторов R10, R11 задает потенциал около 3,8 В на эмиттере транзистора VT2. Конденсаторы С407, C443, C2, C3, C5, C6 фильтруют помехи.

ВИДЕОКОДЕР

На рис. 19 изображена часть схемы "PlayStation", отвечающая за формирование телевизионного сигнала. Кодер RGB-PAL IC501▓ - микросхема СХА1645М, функционально подобная CXA1145M, применяемой в ИВП "Sega Mega Drive-2". На ее входы через эмиттерные повторители на транзисторах Q501-Q503 приходят сигналы цветности R, G, B амплитудой 1 В, а также смесь кадровых и строчных синхроимпульсов SYNC с уровнями ТТЛ.

SONY PLAYSTATION, или Особенности схемотехники 32-битных видеоприставок
(нажмите для увеличения)

На вилку CN502 "AV MULTI OUT" поступают шесть выходных сигналов. VIDEO - это полный цветовой видеосигнал стандарта PAL амплитудой 1,5 В. Y-OUT и C-OUT - соответственно яркостная и цветовая составляющие этого сигнала. (Иногда их называют S-video или Y/C-video. В телевизорах, имеющих для них специальные входы, обеспечивается более высокое качество изображения за счет исключения некоторых преобразований в телевизионном тракте). R-OUT, G-OUT, B-OUT - видеосигналы основных цветов амплитудой 1...1,5В. Резисторы R11-R16 и диоды VD1-VD3, VD6 - защитные. Соединенные попарно встречно-последовательно стабилитроны VD4, VD5, VD7-VD14 (напряжение стабилизации 4,7 В) служат ограничителями переходных процессов и защищают устройство от воздействия электростатических зарядов.

Ко всем перечисленным выходам могут быть непосредственно подключены нагрузки сопротивлением 75 Ом. Это позволяет соединять с видеоприставкой не только телевизор, но и видеомонитор. На черно-белый телевизор (монитор) можно подать сигналы Y-OUT или VIDEO, на цветной (в зависимости от модели) - VIDEO или R-OUT, G-OUT, BOUT или Y-OUT, C-OUT.

Прилагаемый к приставке кабель для подключения к розетке CN502 оканчивается тремя вилками "тюльпан" желтого (VIDEO), красного (R-AUDIO) и белого (L-AUDIO) цветов. Некоторые модели "PlayStation" комплектуются переходником "евро-скарт" (EURO-AV connector plug). Расположение и назначение его штырей показаны на рис. 20 (неиспользуемые и обычно отсутствующие изображены штриховыми линиями).

SONY PLAYSTATION, или Особенности схемотехники 32-битных видеоприставок

Если телевизор имеет стереофонический канал звука, красную и белую вилки кабеля соединяют соответственно с входами правого и левого стереоканалов. Более высокое качество звука обеспечат стереонаушники, подключенные непосредственно к выходам RAUDIO и L-AUDIO игровой приставки или стереофонический УМЗЧ с выносными громкоговорителями. Усилитель должен быть рассчитан на входные сигналы амплитудой до 3,5 В. Для его подключения придется изготовить переходник.

В большинстве телевизоров стереозвучание не предусмотрено. Меню игровых программ, как правило, позволяет выбирать режим "MONO"-"STEREO" или "MONO"-"D Если установлен режим "STEREO" или "DOLBY" (в последнем случае звук воспроизводится в системе "Dolby Surround"), звучание телевизора, к которому подключен только один из стереоканалов, будет неполноценным. Руководство по эксплуатации "PlayStation" рекомендует в этом случае соединять с монофоническим входом белую вилку левого стереоканала. В режиме "MONO" на выходах левого и правого стереоканалов формируется один и тот же суммарный сигнал и не имеет значения, какой из них подключен к телевизору.

Выведенное на гнездо 6 розетки CN502 напряжение +4,9 В (ток до 25 мА) предназначено для питания внешнего радиочастотного модулятора SCPH-1122RFU, позволяющего подавать сигнал видеоприставки на антенное гнездо телевизора. Модулятор в комплект поставки "PlayStation& обычно не входит. Вместо "родного" можно использовать аналогичные узлы от приставок "Dendy", "Sega Mega Drive-2" или бытового видеомагнитофона.

ИСТОЧНИК ПИТАНИЯ

Принципиальная схема источника питания процессорной платы показана на рис. 21. Цепи разъема CN602 защищены плавкими вставками PS601PS605. В некоторых моделях токи их срабатывания могут быть в два-три раза больше указанных на схеме. Многочисленные дроссели и конденсаторы подавляют импульсные помехи, проникающие по цепям питания. На процессорной плате в непосредственной близости от выводов питания микросхем установлено большое число керамических блокировочных конденсаторов, не изображенных на схеме.

SONY PLAYSTATION, или Особенности схемотехники 32-битных видеоприставок
(нажмите для увеличения)

В отличие от 8- и 16-разрядных ИВП в "PlayStation" используется несколько номиналов питающих напряжений: 7,6; 5; 4,9; 3,6; 3,3 В. Из входного напряжения 7,6 В с помощью микросхемы IC601 получают 5 В, которое стабилизатор на транзисторах VT2, VT4, VT5 понижает до 3,6 В. На транзисторах VT1, VT3 собран ограничитель тока, защищающий приставку от замыканий в устройствах, подключаемых к розетке CN502. Ток короткого замыкания - 70...80 мА, напряжение на выходе ограничителя без нагрузки - примерно 4,9 В.

Аналоговые микросхемы приставки питаются напряжением 5, а цифровые, в том числе процессор и память (кроме IC310, IC801') - 3,3 В. Необходимость низковольтного питания цифровых интегральных схем возникла, когда технологические нормы проектирования полупроводниковых структур стали меньше 0,7 мкм. Напряженность электрических полей внутри кристалла повысилась настолько, что при напряжении 5 В уже стали возможными пробои. В середине 80-х годов стандарт JEDEC рекомендовал напряжение питания 3,3 В+10 %. В "PlayStation" оно обычно ближе к верхнему пределу и достигает 3,5...3,55 В. Положительные следствия питания пониженным напряжением - уменьшение потребляемой мощности и облегчение теплового режима микросхем. Выигрыш достигает 50 % и более.

Цепь начального сброса состоит из элементов R1-R6, С2, С7. В исходном состоянии логический уровень напряжения на линии RES высокий.

ИНТЕРФЕЙС CD-ROM

Широкие возможности "PlayStation" связаны в первую очередь с наличием в ней привода CD-ROM. Звуковые эффекты, "живое" изображение, трехмерная мультипликация, диалоги требуют огромного объема программ и исходных данных. CD-ROM позволяет работать с 650 Мбайт информации (сравните с 4 Мбайт в самых емких картриджах приставки "Sega Mega Drive-2"). Скорость считывания данных - "удвоенная" (300 Кбайт/с).

Рассматриваемый привод подобен большинству применяемых в проигрывателях музыкальных CD. С подробностями его устройства можно ознакомиться в [9-11]. Как известно, данные записаны на CD микроуглублениями на поверхности отражающего свет информационного слоя, образующими непрерывную спиральную дорожку, раскручивающуюся от центра диска к его периферии. Полупроводниковый лазер инфракрасного диапазона волн (780 нм) через объектив освещает дорожку узким лучом света, который по разному отражается от микроуглублений и промежутков между ними. Принимает отраженный модулированный свет фотоматрица, превращающая его в электрические сигналы. Устройство предварительной обработки, состоящее из микросхем IC703, IC705' и IC708, усиливает и преобразует их в удобную для дальнейшего использования форму.

Работой привода управляет контроллер на базе микросхемы IC701 CXD2545Q. Функционально он служит основой нескольких систем автоматического регулирования (САР).

САР-ВД (вращения диска), управляя двигателем, поддерживает постоянной линейную скорость движения информационной дорожки относительно считывающей головки (СГ). Частота вращения диска изменяется от 1000 мин-1 при чтении данных, находящихся в начале информационной спирали, до 400 мин-1 - в ее конце. При открывании крышки контейнера CD САР-ВД экстренно останавливает двигатель.

СПСГ (система позиционирования СГ) с помощью шагового двигателя перемещает СГ по радиусу диска. Для преобразования вращательного движения в поступательное применена червячная передача. Имеется контактный датчик приближения СГ к центру диска. После его срабатывания дальнейшее движение СГ в этом направлении блокируется.

САР-РС (радиального слежения) следит, чтобы пятно, освещенное лучом лазера, двигалось строго по средней линии дорожки записи. Его отклонение в ту или иную сторону приводит к изменению напряжений на выходах фотоматрицы, которое преобразуется контроллером в управляющий сигнал соответствующего знака, воздействующий на сервопривод объектива. Точность слежения достигает +0,1 мкм при эксцентриситете вращения диска +70 мкм.

САР-Ф (фокусировки) поддерживает неизменным расстояние между информационным слоем CD и объективом. Она необходима потому, что глубина резкости объектива составляет всего +1,9 мкм, а биения поверхности диска могут достигать +0,5 мм. Для их компенсации САР-Ф имеет большой коэффициент стабилизации на частоте биений, совпадающей с частотой вращения диска. От характеристик этой системы в значительной мере зависит способность видеоприставки читать низкокачественные диски южноазиатского производства, кривизна поверхности которых нередко видна невооруженным глазом. Управляющий сигнал САР-Ф также поступает на сервопривод объектива.

САР-МЛ (мощности лазера) стабилизирует сильно зависящую от температуры мощность излучения полупроводникового лазера. Датчиком мощности служит встроенный в него фотодиод. Основные параметры применяемых лазерных диодов: рабочий ток - 45...110 мА при напряжении 1,6...2,2 В; максимальная мощность излучения - 3...5 мВт (рабочая - 0,4...1 мВт); долговечность - до 100 тыс. ч.

На рис. 22 изображена принципиальная схема привода СD-ROM и цепей его сопряжения с процессорной платой. Три идентичных усилительных канала микросхемы IC702 (BA6392FP фирмы Rohm), специально предназначенной для проигрывателей СD и приводов CD-ROM, управляют сервоприводом объектива (L1, L2) и двигателем привода СГ (M2), а дифференциальный четвертый - двигателем вращения диска (M1). Основные параметры BA6392FP: напряжение питания - 6...16 В, ток покоя - 8...18 мА, мощность рассеивания - 1,7 Вт, сопротивление нагрузок - 8...20 Ом, выходное напряжение - 1,3...5,2 В, коэффициент усиления канала вращения диска - 8...13 дБ. В исходном состоянии, когда двигатели остановлены, напряжения на всех выходах BA6392FP одинаковы и близки к 3,5 В. В зависимости от разности напряжений на соответствующих выходах двигатели вращаются в одну или другую сторону.

SONY PLAYSTATION, или Особенности схемотехники 32-битных видеоприставок
(нажмите для увеличения)

Двигателем М1 управляют комбинированным способом: грубо - изменением постоянной составляющей, точно - пачками разнополярных импульсов. Рабочее направление вращения диска - по часовой стрелке (при положительной разности напряжений на выводах 27 и 26 IC702). Открывание крышки доступа к CD вызывает экстренное торможение путем подачи на двигатель М1 напряжения обратной полярности.

Управление шаговым двигателем М2, перемещающим СГ, - только импульсное. Контакты выключателя S1 замыкаются, когда каретка СГ упирается в ограничитель. СПСГ получает сигнал, запрещающий дальнейшее перемещение СГ.

Фильтры FB701-FB704 подавляют коммутационные помехи, стабилитроны VD1-VD4 с напряжением стабилизации 4,7 В ограничивают выбросы напряжения.

Сервопривод объектива действует подобно динамической головке громкоговорителя, в которой звуковая катушка, находящаяся в поле постоянного магнита, движется под действием протекающего тока. Обмотки L1 и L2 сервопривода перемещают объектив во взаимно перпендикулярных плоскостях. Их магнитопроводы - постоянные магниты из редкоземельных сплавов. Чувствительность сервопривода достигает 4 мм/В.

Излучающий диод лазера A1 включен в коллекторную цепь транзистора Q701. Номинальная сила тока - 60...80 мА. Подстройка осуществляется резистором R1, расположенным на гибком печатном ленточном кабеле, соединяющем СГ с вилкой CN702, и входящим в цепь обратной связи САР-МЛ. При уменьшении сопротивления сила тока и мощность излучения лазера увеличиваются. Сигналы, снимаемые с матрицы фототранзисторов А2, через разделительные конденсаторы C3-C6 поступают на микросхему IC703 (A1791N). Чувствительность устройства регулируют подстроечным резистором RV703.

БЛОК АДАПТАЦИИ

Назначение этого блока - обеспечивать работу приставки с CD как фирменного, так и нефирменного производства с маркировками "NTSC U/C" (США/Канада), "NTSC J" (Япония), PAL (Европа, Азия). Его принципиальная схема устройства показана на рис. 23. В качестве IC801' применен так называемый "чип-универсал" - восьмиразрядный микроконтроллер Z86E0208PSC фирмы Zilog с масочным 512-байтным ПЗУ, в которое при изготовлении заносится программа, представленная заказчиком. Тактовая частота 4,433 Мгц равна частоте цветовой поднесущей в системе PAL и задается кварцевым резонатором Z801'.

SONY PLAYSTATION, или Особенности схемотехники 32-битных видеоприставок

В блоке использованы всего два выхода микроконтроллера. На первом из них (Q1) формируется синхропоследовательность для интерфейса CDROM, на втором (Q2) при включении питания генерируется импульс высокого логического уровня длительностью около 1 с.

Все элементы блока адаптации установлены на отдельной печатной плате, приклеенной к обратной стороне процессорной платы приставки и соединенной с ней проводами. В некоторых моделях "PlayStation" вместо Z86E0208PSC применяется микроконтроллер 12C508/P фирмы Microchip Technology.

РЕМОНТ ПРИСТАВКИ

В фирменном сервисном центре ремонт "PlayStation" обычно занимает не более 15 мин - ровно столько времени требуется для замены неисправных плат заведомо годными. Другое дело - любительские условия и отсутствие запасных частей.

Приступая к ремонту "PlayStation", внутри которой имеется полупроводниковый лазер, следует помнить, что его излучение опасно для человека. Конечно, это не "гиперболоид инженера Гарина" и мощность его излучения недостаточна, чтобы повредить, скажем, кожный покров руки, однако глаза для невидимых инфракрасных лучей весьма уязвимы. Согласно маркировке на корпусе, "PlayStation" относится по лазерной безопасности к устройствам класса 1, не представляющим угрозы здоровью. Действительно, при нормальной эксплуатации приставки ее конструкция и электрические блокировки не допускают прямого попадания излучения лазера в глаза. Другое дело - ремонт со снятой верхней крышкой. По степени опасности такие работы относят к классу 2, когда необходим предупредительный инструктаж, но специальная защита глаз еще не требуется.

Категорически не рекомендуется заглядывать в "глазок" лазера, особенно с близкого расстояния. На удалении 20 см от него плотность излучения составляет 44 мкВт/см2, в непосредственной близости она еще выше. Хрусталик глаза, фокусируя свет на сетчатке, значительно увеличивает плотность излучения. Например, при диаметре зрачка 0,5 см плотность потока мощности в его фокусе больше падающей в 60 000 раз! Поэтому сетчатку можно необратимо повредить даже излучением, мощность которого считается безопасной. При необходимости луч лазера следует наблюдать только с помощью прибора ночного видения, чувствительного к инфракрасному свету.

Разумеется, ремонтируя "PlayStation", не следует забывать и о таких прозаических вещах, как высокое напряжение на плате питания. Даже когда игровая приставка выключена кнопкой "POWER", преобразователь напряжения работает, пока сетевая вилка вставлена в розетку.

Вышедшую из строя плату питания можно заменить самодельным источником с двумя выходными напряжениями: 3,3...3,6 В при токе нагрузки не менее 0,7 А и 7,4...7,8 В при токе нагрузки не менее 1 А. Напряжения должны быть стабилизированы (желательно, с возможностью регулировки в небольших пределах), иметь пульсации менее 100 мВ. Блок должен быть защищен от коротких замыканий. Сигнал сброса RES можно подавать любой кнопкой с нормально разомкнутыми контактами, подключив ее между контактами 4 и 5 разъема CN602. Параллельно кнопке желательно установить конденсатор емкостью 1...2,2 мкФ.

Коммутационная плата редко выходит из строя. Чаще всего ее дефекты - механического характера. Однако при обрыве ленточного межплатного кабеля не следует пытаться спаять его проводники - они мгновенно испарятся. Лучше изготовить новый кабель из обычных тонких проводов.

Ремонт процессорной платы следует начать с "прозвонки" всех плавких вставок, катушек индуктивности, ферритовых фильтров и чип-перемычек. Неисправные чип-резисторы можно заменить отечественными Р1-4-0,125 Вт, а чип-конденсаторы - К10-17-4в. Если позволяет место, допустимо устанавливать и обычные элементы, соответствующим образом отформовав их выводы.

Обратите внимание на разъемы CN102 и CN702. Они не выдерживают многократной "силовой" стыковки и расстыковки. При неплотном соединении аккуратно подожмите контакты, скрепите сочлененные части упругой скобой. Стыковка и расстыковка разъемов приставки при включенном блоке питания нередко приводит к выходу из строя защитных диодов и стабилитронов в различных цепях. Исключение - разъем параллельного порта CN103. В нем контакты цепей питания и общего провода конструктивно выполнены таким образом, что соединяются первыми, а разъединяются последними. Это гарантирует безопасность соединения информационных цепей.

Далее проверяют транзисторы и диоды. Параметры применяемых в процессорной плате полупроводниковых приборов приведены в табл. 3, а расположение выводов транзисторов - на рис. 24. Данные взяты из каталога фирмы Siemens, хотя реально бывают установлены аналогичные приборы неизвестных изготовителей иногда без какой-либо маркировки на корпусе. "Цифровые" транзисторы не всегда удается проверить омметром или пробником, но в любом случае следует измерить сопротивление "эмиттерного" перехода. Неисправные маломощные транзисторы можно заменить отечественными серий КТ3129, КТ3130. Заменой приборов в корпусах для поверхностного монтажа могут служить и их аналоги в обычных, желательно с ленточными выводами. Подойдут, например, диоды серий КД102, КД109, КД518, транзисторы серий КТ315, КТ361.

SONY PLAYSTATION, или Особенности схемотехники 32-битных видеоприставокSONY PLAYSTATION, или Особенности схемотехники 32-битных видеоприставок

При неисправностях кодера RGBPAL можно попытаться подключить приставку к телевизору, используя сигналы R, G, B, SYNC (выводы 2, 3, 4, 10 микросхемы CXA1645M). Варианты устройства сопряжения хорошо известны радиолюбителям.

Стабилизатор напряжения ТА78М05F можно заменить более мощной отечественной микросхемой КР142ЕН5А, подобрав экземпляр, устойчиво работающий при входном напряжении 7,6 В. Для облегчения теплового режима микросхемы BA6392FP, управляющей двигателями привода CD-ROM, к ее корпусу желательно приклеить металлический теплоотвод размерами 40x10 мм.

Замена цифровых микросхем процессорной платы отечественными практически невозможна, так как применяются в основном низковольтные логические микросхемы и СБИС, не имеющие аналогов. Операционные усилители можно заменить практически любыми, работающими при напряжении питания 3,6 (IC708) или 7,6 В (IC704').

Неустойчивая работа привода CD, наблюдаемая лишь с некоторыми из дисков, обычно свидетельствует о низком качестве последних. Другие причины неисправности привода - микротрещины в гибком кабеле СГ, нарушение центровки объектива, износ подвижных частей, высыхание смазки.

Особый случай - повреждение оптики из-за небрежного обращения. Царапины на объективе устранить невозможно. Попытки промыть его химически активными веществами, одеколоном, разного рода очистителями приводят лишь к помутнению "хрусталика". Чистить линзу рекомендуется только кисточкой с очень мягким ворсом, а при значительных загрязнениях - чистым ватным тампоном, закрепленным на деревянной палочке, и еле-еле смоченным жидкостью для чистки оптических приборов.

При диагностике неисправностей удобно пользоваться приспособлением, показанным на рис. 25. Его основой служит плата из фольгированного стеклотекстолита, с обоих концов которой установлены малогабаритные радиоэлементы (конденсаторы, резисторы), снабженные штырями для соединения с контактными площадками печатной платы проверяемого устройства. Желательно иметь под рукой несколько подобных стержней с элементами разных номиналов, в том числе с короткозамыкающими перемычками и малогабаритными переменными резисторами. Подключая стержни к различным точкам устройства, можно довольно быстро локализовать неисправность.

ЗАКЛЮЧЕНИЕ

Хотелось бы отметить, что "PlayStation", кроме чисто игрового использования, может послужить хорошим стимулом к освоению программирования. Диски для "PlayStation" читаются на IBM-совместимых компьютерах. В подавляющем большинстве случаев можно просматривать коды программ, тексты сообщений и даже прослушивать мелодии и речевые вставки из игр. Например, звуковые файлы *.pcm, *.da воспроизводит стандартная программа "Лазерный проигрыватель" из WINDOWS 95. Большое поле деятельности открывается для русификации игровых программ, переноса популярных игр с других компьютерных платформ, разработки собственного программного обеспечения.

Литература

  1. Федоров А. Превратите компьютер в игровую приставку: Creative Labs 3DO Blaster. - КомпьютерПресс, 1995, № 5, с. 140-142.
  2. Semiconductor Group. Short Form Catalog 06.96. - Мюнхен, Siemens AG, 1996.
  3. Бассет Д. Импульсные источники питания: тенденции развития. - Электроника, 1988, №1, с. 72-77.
  4. Коновалов Е. Квазирезонансный преобразователь напряжения. - Радио, 1996, №2, с. 52-55.
  5. Подавление электромагнитных помех в цепях электропитания / Под ред. Векслера
  6. Электронные компоненты. Каталог. - М.: ЗАО "АРКОС", 1998, с. 84.
  7. Фрунзе А. Процессоры для персональных компьютеров. - Радио, 1998, № 4-6.
  8. Что взамен архитектуры фон-Неймана? - М.: Знание, 1989, № 5 (серия "Вычислительная техника и ее применение").
  9. Накадзима Х., Огава Х. Цифровые грампластинки. - М.: Радио и связь, 1988.
  10. Колесников В.М. Лазерная звукозапись и цифровое радиовещание. - М.: Радио и связь, 1991.
  11. Денисенко А., Балабанов А. Компакт-диски: технологии и стандарты. - Радио, 1998, № 6, c. 24-26; № 7, c. 26, 27.

Автор: С.Рюмик, г.Чернигов, Украина

Смотрите другие статьи раздела Телевидение.

Читайте и пишите полезные комментарии к этой статье.

<< Назад

Последние новости науки и техники, новинки электроники:

Власть является ключевым фактором счастья в отношениях 11.03.2026

Исследования семейных и романтических отношений показывают, что длительное счастье пары зависит не только от привычных факторов, таких как доверие, уважение и преданность, но и от более тонких психологических аспектов. Современные ученые ищут закономерности, которые отличают действительно счастливые пары от остальных, чтобы понять, какие механизмы поддерживают гармонию в отношениях. Группа исследователей из Университета Мартина Лютера в Галле-Виттенберге и Бамбергского университета провела опрос среди 181 пары, которые состояли в совместных отношениях более восьми лет и прожили вместе хотя бы месяц. Участники заполняли анкету, описывая различные аспекты своих отношений, включая распределение обязанностей, эмоциональную поддержку и степень вовлеченности в совместные решения. Анализ данных показал интересный паттерн: пары, где оба партнера ощущали высокий уровень личной власти, оказывались наиболее счастливыми и удовлетворенными. В данном контексте под властью понимается способност ...>>

Защищенная колонка-повербанк Anker Soundcore Boom Go 3i 11.03.2026

Компания Anker представила новую модель линейки Soundcore - колонку Soundcore Boom Go 3i, ориентированную на активное использование на улице. Новинка отличается высокой степенью защиты: корпус соответствует стандарту IP68, что обеспечивает водо- и пыленепроницаемость, а ударопрочный дизайн выдерживает падение с высоты до одного метра. За качество звука отвечает 15-ваттный драйвер, обеспечивающий пик громкости до 92 дБ, а технология BassUp 2.0 усиливает низкие частоты, делая звучание более насыщенным. Колонка обладает автономностью до 24 часов, а LED-индикатор позволяет контролировать уровень заряда батареи. Кроме того, Soundcore Boom Go 3i может выполнять функцию павербанка: согласно внутренним тестам, устройство способно зарядить iPhone 17 с нуля до 40% за один час, что делает его полезным аксессуаром в походах и поездках. Среди функциональных особенностей модели стоит выделить технологию Auracast, которая улучшает подключение и позволяет создавать стереопару из двух колонок ...>>

Раннее воздержание от алкоголя перестраивает мозг и иммунитет 10.03.2026

Алкогольная зависимость - хроническое расстройство с компульсивным употреблением спиртного, которое влияет не только на поведение, но и на функционирование мозга и иммунной системы. Недавние исследования показали, что даже на ранних этапах воздержания организм начинает перестраиваться, открывая новые возможности для терапии зависимости. Ученые сосредоточились на пациентах, находящихся в первые недели абстиненции, и зафиксировали значительные изменения в мозговой активности. С помощью функциональной магнитно-резонансной томографии они выявили перестройку сетей нейронных связей, отвечающих за контроль импульсов и принятие решений. Эти изменения могут быть ключевыми для восстановления самоконтроля и снижения риска рецидива. Одновременно с нейронной перестройкой исследователи наблюдали колебания иммунной системы. В крови повышался уровень цитокинов - сигнальных белков, регулирующих воспалительные процессы. Эти данные свидетельствуют о существовании нейроиммунного взаимодействия, при ...>>

Случайная новость из Архива

Астероид из кухонной соли 14.06.2023

Американские тщательно изучили образец околоземного астероида Итокава и обнаружили здесь кристаллы обычной кухонной соли, которые не могли появиться без наличия воды.

Еще 13 лет назад японский космический аппарат "Хаябуса" доставил на Землю первые в истории образцы породы с астероида. Этим космическим камнем оказался околоземный астероид Итокава, ширина которого составляет примерно 610 метров. И все эти годы ученые из разных стран продолжают тщательное изучение этих образцов. Специалисты из Университета штата Аризона, США, обнаружили в составе астероида кристаллы обычной кухонной соли, которые не могли бы появиться, если рядом не было воды. Это снова изменяет представление о том, как вода могла попасть на нашу планету.

Ученые продолжают искать ответы на вопросы о том, как возникла сложная жизнь на Земле. То, что им удалось найти кристаллы хлорида натрия или обычной кухонной соли в составе астероида Итокава, которые могли образоваться только в присутствии воды, свидетельствует о том, что астероиды сыграли важную роль и в процессе ее появления на Земле, и в зарождении жизни.

В настоящее время ученые считают, что астероид Итокава, который летает относительно недалеко от Земли (на расстоянии нескольких миллионов километров от нас), был частью более крупного космического камня, но потом откололся от него. И образец породы, доставленный с астероида, является хондритом, то есть типом метеорита, который является частью каменистого астероида.

По словам американских ученых, они не ожидали найти кристаллы хлорида натрия, так как такие астероиды не предполагают наличие водоносных минералов.

Авторы исследования указывают на то, что долгое время считалось, что хондриты, то есть метеориты, падающие на Землю с каменистых астероидов, не могли принести воду на планету. Но новое открытие свидетельствует о том, что такие астероиды, вероятно, содержат намного больше воды, чем предполагалось ранее.

Естественно, специалисты были очень удивлены своим открытием и изначально скептически отнеслись к полученным результатам. Ведь образец с астероида Итокава мог быть загрязнен другими веществами, попадая на Землю. Но тщательное исследование показало, что кристаллы обычной соли принадлежат астероиду Итокава.

Также в метеорите обнаружен богатый на натрий силикатный минерал плагиоклаз. И этот минерал также образовался под влиянием воды. Поэтому исследователи считают, что это доказывает тот факт, что на астероиде Итокава, вероятно, содержится или содержалось в прошлом много воды.

Астероид Итокава относится к астероидам S-типа, которые считаются наиболее распространенными в Солнечной системе. Поэтому предполагается, что теория о возникновении воды с помощью астероидов, падавших на Землю или метеоритов, отколовшихся от них, становится все более правдоподобной.

Другие интересные новости:

▪ Свобода воли позволяет нам быть собой

▪ Искусственная древесина

▪ Шум против шума

▪ Опасные подушки безопасности

▪ Звуки передают эмоции лучше слов

Лента новостей науки и техники, новинок электроники

 

Интересные материалы Бесплатной технической библиотеки:

▪ раздел сайта И тут появился изобретатель (ТРИЗ). Подборка статей

▪ статья Милан Кундера. Знаменитые афоризмы

▪ статья Когда люди начали есть яйца? Подробный ответ

▪ статья Гранадилла. Легенды, выращивание, способы применения

▪ статья Выручит полиэтиленовый пакет. Энциклопедия радиоэлектроники и электротехники

▪ статья Великий побег из пиджака. Секрет фокуса

Оставьте свой комментарий к этой статье:

Имя:


E-mail (не обязательно):


Комментарий:





Главная страница | Библиотека | Статьи | Карта сайта | Отзывы о сайте

www.diagram.com.ua

www.diagram.com.ua
2000-2026