Menu Home

Бесплатная техническая библиотека для любителей и профессионалов Бесплатная техническая библиотека


Схемотехника выходных усилителей. Энциклопедия радиоэлектроники и электротехники

Бесплатная техническая библиотека

Энциклопедия радиоэлектроники и электротехники / Телевидение

Комментарии к статье Комментарии к статье

В моделях цветных телевизоров каждого поколения довольно существенно изменялась схемотехника. Коснулись такие изменения и выходных видеоусилителей, о которых рассказано в публикуемом материале. Автор приводит интересные сведения о параметрах элементов видеотракта, в который входят видеоусилители, объясняет, почему требуется расширение его полосы пропускания существенно больше стандартного значения в 6,25 МГц, дает рекомендации по совершенствованию видеоусилителей старых телевизоров.

Выходной видеоусилитель (ВУ), связывающий видеопроцессор (ВП) с кинескопом, - необходимая и важная часть каждого телевизора. Вопросы его построения и расчета, к сожалению, мало рассмотрены в отечественной литературе. Единственной книгой, в которой содержится подробное изложение всех проблем, можно считать [1]. Частично этот пробел восполняют сведения, излагаемые в справочниках серии "Ремонт", выпускаемые фирмой "Солон".

К ВУ предъявляют высокие требования - они должны обеспечивать большой коэффициент передачи КП в очень широком интервале частот при минимальных искажениях сигнала. В цепи ВП-ВУ-кинескоп нет переходных конденсаторов, и она представляет собой широкополосный усилитель постоянного тока с высоковольтными выходами, подключенными к электродам кинескопа. Таким усилителям свойственна сильно выраженная зависимость составляющих их элементов друг от друга. По этой причине при рассмотрении возможных схем ВУ приходится учитывать как особенности построения ВП и параметры формируемых ими сигналов, так и характеристики кинескопа. Начнем с выходного звена этой цепи - кинескопа.

Любой кинескоп, как известно, имеет входы двух видов, на которые может быть подан модулирующий сигнал: катод и сетка (модулятор) у черно-белого кинескопа, катоды и сетки (модуляторы) у цветного.

В отечественных черно-белых телевизорах видеосигнал почти всегда поступает на катод кинескопа, а модулятор или соединен с общим проводом, или к нему подведены импульсы гашения луча при обратном ходе разверток. Подача видеосигнала на модулятор практиковалась только в первых моделях телевизоров. Преимуществом такого способа была возможность снижения размаха модулирующего напряжения. Однако при этом требовался сигнал положительной полярности, что не согласовывалось с установившимся в дальнейшем использованием сигналов отрицательной полярности (синхроимпульсами вниз) в тракте цветности.

ВУ таких телевизоров, как правило, однокаскадный и до появления транзисторов был собран на лампе 6П9, 6П15П или пентодной части лампы 6Ф4П и их аналогах. Такой ВУ относительно прост. Примененные в нем детали устанавливали режим работы ламп, составляли цепи ООС и коррекции АЧХ. Цепь ООС улучшала линейность амплитудной характеристики ВУ, что обеспечивало повышение числа различимых градаций яркости до нормы в восемь ступеней серой шкалы испытательной таблицы. Цепи коррекции АЧХ, в которых первоначально включали относительно большое число катушек, сохраняли постоянство коэффициента передачи КП в полосе частот видеосигнала, что создавало условия для получения изображения хорошего качества. Полоса пропускания такого ВУ обычно достигала 5...5,5 МГц.

Двухкаскадные ВУ применяли редко и либо для компенсации недостаточного усиления в тракте (например, в телевизоре "Знамя"), либо для повышения стабильности чересстрочной развертки ("Рубин-110"). В современных чернобелых телевизорах установлены только транзисторные ВУ, они не содержат катушек в цепях коррекции АЧХ.

Особенностью цветных кинескопов с тремя электронно-оптическими прожекторами (ЭОП) можно считать неидентичность ЭОП, проявляющуюся в различии их модуляционных и яркостных характеристик.

Модуляционная характеристика ЭОП - зависимость тока луча IЛ от модулирующего напряжения UМ, определяемая степенной функцией: IЛ=f(UМg) где g - коэффициент нелинейности модуляционной характеристики. Обычное значение g для катодов цветных кинескопов любых фирм равно 2,8 и немного больше - для модуляторов.

Параболический характер модуляционной характеристики приводит к тому, что на экране ухудшается различие между ступенями яркости слабо освещенных деталей изображения и улучшается распознавание деталей, яркость которых находится вблизи уровня белого в видеосигнале. Согласно [2] наиболее сюжетно важные детали, как правило, находятся в области наибольшей освещенности и наилучшее качество изображения наблюдается при gОБЩ=1,2, где gОБЩ - нелинейность сквозного тракта (от передающей до приемной трубки). Поскольку указанная нелинейность модуляционной характеристики - свойство кинескопа, стандарты цветного телевидения предусматривают применение на передающей стороне мер для снижения значения gОБЩ до указанного выше уровня.

Современные технологии производства цветных кинескопов позволяют выпускать продукцию, имеющую малые отклонения коэффициента g от нормы (2,8) и, что особенно важно, высокую временную стабильность этого показателя. Однако у старых кинескопов, таких как 59ЛК3Ц, 59ЛК4Ц, 61ЛК4Ц, среднее значение крутизны g равно 2,8 с возможными отклонениями +0,5 и -0,2 и при разбросе еще на ±0,5 у составляющих его трех ЭОП. В результате старения при эксплуатации обычно среднее значение и разброс увеличиваются.

Модуляционные характеристики ЭОП одного и того же кинескопа имеют не только разный коэффициент g, но и начинаются при разных напряжениях закрывания (гашения) луча. У указанных кинескопов разброс напряжений гашения лучей допускался до ±15 В. Все это приводило к тому, что при изменении яркости изображения белые поля приобретали окраску в тот или иной цветовой тон.

Яркостная характеристика ЭОП отражает свойства кинескопа как преобразователя сигнал-свет и выражается соотношением: L=lIЛ, где L - яркость свечения люминофора; l - эффективность люминофора (интенсивность свечения при воздействии луча ЭОП). Стабильность параметра l у отечественных кинескопов старых типов невысока, что со временем вызывало цветную окраску белых полей изображения.

Неидентичность и нестабильность параметров g и l ЭОП кинескопа требуют периодической регулировки баланса белого. Добиться баланса белого означает компенсировать изменение эффективности люминофоров и разницу модуляционных характеристик ЭОП. Баланс белого должен обеспечиваться во всем диапазоне регулировки яркости, если он установлен в двух точках: на уровне минимальной яркости (баланс белого на уровне черного - ББЧ) и при оптимальной яркости (баланс белого на уровне белого - БББ). ББЧ достигается совмещением точек начала модуляционных характеристик всех трех ЭОП, что приводит к одновременному гашению всех лучей. После этого устанавливают БББ путем придания одинаковой крутизны модуляционным характеристикам всех трех ЭОП (если точнее, то приданием одинаковой крутизны произведениям амплитудных характеристик ВП и ВУ на модуляционную характеристику ЭОП и яркостную характеристику люминофора). ББЧ и БББ в телевизорах разных моделей регулируют по-разному, в зависимости от построения ВП и ВУ.

Модуляция лучей цветного кинескопа обеспечивается несколькими способами в зависимости от того, где происходит формирование цветовых сигналов R, G и В: в кинескопе, ВУ или ВП.

Формирование сигналов R, G, B в кинескопе использовали в первых отечественных цветных телевизорах ("Рекорд-102", "Рубин-401", "Радуга-701&qu а затем и во всех модификациях УЛПЦТ). Как показано на структурной схеме, изображенной на рис. 1, на соединенные вместе катоды кинескопа поступал яркостный сигнал Y, а на модуляторы - цветоразностные R-Y, G-Y, B-Y. Одновременное воздействие яркостного и цветоразностного сигналов приводило к формированию луча как цветового модулированного, например: Y+(R-Y)=R.

Схемотехника выходных усилителей

Использование такого способа модуляции потребовало применения четырех ВУ, которые оказались сложными и конструктивно, и эксплуатационно. Для получения необходимых размахов выходных сигналов при сохранении требующегося соотношения напряжений на катодах и модуляторах кинескопа потребовалось питать ВУ напряжением 370 В. Регулировка ББЧ и БББ из-за наличия 12 точек настройки, связанных между собой по постоянному току, в телевизорах УЛПЦТ представляет собой трудоемкую процедуру, выполняемую циклически несколько раз. Согласно [3] искажения в канале яркости телевизоров УЛПЦТ, создаваемые видеодетектором, трактом яркости и ВУ, достигают 12 %.

Нелинейность в тракте цветности еще выше. Ее создают демодуляторы (по 25 % каждый), усилители цветоразностных сигналов (по 10 %) и ВУ (по 15 %). В целом суммарная нелинейность канала яркости, тракта цветности и ВУ в телевизорах УЛПЦТ может быть равна 50 %. Основные причины этого - неудачный способ формирования сигналов R, G, B, несовершенство демодуляторов цветности, ВУ и матрицы "зеленого" сигнала, в которой к тому же частично терялась постоянная составляющая.

Перечисленные значения могут удивить читателя, привыкшего к тому, что в аудиотехнике допустимая нелинейность измеряется долями процента. Дело заключается в разном восприятии нелинейности слухом и зрением человека. Искажения изображения проявляются в уменьшении числа воспроизводимых градаций яркости и насыщенности цветов, сокращении палитры цветов, окраске белых полей, снижении горизонтальной и вертикальной четкости, ухудшении резкости границ деталей. Все эти виды искажений вызываются целым рядом причин, подробно описанных в [2], основные из которых - нелинейность амплитудной характеристики и АЧХ ВП и ВУ. Кроме того, они могут быть вызваны тем, что владелец телевизора неправильно устанавливает яркость, контрастность и насыщенность изображения при нарушенном балансе белого.

Из-за очень большой нелинейности в трактах телевизоров УЛПЦТ упомянутая выше гамма-корректировка на телецентрах не могла существенно улучшить характеристики изображения. Улучшение произошло лишь с появлением телевизоров третьего поколения, когда значительно изменилась схемотехника всех узлов.

В телевизорах, выпущенных позже УЛПЦТ, сигналы R, G, B формировались либо в ВУ, как представлено на структурной схеме рис. 2, либо в ВП (по схеме на рис. 3). В любом из этих случаев полученные сигналы поступают на катоды кинескопа, модуляторы которого соединены с общим проводом.

Схемотехника выходных усилителей

Схемотехника выходных усилителей

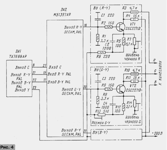
Формирование сигналов R, G, B в ВУ применяют довольно редко. Примером такого ВУ может быть использованный в телевизоре SHIVAKI-STV202/208 [4].

Принципиальная схема ВУ изображена на рис. 4. Видеопроцессор DA1, сформировав сигналы цветности С и яркости Y, передает первый из них на детекторы SECAM микросхемы DA2, а второй - на эмиттеры транзисторов ВУ. В результате обработки сигнала С в микросхеме DA2 получаются цветоразностные сигналы R-Y, G-Y, B-Y, подаваемые на базы транзисторов соответствующих ВУ. Сложение сигналов в транзисторах приводит к формированию цветовых сигналов R, G и B на их коллекторах.

Схемотехника выходных усилителей

В каждом ВУ использован один современный высоковольтный широкополосный транзистор 2SC2271D, обеспечивающий хорошую АЧХ с простейшими цепями коррекции: C2R5 в ВУ(R-Y) и их аналоги в других. ВУ представляет собой каскад с резистивной нагрузкой, собранный по схеме с ОЭ. Особенности работы такого каскада описаны в [1], там же даны формулы расчета номиналов входящих в него резисторов и конденсаторов. Органами регулировки ББЧ служат резисторы установки уровня черного, имеющиеся во всех трех ВУ. БББ устанавливают резисторами изменения размаха сигнала в ВУ(G-Y) и ВУ(B-Y). Регулятор размаха сигнала в ВУ(R-Y) не предусмотрен.

Наиболее широко используют формирование сигналов R, G, B в видеопроцессорах (ВП). Такие ВП можно разделить на три группы в соответствии с примененным в них способом регулировки баланса белого: ручным, автоматическим, микроконтроллерным. Схемотехника ВУ для ВП каждой группы различна.

Рассмотрим вначале ВУ для ВП с ручной регулировкой баланса белого. Начнем с телевизора УПИМЦТ. На плате БОС этого аппарата установлены три модуля М2-4-1, каждый из которых служит ВУ одного из основных цветов, собранным по схеме с резистивной нагрузкой. Каждый ВУ содержит пять транзисторов. Схема и работа модуля описаны в [3]. Детали, связанные с регулировкой баланса белого, размещены на плате БОС. По сравнению с телевизорами УЛПЦТ регулировка в УПИМЦТ стала проще: она имеет только шесть точек настройки (это характерно и для других ВУ рассматриваемой группы).

Вместе с тем конструкция ВУ этих телевизоров оказалась очень сложной: они содержат больше 100 деталей, что вдвое больше, чем в УЛПЦТ, и намного больше, чем в любом из рассматриваемых далее ВУ. Нелинейность демодуляторов в тракте цветности осталась на уровне УЛПЦТ, а в усилителях цветоразностных сигналов возросла до 14 %. Искажения в ВУ и тракте яркости уменьшились до 8 %. Суммарная нелинейность снизилась до 42 %.

В [1] предложен несколько более сложный вариант ВУ для УПИМЦТ на семи транзисторах. Основное его отличие от модуля М2-4-1 - построение выходного каскада по схеме с активной нагрузкой. Каскад собран на двух транзисторах КТ940А, первый из которых - усилитель класса АВ, а второй - эмиттерный повтокого ВУ имеется в [1] и в [5].

Преимущества ВУ с активной нагрузкой перед ВУ с резисторной нагрузкой заключаются в уменьшении вдвое (с 4 до 2 Вт) потребляемой мощности и нелинейных искажений, в возможности повышения номиналов резисторов в цепях коллекторов. Так как выходной сигнал снимается с эмиттерного повторителя, упрощается построение цепей коррекции АЧХ.

На рис. 5 представлена принципиальная схема ВУ, используемого в телевизоре 3УСЦТ с модулем цветности МЦ-2. Он представляет собой усилитель с активной нагрузкой. Резистор R3 применен для передачи напряжения ООС в предварительный усилитель сигнала (в нашем случае - канала R), находящийся в ВП DA1. ООС обеспечивает снижение нелинейности усилителя до 6 %. Цепь R8C1 корректирует АЧХ в области высоких частот. Стабилитрон VD2 служит источником образцового напряжения (ИОН), необходимого для фиксации рабочей точки ВУ.

Схемотехника выходных усилителей

Регулировка ББЧ резистором R9 приводит к установке нужного уровня гашения в выходном сигнале, поступающем из микросхемы DA1 на базу транзистора VT1. Регулировка размаха сигнала резистором R7 обеспечивает установку коэффициента передачи ВУ, необходимого для получения БББ. Резистор R10 в ВУ(G) и ВУ(В) имеет номинал 1 кОм.

Искажения сигналов в телевизорах 3УСЦТ значительно ниже, чем в УЛПЦТ и УПИМЦТ. В канале яркости они равны 15 %, в тракте цветности - 8 %, в целом - 22 %. ВУ телевизора 3УСЦТ с другими модулями цветности отличаются от показанных на рис. 5 в основном номиналами деталей. Для полноты описания такого варианта ВУ укажем, что в [1] рассмотрена схема комплементарного ВУ, собранного на транзисторах BF469, BF470, для работы с ВП TDA2530. Он характеризуется малыми (4 %) нелинейными искажениями, низкой потребляемой мощностью (0,5 Вт), но и узкой (4,8 МГц) полосой пропускания выходных сигналов с большим размахом. Полоса пропускания выходного сигнала малого размаха достигает 7 МГц.

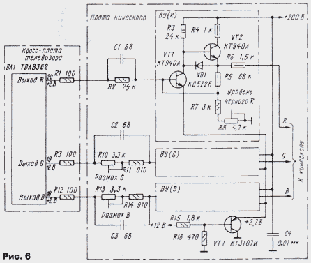
По более простой принципиальной схеме, изображенной на рис. 6, построены ВУ телевизора ЭЛЕКТРОН-ТК570 [6].

Схемотехника выходных усилителей

Они собраны также по схеме с активной нагрузкой, но в отличие от ВУ по схеме на рис. 5, сигнал ООС подается не на ВП, а на базу транзистора VT1 ВУ. Изменены также включение резисторов регулировки размаха и подача фиксированного напряжения на эмиттеры транзисторов. В качестве ИОН использован транзисторный узел вместо стабилитрона, имеющего большое дифференциальное сопротивление, вызывающее изменение напряжения стабилизации при изменении тока нагрузки. Через делитель R15R16 протекает ток, на порядок больший тока базы транзистора VT7, поэтому напряжения на его базе и эмиттере практически не изменяются при колебаниях тока через ВУ. Построение ИОН различных ВУ практически идентично и отличается лишь значением выходного напряжения и номиналами резисторов делителя.

Выходное напряжение принимается равным напряжению в режиме черного (указано в справочниках) на выводах ВП, с которых снимаются выходные сигналы R, G, B. Соответствующие значения для микросхем TDA2530 и TDA8362 указаны на рис. 5 и 6. При этом допустимо отклонение до %0,5 В, поскольку окончательная установка рабочей точки каждого ВУ обеспечивается подстроечным резистором уровня черного в процессе регулировки ББЧ. Она предусмотрена по всем лучам. БББ луча R отсутствует.

В цепи базы первого транзистора каждого ВУ включено несколько резисторов. Первый из них, например, R1 в ВУ(R) размещен вблизи ВП и предотвращает его работу непосредственно на емкость монтажа и кабеля, соединяющего ВП с ВУ. Это благотворно сказывается на полосе пропускания ВУ.

Следует отметить, что на этом и всех последующих рисунках показано, что ВУ размещен уже не в модуле цветности, а на отдельной плате, надеваемой на цоколь кинескопа. Приближение ВУ к емкостной нагрузке - катодам кинескопа улучшило их АЧХ и расширило полосу пропускания.

На рис. 7 показана принципиальная схема ВУ телевизора TVT2594 [7]. Важнейшим отличием от ВУ по схемам на рис. 5 и 6 можно считать использование усилителя с резисторной нагрузкой, собранного на высоковольтном широкополосном транзисторе BF871S. Его характеристики такие же, как и у упомянутого уже транзистора 2SC2271D и рассматриваемых далее BF869, 2BC4714RL2, 2SC3063RL, 2SC3271N. Кроме того, если в ВУ по схеме на рис. 6 питание с ИОН подано на эмиттер транзистора ВУ, а цепь регулировки уровня черного была подключена к его базе, то в ВУ по рис. 7 они поменялись местами. Резистор R5 создает цепь ООС. Цепь С1R11 обеспечивает ВЧ коррекцию АЧХ, диод VD1 защищает транзистор от попадания на его базу напряжения, превышающего 12 В. Уровень черного регулируют в каждом ВУ, размах сигналов - только в ВУ(G) и ВУ(B).

Схемотехника выходных усилителей

Перейдем к ВУ для ВП с автоматической установкой ББЧ (ее называют системой АББ). Они широко применены в телевизорах четвертого и последующих поколений, хотя многие фирмы (например SONY) продолжают и сегодня использовать ВУ с ручной регулировкой баланса белого даже в самых современных изделиях массового производства, мотивируя это высокой стабильностью параметров применяемых кинескопов.

Система АББ в каждом полукадре измеряет темновые токи ЭОП кинескопа и корректирует уровни гашения сигналов R, G, B на выходах ВП с целью совмещения точек модуляционных характеристик ЭОП, соответствующих току луча, равному 10 мкА. Следовательно, ББЧ устанавливается не для момента полного гашения лучей, а в точке, где ЭОП еще немного приоткрыты. Считается, что этот способ регулировки ББЧ в массовой аппаратуре дает практически такой же результат, что и ручная регулировка.

Функционирование системы АББ подробно описано в [1] и в [5]. Ограничимся указанием на то, что датчики этой системы находятся в ВУ, а управляющие их работой устройства - в ВП. Следует также отметить, что система АББ сложнее описанной ранее системы ручной регулировки, но более эффективна. Баланс белого устанавливается за один цикл, тогда как в ВУ с ручной регулировкой требуется несколько раз повторить настройку ББЧ и БББ для достижения баланса на всех уровнях яркости. При использовании системы АББ ББЧ устанавливается автоматически и нужно лишь подкорректировать БББ резисторами изменения размаха сигнала. В ВУ такого типа число точек регулировки сокращено до двух, так как резисторы установки уровня черного не нужны. Эти ВУ реализованы на транзисторах и микросхемах.

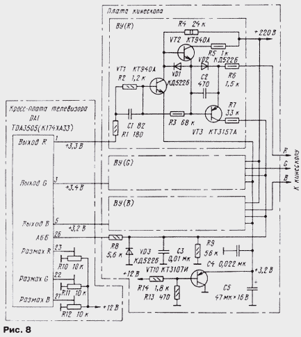
На рис. 8 изображена принципиальная схема ВУ телевизора ЭЛЕКТРОН- ТК550. С незначительными изменениями такие ВУ применены в аппаратах ЭЛЕКТРОН-ТЦ503, ОРИЗОН-ТЦ507, РУБИН-ТЦ402/5143, ГОРИЗОНТ-CTV501/ 525/601. Эти ВУ рассмотрены в [6]. По построению коллекторных цепей транзисторов, цепей ООС и подачи образцового напряжения они не отличаются от ВУ с ручной регулировкой баланса белого. Основное отличие - это наличие датчиков системы АББ. В ВУ(R) датчиком служат транзистор VT3 и измерительный резистор R7. Номиналы измерительных резисторов в каждом ВУ выбирают так, чтобы соотношение токов трех лучей кинескопа при передаче измерительных импульсов обеспечивало ББЧ. Методика их расчета имеется в [1]. Цепь R9C3VD3R8 обеспечивает передачу измерительных импульсов в ВП. Резисторы регулировки размаха сигналов подключены к ВП аналогично тому, как это сделано в телевизорах 3УСЦТ (см. рис. 5).

Схемотехника выходных усилителей

Пример построения ВУ на микросхемах представлен на схеме рис. 9.

Схемотехника выходных усилителей

Такие ВУ применены в телевизоре ГОРИЗОНТ-CTV-655 [6]. Они собраны на микросхемах TDA6101Q - мощных высоковольтных широкополосных ОУ. Их преимуществом можно назвать малую рассеиваемую мощность - они не нуждаются в теплоотводах. В таких ВУ использованы резисторы с мощностью рассеяния не более 0,5 Вт, тогда как в ВУ на транзисторах необходимы резисторы с мощностью рассеяния 2...5 Вт. Назначение выводов микросхемы показано на рисунке и пояснений не требует. БББ регулируют в ВУ(G) и ВУ(В). Важно отметить, что микросхему можно применить и при ручной регулировке ББЧ, если не устанавливать измерительные резисторы R6, R7, R11, R12, как это сделано в [8], или, как рекомендовано в [9], соединить выводы 5 всех трех микросхем вместе и подключить через резистор сопротивлением 100 кОм к общему проводу.

Существуют и трехканальные интегральные ВУ. Это - микросхемы TEA5101A/W с АББ и TDA6103Q с ручной регулировкой ББЧ. Принципиальная схема включения первой из них будет показана дальше, а второй - изображена на рис. 10, она рассмотрена в [9].

Схемотехника выходных усилителей

Схема очень проста и дополнительных пояснений не требует. Для нормальной работы микросхема нуждается в небольшом теплоотводе: рассеиваемая мощность достигает 5 Вт. Образцовое напряжение получено из напряжения 185 В на делителе R2R1.

Рассказ о том, почему в современных телевизорах полоса пропускания видеотракта достигает 10 МГц и более, дает основание радиолюбителям для соответствующих доработок отечественных телевизоров третьего и четвертого поколения.

Наиболее совершенными можно назвать видеоусилители (ВУ) для видеопроцессоров (ВП) с микроконтроллерной регулировкой баланса белого, используемые в телевизорах седьмого поколения, в которых применяют цифровое управление микросхемами. Их можно разделить на две группы. К первой относятся ВУ для ВП с автоматической установкой ББЧ (с системой АББ) и микроконтроллерной регулировкой БББ, ко второй - ВУ для ВП с микроконтроллерной установкой обоих режимов. Такие ВУ не имеют настроечных резисторов.

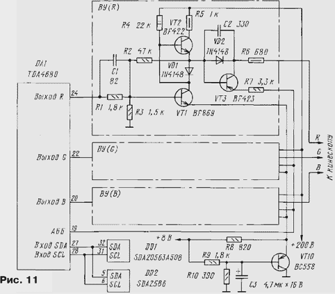
ВУ первой группы использованы в телевизорах TVT25152/28162 [7] и THOMSON-STV2160 [10]. В первом случае каждый ВУ (рис. 11) собран на трех транзисторах и представляет собой усилитель с активной нагрузкой (VT1, VT2) и измерительным транзистором VT3. Микросхема DA1 - видеопроцессор с системой АББ, управляемый по цифровой шине I 2 C. Цифровая микросхема SDA20563A508 (DD1) - микроконтроллер системы управления функциями всех блоков телевизора, а SDA2586 (DD2) - микросхема памяти цифровых значений настроек и регулировок. Каскад на транзисторе VT10 - ИОН.

Схемотехника выходных усилителей

Построение ВУ не имеет существенных отличий от описанных ранее. Однако функционируют они иначе. Что касается ББЧ, он обеспечивается автоматически. Размахи сигналов для получения БББ устанавливают при изготовлении или ремонте телевизора посредством микроконтроллера DD1 при его работе в сервисном режиме. Используя меню на экране кинескопа и пульт дистанционного управления, оператор регулирует параметры каждого из лучей. Их необходимые значения запоминаются в микросхеме DD2, из которой они при эксплуатации поступают на ВП. Последний использует приходящую цифровую информацию для установки регулировок усиления в каналах R, G, B. Более подробные сведения по вопросам функционирования цифровой шины управления I2C можно найти в [1] и в [11].

На рис. 12 показана принципиальная схема ВУ упомянутого телевизора THOMSON-STV2160. Микросхема DA1 - видеопроцессор с системой АББ и цифровым управлением по шине I2C, DA2 - интегральный трехканальный видеоусилитель с цепями системы АББ, DD1 - микроконтроллер, DD2 - устройство памяти. ИОН собран на транзисторе VT1. Цепи системы АББ содержат элементы R11, VD4, R14, VD5, R8, R4, C1. Функционирует этот ВУ так же, как и предыдущий.

Схемотехника выходных усилителей

Пример телевизора, в котором и ББЧ, и БББ устанавливаются микроконтроллером, - PANASONIC-TC-14L10R/21S2 [10]. Принципиальная схема его ВУ изображена на рис. 13. В нем использован самый простой из рассмотренных усилитель с резистивной нагрузкой на одном транзисторе. Микросхема DA1 - видеопроцессор, DD1 - микроконтроллер, DD2 - устройство памяти. Функционирование этого ВУ - такое же, как и у собранных по схемам на рис. 11 и 12, за исключением того, что в сервисном режиме настраивают не только БББ, но и ББЧ.

Схемотехника выходных усилителей

Из рассмотренного следует, что построение ВУ при переходе от одного поколения телевизоров к другому изменяется в сторону упрощения при одновременном улучшении технических и эксплуатационных характеристик. Каждый раз это достигается за счет использования более современных компонентов и усложнения схемотехники трактов цветности и яркости.

Проследим, как же изменялись параметры ВУ.

Нелинейные искажения в телевизорах первого поколения (УЛПЦТ) были очень велики. У ВУ канала яркости они доходили до 12 %, у ВУ цветоразностных сигналов - до 15 %. Это объяснялось вдвое большим размахом этих сигналов по сравнению с яркостным. В телевизорах второго поколения (УПИМЦТ) уровень искажений в ВУ был снижен до 8 %, а в аппаратах последующих поколений - до 5 %.

Коэффициент передачи ВУ в телевизорах УЛПЦТ в канале яркости достигал 50, а ВУ цветоразностных сигналов - 23...47. ВУ в моделях УПИМЦТ имели коэффициент передачи, равный 47. В телевизорах 3УСЦТ использованы ВУ с коэффициентом передачи 38, а в последних моделях он не превышает 20. Размах входных сигналов у ВУ модели УЛПЦТ равен 1,5 В в канале яркости и 3,2 В в цветоразностных ВУ. В телевизорах второго-третьего поколений на ВУ поступали сигналы R, G, B из ВП TDA2530, TDA3505 размахом 2 В. У более совершенного ВП TDA4580 он равен 3 В, а у TDA8362 - 4 В. Увеличенный размах входных сигналов позволил снизить коэффициент передачи ВУ, что обеспечило уменьшение искажений и возможность расширения полосы пропускания.

Полосы пропускания яркостного, цветоразностных и цветовых сигналов в телевизорах УПИМЦТ и 3УСЦТ (на TDA2530, TDA3501) равны 5,5; 1,5...2; 5,5 МГц соответственно, в телевизорах четвертого поколения - 5,2; 2; 10 МГц, а в современных аппаратах (на TDA8362 и ей подобных) - 8; 3,5; 9...10 МГц. Это означает, что в телевизорах первого-третьего поколений тракты яркости и цветности, а также ВУ передавали на кинескоп не весь спектр принимаемого видеосигнала. Лишь в аппаратах четвертого и последующих поколений полоса пропускания ВП расширилась, превзойдя стандартное значение в 6,25 МГц. ВП с расширенной полосой потребовали соответствующего расширения полосы пропускания ВУ до 9...10 МГц. И такие ВУ появились (см. рис. 4, 6-13). ВУ на TDA6101Q, TDA6103Q, TEA5101A/W обеспечивают линейную АЧХ до частот 7,5...8 МГц при минимальной потребляемой мощности.

Может возникнуть вопрос: если расширение полосы пропускания ВП и ВУ до передаваемой телецентром 6,25 МГц оправдано, зачем нужно дальнейшее увеличение?

Напомним, что импульс любой формы можно представить суммой синусоидальных составляющих с соответствующими частотами, амплитудами и фазами. Математическое выражение такого представления называют преобразованием Фурье. Оно позволяет определить значения указанных параметров для основной частоты импульса и ее гармоник.

Принято считать, что строка телевизионного изображения состоит из 800 элементов. При строчной частоте 15,625 кГц длительность прямоугольного импульса, представляющего такой элемент, равна 80 нс. Ему соответствует набор синусоид с частотами 6,25; 12,5; 18,75 МГц и т. д. Для приближенного сохранения формы импульса необходимо, чтобы хотя бы часть гармоник передавалась без искажения амплитуд и фаз. При полосе пропускания 5,5 МГц ни одна из этих гармоник на кинескоп не попадет и такой элемент воспроизведен не будет. При полосе пропускания видеотракта до 10 МГц через него пройдут только синусоидальные колебания основной частоты 6,25 МГц. В результате прямоугольный первоначально импульс будет передан на катод кинескопа в виде положительной полуволны синусоиды с уменьшенной амплитудой и воспроизведен нерезко.

Импульс, соответствующий детали изображения длительностью в два элемента строки, при ширине полосы пропускания ВП и ВУ 5,5 МГц будет передан основной частотой 3,125 МГц, что соответствует горизонтальной четкости 340 линий шкалы испытательной таблицы. Однако изображение этой детали на экране кинескопа будет нерезким и неярким. При полосе 10 МГц будут переданы основная частота, вторая и третья гармоники (3,125; 6,25; 9,375 МГц). Четная гармоника повысит крутизну фронта импульса, искажая его спад, а нечетная - улучшит его прямоугольность.

Заметно улучшится воспроизведение детали изображения протяженностью в три элемента строки, что соответствует горизонтальной четкости 230 линий. При полосе пропускания 5,5 МГц будут переданы две гармоники (2,083 и 4,167 МГц), а при полосе 10 МГц - четыре (еще 6,25 и 8,333 МГц).

Следовательно, в телевизоре с полосой пропускания видеотракта 5,5 МГц обеспечивается резкое воспроизведение не более 230 деталей изображения в строке. Детали с размерами, соответствующими 230...340 линиям, будут переданы нерезко, с размытыми границами. Более мелкие либо сольются в общую светлосерую полосу, либо вообще не будут воспроизведены.

Если же полоса пропускания видеотракта расширена до 10 МГц, то границей резко воспроизводимых штрихов испытательной таблицы будет уровень в 340 линий, а штрихи в интервале 340 и более линий будут слегка смазаны.

Известно, что видеосигнал на выходе видеомагнитофонов формата VHS имеет горизонтальную четкость 230...270 линий, а формата S-VHS - 400...430 линий. Эфирные программы передаются с четкостью 320...360 линий. Это означает, что приемник с полосой пропускания 5,5 МГц хорошо воспроизведет все, кроме самых мелких, детали формата VHS, несколько ухудшит резкость эфирных программ и значительно ухудшит воспроизведение сигналов S-VHS, уменьшив их четкость почти вдвое (с 400...430 линий до 230...340).

В то же время телевизоры с полосой пропускания видеотракта 10 МГц с высокой четкостью воспроизведут сигналы VHS, а также эфирные программы и лишь самые мелкие детали изображения формата S-VHS будут иметь пониженную резкость.

Итак, для удовлетворительного воспроизведения программ формата VHS достаточно иметь полосу пропускания видеотракта 5,5 МГц, а при использовании видеомагнитофона S-VHS нужна полоса 10 МГц.

Остался невыясненным вопрос, зачем нужна более широкая полоса (чем 6,25 МГц) при приеме эфирных программ?

Дело в том, что в телевизорах четвертого и последующих поколений принимаются меры к улучшению формы принимаемых видеосигналов. Из-за ряда причин (они подробно изложены в [1, 2] и в [12]) импульсы, составляющие видеосигнал, передаваемый телецентром, не имеют прямоугольной формы. Длительность фронтов и спадов импульсов в сигналах яркости может быть (в зависимости от амплитуды) до 150 нс. Такова же длительность перепадов в цветоразностных сигналах систем PAL и NTSC. В стандарте SECAM они имеют длительность до 1800 нс, что вызвано использованием другого способа модуляции поднесущих сигналами цветности. В системах PAL и NTSC применяют разновидности амплитудной модуляции, а в стандарте SECAM - частотную модуляцию. В результате длительность перепадов в цветоразностных сигналах зависит от значения сдвига частоты поднесущей при переходе от детали изображения с одним цветом к детали с другим цветом.

Для повышения крутизны перепадов цветоразностных сигналов SECAM в телевизоры вводят корректоры цветовых переходов. Основой такого корректора служит микросхема TDA4565 (аналоги - К174ХА27, КР1087ХА1). Принцип работы корректора подробно описан в разделе 8.5 в [5]. Корректор сокращает длительность перепадов с 800 до 150 нс, уравнивая их крутизну в яркостном и цветоразностных сигналах и совмещая их по времени. Однако он не может справиться с сигналами, имеющими очень пологие фронты. В [1] предложено использовать совместно с микросхемой дополнительный корректор, сокращающий длительность цветового перехода с 1800 до 800 нс и позволяющий затем микросхеме TDA4565 уменьшить эту длительность до 150 нс. Схема такого корректора на одном транзисторе рассмотрена в [1].

В наиболее современных телевизорах используют корректоры перепадов сигналов и в тракте яркости, например, процессоры улучшения изображения TDA9170, TDA9171 [9]. Путем статистического анализа частоты повторения в кадре пяти уровней яркости он корректирует общую нелинейность видеотракта gобщ до нормативного значения 1,2. В результате обеспечивается отображение всех 10 градаций яркости по шкале испытательной таблицы, расширяется диапазон изменения насыщенности синих и особенно голубых цветов, плохо воспроизводимых в рамках используемой колориметрической системы R, G, B. Микросхема TDA8362 имеет встроенные цепи для улучшения четкости изображения.

Повышение крутизны перепада представляет собой изменение его формы путем введения в состав сигнала более высокочастотных гармоник, отсутствовавших в принятом сигнале. Применение такой процедуры в телевизорах с полосой пропускания ВП и ВУ, равной 5,5 МГц, малоэффективно, так как большая часть введенных корректором гармоник расположена вне этой полосы и улучшения воспроизведения не произойдет. В то же время расширение полосы пропускания улучшает передачу гармоник. Отметим попутно, что корректор цветовых переходов не исправляет апертурные искажения в кинескопе. Для их уменьшения нужна лишь точная фокусировка лучей кинескопа, уменьшающая их диаметр.

В телевизорах с частотой кадровой развертки 100 Гц полоса пропускания сигналов яркости и R, G, B увеличена до 15...22 МГц, а у цветоразностных сигналов равна 13 МГц. В таких аппаратах используют ВУ на микросхеме TDA6111Q с граничной частотой 16 МГц.

Все рассмотренные ВУ использованы в телевизорах промышленного производства, выпускавшихся большими сериями, и проявили себя как работоспособные. Следовательно, их можно попытаться применить для модернизации телевизоров устаревших моделей. Рассмотрим эту возможность.

Что касается телевизоров УЛПЦТ, то замена четырех ламповых ВУ транзисторными позволила бы заметно улучшить качество изображения, избавиться от нескольких ламп, работающих в форсированном режиме, снизить энергопотребление и тепловыделение. Но этому мешает то, что ВУ таких телевизоров питаются напряжением 370 В, а максимальное напряжение у перспективных транзисторов (BF871S и аналогичных) достигает лишь 250 В. Снизить напряжение питания невозможно при сохранении способа модуляции кинескопа. Следовательно, замена ВУ в телевизорах УЛПЦТ возможна лишь при существенной переделке блока цветности с изменением способа модуляции кинескопа. Имея в виду построение современных телевизоров, она должна включать введение в него ВП для формирования сигналов R, G, B, что позволит изменить способ модуляции кинескопа и собрать ВУ по любой схеме из показанных на рис. 4-7, 9, 10.

В телевизорах серии УПИМЦТ возможна (и даже желательна) замена транзистора КТ940А в каждом модуле М2-4-1 любым из указанных ниже аналогичных зарубежных транзисторов. Результатом будет более устойчивая работа ВУ, улучшенная цветопередача. Весьма рациональным представляется описанный в [1] вариант: вместо каскада на транзисторе КТ940А с резистивной нагрузкой использовать каскад на двух транзисторах КТ969А с активной нагрузкой. Это повысит качество работы при снижении вдвое мощности, потребляемой по цепи питания +200 В. Целесообразно также более существенное изменение построения ВУ: замена модулей М2-4-1 на любые из числа рассмотренных по схемам на рис. 4- 7, 9, 10, смонтированные на небольшой плате, прикрепленной к плате кинескопа. Это расширит полосу пропускания ВУ при резком сокращении числа используемых деталей и энергопотребления.

В 3УСЦТ с ВУ, построенными по схемам на рис. 5 и 8, транзисторы КТ940А (VT1 и VT2) могут быть заменены на BF869 и BF422 соответственно (см. рис. 11) без каких-нибудь изменений. Целесообразно также перенести ВУ с модуля цветности на плату кинескопа.

Транзисторы BC557N, BC558, BC558B могут быть заменены на КТ3107И. Вместо BF422, BF423 может быть использован транзистор КТ3157А. Транзисторы 2SC2271D, 2SC3271, 2SC3063RL2, 2BC4714RL2, BF869, BF871S взаимозаменяемы. По справочникам аналогичные параметры имеет отечественный транзистор КТ969А, но эта замена неравноценна. Диод 1N4148 может быть заменен на КД522Б.

Литература

  1. Хохлов Б. Декодирующие устройства цветных телевизоров. - М.: Радио и связь, 1992.
  2. Джакония В., Гоголь А., Друзин Я. и др. Телевидение: учебник для вузов. - М.: Радио и связь, 1997.
  3. Ельяшкевич С., Кишиневский С. Блоки и модули цветных унифицированных телевизоров. - М.: Радио и связь, 1982.
  4. Телевизор SHIVAKI-STV202MKII, SHIVAKI-STV208MKII. - Радиоконструктор, 1998, № 02, с. 19-30.
  5. Ельяшкевич С., Пескин А. Телевизоры 3УСЦТ, 4УСЦТ, 5УСЦТ. Устройство, регулировка, ремонт. - М.: Символ-Р, 1993.
  6. Лукин И., Корякин-Черняк С., Янковский С. Практическая схемотехника современных телевизоров. Серия "Ремонт", вып. 8. - М.: Солон & Наука и техника, 1996.
  7. Пескин А., Коннов А. Ремонт телевизоров TVT. Серия "Ремонт", вып. 16. - М.: Солон, 1997.
  8. Брылов В. Микросхема TDA8362 в 3УСЦТ и других телевизорах. - Радио, 1998, № 9-12.
  9. Пономаренко А., Аникеенко В. Телевизионные микросхемы PHILIPS, кн. 1. Серия "Зарубежная электроника", вып. 3. - Киев: Наука и техника, 1998.
  10. Пескин А., Коннов А. Телевизоры зарубежных фирм. Серия "Ремонт", вып. 17. - М.: Солон, 1997.
  11. Пескин А., Коннов А. Цифровая шина управления I2C. - Радио, 1996, № 10, с. 14, 15.
  12. Пескин А., Коннов А. Цифровая шина управления I2C. - Радио, 1996, № 10, с. 14, 15.
  13. Домбругов Р. Телевидение: учебник для вузов. - Киев: Вища школа, 1979.

Автор: В.Брылов, г.Москва

Смотрите другие статьи раздела Телевидение.

Читайте и пишите полезные комментарии к этой статье.

<< Назад

Последние новости науки и техники, новинки электроники:

Токсичность интернета преувеличена 07.01.2026

Социальные сети нередко воспринимаются как арена постоянной агрессии, оскорблений и распространения фейковой информации. Новое исследование Стэнфордского университета показывает, что реальность значительно отличается от популярного представления: интернет гораздо менее токсичен, чем многие пользователи считают. Ученые опросили более тысячи американцев, попросив их оценить долю пользователей соцсетей, которые ведут себя агрессивно или распространяют ненависть. Оказалось, что впечатления людей сильно преувеличивают масштабы проблемы. Например, респонденты считали, что почти половина пользователей Reddit хотя бы раз оставляла оскорбительные комментарии, тогда как фактические данные платформы показывают, что таких людей не более 3%. Аналогичная ситуация наблюдается с дезинформацией. Опрос показал, что большинство участников считали почти половину аудитории Facebook распространителями фейковых новостей, однако статистика говорит об обратном: фактическая доля таких пользователей состав ...>>

Процессоры Ryzen AI 400 07.01.2026

Современные вычисления все больше ориентируются на интеграцию искусственного интеллекта и высокую производительность в компактных устройствах, таких как ноутбуки и мини-ПК. Новая линейка процессоров AMD Ryzen AI 400 демонстрирует, как разработчики объединяют мощные центральные ядра, графику и нейросетевые ускорители в одном чипе, чтобы удовлетворять растущие потребности пользователей в играх, контенте и ИИ-приложениях. AMD представила процессоры серии Gorgon Point, которые включают до 12 ядер Zen 5 и до 24 потоков вычислений. Чипы поддерживают интегрированную графику RDNA 3.5, обеспечивают максимальную тактовую частоту до 5,2 ГГц и имеют энергопотребление от 15 Вт до 54 Вт. Особое внимание уделено NPU, способному обрабатывать до 60 триллионов операций в секунду (TOPS), что делает эти процессоры эффективными для задач с искусственным интеллектом. Конструкция Ryzen AI 400 сочетает ядра Zen 5 и Zen 5c, обеспечивая высокую гибкость и производительность. Несмотря на то, что архитектур ...>>

Женщины лучше распознают признаки болезни по лицу 06.01.2026

Способность распознавать, что кто-то нездоров, часто проявляется интуитивно: бледная кожа, опущенные веки, уставшее выражение лица могут сигнализировать о недомогании. Новое исследование международной группы ученых показало, что женщины в среднем точнее мужчин улавливают такие тонкие невербальные признаки болезни, что может иметь эволюционные и социальные объяснения. В отличие от предыдущих работ, где использовались отредактированные фотографии или имитация больных лиц, ученые решили проверить, насколько люди способны распознавать естественные признаки недомогания. Такой подход позволил оценить реальную чувствительность к изменениям в лицах, возникающим при болезни. В исследовании приняли участие 280 студентов, поровну мужчин и женщин. Участникам предложили оценить 24 фотографии, на которых изображены люди как в здоровом состоянии, так и во время болезни. Это дало возможность сравнить восприятие естественных признаков недомогания в реальных лицах. Для анализа состояния каждого ...>>

Случайная новость из Архива

Водородный электролет Joby Aviation 15.07.2024

Недавние достижения в области авиационных технологий продолжают впечатлять, и одной из самых значительных инноваций стал демонстрационный образец eVTOL на водородных топливных элементах от компании Joby Aviation. Этот летательный аппарат совершил первый в истории длительный перелет, преодолев 842 километра без посадки, что почти втрое превышает предыдущий рекорд компании, установленный на батареях.

Летательный аппарат S4 от Joby Aviation использует систему топливных элементов H2F-175, разработанную компанией H2Fly, которую Joby приобрела в 2021 году. Самолет находился в воздухе более четырех часов, а после приземления в его баках оставалось еще 10% топлива. Этот полет демонстрирует значительный потенциал водорода как жизнеспособного альтернативного источника энергии для электрических вертикально-взлетающих и посадочных летательных аппаратов (eVTOL).

На сегодняшний день аккумуляторные eVTOL подходят только для небольших экскурсий или городских воздушных такси. Их запас хода ограничен примерно 250 километрами, что является пределом для дальних перевозок. Водород, с его высокой удельной энергоемкостью, представляет собой перспективную альтернативу. Особенно это важно для летательных аппаратов, которым необходимо преодолевать гравитацию, поднимая собственный вес и полезную нагрузку. Тем не менее, технологии водородных топливных элементов пока менее развиты, чем литиевые батареи, особенно в криогенной жидкой форме.

Joby Aviation увидела большой потенциал водорода и приобрела немецкую компанию H2Fly, пионера в области водородных самолетов. В сентябре прошлого года демонстрационный аппарат HY4 от H2Fly совершил первый в мире пилотируемый полет на жидком водороде. Этот успех стал основой для дальнейших разработок.

Недавно eVTOL на водородном топливе совершил полет вокруг объектов компании в Марина, Калифорния. За 4 часа и 47 минут самолет преодолел 842 километра. Для этого полета Joby переоборудовала свой предсерийный eVTOL с поворотным крылом в водородно-электрический демонстрационный аппарат. В самолете был установлен криогенный топливный бак, вмещающий до 40 килограммов жидкого водорода, хранящегося при температуре -251 °C. Вакуумная оболочка бака поддерживала безопасную температуру его поверхности.

Водород питает систему топливных элементов H2F-175, которая запускает электрохимическую реакцию с кислородом из воздуха, вырабатывая электроэнергию, воду и тепло. Электроэнергия, полученная от топливных элементов, является основным источником питания для шести винтов самолета, в то время как небольшая батарея используется для взлета и посадки.

Основатель и генеральный директор Joby ДжоБен Бевирт подчеркнул, что большая часть работ по проектированию, испытаниям и сертификации, выполненных для eVTOL на батареях, применима к водородным полетам. Joby планирует использовать те же посадочные площадки, программное обеспечение ElevateOS и операционную группу для обеих моделей. Водородные аппараты предназначены для региональных перевозок без необходимости использования взлетно-посадочной полосы аэропорта.

Полет водородного eVTOL от Joby Aviation стал первым в истории прямым полетом VTOL на жидком водороде. Это значительный шаг вперед в раскрытии потенциала водородных технологий. В будущем компания планирует достичь дальности полета более 1500 километров для самолетов с неподвижным крылом, таких как Hy4 от H2Fly, что открывает новые горизонты в авиации и демонстрирует потенциал водорода как эффективного и экологически чистого источника энергии.

Другие интересные новости:

▪ Аксессуар Biostar для добычи криптовалют

▪ Ткань уничтожает запахи

▪ Стволовые клетки помогут вылечить алкоголизм

▪ Компактный телескоп Xiaomi Star Trang Telescope

▪ Новые карты памяти Кingmax записывают видео 4K2K

Лента новостей науки и техники, новинок электроники

 

Интересные материалы Бесплатной технической библиотеки:

▪ раздел сайта Металлоискатели. Подборка статей

▪ статья Летающая лодка. Советы моделисту

▪ статья Насколько опасны метеориты? Подробный ответ

▪ статья Походная мини-кухня. Советы туристу

▪ статья Термошкаф. Энциклопедия радиоэлектроники и электротехники

▪ статья Исчезновение дамы. Секрет фокуса

Оставьте свой комментарий к этой статье:

Имя:


E-mail (не обязательно):


Комментарий:





Главная страница | Библиотека | Статьи | Карта сайта | Отзывы о сайте

www.diagram.com.ua

www.diagram.com.ua
2000-2026