Menu Home

Бесплатная техническая библиотека для любителей и профессионалов Бесплатная техническая библиотека


Телевизоры с цифровыми обработкой и управлением. Способы регулировки, ремонт. Энциклопедия радиоэлектроники и электротехники

Бесплатная техническая библиотека

Энциклопедия радиоэлектроники и электротехники / Телевидение

Комментарии к статье Комментарии к статье

Система контроля за работой блоков и узлов в телевизорах с цифровым управлением обеспечивает надежную защиту аппаратов при выходе из строя. При возникновении неисправности, особенно в силовых цепях (блоках строчной и кадровой разверток, вторичных стабилизаторах питающих напряжений и др.), она переводит телевизор в дежурный режим, и включить его невозможно. Как выключить в этом случае систему защиты для проведения ремонта, рассказано в публикуемой статье. Автор рассматривает работу подобных телевизоров на примере аппарата JVC-AV-G21T, а также дает рекомендации по вхождению в сервисный режим и способам регулировки.

Существенное снижение цен на бытовую технику (в долларах США) в последние годы коснулось и многих моделей телевизоров. В наибольшей степени это относится к самым массовым аппаратам на кинескопах с диагональю экрана 37, 51 и 54 см. Многим фирмам-производителям уже в 1992 г. удалось довести розничные цены на телевизоры с кинескопом, имеющим размер экрана по диагонали 54 см, до 300...350 долл., не снижая при этом их технический уровень и качество. Можно только догадываться, какова же их истинная себестоимость, но некоторые пути существенного снижения производственных затрат прослеживаются отчетливо.

В качестве примера рассмотрим довольно популярный телевизор JVC-AV-G21T (был приобретен автором в 1996 г.). В несколько модернизированном виде его продолжали выпускать и в 1998 г. (модель JVC-AV-2130EE по цене 345 долл., см. [1]).

Коротко остановимся на технических характеристиках телевизора. Интервалы принимаемых частот 46,25...168,25, 175,25...463,25, 471,25...863,25 МГц перекрываются тюнером CEEU534-803, перестраиваемым синтезатором напряжения, т. е. обеспечивается прием во всех эфирных и кабельных каналах (1-12, 21-60, S1-S41). Рабочие радиостандарты - B, G, D, K, K1, I, цветовые системы - PAL/SECAM, а с видеовходов - NTSC3,58/NTSC-4,43, которые выбираются как автоматически, так и вручную.

Кроме того, аппарат снабжен видео- и аудиовходами на фронтальной и задней панелях и видео- и аудиовходами C3ади (разъемы RCA). Настройка и управление возможны с передней панели и с пульта ДУ, обеспечиваются оперативные регулировки яркости, контрастности, цветовой насыщенности или тона (в системе NTSC), четкости и громкости. Потребляемая мощность - 70 Вт (максимальная - 105 Вт) при напряжении сети 90...260 В.

Перечисленные параметры никак не позволяют отнести эту модель к разряду "простых", а низкую себестоимость, по мнению автора, фирме JVC удалось обеспечить в основном за счет исключения большинства технологических операций по регулировке на сборочном конвейере. Ранее (лет 20 назад) каждое рабочее место регулировщика было снабжено дорогим измерительным оборудованием и оснасткой. Кроме того, требовался высококвалифицированный персонал на большинство технологических операций по регулировке и испытаниям.

Телевизор JVC-AV-G21T (и многие другие модели фирмы последних лет) по отечественной классификации относится к пятому поколению, т. е. к аналогоцифровым телевизорам с микропроцессорным управлением и аналоговой обработкой звуковых и видеосигналов [2]. Однако ему присущи и некоторые черты аппаратов шестого поколения: большинство технологических регулировочных операций производится в цифровом виде путем программирования энергонезависимого электрически перепрограммируемого запоминающего устройства ЭСППЗУ (EEPROM). В нашем случае это - микросхема AT24C04 (IC702).

Поскольку при таком способе регулировки практически не требуются подключение измерительной аппаратуры к контрольным точкам внутри телевизора и подстройка различных элементов с переменными параметрами (катушки индуктивности, подстроечные резисторы и конденсаторы), удается значительно сократить производственные затраты. Кроме того, отрегулировав несколько экземпляров телевизоров, в дальнейшем можно вводить первичную информацию в ЭСППЗУ программатором. В этом случае будет необходима только проверка сходящих с конвейера аппаратов, а при отклонениях какого-нибудь параметра от номинала - лишь его подстройка с пульта управления.

Упрощенная структурная схема телевизора JVC-AV-G21T изображена на рис. 1. В него входят импульсный источник питания на микросхеме STR-S6707 (IC901) фирмы SANKEN, блок строчной развертки на дискретных элементах, блок кадровой развертки на микросхеме LA7837 (IC401) фирмы SANYO, всеволновый тюнер CEEU534 (TU001), многофункциональный блок обработки телевизионного сигнала на микросхемах М52343SP (IC201), M52325P (IC302) фирмы MITSUBISHI, U3660M-B (IC301), коммутаторы аудио- и видеовходов на микросхемах LA7016 (IC251, IC651) фирмы SANYO, усилитель звуковой частоты на микросхеме AN5265 (IC601) фирмы MATSUSHITA, система управления и настройки на микропроцессоре М37212М4-050SP (IC701) и ряд стабилизаторов напряжения и узлов на дискретных элементах.

Телевизоры с цифровыми обработкой и управлением. Способы регулировки, ремонт
(нажмите для увеличения)

По объему решаемых задач прежде всего следует выделить однокристальную микро-ЭВМ М37212М4050SP (IC701) фирмы MITSUBISHI. Компания JVC традиционно широко использует в своей видеоаппаратуре микропроцессоры и другие микросхемы этой фирмы, отличающиеся очень высокой надежностью. Самопроизвольные, без заметных внешних причин, выходы из строя ее микропроцессоров - очень редки, чего не скажешь об изделиях некоторых других фирм. Например, печально известные у ремонтников телевизионные микропроцессоры TMP47C434N - R214 (QSMQAOZTS015) и TMP47C634AN - R584 (QSMQAOZTS045) фирмы FUNAI обеспечили немалую прибыль нашим фирмам, торгующим электронными компонентами. К сожалению, при эксплуатации телевизоров широко распространен самопроизвольный выход из строя этих БИС.

Питание микропроцессора (+5 В) обеспечивает специализированный стабилизатор IC703 на микросхеме L78LR05E-MA. Она же содержит устройство сброса для обнуления микропроцессора при включении аппарата. Цепь питания VDD (вывод 27) микропроцессора тщательно развязана от проникновения помех П-образным фильтром С709L701C711.

Микропроцессор IC701 обеспечивает большинство функций по оперативному управлению всеми остальными функциональными блоками телевизора и контролю за исполнением команд. Кроме того, на него возложена задача по технологическим регулировкам на стадии производства, для чего телевизор построен практически без подстроечных элементов (катушек, резисторов и конденсаторов). Из традиционных ручных регулировок имеются подстроечные резисторы фокусировки и напряжения на аноде кинескопа A51LEC098X в блоке строчной развертки и регулятор размера изображения по вертикали в блоке кадровой развертки.

По цифровой двунаправленной магистрали (предположительно I2C, обозначение на схеме - BUS I/F) микропроцессор обменивается информацией с многофункциональной БИС обработки телевизионного сигнала IC201 (сигналы SCL1 и SDA1 - на выводах 37 и 39 микропроцессора) и с энергонезависимым запоминающим устройством IC702 (сигналы SCL2 и SCDA2 - на выводах 36 и 38). Все эти сигналы выведены на контрольный разъем CN00C, что позволяет программировать запоминающее устройство от внешнего компьютера, подключать логический анализатор или другие измерительные приборы для проведения диагностики и ремонта в условиях производства и сервисных центров.

Назначение остальных управляющих выходов (выводов) микропроцессора следующее:

4 - сигнал переключения режима кадровой развертки 50/60 Гц (поступает на вывод 5 микросхемы IC401);

8 - сигнал, включающий светодиод индикации режима OFF TIMER на передней панели;

9 - сигнал управления регулятором громкости в микросхеме IC601;

10 - сигнал блокировки звука путем замыкания на общий провод вывода 4 микросхемы IC601 (через согласующий каскад);

19 - включение рабочего режима телевизора подачей напряжения +5 В на транзистор Q942 блока питания (в дежурном режиме транзистор закрыт);

20-22 - сигналы управления синтезатором напряжения тюнера - CLOCK, DATA, ENABLE (синхронизация, данные, разрешение настройки);

31 - сигнал включения режекторного фильтра CF124 на 4,5 МГц в видеотракт при работе с сигналами стандартов М и N (фильтр работает только при стыковке через видеовход с некоторыми телевизионными тюнерами NTSC; при подключении видеомагнитофонов VHS или проигрывателей видеодисков наличие или отсутствие фильтра безразлично; стыковка через антенный вход с аппаратурой NTSC в модели не предусмотрена);

31, 32 - сигналы управления режимами звукового тракта, которые обеспечивают его переключение на прием телевизионных сигналов с частотным разносом 5; 6 и 6,5 МГц (нужный режим может быть выбран и вручную с пульта ДУ);

41 - сигнал управления коммутатором аудио- и видеовходов на микросхемах IC251, IC651;

50-52 - сигналы В, G, R формирователя меню настройки и регулировки, поступают на соответствующие входы микросхемы IC201 (выводы 25, 27, 29) канала обработки телевизионных сигналов.

Для обеспечения контроля работоспособности узлов телевизора и правильности их функционирования микропроцессор имеет следующие входы (выходы): 1 и 2 - для подачи строчных импульсов с обмотки ТДКС и кадровых импульсов с выходного каскада микросхемы IC401 (через буферные каскады и резистивные аттенюаторы), а также 7 - для контроля состояния системы защиты узлов блока разверток.

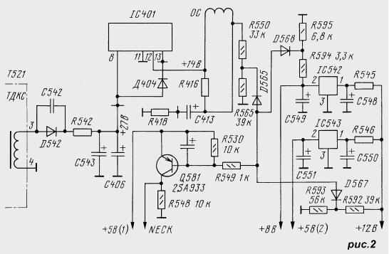
Поскольку построение устройства защиты имеет специфические особенности, целесообразно рассмотреть его работу более подробно по фрагменту схемы на рис. 2. Ключ на транзисторе Q581 обеспечивает слежение за наличием сразу трех напряжений. В исходном состоянии при исправно работающем телевизоре он надежно закрыт. Так как напряжение на его коллекторе отсутствует, то уровень 0 по цепи NECK поступает на вывод 7 микропроцессора. Контролируемые цепи питания через делители напряжения, диоды и общий для всех резистор R549 подключены к базе транзистора Q581: для напряжения +8 В это - R594, R595, D568, а для +12 В - R592, R593, D567. Напряжение +27 В контролируется косвенно, так как делитель R550R565 через диод D565 и кадровые отклоняющие катушки подключен к средней точке выходного каскада кадровой развертки в микросхеме IC401 (вывод 12) с напряжением +14 В.

Телевизоры с цифровыми обработкой и управлением. Способы регулировки, ремонт

В нормальном состоянии все диоды закрыты приложенными к катодам напряжениями с соответствующих делителей. При исчезновении любого из этих напряжений открывается один из диодов и, следовательно, транзистор Q581 через соответствующий резистор в нижнем плече делителя (соединенный с общим проводом). На коллекторе транзистора и проводнике NECK появляется напряжение +5 В, означающее для процессора аварийный режим. В результате на выводе 19 и проводнике P-ON/OFF микропроцессора (см. рис. 1) напряжение падает до нуля, транзисторы Q941, Q942 в блоке питания закрываются, исчезает напряжение +12 В (HD-VCC), питающее блок разверток, и телевизор переходит в дежурный режим (standby). Поскольку наличие напряжения +14 В на делителе R550R565 (рис. 2) возможно только при нормально работающем блоке строчной развертки, с которого подано напряжение +27 В на микросхему IC401 (выводы 8, 13), системой контроля оказываются охвачены почти все силовые элементы телевизора. Так, отсутствие генерации в блоке строчной развертки по любым причинам приводит к аварийной блокировке. Автору неизвестно, что именно разработчики подразумевали под аббревиатурой NECK, но словосочетание NECK OR NOTНING означает "либо пан, либо пропал!" (имеется значение NECK - горловина кинескопа).

Столь неординарное и в то же время простое построение устройства защиты вполне можно использовать и в различных радиолюбительских разработках, для чего требуется провести расчет делителей напряжения для их конкретных значений по формуле U2=U1R2/(R1+R2), где U1 - напряжение питания; U2 - напряжение в средней точке делителя; R1 - верхний, R2 - нижний резистор, соединенный с общим проводом. Напряжение U2 должно быть на 0,5...3 В больше, чем питающее транзистор Q581. В рассмотренном выше узле приблизительные расчетные напряжения U2 равны +5,38 В (R594R595), +7,07 В (R553R592), +7,5 В (R550R565).

Обратная сторона такого способа контроля - большие трудности при диагностике неисправностей, поскольку отказ любого из очень большого числа элементов в самых различных узлах телевизора приводит к его блокировке и невозможности что-нибудь измерить. Для устранения многозначности при диагностике систему контроля на время проведения ремонтных работ можно выключить, например, замкнув между собой выводы базы и эмиттера транзистора Q581. Однако, прежде чем это сделать, необходимо обязательно убедиться в отсутствии коротких замыканий в силовых цепях блоков строчной (Q552, C526, D542, C543, C545, D543 и др.) и кадровой (выводы 8 и 13 микросхемы IC401 и др.) разверток и цепей, подключенных к стабилизаторам напряжений IC542 и IC543 (выводы 1 и 2).

Продолжим рассмотрение особенностей функционирования микропроцессора телевизора (см. рис. 1). Выводы 11 и 15 служат входами управления режимами с передней панели (регуляторы громкости, переключатели программ). На вывод 16 приходят сигналы с вывода 2 инфракрасного фотоприемника TFMSS380ESN системы ДУ. Вывод 30 - вход сброса, вывод 35 - вход контроля работоспособности устройства ограничения тока лучей кинескопа по цепям яркости (ABL) и контрастности (ACL).

Работа микропроцессора синхронизирована встроенным кварцевым генератором с частотой 8 МГц (резонатор Х701 подключен к выводам 24 и 25).

Такой же, как и рассмотренный выше, алгоритм функционирования характерен и для некоторых других моделей телевизоров фирмы. Например, в модели JVC-C-21ZE применен почти тот же набор микросхем основных узлов, что и в описываемой модели, за исключением микропроцессора (установлен М37102М8-С42SP в корпусе с 64 выводами). Интересно, что в очень многих моделях фирмы выпуска 1996-1998 гг. применены совершенно другие схемные решения и элементная база. Имеются в виду модели, сопоставимые по цене и функциональным возможностям, например, JVC-C-S2180M и др.

Обработку телевизионного сигнала в телевизорах JVC-AV-G21T, JVC-C-21ZE в основном обеспечивает мно гофункциональная БИС М52343SP. Сигнал на нее поступает непосредственно на ПЧ изображения с фильтра на ПАВ (выводы 6 и 7). Блок радиоканала (внутри БИС) имеет видеовыход (вывод 52), с которого ПЦТС через коммутатор на микросхеме LA7016 (IC251) проходит на внешний видеовыход или через каскады, в которых происходит режекция поднесущих звука, - на видеовход микросхемы (вывод 36). Кроме того, в блоке радиоканала имеется выход (вывод 3) управляющего сигнала системы АРУ, подаваемого на тюнер.

Из ПЦТС на выводе 52 коммутируемые пьезофильтры выделяют нужную звуковую поднесущую, которая приходит на вход канала звука (вывод 2). В зависимости от модели в телевизоре установлены три-четыре полосовых фильтра на частоты 4,5; 5,5; 6; 6,5 МГц в соответствии со стандартами M, B, G, I, D, K. Звуковой сигнал с вывода 46 БИС через коммутатор IC651 поступает на выходной усилитель ЗЧ - вывод 2 микросхемы AN5265 (IC601).

Большинство узлов декодирующего устройства и канал яркости также входят в БИС - полосовые и режекторные фильтры, линия задержки в канале яркости, распознаватель систем цветного телевидения, усилители, устройства матрицирования, формирователи задающих сигналов для блока разверток, коммутаторы сигналов R, G, B и др. И все они выполнены на одном кристалле, без применения внешних элементов. Переменные параметры (частоты настройки, время задержки и т. п.) задают в цифровом виде по шине BUS I/F (выводы 11 и 15).

С выводов 21-23 снимают цветовые сигналы R, G, B для подачи на видеоусилители телевизора. Дополнительные входы R, G, B (выводы 29, 27, 25) служат для подачи сигналов меню с микропроцессора управления.

В обработке сигналов системы SECAM принимает участие ряд узлов на микросхемах М52325Р (IC302) и U3660M-B (IC301). Последняя представляет собой линию задержки на строку (ПЗС), которая работает и при приеме сигнала в системе PAL.

Следовательно, примененные схемные решения позволили без преобразования телевизионного сигнала в цифровую форму добиться многих преимуществ полностью цифровых телевизоров при низкой себестоимости элементной базы. Розничная цена, например, микросхем M52343SP на радиорынке Ростова-на-Дону - около 15 долл., М52325P - 5 долл.

Общие для большинства телевизоров узлы (блоки питания, разверток, видеоусилители и др.) каких-нибудь существенных особенностей не имеют, хотя на их долю и приходится основная масса неисправностей таких аппаратов. В этой связи рассмотрим построение блока питания телевизора JVC-AV-G21T. Его особенность - широкий интервал допустимого изменения сетевого напряжения - 90...270 В при кратковременной и 110...260 В при долговременной работе, что обусловлено в основном применением специализированной микросхемы STR-S6707 фирмы SANKEN. Ее широко применяют во многих современных моделях телевизоров различные изготовители. Однако, несмотря на довольно большой запас по допустимому напряжению сети, выход из строя этих микросхем - явление нередкое. В случае затруднений с заменой можно ориентироваться на ее более мощные функциональные эквиваленты STR-S6708, STR-S6709, используемые в телевизорах с кинескопами 63 и 72 см. С точки зрения надежности такая замена даже предпочтительна (замена STR-S6708, STR-S6709 на STRS6707 недопустима).

Выход из строя силовых микросхем импульсных блоков питания нередко сопровождается отказами других элементов, поэтому перед включением необходимо проверить исправность диодных выпрямителей, высоковольтных оксидных конденсаторов, оптопар, низкоомных резисторов, а также убедиться в отсутствии коротких замыканий во вторичных цепях питания.

Диагностика и ремонт блоков разверток рассматриваемых телевизоров каких-нибудь особенностей не имеет, да и соответствующей литературы сейчас довольно много.

В заключение рассмотрим способы регулировки некоторых параметров телевизора в сервисном режиме. В связи со значительным объемом сервисной инструкции описать их полностью не представляется возможным, поэтому остановимся только на основных операциях. Переведенную на русский язык инструкцию [3] продают на радиорынках, однако невысокое качество перевода может вызвать затруднения при ее использовании. Потребность в регулировке может возникнуть при неверно установленных на заводе рабочих параметрах телевизора, а также после замены каких-нибудь элементов и узлов при ремонте. Так, в экземпляре, имеющемся у автора, была существенно завышена цветовая насыщенность при работе в системе SECAM. И наконец, самый большой объем регулировочных операций требуется проводить при замене неисправного ППЗУ на "чистое", без информации.

Регулируют аппарат, используя пульт ДУ и меню на экране телевизора. В сервисный режим входят, нажав одновременно кнопки "DISPLAY" и "PICTURE MODE". При этом на экране высвечиваются названия трех основных блоков (этапов) регулировочных операций: 1. VSM PRESET, 2. SUB VSM, 3. IF V/C ADJ. Нужные блоки выбирают соответствующими кнопками (1, 2 или 3; режим 4 - SET UP MENU в этой модели вызывать не нужно).

Первая группа (блок, этап) операций позволяет установить средние значения регулировок яркости (BRIGHT), контрастности (CONT), насыщенности (COLOUR), цветового тона NTSC (TINT) и четкости (SHARP) в различных режимах яркости изображения - BRIGHT (яркое), STANDARD (среднее) и SOFT (мягкое), последовательно выбираемых кнопкой "PICTURE MODE".

Саму установку выполняют кнопками "+" или "-" из группы кнопок "PICTURE ADJUST", перед чем необходимо нажать центральную кнопку из этой группы в каждом из режимов. Числовые значения (они отображаются на экране), рекомендованные изготовителем для каждого из них (BRIGHT, STANDARD, SOFT), следующие:

  • TINT - 30, 30, 30;
  • COLOUR - 15, 15, 15;
  • BRIGHT - 15, 15, 15;
  • CONT - 30, 24, 17;
  • SHARP - 20, 15, 10

Как видно по этим значениям, режимы BRIGHT, STANDARD, SOFT различаются контрастностью изображения и в меньшей степени его четкостью. Предустановку цветовой насыщенности лучше делать по реальным изображениям при приеме различных программ телевидения и работе через видеовход в системах PAL, SECAM, NTSC. Если нужно вернуться в предыдущее меню (SERVICE MENU), нажимают кнопку "MUTE". Повторное ее нажатие выводит телевизор из сервисного режима.

Параметры второй группы (2. SUB VSM) устанавливают аналогично первой, только вместо кнопки "PICTURE MODE" используют кнопку "COLOUR SYSTEM". Режимы и их параметры устанавливают теми же кнопками ("-", PICTURE ADJUST, "+"). Рекомендованные изготовителем значения COLOUR-33, BRIGHT-17, CONT-30, SHARP-9 - для всех систем при приеме эфирных программ. При работе через видеовход может потребоваться корректировка параметров под реальные источники сигналов (включают видеовход кнопкой TV/VIDEO).

В третью группу (3. IF V/C ADJ - ПЧ, видео, цветность) входят 14 параметров, установка которых требует подачи калиброванных испытательных сигналов. Ее подробное описание дано в [3]. Там же рассмотрены и способы регулировки размера по вертикали, фокусировки и напряжения на аноде кинескопа, а также реализация функции самоконтроля.

Система самоконтроля сигнализирует о неисправностях миганием светодиодов и выведением на экран надписи NECK (иногда OCP или X-RAY), если это еще возможно. При пробоях, обрывах и коротком замыкании в блоке разверток экран не светится, но светодиоды продолжают мигать, конечно, если при этом исправна сама система управления, а источник первичного питания подает на нее напряжение +5 В.

Литература

  1. Журавлев А. Новое - хорошо забытое старое. - STEREO & VIDEO, 1998, №2, с. 43.
  2. Петропавловский Ю. Телевизоры с цифровыми обработкой и управлением, ремонт. - Радио, 1997, №1, с. 12-15.
  3. Вхождение в режим сервиса с помощью ПДУ, сервисная регулировка и настройка зарубежных телевизоров цветного изображения JVC, SAMSUNG, SONY, Книга 2. - Издательство не указано, 1996.

Автор: Ю.Петропавловский

Смотрите другие статьи раздела Телевидение.

Читайте и пишите полезные комментарии к этой статье.

<< Назад

Последние новости науки и техники, новинки электроники:

Хорошо управляемые луга могут компенсировать выбросы от скота 15.02.2026

Животноводство, особенно разведение крупного рогатого скота, часто обвиняют в значительном вкладе в глобальное потепление из-за мощного парникового газа - метана, который выделяется при пищеварении у жвачных животных. Это вызывает острые политические споры и призывы к сокращению потребления мяса. Однако ученые напоминают, что полная картина климатического воздействия отрасли не ограничивается только выбросами от животных: огромную роль играет окружающая экосистема - пастбища, почва и растительность, которые способны активно поглощать углекислый газ из атмосферы. Исследователи из Университета Небраски-Линкольна решили глубже изучить этот баланс. Группа под руководством профессора Галена Эриксона сосредоточилась на том, как правильно организованные пастбища накапливают углерод в растениях и грунте благодаря естественным процессам, стимулируемым выпасом скота. Ученые подчеркивают, что при достаточном уровне осадков и грамотном управлении такие луга превращаются в мощные природные погло ...>>

NASA тестирует инновационную технологию крыла 15.02.2026

Коммерческая авиация ежегодно расходует колоссальные объемы керосина, что сказывается не только на бюджете авиакомпаний, но и на состоянии окружающей среды. В 2024 году глобальные затраты на авиационное топливо достигли 291 миллиарда долларов, и эта сумма продолжает расти. Чтобы справиться с этими вызовами, NASA активно работает над технологиями, способными заметно повысить аэродинамическую эффективность самолетов. Одним из самых перспективных направлений стало создание специальной конструкции крыла, которая максимизирует естественный ламинарный поток воздуха и минимизирует сопротивление. В январе 2026 года специалисты NASA Armstrong Flight Research Center успешно провели важный этап наземных испытаний концепции Crossflow Attenuated Natural Laminar Flow (CATNLF). Для эксперимента под фюзеляж исследовательского самолета F-15B закрепили вертикально ориентированную масштабную модель высотой около 0,9 м (3 фута), напоминающую узкий киль. Такая компоновка позволила подвергнуть прототип р ...>>

Забота о внуках очень полезна для здоровья мозга 14.02.2026

Общение между поколениями приносит радость всей семье, но мало кто задумывается, насколько активно бабушки и дедушки, заботящиеся о внуках, поддерживают свою умственную форму. Регулярное взаимодействие с детьми стимулирует мозг пожилых людей, помогая сохранять память, скорость мышления и общую когнитивную активность. Новые научные данные подтверждают, что такая добровольная помощь не только важна для общества, но и может замедлять возрастные изменения в мозге. Исследователи из Тилбургского университета в Нидерландах провели анализ, чтобы понять, приносит ли уход за внуками реальную пользу здоровью пожилых людей. Ведущий автор работы Флавия Черечес отметила, что многие бабушки и дедушки регулярно присматривают за детьми, и оставался открытым вопрос, насколько это положительно сказывается на их собственном благополучии, особенно в плане когнитивных функций. Ученые поставили цель выяснить, способен ли регулярный уход за внуками замедлить снижение памяти и других умственных способ ...>>

Случайная новость из Архива

Дождевая вода для смыва в туалете 09.08.2025

Гоуп Андервуд, выпускница Нортумбрийского университета, разработала устройство под названием Mains to Rains, которое представляет собой компактную модульную систему сбора и повторного использования дождевой воды. По ее задумке, установка подключается напрямую к существующим водосточным трубам жилого здания, при этом не требуя полной перестройки коммуникаций. Проект стал итогом учебной программы Design for Industry, а идея родилась после того, как Андервуд узнала о прогнозах на 2050 год: только в Великобритании ежедневно будет требоваться на 5 миллиардов литров воды больше, чем сейчас.

Особое внимание Гоуп обратила на тот факт, что почти треть всей воды в британских домохозяйствах уходит на смыв унитаза. Этот объем эквивалентен месячной норме питьевой воды на одного человека. Именно это несоответствие и побудило ее разработать решение, способное перераспределить ресурсы без ущерба для комфорта и санитарии.

Система Mains to Rains основана на баке емкостью 50 литров, который монтируется на внешнюю стену дома и соединяется с водостоком через фильтрующий модуль и разветвитель. Особенностью конструкции является встроенный электромагнитный клапан, исключающий смешивание дождевой воды с питьевой. Если осадков недостаточно, система автоматически подключается к центральному водопроводу, обеспечивая бесперебойную работу.

Простота установки делает проект особенно привлекательным. Для внедрения Mains to Rains достаточно лишь вырезать участок сливной трубы и закрепить модуль. Возможность наращивания системы за счет дополнительных баков позволяет адаптировать ее под семьи разного размера. Кроме того, это решение дает ощутимую экономию владельцам домов, использующим водомеры.

Свою разработку Андервуд впервые продемонстрировала на выставке New Designers в Лондоне в виде масштабной модели. На сегодняшний день она активно ищет партнера для серийного производства устройства и уже получила поддержку от компании Northumbrian Water. Водоснабжающая организация уверена, что первоначальные затраты на установку полностью окупятся за счет долгосрочной экономии водных ресурсов.

Таким образом, инициатива молодой дизайнерки показывает, как локальные инженерные решения могут играть важную роль в глобальных экологических задачах. Использование дождевой воды в быту - это не только способ сократить расходы, но и шаг к устойчивому будущему, в котором каждая капля на счету.

Другие интересные новости:

▪ Часы с интерфейсом Bluetooth

▪ Сколько простоит роза

▪ Электромобиль от BMW

▪ Адаптивный экзокостюм для ходьбы

▪ Настольный мобильный телефон

Лента новостей науки и техники, новинок электроники

 

Интересные материалы Бесплатной технической библиотеки:

▪ раздел сайта Микроконтроллеры. Подборка статей

▪ статья Хорошо смеется тот, кто смеется последним. Крылатое выражение

▪ Что представляла собой Германия в IХ-ХI вв.? Подробный ответ

▪ статья Слесарь-электрик. Типовая инструкция по охране труда

▪ статья Автоматический выключатель бытовой радиоаппаратуры. Энциклопедия радиоэлектроники и электротехники

▪ статья Ожившая тень. Физический эксперимент

Оставьте свой комментарий к этой статье:

Имя:


E-mail (не обязательно):


Комментарий:





Главная страница | Библиотека | Статьи | Карта сайта | Отзывы о сайте

www.diagram.com.ua

www.diagram.com.ua
2000-2026