Menu Home

Бесплатная техническая библиотека для любителей и профессионалов Бесплатная техническая библиотека


Микросхемы для устройства Кадр в кадре. Энциклопедия радиоэлектроники и электротехники

Бесплатная техническая библиотека

Энциклопедия радиоэлектроники и электротехники / Телевидение

Комментарии к статье Комментарии к статье

Напомним, зачем в телевизоре нужно устройство PIP - "Кадр в кадре" (или POP - "Кадр вне кадра"). Оно позволяет на экране телевизора нвряду с основным изображением получить еще один или несколько малых кадров других программ, расположенных либо в самом поле основного (PIP), либо рядом с ним (POP). О некоторых микросхемах для таких устройств ранее уже было рассказано нв страницвх "Радио". Однако с тех пор появились микросхемы новых поколений. Они рассмотрены в публикуемой здесь статье. Автор также описывает принципиальную схему одного из вариантов устройства, дана его печатная плата.

Фирма SIEMENS разработала несколько поколений микросхем для устройств "Кадр в кадре". Особенности комплекта первого поколения (SDA9086 - SDA9088) были рассмотрены в [1 и 2]. В 1993 г. появился комплект микросхем второго поколения: SDA9187 и SDA9188. Первая из них содержит три АЦП и цепи формирования цифровых сигналов, а вторая представляет собой процессор PIP с полевой и строчной памятями.

Использование в устройстве "Кадр в кадре" третьей микросхемы (SDA9086), формирующей тактовый сигнал основного изображения, не обязательно. В этом случае тактовый сигнал может вырабатываться внутренним устройством ФАПЧ, входящим в состав процессора SDA9188. К нему подключают кварцевый резонатор на частоту 20,48 МГц.

Вместо кварцевого можно применить керамический резонатор. Выбор внутреннего устройства ФАПЧ обеспечивается по шине l2C. Для этого в бит d2 регистра SDA9188 с субадресом 04 записывают уровень 0. Адрес микросхемы - такой же, как и у SDA9088, т. е. 00101110.

Во втором поколении микросхем разрядность АЦП увеличена с пяти до шести, что улучшило качество кадра, вводимого в поле основного изображения. Возможны два его размера - 1/9 и 1/16 от площади экрана. Микросхемы могут работать в телевизорах с частотой кадровой развертки как 50, так и 100 Гц (бит d3 в регистре 00 устанавливают равным уровню 0 или 1 соответственно).

Аналоговые яркостный и цветоразностные сигналы с положительной или отрицательной полярностью тремя АЦП в микросхеме SDA9187, работающими с тактовой частотой 13,5 МГц (в режиме 100 Гц тактовую частоту увеличивают до 27 МГц), преобразуются в три шести разрядных цифровых сигнала. При положительной полярности подаваемых на микросхему цветоразностных сигналов вывод 14 должен быть соединен с общим проводом. Свободное состояние этого вывода или подача на него напряжения +5 В соответствует отрицательной полярности цветоразностных сигналов.

Номинальные размахи входных сигналов Y, U, V равны 1 В. Образцовые постоянные напряжения для них получаются в микросхеме SDA9187 на делителе, состоящем из внутренних резисторов, включенных между выводами 18, 20, 22 и 24. Чтобы уменьшить раствор амплитудных характеристик АЦП до 0,5 В, между выводами 20 и 22 включают внешний резистор сопротивлением 128 Ом. Номинальные размахи входных сигналов увеличиваются до 2 В, если между выводами 18 и 20 подключить резистор сопротивлением 530 Ом, а между выводами 22 и 24 - резистор сопротивлением 343 Ом.

Цветоразностные сигналы мультиплексируются. В результате получается десятиразрядный поток, в котором сигнал яркости занимает шесть разрядов. Для точного совмещения сигналов яркости и цветности предусмотрена регулируемая задержка сигнала яркости. Регулировка обеспечивается изменением внешних напряжений на выводах 25 - 27 в соответствии с табл. 1.

Микросхемы для устройства Кадр в кадре

Сокращение числа строк и отсчетов в строке в малом изображении происходит в интерполяционных горизонтальном и вертикальном фильтрах, что предотвращает появление интерференционных искажений. Затем информация записывается в память с объемом 169812 бит (212 отсчетов в строке, 89 строк, 9 разрядов).

Считываемое малое изображение располагают в одном из четырех углов основного. Место вывода выбирают по шине l2C (биты d6 и d7 в регистре 03). Также по шине l2C можно смещать вводимое изображение по вертикали и горизонтали (биты d0 - d3 регистра 02 и d0 - d5 регистра 03). Воспроизведение изображения возможно в полевом или кадровом режиме. При установке полевого режима (бит d7 в регистре с адресом 06 содержит уровень 0) в память записывается только одно поле. В кадровом режиме (d7 = 1) память постоянно работает в режиме записи.

Микросхемы устройства PIP используют как в стандартах D/K и B/G (625 строк), так и в американском стандарте М (525 строк).

Малое изображение можно снабжать рамкой (бит d0 регистра 01 содержит уровень 1). Толщину ее линий и цвет устанавливают по шине I2С (биты d4, d5 в регистре 05 и d1 - d3 в регистре 01). При размере 1/9 малое изображение состоит из 88 строк, в каждой из которых содержится 212 отсчетов сигнала яркости и по 53 отсчета цветоразност-ных сигналов. При размере 1/16 оно содержит 66 строк и 160 отсчетов сигнала яркости в строке.

Размер изображения по вертикали и горизонтали устанавливают раздельно (биты d6 и d7 регистра 05). Отсюда появляется возможность воспроизведения малого изображения с форматом 16:9 на экране с форматом 4:3. Для этого достаточно применить режим вывода изображения с числом строк 66 и числом отсчетов в строке 212. Аналогично, применив режим 88 строк и 160 отсчетов в строке, воспроизводят изображение формата 4:3 на экране с форматом 16:9. Сигналы с выходов процессора SDA9188 могут выводится в формате R, G, В или Y, U, V (уровень 1 или 0 в бите d1 регистра 00). Возможно получение неподвижного, так называемого "замороженного" изображения. Для этого бит d5 в регистре 00 устанавливают равным уровню 1.

Устройства PIP второго поколения позволяют использовать в канале малого изображения декодер цветности без линии задержки на строку. Впервые такое решение было предложено в [3]. Возможность исключения линии задержки обусловлена интерполяцией строк в вертикальном фильтре устройства PIP. На выходе декодера в режиме PAL во время каждой строки выделяются оба цветоразностных сигнала с половинной амплитудой (относительно номинальной). После вертикального фильтра амплитуды сигналов увеличиваются до номинального уровня. В режиме SECAM на выходах декодера поочередно через строку выделяются сигналы R - Y и B - Y с номинальной (единичной) амплитудой. После усреднения в вертикальном фильтре получаются сигналы с половинной амплитудой. Поэтому, чтобы была одинаковая цветовая насыщенность малого изображения в режимах PAL и SECAM, необходимо увеличить размах цветоразностных сигналов SECAM в два раза.

Декодер цветности должен вырабатывать сигнал опознавания цветового стандарта, который поступает на центральный процессор. В режиме SECAM последний записывает в бит d7 регистра с субадресом 07 уровень 1, тогда коэффициент передачи для цветоразностных сигналов увеличивается вдвое.

Микросхемы PIP второго поколения выпускают в корпусе, предназначенном для поверхностного монтажа P - DSO - 28, имеющем 28 выводов.

В 1995 г. появилась микросхема PIP третьего поколения SDA9288, в которой объединены функции микросхем SDA9187 и SDA9188. Эта микросхема, как и комплект второго поколения, обеспечивает получение одного дополнительного изображения с площадью 1/9 или 1/16 от основного изображения. Однако появились и новые возможности. Прежде всего можно получить изображение в формате POP ("Кадр вне кадра").

Микросхема содержит переключаемую матрицу R, G, В (для стандартов SECAM/PAL, NTSC - США и NTSC - Япония). Возможен выбор по шине I2С одного из 4096 цветов рамки. Регулировка времени задержки сигнала яркости обеспечивается не изменением внешних напряжений, а по шине I2С (биты d0 -d2 в регистре 04).

В микросхеме изменением внешнего напряжения на выводе 15 может быть установлен один из трех возможных адресов (11010110 при U15 = 0; 11011100 при U15 = 2,5 В и 11011110 при U15 = 5 В). Это позволяет, использовав три процессора PIP, вывести на экран три независимых изображения.

Информация о приеме сигнала SECAM может быть непосредственно подана на вывод 26. При этом коэффициент передачи по цветоразностным сигналам увеличивается вдвое.

Микросхемы SDA9288 изготавливают в корпусе P - DSO - 32 - 2, имеющем 32 вывода.

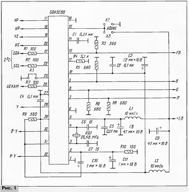
Рис. 1 иллюстрирует включение микросхемы SDA9288. Буквами VP и HP обозначены кадровые и строчные импульсы основного изображения соответственно, а буквами VI и HI - аналогичные импульсы вводимого изображения; FB - выходные бланкирующие импульсы. Перемычки Х2 и ХЗ служат для выбора адреса микросхемы.

Микросхемы для устройства Кадр в кадре
(нажмите для увеличения)

Микросхему SDA9189, выпущенную в 1995 г., называют "Квадро - PIP". Такое название дано потому, что она может создавать вводимый кадр площадью, равной 1/4 площади основного изображения. Кроме того, микросхема обеспечивает еще 17 вариантов выведения малых изображений, в том числе четыре- размером 1/16, три - размером 1/9, девять - размером 1/32. Четыре варианта предназначены для формата 16:9. Например, один из них - три изображения, расположенных справа или слева от стандартного кадра 4:3.

Процессор SDA9189 используют совместно с микросхемой SDA9187, выполняющей, как и в устройствах PIP второго поколения, функции строенного АЦП и формирователя потока цифровой информации.

Основное назначение "Квадро - PIP" - сканирование выбранных каналов. Одно изображение получается подвижным, остальные - "замороженные". Возможно введение в каждое изображение информационной надписи из пяти знаков (латинских букв, цифр или символов, соответствующих в основном кодам ASCII). Обеспечивается определение четности воспроизводимого поля, что способствует нормальной работе в кадровом режиме.

В микросхеме используется не вся активная часть поля вводимого изображения. При дискретизации охватываются 576 отсчетов сигнала яркости в строке и 252 строки в поле. Как и в микросхемах второго поколения, для уплотнения информации служат горизонтальные и вертикальные интерполяционные фильтры. Для размера 1/4 в фильтрах усредняются только два последующих отсчета и две строки, для 1/9 - по три отсчета и строки, а для 1/36 - шесть отсчетов и строк. Получаемая информация записывается в память, которая имеет объем 329184 бит. Если воспроизводится одиночное изображение, кадровая частота равна 50 Гц, а стандарты основного и вводимого изображения одинаковы (например, 625 строк), то может реализоваться кадровый режим, когда записываются как четные, так и нечетные поля. При этом повышается четкость и временное разрешение. Во всех остальных случаях записываются только четные или нечетные поля.

При считывании малого изображения из памяти положение его на экране телевизора задают по вертикали и горизонтали через шину l2C. Для записи команд процессор имеет 21 восьмиразрядный регистр. Содержание регистров пояснено в табл. 2. Микросхема SDA9189 снабжается тремя такими же адресами, как и SDA9288. Степень смещения изображения по горизонтали и вертикали записывают в регистры 02 и 03.

Микросхемы для устройства Кадр в кадре
(нажмите для увеличения)

Малое изображение при желании окантовывают рамкой. Ее цвет задают битами d0-d3 в регистре 09 (уровень сигнала Y), d0-d3 и d4-d7 в регистре 10 (уровни сигналов U и V). Всего предусмотрено 4096 цветов. При воспроизведении нескольких изображений между ними вводят внутренние рамки. Если бит d0 в регистре 16 равен 1, на всем экране телевизора, кроме вводимого изображения, появляется фон с программно-задаваемым цветом.

На выходы микросхемы могут выводиться либо сигналы R, G, В (бит d0 регистра 12 равен 1), либо Y, U, V (этот бит равен 0). Значение бита d1 в этом же регистре определяет полярность выходных цветоразностных сигналов (они будут неинвертированными при d1 = 0).

Процессор SDA9189, как и SDA9188, позволяет выбирать одну из трех матриц R, G, В: европейскую (для сигналов PAL и SECAM - стандарт EBU), азиатскую (для японского варианта системы NTSC) и американскую. Матрица EBU будет выбрана, когда бит d2 регистра 11 равен 0. Различия обусловлены разными цветовыми координатами белого и основных цветов в кинескопах, используемых в этих странах. Для разных матриц получатся различные амплитуды цветоразностных сигналов и фазовые углы по отношению к оси B - Y. Они указаны в табл. 3.

Микросхемы для устройства Кадр в кадре

Для управления коммутатором R, G, В, находящемся в видеопроцессоре, из процессора PIP выводится бланкирующий сигнал. Его задержку по отношению к сигналу яркости и цветоразностным сигналам (биты d3 - d6 регистра 01) устанавливают по шине l2C. Тем самым обеспечивается точное положение вводимого изображения по отношению к рамке. Выходные сигналы снимают с внешних резисторов нагрузок, через которые протекают токи трех ЦАП.

Автор: Б.Хохлов, г.Москва

Смотрите другие статьи раздела Телевидение.

Читайте и пишите полезные комментарии к этой статье.

<< Назад

Последние новости науки и техники, новинки электроники:

Питомцы как стимулятор разума 06.10.2025

Помимо эмоциональной поддержки, домашние питомцы могут оказывать заметное воздействие на когнитивные процессы, особенно у пожилых людей. Новое масштабное исследование показало, что общение с кошками и собаками не просто улучшает настроение - оно действительно способствует замедлению возрастного снижения умственных способностей. Работа проводилась в рамках проекта Survey of Health, Ageing and Retirement in Europe (SHARE), охватывающего период с 2004 по 2022 год. В исследовании приняли участие тысячи европейцев старше 50 лет. Анализ показал, что владельцы домашних животных демонстрируют более устойчивые когнитивные функции по сравнению с теми, кто не держит питомцев. Особенно выражен эффект оказался у владельцев кошек и собак. Согласно данным ученых, владельцы собак дольше сохраняют хорошую память, в то время как хозяева кошек медленнее теряют способность к быстрому речевому взаимодействию. Исследователи связывают это с тем, что ежедневное взаимодействие с животными требует внимани ...>>

Мини-ПК ExpertCenter PN54-S1 06.10.2025

Компания ASUSTeK Computer презентовала новый мини-компьютер ASUS ExpertCenter PN54-S1. Устройство ориентировано на пользователей, которым важно сочетание производительности, энергоэффективности и универсальности - от офисных задач до мультимедийных проектов. В основе ExpertCenter PN54-S1 лежит современная аппаратная платформа AMD Hawk Point, использующая архитектуру Zen 4. Это поколение чипов отличается улучшенным управлением энергопотреблением и повышенной вычислительной мощностью. Новинка доступна в конфигурациях с процессорами Ryzen 7260, Ryzen 5220 и Ryzen 5210, представленных AMD в начале 2025 года. Таким образом, устройство охватывает широкий диапазон задач - от базовых офисных до ресурсоемких вычислений. Корпус мини-ПК выполнен из прочного алюминия и имеет размеры 130&#215;130&#215;34 мм, что делает его практически незаметным на рабочем столе или за монитором. Несмотря на компактность, внутренняя компоновка позволяет установить два модуля оперативной памяти SO-DIMM ...>>

Глазные капли, возвращающие молодость зрению 05.10.2025

С возрастом человеческий глаз постепенно теряет способность четко видеть на близком расстоянии - развивается пресбиопия, или возрастная дальнозоркость. Этот естественный процесс связан с утратой эластичности хрусталика и ослаблением цилиарной мышцы, отвечающей за фокусировку. Миллионы людей по всему миру сталкиваются с необходимостью носить очки для чтения или прибегают к хирургическим методам коррекции. Однако исследователи из Центра передовых исследований пресбиопии в Буэнос-Айресе представили решение, которое может стать удобной и неинвазивной альтернативой - специальные глазные капли, способные улучшать зрение на длительный срок. Разработку возглавила Джованна Беноцци, директор Центра. По ее словам, цель исследования состояла в том, чтобы предоставить пациентам с пресбиопией эффективный и безопасный способ коррекции зрения без хирургического вмешательства. Новые капли, созданные на основе пилокарпина и диклофенака, показали убедительные результаты: уже через час после первого пр ...>>

Случайная новость из Архива

4K-видеокамера Sony Handycam FDR-AX1E 07.09.2013

Компания Sony продемонстрировала свою первую пользовательскую 4K-видеокамеру - модель Handycam FDR-AX1E.

Видеокамера записывает 4K- и HD-видеоролики в формате XAVC S, используя MPEG-4 AVC/H.264 Long GOP для записи видео и Linear PCM для аудио. Файлы сохраняются в приложении MP4. Формат XAVC-S рассчитан на более длительное время записи, позволяет сохранить почти два часа 4K-видео на карте памяти XQD (64 ГБ). Переход в режим съемки Full HD позволяет сохранить почти 3 часа видеозаписи в разрешении 1920 x 1080 / 50p на одной карте. Компания планирует обновить формат AVCHD к середине 2014 г., это сделает карту совместимой с еще большим количеством нынешних пользовательских устройства.

Видеокамера FDR-AX1E оснащена матрицей 4K-изображения, что позволяет получить высокое качество картинки. Матрица Exmor R CMOS типа 1/2.3 действительно снимает при 4K-разрешении (3840 x 2160), в четыре раза более четком, чем при Full HD, со скоростью потока 50 кадров/сек. Мощный видеопроцессор, аналогичный тем, которые используются в профессиональных 4K-видеокамерах, быстро обрабатывает сигналы, поступающие от матрицы CMOS, и выводит изображение в реальном времени со скоростью 50 кадров/сек.

Кроме того, высокое качество изображения обеспечивает объектив Sony G Lens с асферическими линзами из специального низкодисперсного стекла. Кроме того, объектив обладает широкими возможностями масштабирования - от широкоугольного до 20-кратного оптического увеличения (31,5-630 мм, эквивалент 35 мм). При этом оптический стабилизатор Optical SteadyShot сохраняет видеоизображение более четким и устойчивым даже в режиме телеобъектива.

Видеокамера FDR-AX1E имеет несколько функций, способных обогатить творческий опыт пользователя, таких как три ND фильтра, регулирующих поток света, попадающий на матрицу изображения через объектив. Доступны четыре режима фильтра: Выкл. (Чистый), фильтр 1/4, фильтр 1/16 и фильтр 1/64, они дают пользователю возможность настраивать условия освещенности, сохраняя при этом желаемый угол съемки и диафрагму даже в самый яркий солнечный день. Пять цветовых режимов (баланс белого, гамма, детализация, детализация кожи (мягкая фокусировка) и матрица), которые можно сочетать и настраивать, чтобы создать выразительный кинематографический эффект.

Камкордер оснащен встроенным стереомикрофоном и двумя внешними разъемами XLR для подключения дополнительных микрофонов.

Для простоты использования камеры FDR-AX1E она оснащена двумя кнопками "Пуск/Выключение" и рычагом изменения масштабирования на рукоятке, что облегчает использование зума при съемке под малым углом. Кроме того, предусмотрены отдельные элементы управления для автоматической и ручной фокусировки, семь кнопок могут быть перепрограммированы под любые из функций на усмотрение пользователя.

Два слота в камере FDR-AX1E рассчитаны на карты памяти XQD, обеспечивающие высокоскоростные воспроизведение и запись 4K-видео без помех. Как и в профессиональных видеокамерах компании Sony, во время съемки видеокамера плавно переключается с первой карты на вторую. Возможна также "горячая замена" карты: извлечение заполненной карты из слота и замена ее на пустую прямо во время съемки.

Другие интересные новости:

▪ Подводная лодка отправится на Титан

▪ Новый тип искусственной кожи

▪ Коммутатор Mellanox InfiniBand EDR 100 Гбит/с

▪ Факторы человеческого несчастья

▪ Создана первая синтетическая сетчатка глаза

Лента новостей науки и техники, новинок электроники

 

Интересные материалы Бесплатной технической библиотеки:

▪ раздел сайта Ваши истории. Подборка статей

▪ статья Праздник, который всегда с тобой. Крылатое выражение

▪ статья Откуда появилось мороженое? Подробный ответ

▪ статья Цитрус уншиу. Легенды, выращивание, способы применения

▪ статья Паротурбинные солнечные энергетические установки. Энциклопедия радиоэлектроники и электротехники

▪ статья Кристаллы - большие и маленькие. Химический опыт

Оставьте свой комментарий к этой статье:

Имя:


E-mail (не обязательно):


Комментарий:





Главная страница | Библиотека | Статьи | Карта сайта | Отзывы о сайте

www.diagram.com.ua

www.diagram.com.ua
2000-2025